images/testate/Template-Header-Sito-OMALBALLVALVES.jpg

Кран шаровой из ПВХ, артикул 615-616

Кран шаровой из ПВХ, артикул 615-616

Кран шаровой из ПВХ двухходовой с резьбовыми или клеевыми присоединениями - полнопроходной

АРТИКУЛ 615
Соединение: резьбовое
АРТИКУЛ 616
Соединение: клеевое

НАСТРОЙКА Привод
ЗАПРОС ИНФОРМАЦИИ
РАСПЕЧАТАТЬ СТРАНИЦУ
  • характеристики
  • размеры
  • материалы
  • диаграммы и пусковые моменты

ОБЩИЕ ХАРАКТЕРИСТИКИ:
• Рабочая температура: от 0°C до 60°C
• Рабочее давление: см. график
• Применения: химические вещества, текучие среды, к которым ПВХ обладает химической стойкостью.
• Присоединения:

  • • концы с внутренней резьбой по стандарту DIN/ISO 228/1
  • клеевое по стандарту ISO 727 UNI EN 1452
  • PN 16 до 20°C, если классифицируется ХИМИЧЕСКИ УСТОЙЧИВЫМ к применяемой рабочей среде для кранов с клеевым соединениями, PN 10 для резьбовых соединений.

СПЕЦИАЛЬНЫЕ ИСПОЛНЕНИЯ ПОД ЗАКАЗ

• Связаться с нашим коммерческим отделом.

РАЗМЕРЫ   
УСЛОВНЫЙ ПРОХОД  
L
Резьбовое

L
Клеевое
ØQ
ØC
Резьбовое
ØC
Клеевое
A
B
E
F
ØM
P
DN [mm]
[дюймы]
DN 10
3/8"
9592
50
3/8"
16
26,1
41
25
27
6
12
DN 15
1/2"
10095
50
1/2"
20
26,1
41
25
27
6
12
DN 20
3/4"
114110
58
3/4"
25
30
48,5
25
30
6
12
DN 25
1"
127123
68
1"
32
35,2
55
25
36
6
12
DN 32
1" 1/4
146146
84
1"1/4
40
44
66,9
45
44
8
15
DN 40
1" 1/2
152157
97
1"1/2
50
50,2
73,1
45
51
8
15
DN 50
2"
177183
124
2"
63
62
89,4
45
64
8
15
DN 65
2" 1/2
233233
166
2"1/2
75
84,1
126
70
85
8
15
DN 80
3"
254254
200
3"
90
95,9
138
70
105
8
15
DN 100
4"
301301
238
4"
110
109,9152
120
123
12
22

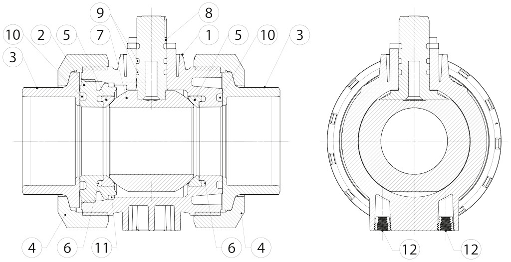
МАТЕРИАЛЫ
1
Корпус
PVC-U
2
Опора прокладки пробки шаровой
PVC-U
3
Муфта
PVC-U
4
Кольцо нажимное
PVC-U
5
Прокладка уплотнения пробки шаровой  
PTFE
6
Кольцо уплотнительное нижнее шпинделя
СКЭП
7
Пробка шаровая
PVC-U
8
Шпиндель
PVC-U
9
Кольцо уплотнительное шпинделя
СКЭП
10
Кольцо уплотнительное муфты
СКЭП
11
Кольцо уплотнительное корпусное
СКЭП
12
Вкладыши монтажные
сталь нерж.

ГРАФИК ДАВЛЕНИЕ/ТЕМПЕРАТУРА

Расход или падение напора и номинальный коэффициент Kv


DN10
DN15
DN20
DN25
DN32
DN40
DN50
DN65
DN80
DN100

Kv100
70
185
350
700
1000
1600
3100
5000
7000
11000
KV100, л/мин
KV
4,2
11,1
21
42
60
96
186
300
420
660
KV, куб. м/ч

 Значение Kv численно равно расходу в м3/ч (воды при температуре 15°C), при котором потери напора (на арматуре) составят 1 бар.

МОМЕНТЫ СТРАГИВАНИЯ в Н·м
УСЛОВНЫЙ ПРОХОД
DN 10
3/8"
DN 15 1/2"
DN 20 3/4"
DN 25
1"
DN 32 1"1/4
DN 40 1"1/2
DN 50
2"
DN 65 2"1/2
DN 80
3"
DN 100
4"

PN 10/16 bar
2
2
3
4
5,5
7,5
10
15
23
40

Значения момента могут варьировать в зависимости от температуры и типа рабочей среды. Применять коэффициент запаса прочности, равный 1,4. При часто повторяющихся циклах открывания и закрывания рабочий момент может значительно снижаться по сравнению с первоначальным. Показанные на последующих страницах присоединения привода к арматуре относятся к арматуре, перекрывающей чистые жидкие или газообразные среды при средних температурах. Для получения более подробной информации или иным применениям проконсультироваться с нашим коммерческим отделом.

НАСТРОЙКА ВОДИТЬ МАШИНУ
Выберите параметры поиска
ПОИСК ИЗДЕЛИЯ
X ЗАКРЫТЬ

СЛЕДУЮЩЕЕ СОБЫТИЕ

IVS - Industrial Valve Summit 2026
IVS - Industrial Valve Summit 2026
Bergamo, Italy, 19 - 21 may 2026