images/testate/Template-Header-Sito-OMALBALLVALVES.jpg

Кран шаровой с пробкой в опорах SUPREME Trunnion

  • преимущества
  • характеристики
  • размеры
  • компоненты
  • размеры и дополнения
  • информационные приводы
  • документы

DN ≤ 100 УСЛОВНЫЙ ПРОХОД ≤ 4” – ANSI 150-300


1. Антистатическое устройство (непрерывная электропроводимость между шаром, шпинделем и корпусом)
Предотвращает возникновение электростатических зарядов, которые могут вызвать возгорание в легковоспламеняющихся и (или) взрывоопасных средах
Надёжный контакт обеспечен в течение всего срока службы крана)
 
2. Двойное антифрикционное кольцо 
Снижает крутящий момент привода крана и уменьшает износ по сравнению с одинарным
 
3. Шевронный пакет: 3 манжеты и уплотнительное кольцо 
Идеальное уплотнение обеспечивается даже после повышенного числа циклов
 
4. Тарельчатые пружины в уплотнении шпинделя 
Обеспечивают устранение люфта, обусловленного износом вследствие поворачивания вала, предотвращая утечку наружу
Позволяют поддерживать прижим шевронных манжет (кольцевых уплотнений V-образного профиля), предотвращая утечки при значительных термических нагрузках
 
5. Эластичное уплотнение из графита 
Обеспечивает герметичность наружу, независимо от термических нагрузок, которым подвергается кран

Повышенная точность центрировании благодаря обработке заготовки до готового изделия с одной установки
Увеличение срока службы самого крана
Снижение крутящего момента привода
 
Корпус арматуры в стандартном исполнении из углеродистой стали, нормализованной по сертифицированной Национальной ассоциацией инженеров-коррозионистов (NACE) технологии
Обеспечивается большая стойкость к коррозии
Большая ковкость материала
 
Производственный процесс полностью осуществляет «OMAL»
Максимальный контроль на всех этапах производства
Возможность поставки изделий в специальном исполнении, требуемых заказчиком

Сертификат пожарной безопасности (Fire Safe) 
Герметичность крана обеспечивается даже в случае пожара
 
Сертификат взрывобезопасности (ATEX) 
Позволяет монтаж даже в потенциально взрывоопасной среде
 
Сертификация по летучим выбросам (TA LUFT fugitive emission) 
Обеспечивает повышенную степень надёжности герметизации шпинделя наружу
 
Сертификат соответствия Директиве 97/23/EC (PED) 
Полное соответствие европейским стандартам безопасности оборудования, работающего под давлением
 
Сертифицирован до УПБ 3 
Повышенный уровень функциональной безопасности

DN ≤ 100 УСЛОВНЫЙ ПРОХОД ≤ 4” – ANSI ≥ 600

1. Двойное антифрикционное кольцо 
Снижает крутящий момент привода крана и уменьшает износ по сравнению с одинарным
 
2. Две направляющие втулки шаровой пробки
Снижается крутящий момент крана
 
Антистатическое устройство (непрерывная электропроводимость между шаром, шпинделем и корпусом) 
Предотвращает возникновение электростатических зарядов, которые могут вызвать возгорание в легковоспламеняющихся и (или) взрывоопасных средах
Надёжный контакт обеспечен в течение всего срока службы крана
 
Эластичное уплотнение из графита 
Обеспечивает герметичность наружу, независимо от термических нагрузок, которым подвергается кран
 
Корпус арматуры в стандартном исполнении из углеродистой стали, нормализованной по сертифицированной Национальной ассоциацией инженеров-коррозионистов (NACE) технологии
Обеспечивается большая стойкость к коррозии
Большая ковкость материала
 
Сертификат пожарной безопасности (Fire Safe) 
Герметичность крана обеспечивается даже в случае пожара
 
Сертификат взрывобезопасности (ATEX) 
Позволяет монтаж даже в потенциально взрывоопасной среде
 
Сертификат соответствия Директиве 97/23/EC (PED) 
Полное соответствие европейским стандартам безопасности оборудования, работающего под давлением
 
Сертифицирован до УПБ 3 
Повышенный уровень функциональной безопасности

DN ≥ 150 УСЛОВНЫЙ ПРОХОД ≥ 6”

1. Двойное антифрикционное кольцо 
Снижает крутящий момент привода крана и уменьшает износ по сравнению с одинарным
 
2. Две направляющие втулки шаровой пробки
Снижается крутящий момент крана
 
Антистатическое устройство (непрерывная электропроводимость между шаром, шпинделем и корпусом) 
Предотвращает возникновение электростатических зарядов, которые могут вызвать возгорание в легковоспламеняющихся и (или) взрывоопасных средах
Надёжный контакт обеспечен в течение всего срока службы крана
 
Эластичное уплотнение из графита 
Обеспечивает герметичность наружу, независимо от термических нагрузок, которым подвергается кран
 
Корпус арматуры в стандартном исполнении из углеродистой стали, нормализованной по сертифицированной Национальной ассоциацией инженеров-коррозионистов (NACE) технологии
Обеспечивается большая стойкость к коррозии
Большая ковкость материала
 
Сертификат пожарной безопасности (Fire Safe) 
Герметичность крана обеспечивается даже в случае пожара
 
Сертификат взрывобезопасности (ATEX) 
Позволяет монтаж даже в потенциально взрывоопасной среде
 
Сертификат соответствия Директиве 97/23/EC (PED) 
Полное соответствие европейским стандартам безопасности оборудования, работающего под давлением
 
Сертифицирован до УПБ 3 
Повышенный уровень функциональной безопасности

Сертификация по летучим выбросам (TA LUFT fugitive emission) 
Обеспечивает повышенную степень надёжности герметизации шпинделя наружу

СТАНДАРТНОЕ ИСПОЛНЕНИЕ
• Корпус из двух или трёх частей
• Упругие уплотнения сёдел
• Автоматический сброс избыточного давления в корпусе
• С двойной блокировкой и сбросом давления
• Классы давления: ANSI 150 ÷ ANSI 2500
• Применения: химические и нефтехимические заводы, электростанции и различные отрасли перерабатывающей промышленности, для жидкостей, газов, пара и углеводородов
• Шпиндель с защитой от выталкивания

СПЕЦИАЛЬНЫЕ ИСПОЛНЕНИЯ ПОД ЗАКАЗ

• Поршень двойного действия
• Материалы и специальные исполнения в соответствии с техническими условиями заказчика.
• Маркировка и сертификат взрывобезопасности (ATEX) ПО ЗАПРОСУ

СЕРТИФИКАЦИИ

• Соответствует европейской Директиве 2014/68/ЕС по оборудованию, работающему под давлением (PED).
• Соответствует европейской Директиве 2014/34/ЕС по оборудованию и защитным системам, предназначенным для использования в потенциально взрывоопасных средах (ATEX). (сертификат взрывобезопасности (ATEX) ПО ЗАПРОСУ).
• Уровень функциональной безопасности до УПБ (SIL) 3 согласно МЭК 61508.
• Огнестойкость (FIRE SAFE) по EN ISO 10497- API607.
• Летучие выбросы (Fugitive Emission) по UNI EN ISO 15848.

СТАНДАРТЫ ПРОЕКТИРОВАНИЯ

• ASME B16.34
• Концы: ASME B16.5 (RF-RTJ), ASME B16.25 (BW)
• Строительная длина: ASME B16.10
• Фланец для монтажа привода: ISO 5211
• Design API 6D on request.

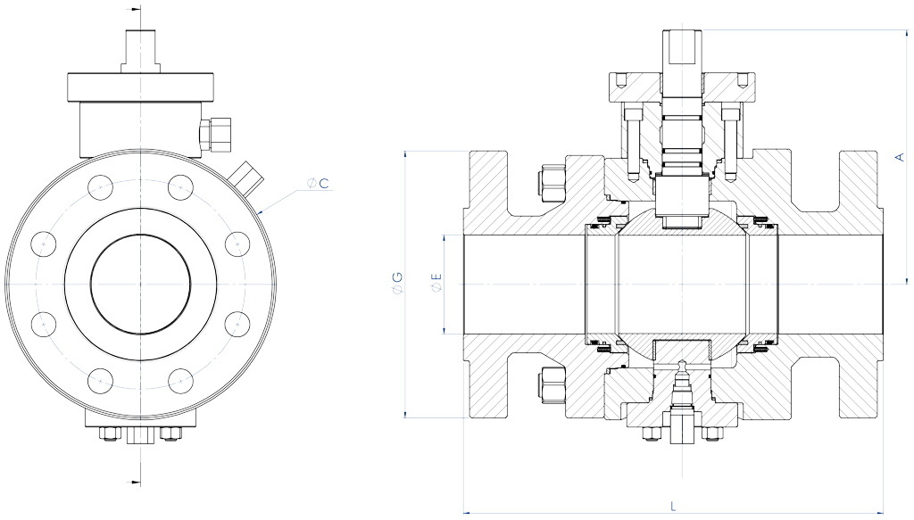
DN≤100 УСЛОВНЫЙ ПРОХОД ≤4” ANSI 150-300

DN≤100 УСЛОВНЫЙ ПРОХОД ≤4” ANSI ≥600

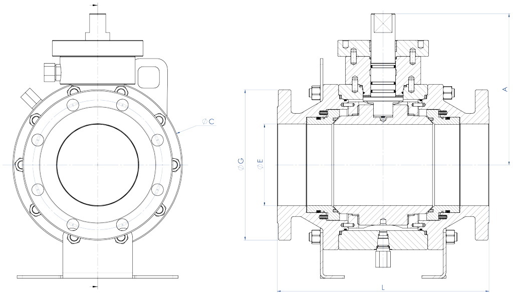
DN ≥150 УСЛОВНЫЙ ПРОХОД ≥6”

ANSI 150DNУСЛОВНЫЙ ПРОХОД
LØEØGAØC
502"1785115267*146*
803"2037619090190
1004"229102230111240
1506"394152280232316
2008"457203345286400
25010"533254408324475
30012"610305484355*580*
35014"686337536402*626*
40016"762386397441*700*
45018"864438636484*779*
50020"914489*694560*900*
60024"1067591*814620*1020*

ANSI 300DNУСЛОВНЫЙ ПРОХОД
LØEØGAØC
502"2165116567*156*
803"2827621090200
1004"305102255111240
1506"403152320236324
2008"502203382286408
25010"568254446324475
30012"648305522355*580*
35014"762337585402*626*
40016"838386649504*770*
45018"914438712484*779*
50020"991489*776560*900*
60024"1143591*915620*1020*

ANSI 600DNУСЛОВНЫЙ ПРОХОД
LØEØGAØC
502"29251165160*189*
803"35676210191210
1004"432102275218279
1506"559152355263355
2008"660203420304430
25010"787254510352520
30012"838305561402*620*
35014"889337604416*655*
40016"991386687450*730*
45018"1092438744515*810*
50020"1194489*814588*955*
60024"1397591*941645*1070*

ANSI 900DNУСЛОВНЫЙ ПРОХОД
LØEØGAØC
502"36851215120*189*
803"38176242204240
1004"457102293218279
1506"610152382263355
2008"737203471304430
25010"838254547352520
30012"965305612452660
35014"1029322640460*700*
40016"1130373706485*760*

ANSI 1500DNУСЛОВНЫЙ ПРОХОД
LØEØGAØC
502"36851215140*189*
803"47076268225270
1004"546102312240*300*
1506"705146395285*390*
2008"832192485340*460*
25010"991239585390*555*

ANSI 2500DNУСЛОВНЫЙ ПРОХОД
LØEØGAØC
502"45142235160219
803"50863305241318
1004"67387357
253335
1506"914131485340500

* Ориентировочная цена

  • DN≤100 УСЛОВНЫЙ ПРОХОД ≤4” – ДЮЙМОВ 150-300
  • DN≤100 УСЛОВНЫЙ ПРОХОД ≤4” – ДЮЙМОВ ≥600
  • DN ≥150 УСЛОВНЫЙ ПРОХОД ≥6”

DN≤100 УСЛОВНЫЙ ПРОХОД ≤4” – ДЮЙМА 150-300

1. Корпус
2. Патрубок фланцевый
3. Пробка шаровая
4. Шпиндель
5. Седло
6. Обойма седла
7. Крышка нижняя
8. Кольцо уплотнительное корпуса
9. Прокладка корпуса
10. Кольцо уплотнительное обоймы седла
11. Кольцо противовыдавливания
12. Прокладка седла
13. Пружины подпружинивания седла
14. Шпильки
15. Гайки
16. Кольца антифрикционные
17. Кольцо уплотнительное шпинделя
18. Пакет уплотнений
19. Кольцо сальника
20. Пружины тарельчатые
21. Гайка шпинделя
22. Стопор гайки
23. Винты крышки нижней
24. Уплотнение крышки нижней
25. Кольцо уплотнительное крышки нижней
26. Пробка

DN≤100 УСЛОВНЫЙ ПРОХОД ≤4” – ДЮЙМА ≥600

1. Корпус
2. Патрубок фланцевый
3. Пробка шаровая
4. Шпиндель
5. Седло
6. Обойма седла
7. Крышка верхняя
8. Фланец
9. Крышка нижняя
10. Прокладка корпуса
11. Кольцо уплотнительное корпуса
12. Пружина устройства антистатического
13. Пружины подпружинивания седла
14. Кольцо противовыдавливания
15. Кольцо уплотнительное седла
16. Прокладка седла
17. Шпильки
18. Гайки
19. Втулка пробки шаровой
20. Кольцо антифрикционное
21. Кольцо уплотнительное шпинделя
22. Кольцо уплотнительное крышки верхней
23. Прокладка крышки верхней
24. Штифт центрирующий
25. Прокладка между пожаробезопасной набивкой и антистатическим устройством
26. Винты крышки верхней
27. Втулка шпинделя
28. Винты фланцевые
29. Штифты центрирующие
30. Втулка пробки шаровой
31. Кольцо уплотнительное крышки нижней
32. Прокладка крышки нижней
33. Шпильки / винты крышки нижней
34. Гайки
35. Клапан спускной
36. Маслёнка шпинделя
37. Кольцо уплотнительное маслёнки и спускного клапана
38. Прокладка между маслёнкой и спускным клапаном

DN ≥150 УСЛОВНЫЙ ПРОХОД ≥6”

1. Корпус
2. Патрубок фланцевый
3. Пробка шаровая
4. Шпиндель
5. Седло
6. Обойма седла
7. Крышка верхняя
8. Фланец
9. Плита опорная
10. Прокладка корпуса
11. Кольцо уплотнительное корпуса
12. Пружины подпружинивания седла
13. Кольцо уплотнительное обоймы седла
14. Кольцо противовыдавливания
15. Прокладка обоймы седла
16. Шпильки
17. Гайки
18. Втулка пробки шаровой
19. Цапфа пробки шаровой
20. Штифты центрирующие
21. Кольца антифрикционные
22. Кольцо уплотнительное крышки верхней
23. Прокладка крышки верхней
24. Кольцо уплотнительное шпинделя
25. Прокладка между пожаробезопасной набивкой и антистатическим устройством
26. Винты крышки верхней
27. Втулка шпинделя
28. Винты фланцевые
29. Штифты центрирующие
30. Проушина подъёмная
31. Ножки опорные
32. Штифты центрирующие
33. Маслёнка шпинделя
34. Клапан спускной
35. Кольцо уплотнительное клапана спускного и маслёнки
36. Прокладка между клапаном спускным и маслёнкой
37. Устройство антистатическое

ТИПОРАЗМЕРЫ И ПРИНАДЛЕЖНОСТИ

DN

50
80
x
65
80
100
x
80
100
150
x
100
150
200
x
150
200
250
x
200
250
300
x
250
300
350
x
250
350
400
x
300
400
450
x
350
450
500
x
400
500
600
x
500
600
УСЛОВНЫЙ ПРОХОД

2"
3"
x
2"1/2
3"
4"
x
3"
4"
6"
x
4"
6"
8"
x
6"
8"
10"
x
8"
10"
12"
x
10"
12"
14"
x
10"
14"
16"
x
12"
16"
18"
x
14"
18"
20"
x
16"
20"
24"
x
20"
24"
ANSI 150
A























B























C























D























E























F
























ANSI 300
A























B























C























D























E























F
























ANSI 600
A























B























C























D























E























F
























ANSI 900
A























B























C























D























E























F
























ANSI 1500
A























B























C























D























E























F
























ANSI 2500
A























B























C























D























E























F
























A) Маслёнка шпинделя
B) Пробка корпуса/крышка нижняя
C) Клапан спускной корпуса/крышка нижняя
D) Маслёнка седёл
E) Проушина подъёмная
F) Ножки опорные

ПРИНАДЛЕЖНОСТИ

A. Маслёнка шпинделя

B. Пробка корпуса / крышка нижняя

C. Клапан спускной корпуса/крышка нижняя

D. Маслёнка седла

Рукоятка ручного привода

Редуктор ручной

Пневмопривод

Пневмопривод со встроенным ручным дублёром

Пневмопривод для тяжёлых условий эксплуатации (Heavy Duty)

X ЗАКРЫТЬ

СЛЕДУЮЩЕЕ СОБЫТИЕ

IVS - Industrial Valve Summit 2026
IVS - Industrial Valve Summit 2026
Bergamo, Italy, 19 - 21 may 2026