images/testate/1600x499accattuatori.jpg

KPLEM4 Позиционер электропневматический 4-20 мА

ПОЗИЦИОНЕР ПРОДАЕТСЯ УЖЕ ОТКАЛИБРОВАННЫМ, ЕСЛИ ПРИОБРЕТАЕТСЯ ВМЕСТЕ С ПНЕВМАТИЧЕСКИМ ПРИВОДОМ ПРОИЗВОДСТВА «OMAL S.P.A.»; ЕСЛИ ЖЕ ПРОДАЕТСЯ ОТДЕЛЬНО, ЗА КАЛИБРОВКУ ОТВЕЧАЕТ ЗАКАЗЧИК. «OMAL S.p.A.» НЕ НЕСЕТ ОТВЕТСТВЕННОСТИ ЗА НАСТРОЙКИ.

ОПИСАНИЕ
Позиционер электропневматический кулачковый особенно подходит для пропорционального управления приводами типа DAN и SRN. Устанавливается на привод с помощью скобы, закрепляемой в выполненных в приводе отверстиях. Электрический управляющий сигнал, поступающий с термостата, вискозиметра, реле давления и т.д., передается на позиционер, который по значению такого сигнала регулирует угол открытия или закрытия клапана. Действие по часовой стрелке или против часовой стрелки можно изменить без использования дополнительных деталей — достаточно перевернуть внутренний кулачок и поменять местами соединения с приводом.

ОСНОВНЫЕ ХАРАКТЕРИСТИКИ
- Питание: непромасленный и профильтрованный до степени чистоты 5 мкм воздух
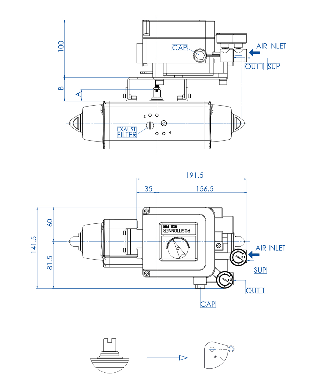
- Входной ток: 4÷20 В пост. тока
- 2 манометра:1 для давления в линии (SUPPLY),1 для управляющего давления (OUT1).
- Входное сопротивление: 235 ± 15 Ом (4÷20 мА пост. тока)
- Пневматические подключения: 1/4 дюйма NPT
- Электрические подключения: M20 x 1,5
- Линейность: < ±2% полной шкалы
- Чувствительность: < ±0,5% полной шкалы
- Потребление воздуха: от 5 Нл/мин (P = 1,4 бар) при 11 Нл/мин P = 4 бар)
- Рабочая температура: от -20°C до +80°C
- Степень защиты: IP65 (соответствует публикации МЭК (IEC) 60529 )

СЕРТИФИКАТЫ
по требованию

SMC - IP 8100

ПРИМЕЧАНИЯ
По требованию позиционеры пневматические и электропневматические поставляются отрегулированными и смонтированным с использованием алюминиевых трубок с покрытием и быстроразъемных соединений.

Регулировка A = 0° - 90°:
- Управляющий сигнал 4 мА: положение «закрыто»
- Управляющий сигнал 20 мА: положение «открыто»
Регулировка D = 90° - 0°:
- Управляющий сигнал 4 мА: положение «открыто»
- Управляющий сигнал 20 мА: положение «закрыто»

Более подробно см. в руководстве по эксплуатации и техническому обслуживанию.

Позиционер с приводом двойного действия

Позиционер с приводом простого действия

РАЗМЕР
DAN15÷DAN120
SRN15 ÷ SRN60  
DAN180÷DAN1920
SRN90÷SRN960  
A (mm)2030
B (mm)4151

Искать по коду