images/testate/1600x499accattuatori.jpg

KPLPPA Позиционер пневматический

ПОЗИЦИОНЕР ПРОДАЕТСЯ УЖЕ ОТКАЛИБРОВАННЫМ, ЕСЛИ ПРИОБРЕТАЕТСЯ ВМЕСТЕ С ПНЕВМАТИЧЕСКИМ ПРИВОДОМ ПРОИЗВОДСТВА «OMAL S.P.A.»; ЕСЛИ ЖЕ ПРОДАЕТСЯ ОТДЕЛЬНО, ЗА КАЛИБРОВКУ ОТВЕЧАЕТ ЗАКАЗЧИК. «OMAL S.p.A.» НЕ НЕСЕТ ОТВЕТСТВЕННОСТИ ЗА НАСТРОЙКИ.

ОПИСАНИЕ
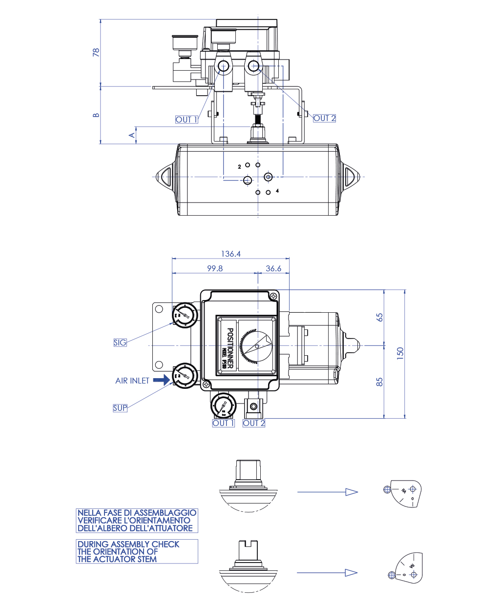
Позиционер пневматический кулачковый особенно подходит для пропорционального управления приводами как двойного действия (DA), так и с пружинным возвратом (SR). Устанавливается на привод с помощью скобы, закрепляемой в выполненных в приводе отверстиях. Пневматический управляющий сигнал, поступающий с термостата, вискозиметра, реле давления и т. д., передается на позиционер, который по значению такого сигнала регулирует угол открытия или закрытия арматуры. Действие по часовой стрелке или против часовой стрелки можно изменить без использования дополнительных деталей — достаточно перевернуть внутренний кулачок и поменять местами соединения с приводом.

ОСНОВНЫЕ ХАРАКТЕРИСТИКИ
- Питание: непромасленный и профильтрованный до степени чистоты 5 мкм воздух
- Управляющее давление: 0,02 - 0,1 МПа (0,2÷1 бар) (3÷15 фунтов на кв. дюйм)
- 3 манометра: 2 для давления в линии,1 для управляющего давления.
- Подключение питания: 1/4 дюйма NPT
- Подключение входного сигнала: резьба 1/4 дюйма
- Степень защиты: IP65 (соответствует публикации МЭК (IEC) 60529 )
- Чувствительность: < ±0,5% полной шкалы
- Линейность: < ±2% полной шкалы
- Потребление воздуха: от 5 Нл/мин. (P = 1,4 бар) при 11 Нл/мин (P = 4 бар)
- Рабочая температура: от -20°C до +80°C
- Исполнение по требованию: высокотемпературное (-5°C / +100°C)
Низкотемпературное (-30°C / +60°C)

СЕРТИФИКАТЫ
- по требованию

SMC - IP5100

ПРИМЕЧАНИЯ
По требованию позиционеры пневматические и электропневматические поставляются отрегулированными и смонтированным с использованием алюминиевых трубок с покрытием и  быстроразъемных соединений.

Регулировка A = 0° - 90°:
- Управляющее давление 0,2 bar: положение «закрыто»
- Управляющее давление 1 bar: положение «открыто»
Регулировка D = 90° - 0°:
- Управляющее давление 0,2 bar: положение «открыто»
- Управляющее давление 1 bar: положение «закрыто»

Более подробно см. в руководстве по эксплуатации и техническому обслуживанию.

Позиционер с приводом двойного действия

Позиционер с приводом простого действия

РАЗМЕР
DAN15÷DAN120
SRN15 ÷ SRN60  
DAN180÷DAN1920
SRN90÷SRN960  
A (mm)2030
B (mm)6777

Искать по коду 
X ЗАКРЫТЬ

СЛЕДУЮЩЕЕ СОБЫТИЕ

IVS - Industrial Valve Summit 2026
IVS - Industrial Valve Summit 2026
Bergamo, Italy, 19 - 21 may 2026