images/testate/1600x499accattuatori.jpg

Редуктор штурвальный отключаемый чугунный

РЕДУКТОР ШТУРВАЛЬНЫЙ ОТКЛЮЧАЕМЫЙ ЧУГУННЫЙ ДЛЯ ПРИВОДОВ DAN60 – DA8000 / SRN60 - SR4000

ОСНОВНЫЕ ХАРАКТЕРИСТИКИ
- Данный ручной привод-дублер был разработан для аварийного приведения в действие арматуры с 1/4-оборотным поворотным пневмоприводом в случае отказа или отсутствия источника питания (сжатого воздуха). Устанавливается между арматурой и пневмоприводом. Когда ручной дублер отключен, арматурой управляет напрямую привод. Включенный ручной дублер позволяет осуществить аварийное управление приводом и, как следствие, затвором арматуры. Он также всегда позволяет управлять арматурой вручную, если пневмопривод необходимо снять для замены или ремонта..
- Степень защиты IP67
- Рабочая температура -45°C +150°C

МАТЕРИАЛЫ
- Корпус: чугун JS1030
- Зубчатое колесо: чугун с шаровидным графитом JS1030
- Червяк: сталь C45/AISI 1045
- Вал: сталь
- Штурвал: окрашенная сталь

МАКСИМАЛЬНЫЙ МОМЕНТ НА ВЫХОДЕ РЕДУКТОРА
RAD02DE0DE003403
350 Nm
RAD03EF0EF004512
750 Nm
RAD04EF0FGH06522
2000 Nm
RAD05G00GH008023
3500 Nm
RAD06HL0HL009521
5000 Nm
RAD07HL0HL009522
8500 Nm

Редуктор штурвальный на приводе двойного действия

Редуктор штурвальный на приводе простого действия

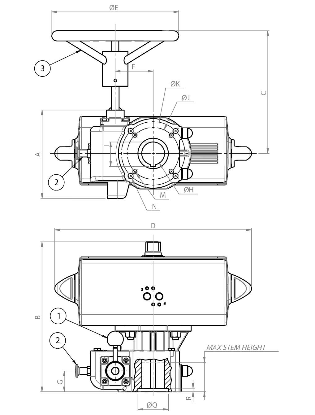
ОТКЛЮЧЕНИЕ
Потянуть за ручку (2), поворачивая при этом рычаг (1) вниз (против часовой стрелки), отпустить ручку (2) и убедиться, что та вернулась в исходное положение (до щелчка), теперь рычаг (1) больше не будет поворачиваться, редуктор выключится, а штурвал (3) сможет вращаться только вхолостую.

ВКЛЮЧЕНИЕ
Для включения действовать, как описано ранее, но повернуть рычаг (1) снизу вверх (по часовой стрелке), редуктор включится и позволит осуществить ручное управление с помощью штурвала (3).

РАЗМЕРНАЯ ТАБЛИЦА
РЕДУКТОР
RAD02DE0
DE003403
RAD02DE0
DE003403
RAD02DE0
DE003403
RAD02DE0
DE003403
RAD02DE0
DE003403
RAD02DE0
DE003403
RAD03EF0
EF004512
RAD04EF0
FGH06522
RAD05G00
GH008023
RAD05G00
GH008023
RAD05G00
GH008023
RAD06HL0
HL009521
RAD06HL0
HL009521
RAD07HL0
HL009522
RAD07HL0
HL009522
НАБОР ИЗ ПРИВОДА ДВОЙНОГО ДЕЙСТВИЯ И РЕДУКТОРА
KCF056402
KCF076405
KCF076405
KCF106406
KCF106406
KCF106406
KCF126408
KCF126409
KCF146412
KCF146412
KCF166413
KCF166414
KCF166414
KCF256416
KCF256416
НАБОР ИЗ ПРИВОДА С ПРУЖИННЫМ ВОЗВРАТОМ И
РЕДУКТОРА
KCF166414
ПРИВОД
DAN0060412S
DAN0106411S
DAN0120411S
DAN0180411S
DAN0240411S
DAN0360411S
DAN0480411S
DAN0720411S
DAN0960412S
DAN1440411S
DAN1920411S
DA2880E16D0A
DA3840E1600A
DA5760E25D0A
DA8000E25D0A
ПРИВОД
--SRN0060401S
SRN0090401S
SRN0120401S
SRN0180401S
SRN0240401S
SRN0360401S
SRN0480402S
SRN0720401S
SRN0960401S
SR1440E16D8A
SR1920E1608A
SR2880E16D8A
SR4000E25D8A
A  mm.
154154154154154154174229268268268416416416416
B  mm.
216229232263266273295338382400422556511571571
C  mm.
205205205205205205242309356356356451451471471
D  mm.
1982372442903143403884334795676016677288851044
D1  mm.
--338394410474520613648798828834100112011370
ØE  mm.
200200200200200200250500600600600400400500500
F  mm.
5858585858587592134134134148148148148
G  mm.
343434343434414654545466666666
ØH  mm.
343434343434456580808095959595
I  mm.
36,436,436,436,436,4
36,4
48,369,484,884,884,8100,3100,3100,3100,3
ØJ  mm.
707070707070102102140140140165165165165
ØK  mm.
102102102102102102125140---254254254254
M  mm.
M8M8M8M8
M8
M8
M10
M10
M16
M16
M16
M20
M20
M20
M20
N  mm.
M10M10M10M10
M10
M10
M12
M16
---M16
M16
M16
M16
F/F ISO 5211  
F07/F10F07/F10
F07/F10
F07/F10
F07/F10
F07/F10
F10/F12
F10/F14
F14F14F14F16/F25F16/F25
F16/F25
F16/F25
ØQ  mm.
4545454545456085110110110125125125125
R  mm.
555555557776666
MAX STEM HEIGHT mm.
48484848484853,55878787891919191
Масса (двойного действия) (DA)  Kg.
9101012131427,531,541,547,556120,5114153173
Масса (двойного действия) (SR)  Kg.
--1113,51416,529,53646,55766139132184,5251

Параметры пневматических приводов (пневмоактуаторов) приняты с учетом минимального давления питания 5,6 бар изб. По давлениям, отличным от стандартного, обращаться в коммерческий отдел.

Искать по коду
X ЗАКРЫТЬ

СЛЕДУЮЩЕЕ СОБЫТИЕ

IVS - Industrial Valve Summit 2026
IVS - Industrial Valve Summit 2026
Bergamo, Italy, 19 - 21 may 2026