OMAL,<br>EMPOWERED<br>PERFORMANCE
OMAL,
EMPOWERED
PERFORMANCE
วาล์วและแอคชูเอเตอร์
โซลูชันขั้นสูงสำหรับการควบคุมของไหลและระบบอัตโนมัติในกระบวนการ

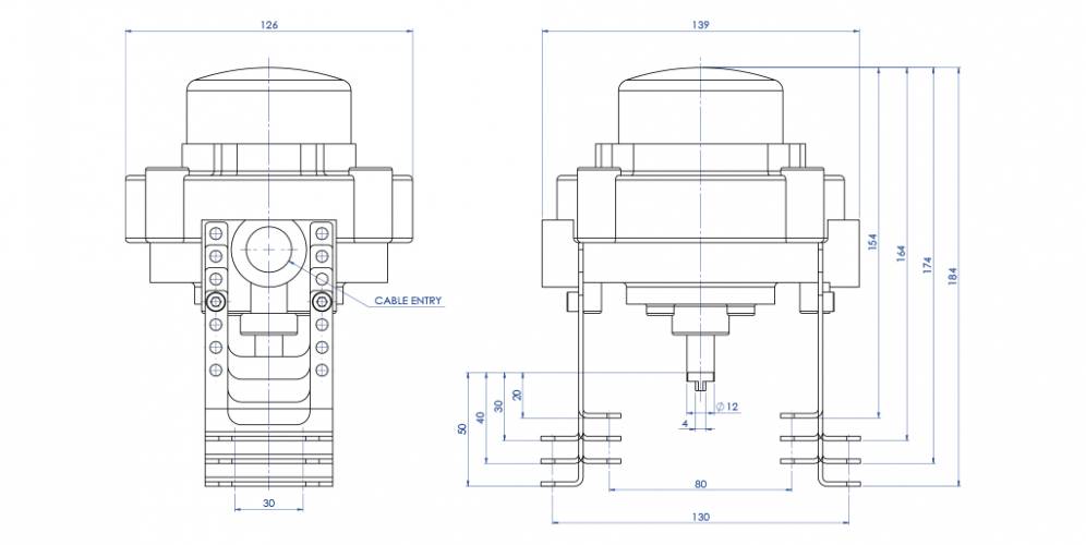
KSSK แบบกันระเบิด (ATEX) ทำจากอะลูมิเนียม พร้อมตัวบ่งชี้แบบแสง (ออปติคัล)

II2GD Exdb IIC T6 - T4 GB / Extb IIIC
KSSK แบบกันระเบิด (ATEX) ทำจากอะลูมิเนียม พร้อมตัวบ่งชี้แบบแสง (ออปติคัล)

คุณลักษณะทางเทคนิค
- ออกแบบมาเพื่อให้ตรวจสอบตำแหน่งการทำงานของวาล์วทั้งทางสายตาและทางไฟฟ้าได้อย่างง่ายดาย แม้ในระยะไกล
- ผลิตตามมาตรฐาน VDI / VDE 3845 (EN15714-3)
- สามารถติดตั้งสวิตช์จำกัดตำแหน่งได้ 2 ตัว ทั้งแบบกลไก “SPDT” หรือแบบระยะใกล้
- แคมของสวิตช์จำกัดตำแหน่งถูกออกแบบให้ไม่สามารถเลื่อนหลุดได้ แม้ขณะปรับตั้งหรือใช้งานเครื่องมืออื่น
- การเดินสายภายในจัดไว้ล่วงหน้าพร้อมขั้วต่อหมายเลข: หมายเลข 6 สำหรับไมโครสวิตช์สองตัว และมีขั้วต่อเพิ่มเติมสำหรับการต่อสายโซลินอยด์ (ดูแผนผังการเดินสายไฟ)
- มีข้อต่อเกลียวไฟฟ้า 2 จุด สำหรับต่อกับข้อต่อสายเคเบิล
- อุณหภูมิการทำงาน:
ตั้งแต่ -40°C ถึง +80°C (มาตรฐาน);
ตั้งแต่ -25°C ถึง +70°C สำหรับสวิตช์จำกัดตำแหน่งรหัส “73”;
ตั้งแต่ -25°C ถึง +80°C สำหรับสวิตช์จำกัดตำแหน่งรหัส “75”
- ระดับการป้องกัน: IP 67

วัสดุ
- ตัวเรือนและฝาครอบ: อะลูมิเนียมหล่อ เคลือบผงโพลีเอสเตอร์*
- ตัวบ่งชี้ตำแหน่ง: โพลีคาร์บอเนตชนิดทนรังสี UV และไม่ลามไฟ ชั้น V0
- เพลาขับ: สแตนเลสสตีล
- สกรู: สแตนเลสสตีล

* สามารถสั่งผลิตเป็นสแตนเลสสตีลเกรด CF8M ได้ตามคำขอ

การรับรองมาตรฐาน
- มาตรฐาน ATEX, IEC Ex: II2GD Exdb IIC T6 - T4 Gb / Extb IIIC
- มีการรับรองเพิ่มเติมตามคำขอ
- ผ่านการรับรองตามมาตรฐานความปลอดภัยระดับ SIL 3

ประเภทของสวิตช์จำกัดตำแหน่งที่อยู่ภายในกล่อง KSSK

รหัส*
คำอธิบาย
รุ่น
แผนผังการเดินสายไฟ
01
ไมโครสวิตช์แบบอิเล็กโทรเมคคานิคอล SPDT พร้อมหน้าสัมผัสชุบนิกเกิลเงิน (CHERRY)

สูงสุด: 250 Vac 5A - 24 Vdc 3A; ขั้นต่ำ: 250 Vac 50 mA - 24 Vdc 50 mA (โหลดแบบความต้านทาน)
มาตรฐาน
03
ไมโครสวิตช์แบบอิเล็กโทรเมคคานิคอล SPDT พร้อมหน้าสัมผัสชุบทอง (CHERRY)

สูงสุด: 250 Vac 0.1 mA - 30 Vdc 0.5 mA
ตามคำขอ
1F
ไมโครสวิตช์แบบอิเล็กโทรเมคคานิคอล DPDT พร้อมหน้าสัมผัสชุบนิกเกิลเงิน (แต่ละแคมจะทำงานพร้อมกันกับไมโครสวิตช์ SPDT สองตัว) (CHERRY)

สูงสุด: 250 Vac 5A - 24 Vdc 5A; ขั้นต่ำ: 24 Vdc 50 mA
ตามคำขอ

73
ไมโครสวิตช์จำกัดระยะใกล้แบบขยายสัญญาณ 3 สาย PNP NO รุ่น P+F NBB2 V3 E2

10÷30 VDC; 200 mA - กระแสทำงาน 0 - 100 mA
ตามคำขอ
75
ไมโครสวิตช์จำกัดระยะใกล้แบบขยายสัญญาณ 2 สาย รุ่น IFM IS 5026

5÷36 Vdc; 4÷200 mA
ตามคำขอ

* สัญลักษณ์ที่ระบุประเภทของสวิตช์จำกัดตำแหน่งที่ใช้ จะปรากฏในรหัสสินค้าในตำแหน่งที่ 6 และ 7

ค้นหารหัส 
ปิด X

กิจกรรมถัดไป

IVS - Industrial Valve Summit 2026
IVS - Industrial Valve Summit 2026
Bergamo, Italy, 19 - 21 may 2026