OMAL,<br>EMPOWERED<br>PERFORMANCE
OMAL,
EMPOWERED
PERFORMANCE
วาล์วและแอคชูเอเตอร์
โซลูชันขั้นสูงสำหรับการควบคุมของไหลและระบบอัตโนมัติในกระบวนการ

ตัวปรับตำแหน่งอิเล็กโทรนิวเมติก KPFE แบบ ATEX ช่วงสัญญาณ 4–20 mA

II 2 G EEX ia/ib IIB/IIC T4/T6

การผลิตตามมาตรฐาน ATEX
มาตรฐาน
วาล์วสปูล
มาตรฐาน
เวอร์ชันแบบดับเบิลแอคติ้ง
มี
แมนิโฟลด์พร้อมเกจวัดความดัน
มี
กล่องอะลูมิเนียมพ่นสีอีพ็อกซี
มาตรฐาน
กล่องสแตนเลส
ออปชัน

เมื่อซื้อตัวปรับตำแหน่งที่ติดตั้งมากับแอคชูเอเตอร์นิวเมติกของ OMAL S.p.A. จะได้รับอุปกรณ์ที่ปรับเทียบเรียบร้อยแล้ว หากไม่ได้ติดตั้งจากโรงงาน การตั้งค่าจะเป็นความรับผิดชอบของลูกค้าเอง โดย OMAL S.p.A. จะไม่รับผิดชอบในกรณีดังกล่าว

คุณสมบัติทางเทคนิค
• ตัวปรับตำแหน่งแบบแอนะล็อก พร้อมสัญญาณอินพุต 4–20 mA ออกแบบมาเพื่อควบคุมแอคชูเอเตอร์นิวเมติก สามารถตั้งค่าได้ง่ายด้วยสวิตช์และโพเทนชิโอมิเตอร์ รุ่นที่มีสัญญาณป้อนกลับจะมีตัวส่งสัญญาณตำแหน่งเพื่อการตรวจสอบการทำงานของวาล์วอย่างต่อเนื่อง (4–20 mA)
- ตัวเรือนอะลูมิเนียมพ่นสีอีพ็อกซี อุณหภูมิการทำงาน: ตั้งแต่ -40°C ถึง 80°C
- รุ่น: แบบซิงเกิลแอคติ้ง / ดับเบิลแอคติ้ง
- อินพุต: สัญญาณ 4–20 mA
- อินพุต/เอาต์พุตเพิ่มเติม: ไม่มี
- สวิตช์ลิมิตภายใน: ไม่มี
- ช่องสอดสายไฟ: M20x1.5 พร้อมคัปเปิลเกลียวกันน้ำ
- การจัดประเภททางไฟฟ้า: II 2 G EEx ia/ib IIB/IIC T4/T6 ตามมาตรฐาน ATEX
- การป้องกัน: IP65 (IP66 ตามคำขอ)

อุปกรณ์ที่รวมมาให้
- ตัวขยายแรงลมแบบ “สปูลวาล์ว”
- แมนิโฟลด์พร้อมเกจวัดความดัน พร้อมข้อต่อขนาด 1/4-18 NPT
- ชุดติดตั้งสำหรับแอคชูเอเตอร์แบบหมุน ตามมาตรฐาน VDI/VDE 3845

อุปกรณ์เสริมตามคำขอ
- ระบบส่งสัญญาณป้อนกลับตำแหน่ง 4–20 mA แบบนิรภัยภายใน
- สวิตช์ลิมิต NAMUR จำนวน 2 ตัว / ไมโครสวิตช์แบบ PNP นิรภัยภายใน
- ตัวเรือนสแตนเลส 316
- ตัวเรือนสแตนเลส 316 พร้อมเกจวัดความดัน

การรับรองมาตรฐาน
- หนังสือรับรองความสอดคล้องตามมาตรฐาน ATEX II 2 G EEx ia/ib IIB/IIC T4/T6 และอื่น ๆ ตามคำขอ

FOXBORO ECKART-SRI990

หมายเหตุ
ตัวปรับตำแหน่งแบบนิวเมติกและอิเล็กโทรนิวเมติกจะจัดส่งตามคำขอ โดยได้รับการปรับตั้งล่วงหน้าและติดตั้งโดยใช้ท่ออะลูมิเนียมหุ้มพร้อมข้อต่อแบบเร็ว

การปรับตั้ง A = 0° - 90°:
- สัญญาณควบคุม 4 mA: ตำแหน่งปิด
- สัญญาณควบคุม 20 mA: ตำแหน่งเปิด
การปรับตั้ง D = 90° - 0°:
- สัญญาณควบคุม 4 mA: ตำแหน่งเปิด
- สัญญาณควบคุม 20 mA: ตำแหน่งปิด

สำหรับข้อมูลเพิ่มเติม กรุณาดูคู่มือการใช้งานและบำรุงรักษา

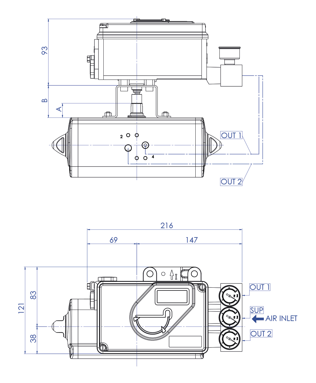
ตัวปรับตำแหน่งสำหรับแอคชูเอเตอร์แบบดับเบิลแอคติ้ง

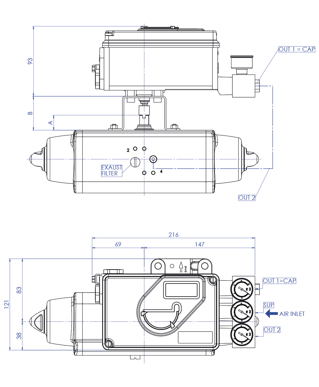
ตัวปรับตำแหน่งสำหรับแอคชูเอเตอร์แบบสปริงรีเทิร์น

สำหรับขนาด A และ B โปรดดูหน้า 75 ของแค็ตตาล็อกอุปกรณ์เสริม

ค้นหารหัส 
ปิด X

กิจกรรมถัดไป

Asia Water 2026
Asia Water 2026
Kuala Lumpur, 7-9 April 2026