images/testate/Template-Header-Sito-OMALBALLVALVES.jpg

วาล์วบอลทองเหลือง รุ่น 100

วาล์วบอลทองเหลือง รุ่น 100
มาโคร วาล์วบอล

วาล์วบอลทองเหลือง 2 ทาง แบบรูเต็ม ปลายเกลียว

กำหนดค่า ระบบขับเคลื่อน
ขอข้อมูล
พิมพ์หน้าเว็บ
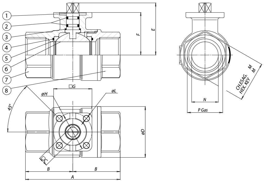
  • คุณลักษณะ
  • ขนาด
  • วัสดุ
  • แผนภาพและแรงบิดเริ่มต้น
  • เอกสาร

คุณลักษณะทั่วไป:
• วาล์วเหมาะสำหรับแรงดันต่ำ โดยมีเงื่อนไขว่าต้องใช้กับของไหลที่ไม่ก้าวร้าว
• อุณหภูมิการทำงาน: ตั้งแต่ -20°C ถึง +150°C สำหรับของไหล
• ความดันการทำงาน: ดูแผนภาพ
• ช่วงของไหล: น้ำ น้ำมัน ก๊าซ และงานเบา
• ปลายเกลียวตามข้อกำหนด ISO 7/1
• หน้าแปลนเชื่อมต่อ ISO 5211

ตามคำขอ:
• สำหรับการใช้งานอื่น กรุณาติดต่อฝ่ายเทคนิคของเรา

การรับรอง:
• ตามข้อกำหนด 2014/68/EU “PED”

  ขนาด
ขนาด
A
B
C
øD
E
F
☐G
øH
øL
ch.M
N
DN [mm]
[inch]
DN 10
3/8"
69
34,5
9
31,8
38,5
29,5
36
36
5,5
25
10
DN 15
1/2"
69
34,5
9
31,8
38,5
29,5
36
36
5,5
25
15
DN 20
3/4"
77
38,5
9
40
45,3
36,3
36
36
5,5
31
20
DN 25
1"
89
44,5
9
48
49,2
40,2
36
36
5,5
38
25
DN 32
1" 1/4
103
51,5
11
62
59,6
50,5
42
36
5,5
47
32
DN 40
1" 1/2
114
57
11
72,6
66,2
57
42
36
5,5
54
40
DN 50
2"
134
67
11
88,5
75,5
64,3
46
36/42
5,5
66
50

 วัสดุ
1
เพลา
ทองเหลือง
EN 12164 CW614N
2
โอริง
FKM

3
แหวนลดแรงเสียดทาน
PTFE

4
โอริง
FKM

5
ซีล
PTFE

6
ลูกบอล
Nickel-chrome plating
EN 12164 CW614N
7
ตัวเรือน*
ทองเหลือง
EN 12165 CW617N
8
ปลายเกลียว*
ทองเหลือง
EN 12165 CW617N
* การเคลือบผิว: ชุบนิกเกิลเงา

แผนภาพความดัน/อุณหภูมิ

แผนภาพการไหล/การสูญเสียความดัน และค่าสัมประสิทธิ์ Kv ที่กำหนด

Kv คือค่าสัมประสิทธิ์ แสดงเป็น m³/h (โดยใช้น้ำที่อุณหภูมิ 15°C) ซึ่งทำให้เกิดการสูญเสียความดัน 1 บาร์

 แรงบิดเริ่มต้น (Nm)
 ขนาด
DN 10
3/8"
DN 15
1/2"
DN 20
3/4"
DN 25
1"
DN 32
1"1/4
DN 40
1"1/2
DN 50
2"
PN 16 บาร์
3
3
4
5
7
9
15


ค่าแรงบิดอาจเปลี่ยนแปลงได้ขึ้นอยู่กับอุณหภูมิและชนิดของของไหล ต้องใช้ค่าปลอดภัย 1.4 ค่าแรงบิดอาจลดลงเมื่อมีการใช้งานบ่อย ความเหมาะสมของแอคชูเอเตอร์/วาล์วที่แสดงในหน้าถัดไป อ้างอิงจากการใช้งานวาล์วกับของเหลวหรือก๊าซที่สะอาด และที่อุณหภูมิปานกลาง สำหรับข้อมูลเพิ่มเติมหรือการใช้งานในลักษณะอื่น กรุณาติดต่อฝ่ายเทคนิคของเรา

 ใบรับรอง

กำหนดค่า ไดรฟ์
เลือกมาตรฐานการค้นหา
ค้นหารายการ
ปิด X

กิจกรรมถัดไป

IVS - Industrial Valve Summit 2026
IVS - Industrial Valve Summit 2026
Bergamo, Italy, 19 - 21 may 2026