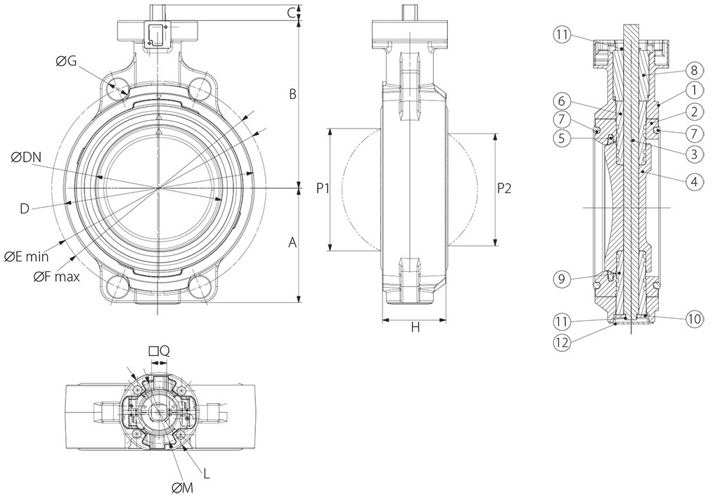
CAST IRON BUTTERFLY VALVES (วาล์วผีเสื้อเหล็กหล่อ) OTHER BUTTERFLY VALVES (วาล์วผีเสื้ออื่น ๆ) Download General catalogue ดาวน์โหลด Actuator Accessories Catalogue การถอดรหัส MAGNUM & THOR กำหนดค่าผลิตภัณฑ์ของคุณ ดาวน์โหลดไฟล์ 2D และ 3D ในหลายรูปแบบ ดาวน์โหลด Sales conditions มาโคร วาล์วผีเสื้อ หมวดหมู่ Other butterfly valves (วาล์วผีเสื้ออื่น ๆ) วาล์วผีเสื้อ PVC สำหรับติดตั้งระหว่างหน้าแปลน ชนิด “Wafer” กำหนดค่า ระบบขับเคลื่อน ขอข้อมูล พิมพ์หน้าเว็บ ดาวน์โหลดแค็ตตาล็อก OTHER BUTTERFLY VALVES (วาล์วผีเสื้ออื่น ๆ) คุณลักษณะ ขนาด วัสดุ แผนภาพและแรงบิดเริ่มต้น รุ่นมาตรฐาน:• หลักการทำงานแบบเยื้องศูนย์คู่: โครงสร้างนี้ช่วยลดการสึกหรอของเบาะวาล์วและลดแรงบิดในการขับเคลื่อนลงมากกว่า 50% เมื่อเทียบกับวาล์วผีเสื้อแบบศูนย์กลาง• วัสดุตัวเรือนภายนอก: โพรพิลีนเสริมใยแก้ว• แผ่นวาล์ว: PVC-C• ซีล: EPDM• อุณหภูมิการทำงาน: 0°C ถึง +80°C• ความดันการทำงาน: ดูกราฟประกอบ• การใช้งาน: เหมาะสำหรับสารเคมีและของไหลทุกชนิดที่เข้ากันได้กับ PVC-C และ EPDM• ช่วงขนาดที่มีจำหน่าย: DN50 ถึง DN300 PN 10• หน้าแปลนมาตรฐาน: DN50 ถึง DN300 ตามมาตรฐาน ISO 7005 PN 10, EN 1092 PN 10, DIN 2501 PN 10, ANSI/ASME B16.5 class 150, BS 1560:1989, BS 4504, JIS B 2220• การเชื่อมต่อ F07 ตามมาตรฐาน DIN/ISO 5211 ตามคำขอพิเศษ:• แผ่นวาล์ว: PVC-U, ABS, PP-H, PVDF• ซีล: FPM, FPM/PTFE• กระปุกเกียร์ มิติมิติHABCDGØE minØF maxØML□QP1P2DN [mm][inch]DN 502"457713427104191201257090114040DN 652" 1/2468314027115191401457090115435DN 803"498914627131191501607090116750DN 1004"5610416716161191751917090148874DN 1255"64117181161872321021670901411397DN 1506"721301891921524241241709017139123DN 2008"731582101926723290295709017178169DN 25010"113205264403292535336210212522210207DN 30012"113228285403792540043210212522256253 วัสดุ1ตัวเรือนPP+GF302ตัวเรือนภายในPVC-C3เพลาสแตนเลส4แผ่นวาล์วPVC-C5ปะเก็นEPDM6บูชด้านบนPVC-C7ปะเก็นหน้าแปลนEPDM8บูชยึดเพลาPP+GF309บูชด้านล่างPVC-C10แหวนรองสแตนเลส11แหวนยึดสแตนเลส12ฝาครอบเพลาPE แผนภาพความดัน/อุณหภูมิ แผนภาพการไหล–การสูญเสียความดัน และค่าสัมประสิทธิ์ Kv ที่กำหนดDN50DN65DN80DN100DN125DN150DN200DN250DN300Kv10014702200300065001150016600396005100073000KV100 ลิตรต่อนาที KV88,2132180390690996237630604380KV ลูกบาศก์เมตรต่อชั่วโมงKv คือค่าสัมประสิทธิ์ซึ่งแสดงในหน่วยลูกบาศก์เมตรต่อชั่วโมง (m³/h) ของน้ำที่อุณหภูมิ 15°C ที่ทำให้เกิดการสูญเสียความดัน 1 บาร์. แรงบิดเริ่มต้น (Nm) ขนาดDN 502"DN 65 2"1/2DN 803"DN 1004"DN 1255"DN 1506"DN 2008"DN 25010"DN 30012"PN 10 บาร์12182840506290110140แรงบิดอาจแตกต่างกันไปตามอุณหภูมิและประเภทของของไหล ต้องใช้ค่าความปลอดภัย 1.4 แรงบิดอาจลดลงเมื่อมีการใช้งานบ่อยครั้ง การคำนวณขนาดของตัวกระตุ้น (actuator)/วาล์วที่แสดงในหน้าถัดไป อ้างอิงจากวาล์วที่ใช้กับของเหลวหรือก๊าซที่สะอาด และอยู่ในช่วงอุณหภูมิปานกลาง สำหรับข้อมูลเพิ่มเติมหรือการใช้งานที่แตกต่างกัน กรุณาติดต่อฝ่ายเทคนิคของเรา. กำหนดค่า ไดรฟ์ เลือกมาตรฐานการค้นหา -- ไดรฟ์ -- เพลาฟรี คันโยก แอคชูเอเตอร์ลมแบบ DA แอคชูเอเตอร์ลมแบบ SR ค้นหารายการ