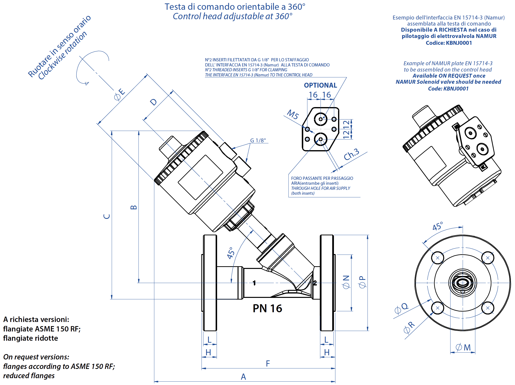
VIP - วาล์วนิวเมติกแบบแกนร่วม VIP (NEW MODEL) - วาล์วโคแอกเซียลนิวเมติก VIP EVO วาล์วแองเกิลซีท ZEUS ARES-ATENA (อาเรส‑อาเตนา) ARES พร้อมปลายพิเศษ ARES แบบขับเคลื่อนด้วยมือ Download General catalogue ดาวน์โหลด Actuator Accessories Catalogue การถอดรหัส MAGNUM & THOR กำหนดค่าผลิตภัณฑ์ของคุณ ดาวน์โหลดไฟล์ 2D และ 3D ในหลายรูปแบบ ดาวน์โหลด Sales conditions มาโคร วาล์วนิวเมติก หมวดหมู่ วาล์วแองเกิลซีท หมวดย่อย ARES พร้อมปลายพิเศษ กำหนดค่า ระบบขับเคลื่อน ขอข้อมูล พิมพ์หน้าเว็บ ดาวน์โหลดแค็ตตาล็อก วาล์วแองเกิลซีท คุณลักษณะ ขนาด ข้อกำหนดทางเทคนิค อุปกรณ์เสริม เอกสาร คุณลักษณะทั่วไป (GENERAL FEATURES):วัสดุตัวเรือนวาล์ว: A351-CF3M (สแตนเลส 316L)ปลายวาล์ว: ดูตามแผนผังรหัส (code plan)สามารถติดตั้งได้ทุกตำแหน่ง: ตั้งตรง, นอนราบ หรือเอียงมีช่วงขนาดตั้งแต่ DN15 ถึง DN50 สำหรับรุ่นดับเบิลแอคติ้ง (Double Acting)– รุ่นสปริงรีเทิร์น N.C. (ปิดปกติ) จากด้านบนและด้านล่างของปลั๊ก– รุ่นสปริงรีเทิร์น N.O. (เปิดปกติ) จากด้านล่างของปลั๊กสมรรถนะและกราฟแรงดันเหมือนกับรุ่นมาตรฐาน แต่จำกัดที่ PN16ตามคำขอ: รุ่นสำหรับงานสูญญากาศและงานออกซิเจน, การกำหนดค่าตามข้อกำหนด 2014/34/EU ATEX ต้องระบุเมื่อสั่งซื้อสื่อควบคุม (CONTROL MEDIA):สื่อขับเคลื่อน: ลมอัด, มีหรือไม่มีน้ำมันหล่อลื่น, ก๊าซ หรือสื่อที่เป็นกลางอุณหภูมิสภาพแวดล้อม: –10°C ถึง +60°Cสื่อการทำงาน (OPERATING MEDIA):อากาศ, น้ำ, แอลกอฮอล์, น้ำมัน, ผลิตภัณฑ์ปิโตรเลียม, น้ำเกลือ, ไอน้ำ ฯลฯ (ตราบเท่าที่เข้ากันได้กับ CF3M (316L S.S.) หรือ PTFE)ความดัน: 0 ถึง 16 บาร์ (สำหรับไอน้ำที่ 180°C อยู่ในช่วง 0 ถึง 10 บาร์ ขึ้นอยู่กับขนาดและรุ่น โปรดดูหน้าถัดไป)อุณหภูมิ: –10°C ถึง 180°Cความหนืดสูงสุด: 600 cst (mm²/s) หน้าแปลนตามมาตรฐาน UNI EN1092-1 วาล์วแบบหน้าแปลน ANSI 150RF ระยะหน้าแปลนถึงหน้าแปลนตามมาตรฐาน ASME B16.10 รุ่น A1DN [mm]HLøNøPøQøRF1511,39,735,189,060,516,0108,02012,811,242,999,069,816,0117,02515,013,450,8108,079,216,0127,03215,814,263,5117,088,916,0140,04018,016,473,0127,098,616,0165,05019,117,591,9152,0120,619,0178,0 วาล์วหน้าแปลนแบบลดขนาดDN [mm]HøPøQøRF157,070,050,07,0104,5208,075,055,09,0119,5259,080,060,09,0134,5329,090,070,09,0149,54010,0100,080,09,0164,55010,0110,090,011,0179,5รุ่นตามคำสั่งพิเศษ:หน้าแปลนตามมาตรฐาน ASME 150 RF;หน้าแปลนแบบลดขนาด ขนาดDN [mm]หัวควบคุมABCDøEFHLøMøNøPøQøR15ø 50182,5156203,54470130161418,14595651420ø 50192,3160212,54470150181623,758105751420ø 63210,3178230,550,584,4150181623,758105751425ø 50197,36164221,54470160181629,768115851425ø 63216,36182239,550,584,4160181629,768115851425ø 90256,36222279,566,2116,4160181629,768115851432ø 50202,51682384470180181638,4781401001832ø 63220,518625650,584,4180181638,4781401001832ø 90260,522629666,2116,4180181638,4781401001832ø 110296,526133177,4140,6180181638,4781401001840ø 63228,619026550,584,4200181544,3881501101840ø 90268,623030566,2116,4200181544,3881501101840ø 110304,226634177,4140,6200181544,3881501101850ø 63241,87200282,550,584,4230181555,71021651251850ø 90281,87240322,566,2116,4230181555,71021651251850ø 110317,87276358,577,4140,6230181555,710216512518รุ่นที่แนะนำจะแสดงเป็นตัวหนา รุ่นอื่น ๆ สามารถสั่งได้ตามคำขอ วิธีการใช้งาน ฝาปิดสำหรับสวิตช์จำกัด ฝาปิดพิเศษทำจากพลาสติกใส มีร่องสองร่องเพื่อให้สามารถยึดและปรับสวิตช์จำกัดแบบสัมผัสแม่เหล็กได้อย่างรวดเร็ว สวิตช์จำกัดมีไฟ LED ภายในที่มองเห็นได้เมื่อสวิตช์จำกัดถูกกระตุ้น มีสวิตช์จำกัดแบบ REED และแบบ HALL Effect พร้อมการเชื่อมต่อแบบอิสระหรือมีสาย M12 อยู่แล้ว ฝาปิดมีระดับการป้องกัน IP68 คำเตือน: เพื่อให้ยึดในตัวเรือนของสวิตช์จำกัดได้อย่างถูกต้อง ตัวบ่งชี้ภาพจะไม่ไปถึงปลายฝาปิดเมื่อวาล์วเปิดเต็มที่ ต้องปรับตั้งสวิตช์จำกัดเมื่อติดตั้งวาล์วในระบบแล้วรหัสชุดขนาดหัว A mm B mmKFJM16∅ 503077KFJM18∅ 632687KFJM21∅ 901597KFJM23∅ 1108107ชุดอุปกรณ์ไม่รวมสวิตช์ลิมิต ตัวจำกัดระยะชักช่วยจำกัดระยะการเคลื่อนที่ของปลั๊กในระยะเปิด จึงควบคุมการไหลได้ ใช้ได้กับทุกเวอร์ชัน ในเวอร์ชันสปริงรีเทิร์นแบบเปิดปกติ สามารถใช้เป็นตัวควบคุมฉุกเฉินได้การควบคุม A mmCode∅ 50 25,5KLJL0016∅ 63 21,5KLJL0018∅ 90 5,2KLJL0021∅ 1105,9KLJL0023ไม่สามารถใช้ได้กับหัวขนาด ∅ 40 การใช้งานด้วยมือในกรณีฉุกเฉินช่วยให้เปิดวาล์วได้ในกรณีฉุกเฉิน (เช่น ขาดสื่อควบคุม, เครื่องจักรเสียหาย, ไม่มีสัญญาณควบคุม) ใช้ได้กับวาล์วแบบปิดปกติทั้งหมดการควบคุมAmmCode∅ 5035,8KLJA0016∅ 6335,8KLJA0018∅ 9029,5KLJA0021∅ 11029,5KLJA0023ไม่สามารถใช้ได้กับหัวขนาด ∅ 40 Electro-pilot 3/2 - Solenoid valve 3/2 - 5/2 (อิเล็กโทร-ไพลอต 3/2 - วาล์วโซลินอยด์ 3/2 - 5/2) วาล์วโซลินอยด์ควบคุมอิเล็กโทร-ไพลอต 3/2 สำหรับการติดตั้งโดยตรงตัววาล์วและรอกสามารถปรับตำแหน่งได้ 360°มีระบบควบคุมด้วยมือมาตรฐานชุดวาล์วโซลินอยด์ (NAMUR) สามารถเลือกฟังก์ชัน 5/2 หรือ 3/2 ได้ โดยติดตั้งแผ่นที่สอดคล้องกัน (มีให้ทั้งสองแผ่น)อุณหภูมิห้อง: -10°C ถึง +50°Cแรงดันไฟฟ้า24 Vac115 Vac230 Vac24 Vdcอิเล็กโทร-ไพลอตEP415024EP415110EP415220EP412024แรงดันไฟฟ้า24 Vac115 Vac230 Vac24 Vdcวาล์วโซลินอยด์ NAMUR*ER8188A2ER8188A4ER8188A5ER8188C2อินเทอร์เฟซ NAMURKBNJ0001 ไม่สามารถใช้ได้กับหัวขนาด ∅ 40* ใช้ได้เฉพาะกับอินเทอร์เฟซ NAMUR เท่านั้น กล่องสวิตช์ลิมิตกล่องควบคุมเพื่อตรวจสอบตำแหน่งเปิด/ปิด โดยมีสวิตช์ลิมิตเชิงกล 2 ตัว เหมาะสำหรับติดตั้งกับวาล์วทุกขนาดที่มีแอคชูเอเตอร์ ∅50 - ∅63 - ∅90 - ∅110ขั้วต่อสำหรับเชื่อมต่อวาล์วโซลินอยด์และตัวแสดงผลพร้อมไฟ LED เป็นอุปกรณ์เสริมระดับการป้องกัน: IP 65อุณหภูมิห้อง: -20°C ถึง +70°Cช่องเข้าสายไฟ: 1 x PG11วัสดุตัวกล่อง: โพลีอะไมด์ (ฝาครอบทำจากโพลีเมทาไครเลตใส) การควบคุม A mm∅ 5052,1∅ 6347,5∅ 9037,7∅ 11029,5 สวิตช์ลิมิตที่มีให้เลือก สวิตช์ลิมิตแบบเหนี่ยวนำ NAMUR EExiaแรงดันพิกัด: 8 Vdcการใช้พลังงาน: ทำงาน ≤1 mA; หยุดนิ่ง ≥3 mAอุณหภูมิใช้งาน: -20°C ถึง +70°Cการกำหนดค่ารหัส1 สวิตช์ลิมิตด้านบน: วาล์วเปิดKSIN9A0xx1 สวิตช์ลิมิตด้านล่าง: วาล์วปิดKSIN9C0xx2 สวิตช์ลิมิต: เปิดและปิดวาล์วKSIN920xx สวิตช์ลิมิตแบบโพร็กซิมิตี้แรงดันพิกัด: 10–30 Vdcการใช้พลังงาน: 15 mAอุณหภูมิใช้งาน: -20°C ถึง +70°Cการกำหนดค่ารหัส1 สวิตช์ลิมิตด้านบน: วาล์วเปิดKSI09A0xx1 สวิตช์ลิมิตด้านล่าง: วาล์วปิดKSI09C0xx2 สวิตช์ลิมิต: เปิดและปิดวาล์วKSI0920xx สวิตช์ลิมิตเชิงกลสวิตช์ลิมิตด้านบน: วาล์วเปิดสวิตช์ลิมิตด้านล่าง: วาล์วปิดความจุสูงสุด: 5A 250 Vac; 1A 250 Vdcการกำหนดค่ารหัส2 สวิตช์ลิมิตKSM0C20xxxx = Ø หัวควบคุม16 = Ø5018 = Ø6321 = Ø9023 = Ø110 ใบรับรอง ATEX - Pneumatic Valves PED UKCA กำหนดค่า ไดรฟ์ เลือกมาตรฐานการค้นหา -- ไดรฟ์ -- ปกติ ปิดสองทิศทาง ปกติ ปิด โดยให้ของไหลมาจากด้านบนของปลั๊ก ปกติ เปิด โดยให้ของไหลมาจากด้านล่างของปลั๊ก ทำงานสองทางแบบสองทิศทาง ค้นหารายการ