“Wafer” tipi flanş arasına montajı için döküm kelebek vana”
ITEM 375
Gövde: Dökme Demir
Lens: Dökme Demir
Contalar: tabloya bakınız
ITEM 376
Gövde: Dökme Demir
Lens: CF8M (316 S.S.)
Contalar: tabloya bakınız
ITEM 377
Gövde: Dökme Demir
Lens: Alüminyum bronz
Contalar: tabloya bakınız
1. EN ISO 5211 standat vana başlığı
Herhangi bir sürücü ile kombinasyon kolaylığı
2. Mil üzerinde üç kılavuz burcu
Milin gövde üzerinde harika bir şekilde hizalanması ve yüksek basınçlarda bile salınımlardan kaçınılması
Mil ve gövde arasındaki sürtünme azaltılır.
3. Sert halka üzerinde vulkanize edilmiş conta
Conta kullanım sırasında daha az deforme olur
Muhtemel bakım işlemleri için contanın montajı/demontajı kolaylaştırılmıştır
Conta, montaj sırasında flanşlar arasında deformasyona uğramaz
Kalıplama aşamasında daha fazla boyutsal doğruluk
4. Sabitleme elemanları olmaksızın 2 parçalı mil
Lensin montajı/demontajı her türlü bakım işlemi için kolaylaştırılmıştır
Tek milli bir vanaya göre diskin daha ince orta kısmı sayesinde daha fazla Kv
5.Lens çevresi lepleme yüzey işlemi görmüş
Conta üzerinde daha iyi sızdırmazlık ve daha az aşınma
Disk ve conta arasındaki düşük sürtünme sayesinde daha az moment vardır
Geniş malzeme yelpazesi
Farklı uygulamalarda kullanım imkanı
ATEX Sertifikası
Potansiyel olarak patlayıcı bulunan ortamlarda kuruluma olanak sağlar
PED Sertifikası
Basınçlı cihazlar konusunda Avrupa güvenlik standartlarına tam uyum
GENEL ÖZELLİKLER:
Wafer ve lug versiyonlarında DN 40 - DN 600 (lug DN 300) boyutlarında bulunan OMAL kelebek vanalar, endüstrinin tüm sektörlerindeki uygulamaların çoğuyla başa çıkabilecek şekilde tasarlanmış ve üretilmiştir.
- UNI EN593 standardına göre genel şartlar
- Standart ölçüler EN 558 seri 20
- 16 bar diferansiyel basınç ile EN 12266-1 rate A ya göre sızdırmazlık .
- Sert bir destek halkası üzerinde elastomer tabakanın vulkanizasyonuyla elde edilen yarı katı yekpare conta.
- Vana gövdesine mükemmel bir şekilde yapışması ve ilave ek elemanlar olmadan flanşları kapatması için optimize edilmiş conta geometrisi. Flanşların sıkılması, ne çalışma momentini ne de vananın çalışmasını etkilemez.
- Sızdırmazlığı optimize etmeyi, manevra momentini düşürmeyi ve contanın aşınmasını önemli ölçüde azaltmayı sağlayan leplenmiş kenarları sahip kelebeğin yüzey işlemi.
- Milin üstündeki kılavuz burçlar.
- Korozyon ve kırılma riski taşıyan noktaları ortadan kaldırmak amacıyla, sabitleme elemanları (vidalar, cıvatalar, pimler vb.) olmadan yapılan çift milli çubuk-lens bağlantısı.
- Ayrıca bakım veya temizlik için her tür söküm kolaylığı.
- EN ISO 5211’e göre standardize edilmiş üste sahip vana boynu ile basitleştirilen herhangi bir tahrikle (pnömatik, elektrikli, manüel vb.) bağlantı
- Endüstriyel işlemlerde kullanılan sıvıların çoğu ile tam uyum sağlamak için bütün detaylar uygun şekilde işlenmiştir.
Bu katalog verileri ve özellikleri, önceden haber verilmeksizin teknik iyileştirme amacıyla değiştirilebilir olup bu nedenle tedarik amaçları için bağlayıcı nitelikte değildir.
STANDART UYGULAMALAR:
• Flanş standardı:
PN 10 - PN 16 - ANSI 150 DN 40 ‘dan DN 300’e kadar.
PN 10 DN 350 ile DN 600 arası
• UNI EN593'e göre genel şartlar
• EN 558 seri 20’ye standartlaştırılan yüz yüze boyutlar
• ISO 5211 ( DN40-DN300 ) ile standartlaştırılan vana kafası
• EN 12266-1 rate A’ya uygun sızdırmazlık
• İstek üzerine diğer kombinasyonlar.
• Contalar için çalışma sıcaklığı:
EPDM: -25°C ile +135°C arası;
NBR: -23°C ile +82°C arası;
FKM: -10°C ile +190°C (DN40-DN300);
PTFE (EPDM’e göre): -25°C ile +135°C (DN40-DN300).
• Flanş arası çalışma basıncı:• Çalışma basıncı:
DN 40÷300 için PN 16 bar
DN 350÷600 için PN 10 bar
• Epoksi kaplama kalınlığı: 160 ÷ 200 μ. RAL: 5015.
İSTEĞE GÖRE UYGULAMALAR:
• Özel contalar için çalışma sıcaklığı:
SILIKON: -25°C ile +160°C arası;
NBR CARBOX: -10°C ile +82°C arası;
NBR BEYAZ gıda sıvıları: -23°C ile +82°C arası;
HNBR: -20°C ile +120°C arası.
• Diğer uygulamalar için lütfen satış servisimiz ile iletişim kurunuz..
SERTİFİKALAR:
• Avrupa Direktifi 2014/68/UE PED uygundur.
• Yakıt gazı (V376) için DVGW onayı.
• RINA onayı.
• 174 Sayılı Bakanlar Kararına uygunluk beyanı; İçme suyu ve gıda sıvıları ile temas için uygundur (V376).
• Avrupa Direktifi 2014/34 / AB ile uyumlu ATEX versiyonu.
• İsteğe göre ATEX sertifikası (Sadece DN200'e kadar olan PTFE contalı vanalar için).
| BOYUTLAR | ||||||||||||||||||||||
| ÖLÇÜ | A | B | ØC | ØD | ØE | ØF | □G | □G’ | ØH | ØI | L | M | N | P | Q | R | R’ | S | S’ | ØT | U | |
| DN [mm] | [inç] | |||||||||||||||||||||
| DN 40 | 1"1/2 | 33 | 36 | 50 | 70 | 6,5 | 8,5 | 9 | 110 | 98,5 | R10 | R9 | 70 | 125 | 31 | 9 | 14,2 | 116 | ||||
| DN 50 | 2" | 43 | 46 | 50 | 70 | 6,5 | 8,5 | 9 | 125 | 121 | R10 | R10,5 | 80 | 140 | 31 | 9 | 14,2 | 128 | ||||
| DN 65 | 2"1/2 | 46 | 49 | 50 | 70 | 6,5 | 8,5 | 11 | 145 | 140 | R10 | R10,5 | 86 | 152 | 33 | 11 | 14,2 | 143 | ||||
| DN 80 | 3" | 46 | 49 | 50 | 70 | 6,5 | 8,5 | 11 | 160 | 153 | R10 | R10,5 | 95,5 | 159 | 33 | 11 | 14,2 | 153 | ||||
| DN 100 | 4" | 52 | 56 | 50 | 70 | 6,5 | 8,5 | 11 | 191 | 180 | R10,5 | R10 | 108 | 178 | 33 | 11 | 14,2 | 175 | ||||
| DN 125 | 5" | 56 | 59 | 70 | 8,5 | 14 | 216 | 210 | R12,5 | R10 | 124,5 | 190,5 | 36 | 14 | 19 | 197 | ||||||
| DN 150 | 6" | 56 | 59 | 70 | 8,5 | 14 | 242 | 240 | R12,5 | R12 | 137 | 203 | 36 | 14 | 19 | 222 | ||||||
| DN 200 | 8" | 60 | 64 | 70 | 8,5 | 17 | 299 | 295 | R12,5 | R12 | 166 | 238 | 39 | 17 | 22,2 | 279 | ||||||
| DN 250 | 10" | 68 | 72 | 102 | 125 | 11 | 13 | 22 | 362 | 350 | R14 | R13,5 | 199 | 268 | 55 | 22 | 28,5 | 340 | ||||
| DN 300 | 12" | 78 | 81,5 | 102 | 125 | 11 | 13 | 22 | 432 | 400 | R14 | R13,5 | 234 | 306 | 55 | 22 | 28,5 | 410 | ||||
| DN 350 | 14" | 78 | 82 | 22 | 460 | M20 | 293 | 352 | 55 | 22 | 28,5 | 446 | ||||||||||
| DN 400 | 16" | 102 | 105 | 27 | 515 | M24 | 325 | 388 | 60 | 27 | 36,5 | 508 | ||||||||||
| DN 450 | 18" | 114 | 118 | 27 | 565 | M24 | 348 | 415 | 60 | 27 | 36,5 | 543 | ||||||||||
| DN 500 | 20" | 127 | 130,5 | 36 | 620 | M24 | 386,5 | 441 | 70 | 36 | 48,5 | 600 | ||||||||||
| DN 600 | 24" | 154 | 158 | 36 | 725 | M27 | 447,5 | 505 | 70 | 36 | 48,5 | 718 | ||||||||||
| NOT: : G’, R’, S’ DEĞERLERİ ∆P max 10 bar VANALARINA BAKINIZ | ||||||||||||||||||||||
KOLLU DÖKÜM DEMİR BOYUTLARI | ||||||
| ÖLÇÜ | A | B | øC | D | Kg | |
| DN [mm] | [inç] | |||||
| DN 40 | 1"1/2 | 188 | 70 | 90 | 160 | 2,2 |
| DN 50 | 2" | 203 | 80 | 90 | 160 | 3,0 |
| DN 65 | 2"1/2 | 225 | 86 | 90 | 220 | 3,8 |
| DN 80 | 3" | 230 | 95,5 | 90 | 220 | 4,0 |
| DN 100 | 4" | 250 | 108 | 90 | 220 | 5,1 |
| DN 125 | 5" | 277 | 124,5 | 90 | 350 | 7,8 |
| DN 150 | 6" | 290 | 137 | 90 | 350 | 9,2 |
| DN 200 | 8" | 325 | 166 | 90 | 350 | 13,3 |
KOL ÖZELLİKLERİ
10 pozisyon çentik ayarlı kol:
Malzeme: alüminyum;
Harici işlem: boyalı (polyester);
Ağırlık: 0,3 ile 0,9 Kg arasında.
Her bir konumda kilitlenebilir.
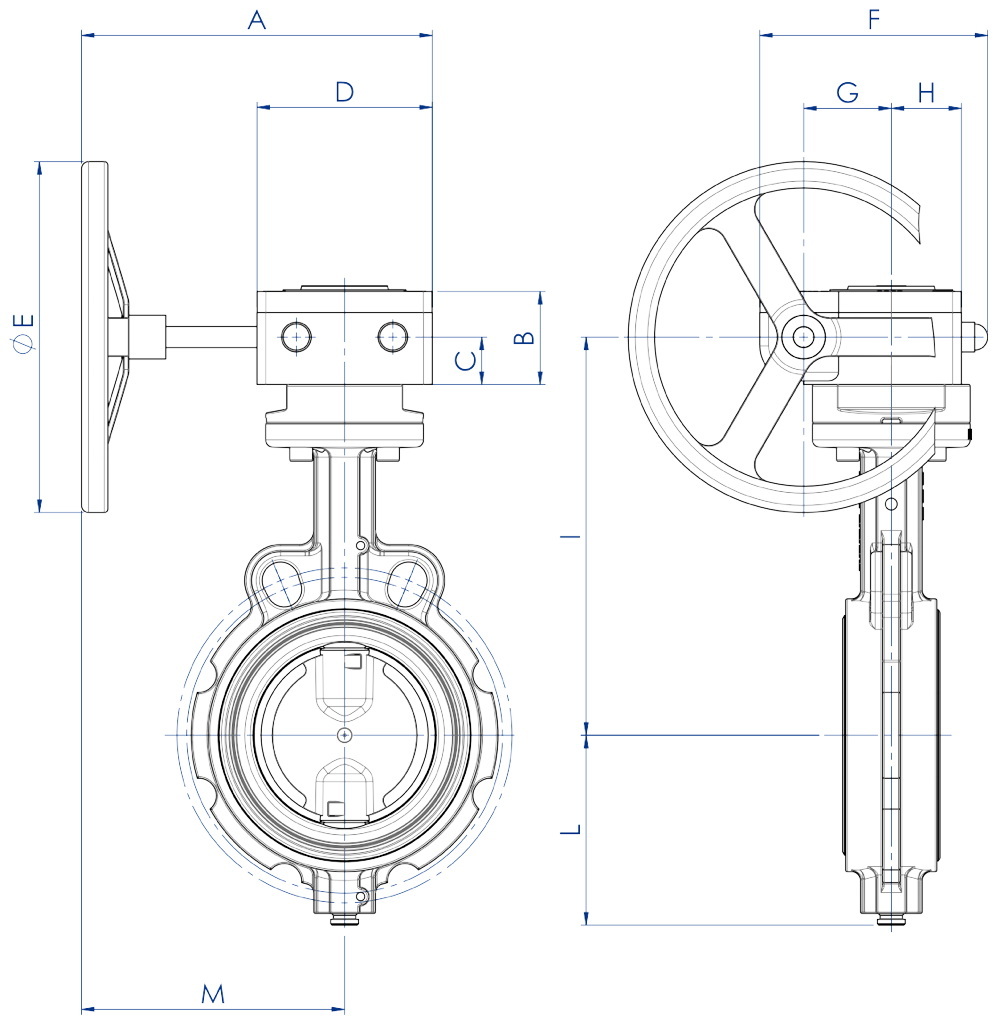
RİDÜKTÖRLÜ DÖKÜM GÖVDE BOYUTLARI | |||||||||||||
| ÖLÇÜ | A | B | C | D | øE | F | G | H | I | L | M | Kg | |
| DN [mm] | [inç] | ||||||||||||
| DN 40 | 1"1/2 | 200 | 49 | 24 | 80 | 140 | 115 | 42 | 35 | 171,2 | 70 | 160 | 3,3 |
| DN 50 | 2" | 200 | 49 | 24 | 80 | 140 | 115 | 42 | 35 | 185,9 | 80 | 160 | 4,1 |
| DN 65 | 2"1/2 | 200 | 54 | 27 | 100 | 200 | 130 | 50 | 40 | 201,6 | 86 | 150 | 5,7 |
| DN 80 | 3" | 200 | 54 | 27 | 100 | 200 | 130 | 50 | 40 | 208 | 95,5 | 150 | 6 |
| DN 100 | 4" | 200 | 54 | 27 | 100 | 200 | 130 | 50 | 40 | 227 | 108 | 150 | 7 |
| DN 125 | 5" | 200 | 54 | 27 | 100 | 200 | 130 | 50 | 40 | 239,7 | 124,5 | 150 | 9,4 |
| DN 150 | 6" | 200 | 54 | 27 | 100 | 200 | 130 | 50 | 40 | 252,4 | 137 | 150 | 10,7 |
| DN 200 | 8" | 250 | 70,5 | 40,5 | 140 | 300 | 175 | 60 | 60 | 300,7 | 166 | 180 | 17,4 |
| DN 250 | 10" | 250 | 70,5 | 40,5 | 140 | 300 | 175 | 60 | 60 | 342 | 199 | 180 | 28 |
| DN 300 | 12" | 250 | 70,5 | 40,5 | 140 | 300 | 175 | 60 | 60 | 380 | 234 | 180 | 37,5 |
| DN 350 | 14" | 250 | 70,5 | 40,5 | 140 | 300 | 175 | 60 | 60 | 425,5 | 293 | 180 | 56 |
| DN 400 | 16" | 421 | 102 | 48 | 220 | 300 | 258 | 105 | 75 | 461 | 325 | 301 | 95 |
| DN 450 | 18" | 421 | 102 | 48 | 220 | 300 | 258 | 105 | 75 | 488 | 348 | 301 | 112 |
| DN 500 | 20" | 456 | 102 | 48 | 220 | 500 | 258 | 105 | 75 | 514 | 386,5 | 346 | 141 |
| DN 600 | 24" | 456 | 102 | 48 | 220 | 600 | 258 | 105 | 75 | 578 | 447,5 | 346 | 205 |
REDÜKTÖR ÖZELLİKLERİ
Dişli pinyon ve sonsuz vida ile çalışan denenmiş kavrama mekanizması, .
Görsel bir gösterge vananın konumunu gösterir.
"RF0" (IP65) redüktörler için alüminyum alaşımlı kasa, "RRM..." (IP67) redüktörler için dökme demir.
Dökme demir dişli pinyon.
İşlenmiş çelikten sonsuz vida.
Çelik el çarkı.
Dış kısım epoksi boya ile işlem görmüştür.
MALZEMELER | ||
| 1 | Gövde | A536 65-45-12 (GGG50) (EN-GJS-450-10 EN-JS 1040'a eşittir. ) |
| 2 | Lens | A536 65-45-12 (GGG50) - A351 CF8M (316 S.S.) |
| 3* | Conta | EPDM-NBR |
| 4 | Kumanda mili | A276 S42000 (420 S.S.) (X20CR13; 1.4021'a eşittir.) |
| 5 | Alt mil | A276 S42000 (420 S.S.) (X20CR13; 1.4021' eşittir.) |
| 6* | Alt mil o-ringi | EPDM-NBR (FKM sadece belirliyse) |
| 7* | Üst burç | Eposksi reçine |
| 8* | Kılavuz burç | DN40 ile DN300 arası boyutları için PTFE'li epoksi reçine, Bronz için DN350'den DN600'a kadar boyutlar. |
| 9* | Elastik pimler | Paslanmaz çelik |
| 10* | Mil O-ring | EPDM-NBR |
GÖVDE
DN40 - 600
DÖKME DEMİR A536 65-45-12*
EPOKSİ BOYA KAPLI
RAL 5015*
SAP
PASLANMAZ ÇELİK A276 S4200 *
PASLANMAZ ÇELİK A564 TP 630
LENS
DN40 - 600
DÖKME DEMİR A536 65-45-12*
KİMYASAL NİKEL KAPLI
PASLANMAZ ÇELİK A351-CF8M (316 S.S.)*
PASLANMAZ ÇELİK A351-CF3M (316 S.S.) PARLATILMIŞ
BRONZ/ALÜMINYUM B148C95400 *
*Standard OMAL supply
CONTA
DN40 - 600
EPDM*
NBR*
DN40 - 300
FKM*
PTFE ON EPDM*
NBR BEYAZ
NBR BEYAZ SU İÇİN
HNBR
NBR CARBOX
SILIKON
MALZEMELERİN KULLANIM KLAVUZU | ||
MALZEME | ÖZELLİK | UYGULAMALAR |
| DÖKME DEMİR A536 65-45-12 | Çelikle karşılaştırılabilir mekanik direnç. Çalışma sıcaklığ: 25°C ila +250°C. | Genel kullanımlar normalde gövde ve kelebek için kullanılır. |
| BRONZ - ALÜMİNYUM | Korozyona karşı dirençli | Aşındırıcı sıvılar, deniz suyu |
| RILSAN KAPLAMA | Korozyona karşı çok iyi dirençli | Genel kullanımlar normalde gövde ve kelebek için kullanılır. |
| PASLANMAZ ÇELİK A351-CF8M | Korozyona karşı çok iyi dirençli | Gıda, kimyasal ve farmasötik endüstriler.. |
| EPDM | Çalışma sıcaklığı: -25°C'den +135°C'e kadar. Hidrokarbonlar için önerilmez. | Su (yumuşatılmış, endüstriyel, glikol, deniz suyu), su buharı, ozon, seyreltilmiş bazlar ve asitler, aseton çözücüler, alkol, kostik soda, atmosferik etkenler |
| NBR | İyi mekanik özellikler (aşınma), mineral yağlara, bazı hidrokarbonlara ve alifatik solventlere karşı iyi direnç. -23°C ile +82°C arası, Aseton, ketonlar, nitratlar ve klorlu hidrokarbonlar ile önerilmez. | Genel hizmetler, basınçlı hava, soğuk su, hidrolik sıvılar, metan, bütan, petrol, deniz suyu, aşındırıcı pnömatik taşıma devreleri, hayvansal ve bitkisel yağlar. |
| NBR BIANCO | İyi mekanik özellikler (aşınma), mineral yağlara, bazı hidrokarbonlara ve alifatik solventlere karşı iyi sızdırmazlık. Çalışma sıcaklığı: -23°C ile +82°C arası, Aseton, ketonlar, nitratlar ve klorlu hidrokarbonlar ile önerilmez. | Genel hizmetler, basınçlı hava, soğuk su, hidrolik sıvılar, metan, bütan, petrol, deniz suyu, aşındırıcı pnömatik taşıma devreleri. |
| NBR BIANCO PER ACQUA POTABILE | 174/2004.Sayılı Kanun Hükmünde Kararname uyarınca ve bunlara uygun olarak insan tüketimine yönelik su ile kullanılmak üzere özel olarak formüle edilmiştir. Çalışma sıcaklığı: -23°C ile +82°C arası, Aseton, ketonlar, nitratlar ve klorlu hidrokarbonlar ile önerilmez | Genel hizmetler, basınçlı hava, soğuk su, hidrolik sıvılar, metan, bütan, petrol, deniz suyu, aşındırıcı pnömatik taşıma devreleri. |
| NBR CARBOX | İyi mekanik özellikler (aşınma), mineral yağlara, bazı hidrokarbonlara ve alifatik solventlere karşı iyi direnç Çalışma sıcaklığı: -10°C ile +82°C arası, Aseton, ketonlar, nitratlar ve klorlu hidrokarbonlar ile önerilmez Mükemmel aşınma direnci. | Aşındırıcı sıvılar ve tozlar |
| HNBR | Mükemmel mekanik özellikler (aşınma), bazı hidrokarbonlara ve alifatik solventlere karşı mineral yağlara karşı iyi direnç Çalışma sıcaklığı: -20°C ile +120°C arası, Aseton, ketonlar, nitratlar ve klorlu hidrokarbonlar ile önerilmez | Genel hizmetler, basınçlı hava, soğuk su, hidrolik sıvılar, metan, bütan, petrol, deniz suyu, aşındırıcı pnömatik taşıma devreleri, hayvansal ve bitkisel yağlar. |
| FKM | Isıya, ışığa, atmosferik etkenlere, bezoik solventlere karşı çok iyi direnç. Gaz geçirmezdir. Buhar ve kaynar su için önerilmez. Çalışma sıcaklığı: -10°C ile +190°C arası. | Solventler (daha az asetonikler), katı hidrokarbonlar, oksijenli yakıtlar, asitler, bazlar, hidrolik sıvılar, yağlar. |
| SILICONE PER ALTA TEMPERATURA | Sıcak su ve buhara karşı yüksek direnç (150° ye kadar) Çalışma sıcaklığı: -25°C ile 160°C arası. | Hava ya da sıcak atıl gaz (+180°C), gıda endüstrisi, su, buhar. |
| PTFE ON EPDM | Solventlere ve aşındırıcı ürünlere karşı çok iyi kimyasal direnç. Aşındırıcı sıvılar, alkalin metaller (potasyum, sodyum), gaz halindeki flor için önerilmez. Çalışma sıcaklığı: -25°C ile +135°C. | Oldukça aşındırıcı ürünler içeren gıda ve kimya endüstrileri. |
| NOT: Yukarıdaki tablo, OMAL'ın size sunduğu her bir malzemenin spesifik özelliklerini ve bunun sonucunda ortaya çıkan spesifik uygulamaları göstermektedir. Bununla birlikte, olağandışı durumlarda (özel tesisatlar, belirli sıvılarla temas, olağanüstü basınç ve sıcaklık koşulları, vb.), korozyon ve aşınmayı etkileyen faktörlerin değişimi malzemelerin performansını değiştirebilir. Her halükarda, son malzeme seçiminin müşteriye bağlı olduğunu ve teknik ofisimizin ihtiyaçlarınızı incelemekten memnuniyet duyacağını hatırlatırız. | ||
Nm cinsinden BAŞLANGIÇ MOMENTLERİ | |||||||||||||||
| ÖLÇÜ | DN 40 1"1/2 | DN 50 2" | DN 65 2"1/2 | DN 80 3" | DN 100 4" | DN 125 5" | DN 150 6" | DN 200 8" | DN 250 10" | DN 300 12" | DN 350 14" | DN 400 16" | DN 450 18" | DN 500 20" | DN 600 24" |
| PN 10 bar | 109 | 145 | 218 | 340 | 510 | 680 | 1020 | 1300 | |||||||
| PN 16 bar | 18 | 18 | 25 | 27 | 35 | 52 | 72 | 142 | 170 | 250 | |||||
YÜK - AKIŞ HIZI BASINÇ DÜŞÜŞÜ ŞEMASI
Örnek: 6 "çapındaki bir vanada 0,1 m3 / sn su akışı hızı için basınç düşüşü ve hızı araştırması
(DN 150) 90° açılma açısı ile.
1) Vananın akış hızı ve çap çizgilerinin buluşma noktasını belirleyin.
2) Bu noktadan sonra, 90° çizgisini karşılayana kadar dikey olarak yukarı çıkın ve bulunan yeni noktadan basınç düşüşü ölçeğine kadar yatay bir çizgi çizin, böylece istenen değeri bulun (0.038 bar).
3) Hız ölçeğine dikey olarak inen 1. noktadan, sıvı hızı değerini okuyabiliriz (5 m/sn.)
MONTAJ TALİMATI
Flanşlar arasındaki mesafe, conta onlara müdahale etmeksizin vananın girişine izin vermelidir. İşlem sırasında kelebek yarı kapalı konumda olmalıdır.
Vanayı flanşlar arasına yerleştirdikten sonra, ancak cıvataları vidalamadan önce kelebek “ açık” durum. Aksi takdirde, valfi kapatırken contaya zarar verebilir veya kalıcı olarak deforme olabilirsiniz.
Doğru olmayan montaj örneği: flanşlar yeterince açık değil, conta bozulabilir.
OMAL kelebek vanası, ek sızdırmazlık halkaları olmaksızın boruların flanşları arasına monte edilir ve bağlantı çubukları ve sabitleme vidaları ile merkezlenir. Flanş çapları belirtilen değerlere uygun olmalıdır.
D0 vananın yerleştirilmesine izin vermek için minimum flanş çapı (kusursuz bir şekilde merkezlenmiş bir vana olması durumunda)
D1 en iyi kullanım için maksimum flanş çapı
D2 düşük basınçta kullanım için maksimum flanş çapı. Bu durumda ve her türlü ihtiyaca yönelik açıklamalar konusunda teknik ofisimize başvurunuz.
FLANŞ BOYUTLARI | |||||||||||||||
| ÇAP | DN 40 | DN 50 | DN 65 | DN 80 | DN 100 | DN 125 | DN 150 | DN 200 | DN 250 | DN 300 | DN 350 | DN 400 | DN 450 | DN 500 | DN 600 |
| D0 [mm] | 30 | 36 | 51 | 67 | 93 | 119 | 143 | 196 | 247 | 297 | 329 | 376 | 426 | 475 | 573 |
| D1 [mm] | 45 | 57 | 69 | 82 | 107 | 133 | 154 | 206 | 257 | 310 | 338 | 390 | 441 | 492 | 596 |
| D2 [mm] | 51 | 68 | 80 | 93 | 116 | 148 | 170 | 221 | 276 | 327 | 346 | 399 | 450 | 500 | 602 |