images/testate/header-valvole-farfalla.jpg

Válvula de mariposa Item 375-376-377

Válvula de mariposa Item 375-376-377

Válvula de mariposa en hierro fundido para el montaje entre bridas de tipo “Wafer”

ITEM 375
Cuerpo: Hierro fundido
Lente: Hierro fundido
Juntas: ver tabla
ITEM 376
Cuerpo: Hierro fundido
Lente: CF8M (316 S.S.)
Juntas: ver tabla
ITEM 377
Cuerpo: Hierro fundido
Lente: Bronce Aluminio
Juntas: ver tabla

CONFIGURA Accionamiento
SOLICITA INFORMACIÓN
IMPRIME PÁGINA
  • ventajas
  • características
  • dimensiones
  • materiales
  • diagramas y pares de aceleración
  • especificaciones
  • documentos

1. Cabeza de la válvula normalizada ISO 5211
Facilidad de accoplamiento con cualquier accionamiento

2. Tres casquillos guía en el eje
Perfecta alineación del eje en el cuerpo y se evitan oscilaciones también con presiones elevadas
Menor fricción entre eje y cuerpo 

3. Junta vulcanizada en anillo rígido
La junta sufre menos deformación durante el uso
Se facilita el montaje/desmontaje de la junta para cualquier mantenimiento
La junta no sufre deformación entre las bridas durante el montaje
Mayor precisión dimensional durante la fase de moldeado

4. Eje de 2 piezas sin elementos de sujeción
Se facilita el montaje/desmontaje de la lente para cualquier mantenimiento
Mayor Kv gracias a la sección central del disco más delgada con respecto a una válvula con un único eje

5. Circunferencia de la lente con acabado lapeado
Mejor resistencia y menor desgaste de la junta
Si tiene un par menor gracias a la menor fricción entre el disco y la junta

Amplia gama de materiales
Posibilidad de uso en diferentes aplicaciones

Certificado ATEX
Permite la instalación en presencia de entornos potencialmente explosivos

Certificado PED
Cumplimiento total de las normas de seguridad europeas para dispositivos presurizados

CARACTERÍSTICAS GENERALES:
Las válvulas de mariposa OMAL, disponibles en las versiones wafer y lug en las medidas de DN 40 a DN 600 (lug DN 300), han sido diseñadas y realizadas para hacer frente a la mayor parte de las aplicaciones en todos los sectores de la industria
- Requisitos generales de acuerdo con la UNI EN593
- Calibres normalizados EN 558 serie 20
- Sellado de acuerdo con la EN 12266-1 tasa A con una presión diferencial de 16 bar.
- Junta integral semirrígida obtenida por vulcanización de la capa de elastómero en un anillo de soporte rígido.
- Geometría de la junta optimizada para una perfecta adherencia al cuerpo de la válvula y sellado en las bridas sin elementos adicionales. El ajuste de las bridas no afecta al par de accionamiento ni al funcionamiento de la válvula.
- Acabado de la mariposa con bordes superpuestos que permite optimizar el sellado, reducir el par de maniobra y reducir considerablemente el desgaste de la junta.
- Brújulas guía en el eje.
- Acoplamiento del vástago-lente con doble eje realizado sin elementos de fijación (tornillos, pernos, enchufes, etc.) para eliminar los puntos en riesgo de corrosión y rotura.
- Facilitado además cualquier desmontaje por mantenimiento o limpieza.
- Acoplamiento con cualquier accionamiento (neumático, eléctrico, manual, etc.) facilitado por el cuello de la válvula con plan normalizado EN ISO 5211
- Todos los detalles se tratan adecuadamente para garantizar la total compatibilidad con la mayor parte de los fluidos usados en los procesos industriales.
Los datos y las características de este catálogo podrían ser cambiados para mejoras técnicas incluso sin previo aviso y, por lo tanto, no son vinculantes para el suministro.

EJECUCIONES ESTÁNDAR:
• Entramado estándar:
PN 10 - PN 16 - ANSI 150 desde el DN 40 al DN 300.
PN 10 desde el DN 350 al DN 600
• Requisitos generales de acuerdo con la UNI EN593
• Espacios de cara a cara normalizados EN 558 serie 20
• Cabeza de la válvula normalizada ISO 5211 ( DN40-DN300 )
• Junta de acuerdo con EN 12266-1 tasa A
• Otras combinaciones bajo pedido.
• Temperatura de uso para las juntas:
EPDM: desde -25°C a +135°C ;
NBR: desde -23°C a +82°C;
FKM: desde -10°C a +190°C (DN40-DN300);
PTFE (en base a EPDM): desde -25°C a +135°C (DN40-DN300).
• Presión de uso entre bridas:
PN 16 bar para DN 40÷300
PN 10 bar para DN 350÷600
• Espesor recubrimiento epoxídico: 160 ÷ 200 μ. RAL: 5015.

EJECUCIONES BAJO PEDIDO:
• Temperatura de uso para juntas especiales:
SILICONA: desde -25°C a +160°C;
NBR CARBOX: desde -10°C a +82°C;
NBR BIANCO para fluidos alimentarios: desde -23°C a +82°C;
HNBR: desde -20°C a +120°C
• Para otras aplicaciones contactar con nuestro departamento comercial.

CERTIFICACIONES:
• Cumple con la directiva Europea 2014/68/UE "PED".
• Homologación DVGW para gas combustible (V376).
• Homologación RINA.
• Declaración de conformidad al D.M.n°174 sobre la idoneidad al contacto con agua potable y fluidos alimentarios (V376).
• Versión ATEX de conformidad con la Directiva Europea 2014/34/UE.
• Certificado ATEX bajo pedido (Para las válvulas con junta de PTFE, solo hasta DN200).

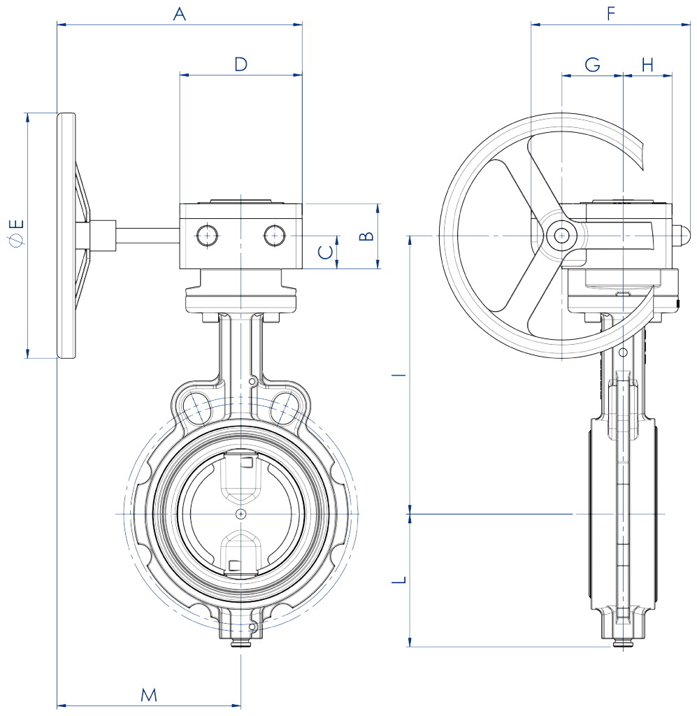
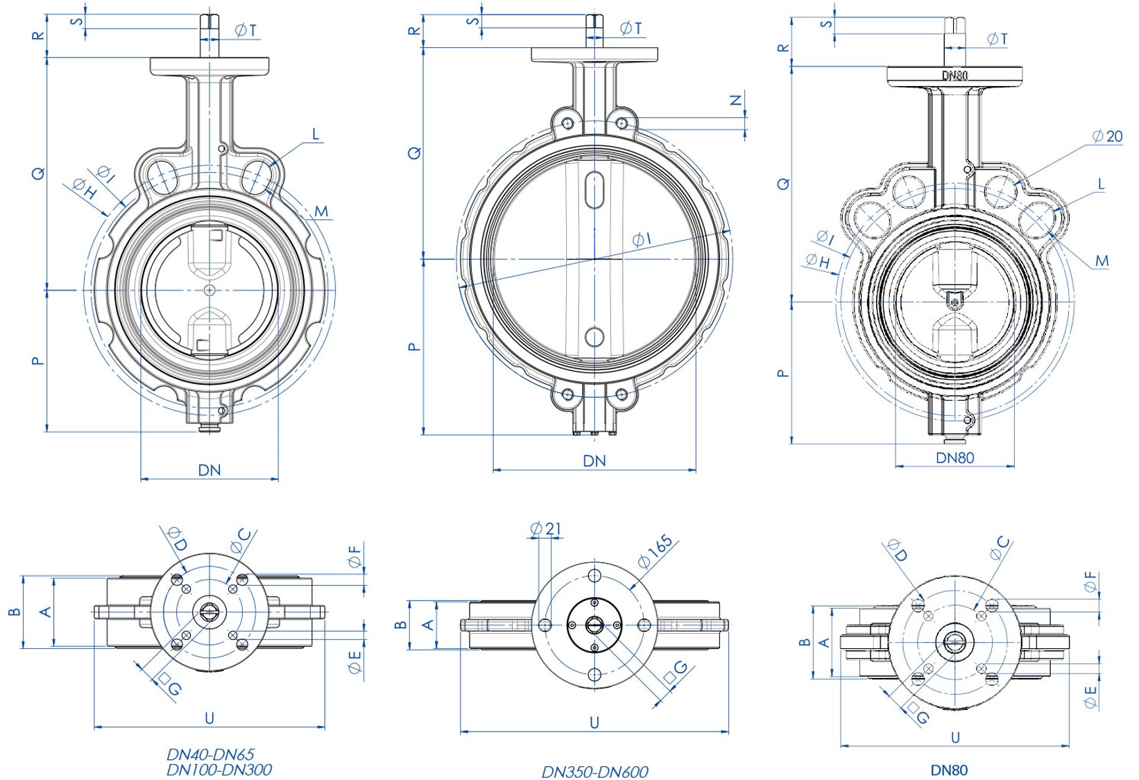
DIMENSIONES
MEDIDAABØCØDØEØFØGØG’ØHØILMNPQRR’SS’ØTU
DN [mm][pulgadas]
DN 401"1/2333650706,58,59
11098,5R10R9
7012531
9
14,2116
DN 502"434650706,58,59
125121R10R10,5
8014031
9
14,2128
DN 652"1/2464950706,58,511
145140R10R10,5
8615233
11
14,2143
DN 803"464950706,58,511
160153R10R10,5
95,515933
11
14,2153
DN 1004"525650706,58,511
191180R10,5R10
10817833
11
14,2175
DN 1255"565970
8,5
14
216210R12,5R10
124,5190,536
14
19197
DN 1506"565970
8,5
14
242240R12,5R12
13720336
14
19222
DN 2008"606470
8,5
17
299295R12,5R12
16623839
17
22,2279
DN 25010"6872102125111322
362350R14R13,5
19926855
22
28,5340
DN 30012"7881,5102125111322
432400R14R13,5
23430655
22
28,5410
DN 35014"7882




22
460

M20293352
55
2228,5446
DN 40016"102105




27
515

M24325388
60
2736,5508
DN 45018"114118




27
565

M24348415
60
2736,5543
DN 50020"127130,5




36
620

M24386,5441
70
3648,5600
DN 60024"154158




36
725

M27447,5505
70
3648,5718
N.B. :  G’, R’, S’ QUOTE SE REFIEREN A VÁLVULAS ∆P máx. 10 bar

Cuerpo en hierro fundido con palanca

DIMENSIONES CUERPO EN HIERRO FUNDIDO CON PALANCA
MEDIDA
A
B
øC
D
Kg
DN [mm]
[pulgadas]
DN 40
1"1/2
188
70
90
160
2,2
DN 50
2"
203
80
90
160
3,0
DN 65
2"1/2
225
86
90
220
3,8
DN 80
3"
230
95,5
90
220
4,0
DN 100
4"
250
108
90
220
5,1
DN 125
5"
277
124,5
90
350
7,8
DN 150
6"
290
137
90
350
9,2
DN 200
8"
325
166
90
350
13,3

CARACTERÍSTICAS DE LA PALANCA

Palanca con regulación dentada de 10 posiciones:
Material: aluminio;
Tratamiento externo: pintada (poliéster);
Peso: desde 0,3 a 0,9 Kg.
Bloqueable en cualquier posición.

Cuerpo en hierro fundido con reductor

DIMENSIONES CUERPO EN HIERRO FUNDIDO CON REDUCTOR
MEDIDA  
A
B
C
D
øE
F
G
H
I
L
M
Kg
DN [mm]
[pulgadas]
DN 40
1"1/2
200
49
24
80
140
115
42
35
171,2
70
160
3,3
DN 50
2"
200
49
24
80
140
115
42
35
185,9
80
160
4,1
DN 65
2"1/2
200
54
27
100
200
130
50
40
201,6
86
150
5,7
DN 80
3"
200
54
27
100
200
130
50
40
208
95,5
150
6
DN 100
4"
200
54
27
100
200
130
50
40
227
108
150
7
DN 125
5"
200
54
27
100
200
130
50
40
239,7
124,5
150
9,4
DN 150
6"
200
54
27
100
200
130
50
40
252,4
137
150
10,7
DN 200
8"
250
70,5
40,5
140
300
175
60
60
300,7
166
180
17,4
DN 250
10"
250
70,5
40,5
140
300
175
60
60
342
199
180
28
DN 300
12"
250
70,5
40,5
140
300
175
60
60
380
234
180
37,5
DN 350
14"
250
70,5
40,5
140
300
175
60
60
425,5
293
180
56
DN 400
16"
421
102
48
220
300
258
105
75
461
325
301
95
DN 450
18"
421
102
48
220
300
258
105
75
488
348
301
112
DN 500
20"
456
102
48
220
500
258
105
75
514
386,5
346
141
DN 600
24"
456
102
48
220
600
258
105
75
578
447,5
346
205

CARACTERÍSTICAS DEL REDUCTOR
Mecanismo de concepción experimentada, funcional a través del piñón dentado y tornillo sin fin.
Un indicador visual da la posición de la válvula.
Cárter de aleación de aluminio para los reductores "RF0" (IP65), en hierro fundido para los reductores "RRM..." (IP67).
Piñón dentado en hierro fundido.
Tornillo sin fin de acero tratado.
Volante de acero.
Exterior tratado con pintura epoxídica.

MATERIALES
1
Cuerpo
A536 65-45-12 (GGG50) (Equivalente a  EN-GJS-450-10 EN-JS 1040)
2
Lente  
A536 65-45-12 (GGG50) - A351 CF8M (316 S.S.)
3*
Junta
EPDM-NBR
4
Eje de comando
A276 S42000 (420 S.S.) (Equaivalente a  X20CR13; 1.4021)
5
Eje inferior
A276 S42000 (420 S.S.) (Equaivalente a  X20CR13; 1.4021)
6*
Junta tórica inferior
EPDM-NBR (FKM solo si particular)
7*
Casquillo superior
Resina epoxídica
8*
Casquillos guía
Resina epoxídica con PTFE para las medidas desde DN40 a DN300, Bronce para las medidas desde DN350 a DN600
9*
Pasadores elásticos
Acero inoxidable
10*
Junta tórica eje
EPDM-NBR
* Detalles del kit de repuesto KGF.
Bajo pedido están disponibles otros materiales. Para estos y para otras necesidades consultar a nuestras oficinas.

CUERPO
DN40 - 600
HIERRO FUNDIDO A536 65-45-12*
REVESTIDO PINTURA EPOXÍDICA
RAL 5015*

VÁSTAGO
ACERO INOXIDABLE A276 S4200 *
ACERO INOXIDABLE A564 TP 630

LENTE
DN40 - 600
HIERRO FUNDIDO A536 65-45-12*
REVESTIDO NÍQUEL QUÍMICO

ACERO INOXIDABLE A351-CF8M (316 S.S.)*
ACERO INOXIDABLE A351-CF3M (316 S.S.) PULIDO

BRONCE/ALUMINIO B148C95400 *

*Standard OMAL supply

JUNTA
DN40 - 600
EPDM*
NBR*
DN40 - 300
FKM*
PTFE ON EPDM*

NBR BLANCO
NBR BLANCO PARA AGUA
HNBR
NBR CARBOX
SILICONA

GUÍA AL USO DE MATERIALES
MATERIAL
CARACTERÍSTICAS
APLICACIONES
HIERRO FUNDIDO A536 65-45-12
Resistencia mecánica comparable a la de acero.
Temperatura de uso: desde -25°C a +250°C.
Uso general
Normalmente usada para cuerpo y mariposa
BRONCE- ALUMINIO
Buena resistencia a la corrosión.
Fluidos corrosivos, agua de mar
RIVESTIMENTO RILSAN
Resistencia muy buena a la corrosión.
Uso general
Normalmente usada para cuerpo y mariposa
ACERO INOXIDABLE A351-CF8M
Resistencia muy buena a la corrosión.
Circuitos alimentarios, químicos, farmacéuticos, etc.
EPDM
Temperatura de uso: desde -25°C a +135°C.
No se recomienda para hidrocarburos.
gua (suavizada, industrial, glicol, agua de mar), vapor de agua, ozono, bases y ácidos diluidos, disolventes de acetona, alcohol, sosa cáustica, agentes atmosféricos.
NBR
Buenas propiedades mecánicas (abrasión), buena resistencia a aceites minerales, a ciertos hidrocarburos y a disolventes alifáticos. Temperatura de uso: -23°C a +82°C. No recomendado con acetona, con cetonas, nitratos e hidrocarburos clorados.
Servicios generales, aire comprimido, agua fría, fluidos hidráulicos, metano, butano, petróleo, agua de mar, circuitos abrasivos para transporte neumático, grasas animales y vegetales.
NBR BLANCO
Buenas propiedades mecánicas (abrasión), buena resistencia a aceites minerales, a ciertos hidrocarburos y a solventes alifáticos
Temperatura de uso: -23°C a +82°C. No recomendado con acetona, con cetonas, nitratos e hidrocarburos clorados.
Servicios generales, aire comprimido, agua fría, fluidos hidráulicos, metano, butano, petróleo, agua de mar y circuitos abrasivos para transporte neumático.
NBR BLANCO PARA AGUA POTABLE
Específicamente formulado para su uso con agua destinada al consumo humano de conformidad con el D.L. 174/2004.
Temperatura de uso: -23°C a +82°C. No recomendado con acetona, con cetonas, nitratos e hidrocarburos clorados.
Servicios generales, aire comprimido, agua fría, fluidos hidráulicos, metano, butano, petróleo, agua de mar y circuitos abrasivos para transporte neumático.
NBR CARBOX
Buenas propiedades mecánicas (abrasión), buena resistencia a los aceites
minerales, a ciertos hidrocarburos y disolventes alifáticos
Temperatura de uso: -10°C a +82°C. No recomendado con acetona,
con cetonas, nitratos e hidrocarburos clorados.
Excelente resistencia a la abrasión.
Fluidos y polvos abrasivos
HNBR
Excelentes propiedades mecánicas (abrasión), buena resistencia a los aceites minerales, a ciertos hidrocarburos y disolventes alifáticos
Temperatura de uso: -20°C a +120°C. No recomendado con acetona,
con cetonas, nitratos e hidrocarburos clorados.
Servicios generales, aire comprimido, agua fría, fluidos hidráulicos, metano, butano, petróleo, agua de mar y circuitos abrasivos para transporte neumático.
FKM
Muy buena resistencia a: calor, luz, agentes atmosféricos, disolventes bezoicos. Impermeable a los gases. No recomendado para vapor y agua hirviendo. Temperatura de uso: -10°C a +190°C.
Disolventes (menos los acetónicos), hidrocarburos sólidos, combustibles oxigenantes, ácidos, bases, fluidos hidráulicos, aceites.

SILICONA PARA ALTA TEMPERATURA

Muy buena resistencia al agua sobrecalentada y al vapor (hasta 150°)
Temperatura de uso: -25°C a 160°C.
Aire o gas inerte caliente (hasta +180°C), industria alimentaria, agua, vapor.
PTFE ON EPDM
Muy buena resistencia química a disolventes y productos corrosivos. No recomendado para fluidos abrasivos, metales alcalinos (potasio, sodio), flúor gaseoso. Temperatura de uso: -25°C a +135°C.
Industrias alimentarias y químicas con productos altamente corrosivos.
N.B. En la tabla anterior se muestran las características específicas, y las aplicaciones específicas consiguientes, de cada material que OMAL pone a su disposición. Sin embargo, en situaciones inusuales (como instalaciones especiales, contactos con fluidos particulares, condiciones extraordinarias de presión y temperatura, etc.), la variación de los factores que influyen en la corrosión y la abrasión puede alterar las prestaciones de los materiales. En cualquier caso, le recordamos que la elección final del material depende del cliente y que nuestra oficina técnica estará encantada de examinar cualquiera de sus necesidades.

PARES DE ACELERACIÓN en Nm
Medida
DN 40 1"1/2
DN 50
2"
DN 65 2"1/2
DN 80
3"
DN 100
4"
DN 125
5"
DN 150
6"
DN 200
8"
DN 250
10"
DN 300
12"
DN 350
14"
DN 400
16"
DN 450
18"
DN 500
20"
DN 600
24"

PN 10 bar







109
145
218
340
510
680
1020
1300
PN 16 bar
18
18
25
27
35
52
72
142
170
250







Los valores del par pueden variar según la temperatura y el tipo de fluido. Tener en cuenta un factor de seguridad igual a 1.4.
Con frecuentes ciclos de apertura y cierre, el par de maniobra puede disminuir sensiblemente con respecto al inicial. Los acoplamientos actuador/válvula, mostrados en las siguientes páginas, se realizan para válvulas que interceptan fluidos líquidos o gaseosos, limpios y para temperaturas medias. Para más información, o usos diferentes, consultar nuestro departamento técnico.

DIAGRAMA PÉRDIDA DE CARGA-FLUJO

Ejemplo: buscar la pérdida de carga y de la velocidad para un flujo de agua de 0,1 m3/seg. en una válvula de 6" de diámetro
(DN 150) con un ángulo de apertura de 90°.
1) Determinar el punto de encuentro de las líneas de flujo y diámetro de la válvula.
2) Desde este punto, subir verticalmente hasta encontrar la recta de 90° y desde el nuevo punto encontrado trazar una línea horizontal hasta la escala de la pérdida de carga, encontrando así el valor requerido (0,038 bar).
3) Desde el punto 1, descendiendo verticalmente en la escala de velocidad, se puede leer el valor de la velocidad del fluido (5 m/seg.)

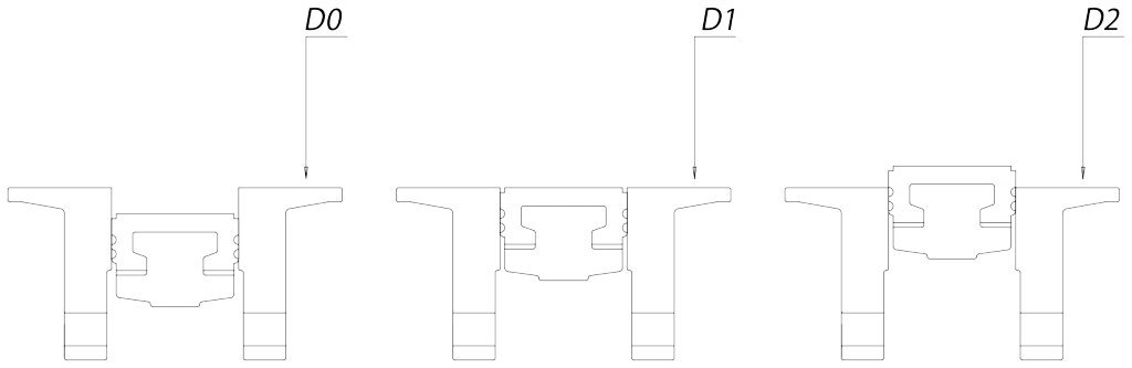
INSTRUCCIONES PARA EL MONTAJE

La distancia entre las bridas debe permitir la introducción de la válvula sin que la junta interfiera con ellas. Durante la operación, la mariposa debe estar en posición semicerrada.

Después de colocar la válvula entre las bridas y antes de apretar los pernos, la mariposa debe estar en la posición abierta. De lo contrario, existe el riesgo de dañar o deformar permanentemente la junta al cerrar la válvula.

Ejemplo de montaje incorrecto: las bridas no están suficientemente abiertas, la junta puede deteriorarse.

La válvula de mariposa OMAL se monta entre las bridas de las tuberías sin anillos de retención adicionales y se centra con los tirantes y los tornillos de fijación. Los diámetros de las bridas deben cumplir con los valores indicados.
D0 diámetro mínimo de la brida para permitir el alojamiento de la válvula (en el caso de una válvula perfectamente centrada)
D1 diámetro máximo de la brida para un uso óptimo
D2 diámetro máximo posible de la brida para un uso en presión reducida. En este caso y para cualquier necesidad, póngase en contacto con nuestra oficina técnica para cualquier aclaración.

DIMENSIONES BRIDAS 
Diámetro
DN 40
DN 50
DN 65
DN 80
DN 100
DN 125
DN 150
DN 200
DN 250
DN 300
DN 350
DN 400
DN 450
DN 500
DN 600
D0 [mm]
30
36
51
67
93
119
143
196
247
297
329
376
426
475
573
D1 [mm]
45
57
69
82
107
133
154
206
257
310
338
390
441
492
596
D2 [mm]
51
68
80
93
116
148
170
221
276
327
346
399
450
500
602

CONFIGURA CONDUCIR
Selecciona los parámetros de búsqueda
BUSCA ARTÍCULO
X CERRAR

SIGUIENTE EVENTO

IVS - Industrial Valve Summit 2026
IVS - Industrial Valve Summit 2026
Bergamo, Italy, 19 - 21 may 2026