Valvola a farfalla in ghisa per montaggio tra flange tipo “Wafer”
ITEM 375
Corpo: Ghisa
Lente: Ghisa
Guarnizioni: vedere tabella
ITEM 376
Corpo: Ghisa
Lente: CF8M (316 S.S.)
Guarnizioni: vedere tabella
ITEM 377
Corpo: Ghisa
Lente: Bronzo Alluminio
Guarnizioni: vedere tabella
1. Testa valvola normalizzata EN ISO 5211
Facilità di accoppiamento con qualsiasi azionamento
2. Tre boccole guida sull'albero
Si ha un perfetto allineamento dell'albero sul corpo e si evitano oscillazioni anche con alte pressioni
Si riduce l'attrito tra albero e corpo
3. Guarnizione vulcanizzata su anello rigido
La guarnizione subisce minor deformazione durante l'utilizzo
Viene facilitato il montaggio/smontaggio della tenuta per eventuali manutenzioni
La guarnizione non subisce deformazione tra le flange durante l'assemblaggio
Maggior accuratezza dimensionale durante la fase di stampaggio
4. Albero in 2 pezzi senza elementi di fissaggio
Viene facilitato il montaggio/smontaggio della lente per eventuali manutenzioni
Maggior Kv grazie alla sezione centrale del disco più sottile rispetto ad una valvola con un unico albero
5.Circonferenza della lente con finitura lappata
Miglior tenuta e minor usura della guarnizione
Si ha una coppia minore grazie al minor attrito tra disco e guarnizione
Vasta gamma di materiali
Possibilità di utilizzo su diverse applicazioni
Certificato ATEX
Ne consente l'installazione in presenza di ambiente potenzialmente esplosivo
Certificato PED
Piena conformità alle norme di sicurezza europee per i dispositivi in pressione
CARATTERISTICHE GENERALI:
Le valvole a farfalla OMAL, disponibili nelle versioni wafer e lug nelle misure da DN 40 a DN 600 (lug DN 300) , sono studiate e realizzate per far fronte alla maggioranza delle applicazioni in tutti i settori dell’industria
- Requisiti generali in accordo UNI EN593
- Scartamenti normalizzati EN 558 serie 20
- Tenuta secondo EN 12266-1 rate A con una pressione differenziale di 16 bar.
- Guarnizione integrale semirigida ottenuta mediante vulcanizzazione dello strato di elastomero su un anello rigido di supporto.
- Geometria della guarnizione ottimizzata per una perfetta aderenza al corpo valvola e tenuta sulle flange senza ulteriori elementi aggiuntivi. Il serraggio delle flange non influisce sulla coppia di azionamento né sul funzionamento della valvola stessa.
- Finitura della farfalla con bordi lappati che permette di ottimizzare la tenuta, di ridurre la coppia di manovra e di diminuire sensibilmente l’usura della guarnizione.
- Bussole guida sull’albero.
- Accoppiamento stelo-lente con doppio albero realizzato senza elementi di fissaggio (viti, bulloni, spine ecc..) onde eliminare punti a rischio di corrosione e rottura.
- Facilitati inoltre eventuali disassemblaggi per manutenzioni o pulizia.
- Accoppiamento con qualsiasi azionamento (pneumatico, elettrico, manuale, ecc..) facilitato dal collo valvola con piano normalizzato EN ISO 5211
- Tutti i particolari sono adeguatamente trattati per garantire piena compatibilità con la maggior parte dei fluidi utilizzati nei processi industriali.
I dati e le caratteristiche di questo catalogo potrebbero essere variati a scopo di miglioramento tecnico anche senza preavviso e pertanto, non sono vincolanti ai fini della fornitura.
ESECUZIONI STANDARD:
• Flangiatura standard:
PN 10 - PN 16 - ANSI 150 dal DN 40 al DN 300.
PN 10 dal DN 350 al DN 600
• Requisiti generali in accordo a UNI EN593
• Ingombri da faccia a faccia normalizzati EN 558 serie 20
• Testa della valvola normalizzata ISO 5211 ( DN40-DN300 )
• Tenuta secondo EN 12266-1 rate A
• Altre combinazioni a richiesta.
• Temperatura di utilizzo per le guarnizioni:
EPDM: da -25°C a +135°C ;
NBR: da -23°C a +82°C;
FKM: da -10°C a +190°C (DN40-DN300);
PTFE (su base EPDM): da -25°C a +135°C (DN40-DN300).
• Pressione di utilizzo tra flange:
PN 16 bar per DN 40÷300
PN 10 bar per DN 350÷600
• Spessore rivestimento epossidico: 160 ÷ 200 μ. RAL: 5015.
ESECUZIONI A RICHIESTA:
• Temperatura di utilizzo per guarnizioni speciali:
SILICONE: da -25°C a +160°C;
NBR CARBOX: da -10°C a +82°C;
NBR BIANCO per fluidi alimentari: da -23°C a +82°C;
HNBR: da -20°C a +120°C
• Per altre applicazioni contattare il nostro ufficio commerciale.
CERTIFICAZIONI:
• Conforme alla direttiva Europea 2014/68/UE “PED”.
• Omologazione DVGW per gas combustibile (V376).
• Omologazione RINA.
• Dichiarazione conformità al D.M.n°174 per l'idoneità al contatto con acqua potabile e fluidi alimentari (V376).
• Versione ATEX in conformità alla Direttiva Europea 2014/34/UE.
• Certificato ATEX a richiesta (Per le valvole con guarnizione in PTFE solo fino alla DN200).
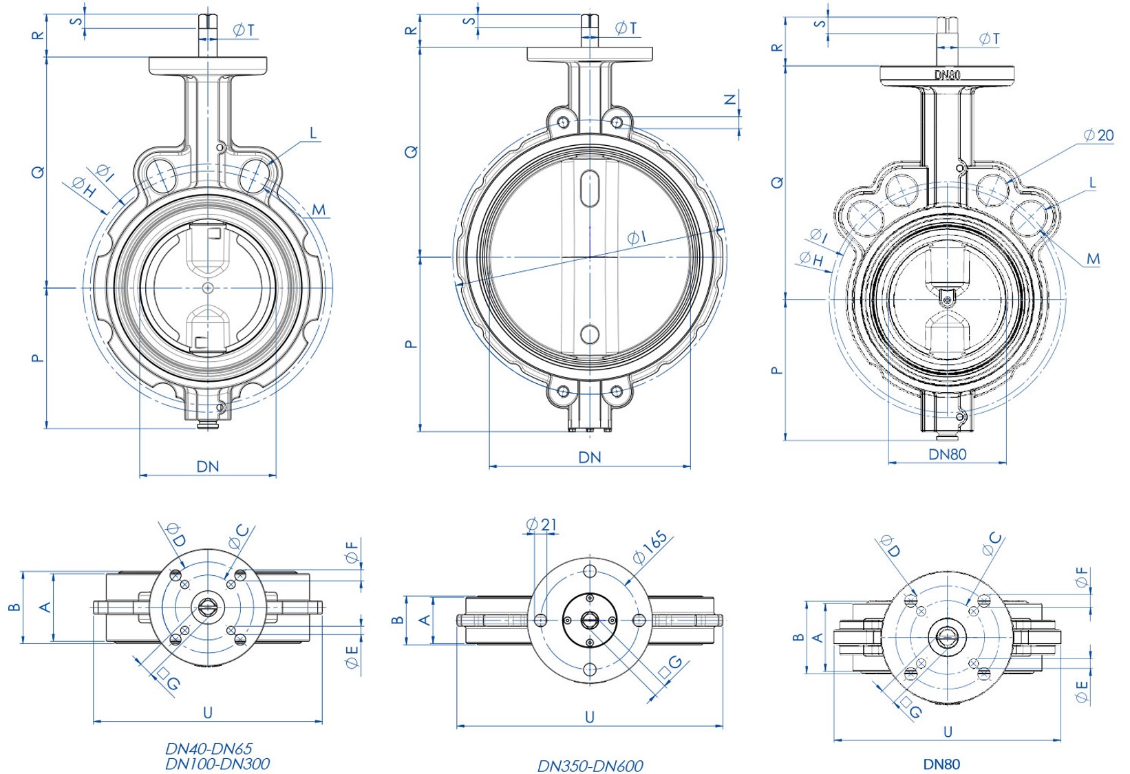
| DIMENSIONI | ||||||||||||||||||||||
| MISURA | A | B | ØC | ØD | ØE | ØF | □G | □G’ | ØH | ØI | L | M | N | P | Q | R | R’ | S | S’ | ØT | U | |
| DN [mm] | [inch] | |||||||||||||||||||||
| DN 40 | 1"1/2 | 33 | 36 | 50 | 70 | 6,5 | 8,5 | 9 | 110 | 98,5 | R10 | R9 | 70 | 125 | 31 | 9 | 14,2 | 116 | ||||
| DN 50 | 2" | 43 | 46 | 50 | 70 | 6,5 | 8,5 | 9 | 125 | 121 | R10 | R10,5 | 80 | 140 | 31 | 9 | 14,2 | 128 | ||||
| DN 65 | 2"1/2 | 46 | 49 | 50 | 70 | 6,5 | 8,5 | 11 | 145 | 140 | R10 | R10,5 | 86 | 152 | 33 | 11 | 14,2 | 143 | ||||
| DN 80 | 3" | 46 | 49 | 50 | 70 | 6,5 | 8,5 | 11 | 160 | 153 | R10 | R10,5 | 95,5 | 159 | 33 | 11 | 14,2 | 153 | ||||
| DN 100 | 4" | 52 | 56 | 50 | 70 | 6,5 | 8,5 | 11 | 191 | 180 | R10,5 | R10 | 108 | 178 | 33 | 11 | 14,2 | 175 | ||||
| DN 125 | 5" | 56 | 59 | 70 | 8,5 | 14 | 216 | 210 | R12,5 | R10 | 124,5 | 190,5 | 36 | 14 | 19 | 197 | ||||||
| DN 150 | 6" | 56 | 59 | 70 | 8,5 | 14 | 242 | 240 | R12,5 | R12 | 137 | 203 | 36 | 14 | 19 | 222 | ||||||
| DN 200 | 8" | 60 | 64 | 70 | 8,5 | 17 | 299 | 295 | R12,5 | R12 | 166 | 238 | 39 | 17 | 22,2 | 279 | ||||||
| DN 250 | 10" | 68 | 72 | 102 | 125 | 11 | 13 | 22 | 362 | 350 | R14 | R13,5 | 199 | 268 | 55 | 22 | 28,5 | 340 | ||||
| DN 300 | 12" | 78 | 81,5 | 102 | 125 | 11 | 13 | 22 | 432 | 400 | R14 | R13,5 | 234 | 306 | 55 | 22 | 28,5 | 410 | ||||
| DN 350 | 14" | 78 | 82 | 22 | 460 | M20 | 293 | 352 | 55 | 22 | 28,5 | 446 | ||||||||||
| DN 400 | 16" | 102 | 105 | 27 | 515 | M24 | 325 | 388 | 60 | 27 | 36,5 | 508 | ||||||||||
| DN 450 | 18" | 114 | 118 | 27 | 565 | M24 | 348 | 415 | 60 | 27 | 36,5 | 543 | ||||||||||
| DN 500 | 20" | 127 | 130,5 | 36 | 620 | M24 | 386,5 | 441 | 70 | 36 | 48,5 | 600 | ||||||||||
| DN 600 | 24" | 154 | 158 | 36 | 725 | M27 | 447,5 | 505 | 70 | 36 | 48,5 | 718 | ||||||||||
| N.B. : G’, R’, S’ QUOTE RIFERITE A VALVOLE ∆P max 10 bar | ||||||||||||||||||||||
DIMENSIONI CORPO IN GHISA CON LEVA | ||||||
| MISURA | A | B | øC | D | Kg | |
| DN [mm] | [inch] | |||||
| DN 40 | 1"1/2 | 188 | 70 | 90 | 160 | 2,2 |
| DN 50 | 2" | 203 | 80 | 90 | 160 | 3,0 |
| DN 65 | 2"1/2 | 225 | 86 | 90 | 220 | 3,8 |
| DN 80 | 3" | 230 | 95,5 | 90 | 220 | 4,0 |
| DN 100 | 4" | 250 | 108 | 90 | 220 | 5,1 |
| DN 125 | 5" | 277 | 124,5 | 90 | 350 | 7,8 |
| DN 150 | 6" | 290 | 137 | 90 | 350 | 9,2 |
| DN 200 | 8" | 325 | 166 | 90 | 350 | 13,3 |
CARATTERISTICHE DELLA LEVA
Leva con regolazione dentellata a 10 posizioni:
Materiale: alluminio;
Trattamento esterno: verniciata (poliestere);
Peso: da 0,3 a 0,9 Kg.
Lucchettabile in ogni posizione.
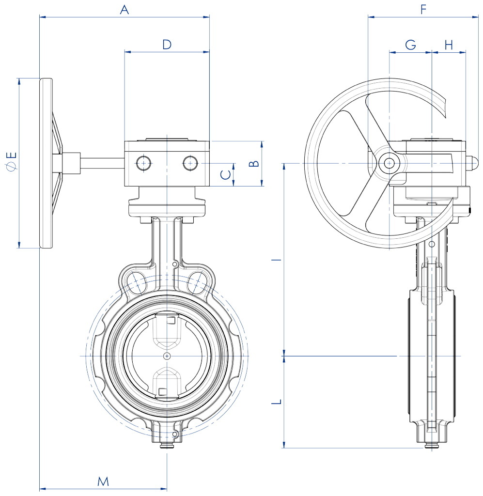
DIMENSIONI CORPO IN GHISA CON RIDUTTORE | |||||||||||||
| MISURA | A | B | C | D | øE | F | G | H | I | L | M | Kg | |
| DN [mm] | [inch] | ||||||||||||
| DN 40 | 1"1/2 | 200 | 49 | 24 | 80 | 140 | 115 | 42 | 35 | 171,2 | 70 | 160 | 3,3 |
| DN 50 | 2" | 200 | 49 | 24 | 80 | 140 | 115 | 42 | 35 | 185,9 | 80 | 160 | 4,1 |
| DN 65 | 2"1/2 | 200 | 54 | 27 | 100 | 200 | 130 | 50 | 40 | 201,6 | 86 | 150 | 5,7 |
| DN 80 | 3" | 200 | 54 | 27 | 100 | 200 | 130 | 50 | 40 | 208 | 95,5 | 150 | 6 |
| DN 100 | 4" | 200 | 54 | 27 | 100 | 200 | 130 | 50 | 40 | 227 | 108 | 150 | 7 |
| DN 125 | 5" | 200 | 54 | 27 | 100 | 200 | 130 | 50 | 40 | 239,7 | 124,5 | 150 | 9,4 |
| DN 150 | 6" | 200 | 54 | 27 | 100 | 200 | 130 | 50 | 40 | 252,4 | 137 | 150 | 10,7 |
| DN 200 | 8" | 250 | 70,5 | 40,5 | 140 | 300 | 175 | 60 | 60 | 300,7 | 166 | 180 | 17,4 |
| DN 250 | 10" | 250 | 70,5 | 40,5 | 140 | 300 | 175 | 60 | 60 | 342 | 199 | 180 | 28 |
| DN 300 | 12" | 250 | 70,5 | 40,5 | 140 | 300 | 175 | 60 | 60 | 380 | 234 | 180 | 37,5 |
| DN 350 | 14" | 250 | 70,5 | 40,5 | 140 | 300 | 175 | 60 | 60 | 425,5 | 293 | 180 | 56 |
| DN 400 | 16" | 421 | 102 | 48 | 220 | 300 | 258 | 105 | 75 | 461 | 325 | 301 | 95 |
| DN 450 | 18" | 421 | 102 | 48 | 220 | 300 | 258 | 105 | 75 | 488 | 348 | 301 | 112 |
| DN 500 | 20" | 456 | 102 | 48 | 220 | 500 | 258 | 105 | 75 | 514 | 386,5 | 346 | 141 |
| DN 600 | 24" | 456 | 102 | 48 | 220 | 600 | 258 | 105 | 75 | 578 | 447,5 | 346 | 205 |
CARATTERISTICHE DEL RIDUTTORE
Meccanismo di concezione sperimentata, funzionante tramite pignone dentato e vite senza fine.
Un indicatore visivo dà la posizione della valvola.
Carter in lega di alluminio per i riduttori "RF0" (IP65), in ghisa per i riduttori "RRM..." (IP67).
Pignone dentato in ghisa.
Vite senza fine in acciaio trattato.
Volantino in acciaio.
Esterno trattato con vernice epossidica.
MATERIALI | ||
| 1 | Corpo | A536 65-45-12 (GGG50) (Equivalente a EN-GJS-450-10 EN-JS 1040) |
| 2 | Lente | A536 65-45-12 (GGG50) - A351 CF8M (316 S.S.) |
| 3* | Guarnizione | EPDM-NBR |
| 4 | Albero di comando | A276 S42000 (420 S.S.) (Equaivalente a X20CR13; 1.4021) |
| 5 | Albero inferiore | A276 S42000 (420 S.S.) (Equaivalente a X20CR13; 1.4021) |
| 6* | O-ring inferiore | EPDM-NBR (FKM solo se particolare) |
| 7* | Boccola superiore | Resina epossidica |
| 8* | Boccole guida | Resina epossidica con PTFE per le misure da DN40 a DN300, Bronzo per le misure da DN350 a DN600 |
| 9* | Spine elastiche | Acciaio inox |
| 10* | O-ring albero | EPDM-NBR |
CORPO
DN40 - 600
GHISA A536 65-45-12*
RIVESTITO VERN. EPOSSIDICA
RAL 5015*
STELO
ACCIAIO INOX A276 S4200 *
ACCIAIO INOX A564 TP 630
LENTE
DN40 - 600
GHISA A536 65-45-12*
RIVESTITO NICHEL CHIMICO
ACCIAIO INOX A351-CF8M (316 S.S.)*
ACCIAIO INOX A351-CF3M (316L S.S.) LUCIDATO
BRONZO/ALLUMINIO B148C95400 *
*Fornitura OMAL standard
GUARNIZIONE
DN40 - 600
EPDM*
NBR*
DN40 - 300
FKM*
PTFE ON EPDM*
NBR BIANCO
NBR BIANCO PER ACQUA
HNBR
NBR CARBOX
SILICONE
GUIDA ALL’UTILIZZO DEI MATERIALI | ||
MATERIALE | CARATTERISTICHE | APPLICAZIONI |
| GHISA A536 65-45-12 | Resistenza meccanica paragonabile a quella dell’acciaio. Temperatura di utilizzo: da -25°C a +250°C. | Impieghi generici Normalmente usata per corpo e farfalla |
| BRONZO - ALLUMINIO | Buona resistenza alla corrosione | Fluidi corrosivi, acqua di mare |
| ACCIAIO INOX A351-CF8M | Resistenza molto buona alla corrosione | Circuiti alimentari, chimici, farmaceutici ecc. |
| EPDM | Temperatura di utilizzo: da -25°C a +135°C. Sconsigliato per idrocarburi. | Acqua (addolcita, industriale, glicole, di mare), vapore acqueo, ozono, basi e acidi diluiti, solventi acetonici, alcool, soda caustica, agenti atmosferici |
| NBR | Buone proprietà meccaniche (abrasione), buona tenuta agli olii minerali a certi idrocarburi e ai solventi alifatici Temperatura di utilizzo: -23°C a +82°C. Sconsigliato con acetone, con chetoni, nitrati e idrocarburi clorurati. | Servizi generali, aria compressa, acqua fredda, fluidi idraulici, metano, butano, petrolio, acqua di mare, circuiti abrasivi di trasporto pneumatico, grassi animali e vegetali. |
| NBR BIANCO | Buone proprietà meccaniche (abrasione), buona tenuta agli olii minerali a certi idrocarburi e ai solventi alifatici Temperatura di utilizzo: -23°C a +82°C. Sconsigliato con acetone, con chetoni, nitrati e idrocarburi clorurati. | Servizi generali, aria compressa, acqua fredda, fluidi idraulici, metano, butano, petrolio, acqua di mare e circuiti abrasivi di trasporto pneumatico. |
| NBR BIANCO PER ACQUA POTABILE | Specificamente formulato per impiego con acqua destinata al consumo umano in accordo ed in conformità al D.L. 174/2004. Temperatura di utilizzo: -23°C a +82°C. Sconsigliato con acetone, con chetoni, nitrati e idrocarburi clorurati. | Servizi generali, aria compressa, acqua fredda, fluidi idraulici, metano, butano, petrolio, acqua di mare e circuiti abrasivi di trasporto pneumatico. |
| NBR CARBOX | Buone proprietà meccaniche (abrasione), buona tenuta agli olii minerali a certi idrocarburi e ai solventi alifatici Temperatura di utilizzo: -10°C a +82°C. Sconsigliato con acetone, con chetoni, nitrati e idrocarburi clorurati. Eccellente resistenza all’abrasione. | Fluidi e polveri abrasive |
| HNBR | Eccellenti proprietà meccaniche (abrasione), buona tenuta agli olii minerali a certi idrocarburi e ai solventi alifatici Temperatura di utilizzo: -20°C a +120°C. Sconsigliato con acetone, con chetoni, nitrati e idrocarburi clorurati. | Servizi generali, aria compressa, acqua fredda, fluidi idraulici, metano, butano, petrolio, acqua di mare e circuiti abrasivi di trasporto pneumatico. |
| FKM | Resistenza molto buona a: calore, luce, agenti atmosferici, solventi bezoici. Impermeabile ai gas. Sconsigliato per vapore e acqua bollente. Temperatura di utilizzo: -10°C a +190°C. | Solventi (meno gli acetonici), idrocarburi solidi, carburanti ossigenanti, acidi, basi, fluidi idraulici, olii. |
| SILICONE PER ALTA TEMPERATURA | Resistenza molto buona per acqua surriscaldata e vapore (fino a 150°) Temperatura di utilizzo: -25°C a 160°C. | Aria o gas inerte caldo (fino a +180°C), industrie alimentari, acqua, vapore. |
| PTFE ON EPDM | Resistenza chimica molto buona a solventi e prodotti corrosivi. Sconsigliato per fluidi abrasivi, metalli alcalini (potassio, sodio), fluoro gassoso. Temperatura di utilizzo: -25°C a +135°C. | Industrie alimentari e chimiche con prodotti molto corrosivi. |
| N.B. Nella tabella sopra sono riportate le caratteristiche peculiari, e le conseguenti applicazioni specifiche, di ogni materiale che OMAL Vi mette a disposizione. Ciononostante, in situazioni inusuali (come installazioni speciali, contatti con fluidi particolari, condizioni straordinarie di pressione e temperatura, ecc..), la variazione dei fattori che influenzano corrosione e abrasione, può alterare le prestazioni dei materiali. In ogni caso, Vi ricordiamo che spetta comunque al cliente la scelta finale del materiale e che il nostro ufficio tecnico sarà lieto di esaminare qualsiasi Vostra esigenza. | ||
COPPIE DI SPUNTO in Nm | |||||||||||||||
| Misura | DN 40 1"1/2 | DN 50 2" | DN 65 2"1/2 | DN 80 3" | DN 100 4" | DN 125 5" | DN 150 6" | DN 200 8" | DN 250 10" | DN 300 12" | DN 350 14" | DN 400 16" | DN 450 18" | DN 500 20" | DN 600 24" |
| PN 10 bar | 109 | 145 | 218 | 340 | 510 | 680 | 1020 | 1300 | |||||||
| PN 16 bar | 18 | 18 | 25 | 27 | 35 | 52 | 72 | 142 | 170 | 250 | |||||
DIAGRAMMA PERDITA DI CARICO-PORTATA
Esempio: ricerca della perdita di carico e della velocità per una portata d’acqua pari a 0,1 m3/sec. in una valvola di diametro 6”
(DN 150) con un angolo di apertura di 90°.
1) Determinare il punto di incontro delle linee di portata e diametro della valvola.
2) Da questo punto, salire con la verticale fino ad incontrare la retta dei 90° e dal nuovo punto trovato tracciare una linea orizzontale fino alla scala della perdita di carico, trovando così il valore richiesto (0,038 bar).
3) Dal punto 1, scendendo in verticale sulla scala della velocità, possiamo leggere il valore della velocità del fluido (5 m/sec.)
ISTRUZIONI PER IL MONTAGGIO
La distanza tra le flange deve permettere l’introduzione della valvola senza che la guarnizione interferisca con le stesse. Durante l’operazione la farfalla deve trovarsi in posizione semichiusa.
Dopo il posizionamento della valvola tra le flange e prima del serraggio dei bulloni, la farfalla deve essere in posizione aperta. In caso contrario si rischia di danneggiare o deformare in maniera permanente la guarnizione durante la chiusura della valvola
Esempio di montaggio non corretto: le flange non sono sufficientemente aperte, la guarnizione può deteriorarsi.
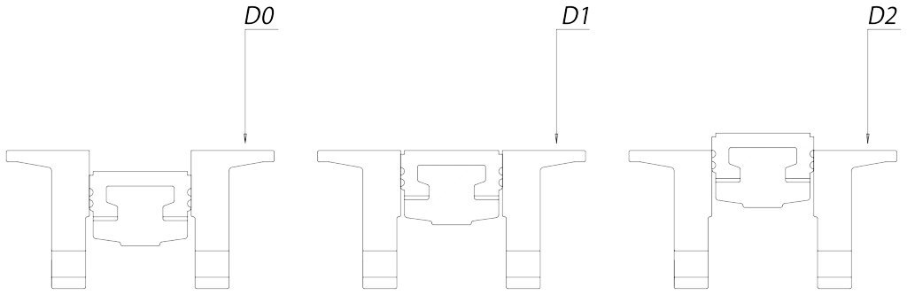
La valvola a farfalla OMAL si monta tra le flange delle tubazioni senza ulteriori anelli di tenuta e viene centrata dai tiranti e dalle viti di fissaggio. I diametri delle flange devono essere conformi ai valori indicati.
D0 diametro minimo della flangia per consentire l’alloggiamento della valvola (nel caso di valvola perfettamente centrata)
D1 diametro massimo della flangia per un’utilizzazione ottimale
D2 diametro massimo possibile della flangia per un’utilizzazione in pressione ridotta. In questo caso e per ogni necessità contattare il nostro ufficio tecnico per eventuali chiarimenti.
DIMENSIONI FLANGE | |||||||||||||||
| Diametro | DN 40 | DN 50 | DN 65 | DN 80 | DN 100 | DN 125 | DN 150 | DN 200 | DN 250 | DN 300 | DN 350 | DN 400 | DN 450 | DN 500 | DN 600 |
| D0 [mm] | 30 | 36 | 51 | 67 | 93 | 119 | 143 | 196 | 247 | 297 | 329 | 376 | 426 | 475 | 573 |
| D1 [mm] | 45 | 57 | 69 | 82 | 107 | 133 | 154 | 206 | 257 | 310 | 338 | 390 | 441 | 492 | 596 |
| D2 [mm] | 51 | 68 | 80 | 93 | 116 | 148 | 170 | 221 | 276 | 327 | 346 | 399 | 450 | 500 | 602 |