Vanne à papillon en fonte pour montage entre brides, à oreilles de centrage
ITEM 375
Corps: Fonte
Papillon: Fonte
Garnitures: voir tableau
ITEM 376
Corps: Fonte
Papillon: CF8M (316 S.S.)
Garnitures: voir tableau
ITEM 377
Corps: Fonte
Papillon: Bronze Aluminium
Garnitures: voir tableau
1. Tête de vanne normalisée EN ISO 5211
Accouplement avec n'importe quel actionnement
2. Trois douilles de guidage sur l'arbre.
L'arbre est parfaitement aligné sur le corps et les oscillations sont évitées, même à des pressions élevées.
Frottement réduit entre l'arbre et le corps
3. Joint vulcanisé sur bague rigide
Le joint subit moins de déformation lors de l'utilisation
Le montage/démontage du joint est facilité par d’éventuels entretiens
Le joint ne subit pas de déformation entre les brides lors du montage
Plus grande précision dimensionnelle lors de la phase de moulage
4. Arbre en 2 pièces sans fixations
Le montage/démontage de la lentille pour tout entretien est facilité
Plus grand Kv grâce à la section centrale plus mince du disque qu'une valve à un seul arbre
5. Circonférence de la lentille avec finition rodée
Meilleure adhérence et moins d'usure du joint
Il y a un couple inférieur grâce à une diminution des frictions entre le disque et le joint
Vaste gamme de matériaux
Possibilité d'utilisation sur différentes applications
Certificat ATEX
Permet son installation en présence d'un milieu potentiellement explosif
Certificat ESP
Conformité totale aux normes de sécurité européennes pour les équipements sous pression
CARACTÉRISTIQUES GÉNÉRALES:
Les vannes à papillon OMAL, disponibles dans les versions à oreilles de centrage et tauraudées, de DN 40 à DN 600 (lug DN 300), sont conçues et construites pour la plupart des applications de tous les secteurs industriels
- Exigences générales suivant UNI EN593
- Écartements normalisés EN 558 série 20
- Étanchéité selon la norme EN 12266-1 taux de fuite A avec une pression différentielle de 16 bar.
- Garniture intégrale semi-rigide obtenue par vulcanisation de la couche d'élastomère sur une bague de support rigide.
- Géométrie de la garniture optimisée pour une parfaite adhérence au corps de la vanne et une étanchéité sur les brides, sans aucun élément supplémentaire. Le serrage des brides n'affecte ni le couple d'actionnement ni le fonctionnement de la vanne elle-même.
- Finition du papillon avec des bords rodés, qui permet d'optimiser l'étanchéité, de réduire le couple de manœuvre et de réduire considérablement l'usure de la garniture.
- Douilles de guidage sur l'arbre.
- Accouplement tige-papillon avec arbre double, réalisé sans aucun élément de fixation (vis, boulons, goupilles, etc.) pour éliminer les points exposés au risque de corrosion et de rupture.
- Démontages faciles pour la maintenance ou le nettoyage.
- Accouplement avec n'importe quel actionnement (pneumatique, électrique, manuel, etc.) facilité par le col de la vanne avec une embase normalisée selon EN ISO 5211
- Tous les détails sont traités de manière adéquate pour garantir une compatibilité totale avec la plupart des fluides utilisés dans les processus industriels.
Les données et caractéristiques de ce catalogue peuvent être modifiées à des fins d'amélioration technique même sans préavis. Par conséquent, elles ne sont pas contraignantes aux fins de la fourniture.
RÉALISATIONS STANDARD:
• Raccordement à brides standard:
PN 10 - PN 16 - ANSI 150 du DN 40 au DN 300.
PN 10 du DN 350 au DN 600
• Exigences générales suivant UNI EN593
• Encombrements face à face normalisés EN 558 série 20
• Tête de vanne normalisée ISO 5211 (DN40-DN300)
• Étanchéité selon EN 12266-1 taux de fuite A
• Autres combinaisons sur demande.
• Température d'utilisation pour les garnitures:
EPDM: de -25°C à +135°C;
NBR: de -23°C à +82°C;
FKM: de -10°C à +190°C (DN40-DN300);
PTFE (sur base d'EPDM): de -25°C à +135°C (DN40-DN300).
• Pression d’utilisation entre les brides:
PN 16 bar pour DN 40÷300
PN 10 bar pour DN 350÷600
• Épaisseur du revêtement époxy: 160 ÷ 200 μ. RAL: 5015.
RÉALISATIONS SUR DEMANDE :
• Température d'utilisation pour les garnitures spéciales:
SILICONE: de -25°C à + 160°C;
NBR CARBOX: de -10°C à +82°C;
NBR BLANC pour liquides alimentaires: de -23°C à +82°C;
HNBR: de -20°C à +120°C
• Pour d'autres applications, veuillez vous adresser à notre service commercial.
CERTIFICATIONS:
Conforme à la directive européenne 2014/68/UE DESP.
• Homologation DVGW pour les gaz combustibles (V376).
• Homologation RINA.
• Déclaration de conformité au décret ministériel italien n°174 sur l'aptitude au contact avec l'eau potable et des fluides alimentaires (V376).
• Version ATEX conformément à la directive européenne 2014/34/UE ATEX.
• Certificat ATEX sur demande (Pour les vannes avec joint PTFE uniquement jusqu'à DN200).
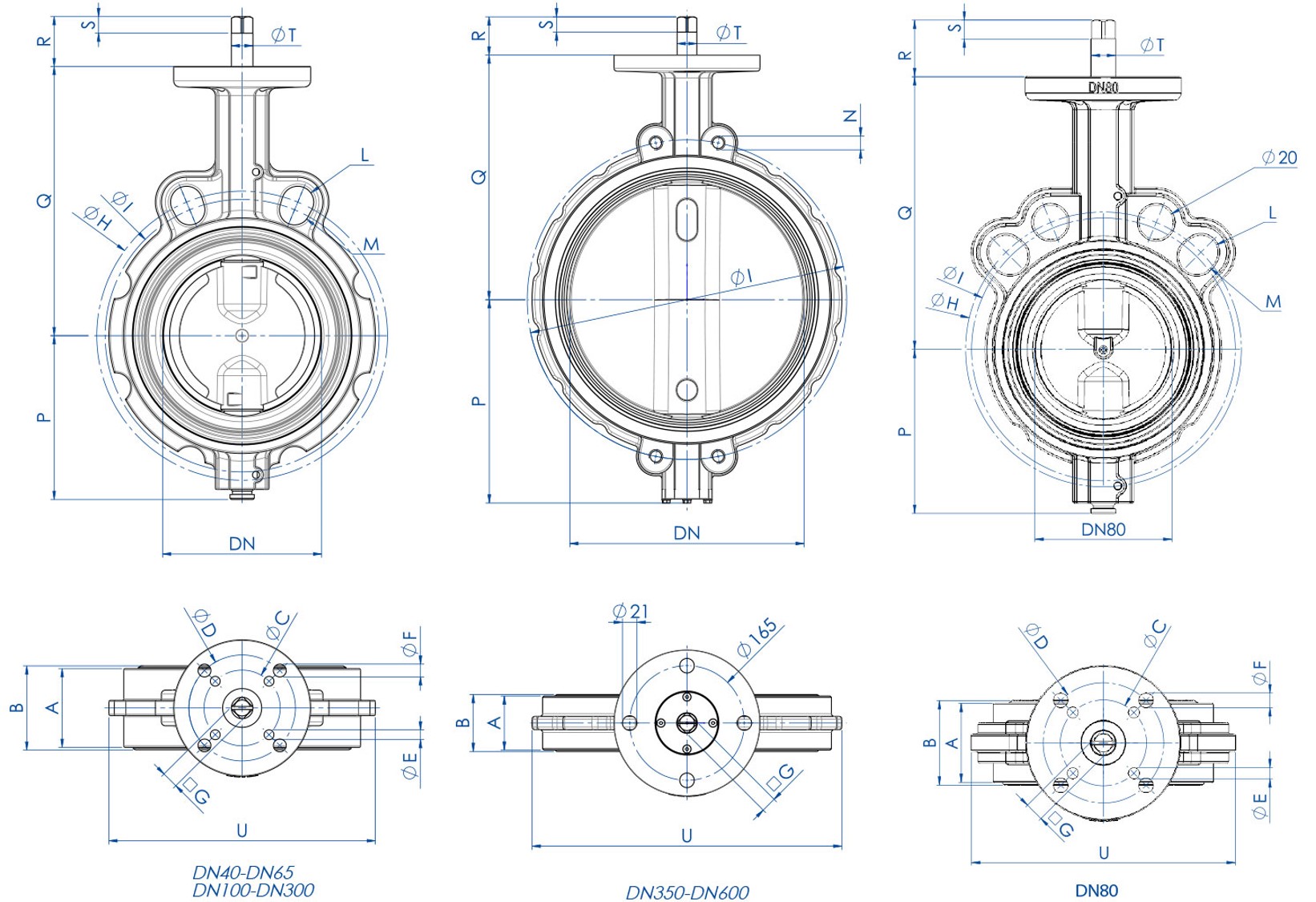
| DIMENSIONS | ||||||||||||||||||||||
| MESURE | A | B | ØC | ØD | ØE | ØF | ØG | ØG’ | ØH | ØI | L | M | N | P | Q | R | R’ | S | S’ | ØT | U | |
| DN [mm] | [pouces] | |||||||||||||||||||||
| DN 40 | 1"1/2 | 33 | 36 | 50 | 70 | 6,5 | 8,5 | 9 | 110 | 98,5 | R10 | R9 | 70 | 125 | 31 | 9 | 14,2 | 116 | ||||
| DN 50 | 2" | 43 | 46 | 50 | 70 | 6,5 | 8,5 | 9 | 125 | 121 | R10 | R10,5 | 80 | 140 | 31 | 9 | 14,2 | 128 | ||||
| DN 65 | 2"1/2 | 46 | 49 | 50 | 70 | 6,5 | 8,5 | 11 | 145 | 140 | R10 | R10,5 | 86 | 152 | 33 | 11 | 14,2 | 143 | ||||
| DN 80 | 3" | 46 | 49 | 50 | 70 | 6,5 | 8,5 | 11 | 160 | 153 | R10 | R10,5 | 95,5 | 159 | 33 | 11 | 14,2 | 153 | ||||
| DN 100 | 4" | 52 | 56 | 50 | 70 | 6,5 | 8,5 | 11 | 191 | 180 | R10,5 | R10 | 108 | 178 | 33 | 11 | 14,2 | 175 | ||||
| DN 125 | 5" | 56 | 59 | 70 | 8,5 | 14 | 216 | 210 | R12,5 | R10 | 124,5 | 190,5 | 36 | 14 | 19 | 197 | ||||||
| DN 150 | 6" | 56 | 59 | 70 | 8,5 | 14 | 242 | 240 | R12,5 | R12 | 137 | 203 | 36 | 14 | 19 | 222 | ||||||
| DN 200 | 8" | 60 | 64 | 70 | 8,5 | 17 | 299 | 295 | R12,5 | R12 | 166 | 238 | 39 | 17 | 22,2 | 279 | ||||||
| DN 250 | 10" | 68 | 72 | 102 | 125 | 11 | 13 | 22 | 362 | 350 | R14 | R13,5 | 199 | 268 | 55 | 22 | 28,5 | 340 | ||||
| DN 300 | 12" | 78 | 81,5 | 102 | 125 | 11 | 13 | 22 | 432 | 400 | R14 | R13,5 | 234 | 306 | 55 | 22 | 28,5 | 410 | ||||
| DN 350 | 14" | 78 | 82 | 22 | 460 | M20 | 293 | 352 | 55 | 22 | 28,5 | 446 | ||||||||||
| DN 400 | 16" | 102 | 105 | 27 | 515 | M24 | 325 | 388 | 60 | 27 | 36,5 | 508 | ||||||||||
| DN 450 | 18" | 114 | 118 | 27 | 565 | M24 | 348 | 415 | 60 | 27 | 36,5 | 543 | ||||||||||
| DN 500 | 20" | 127 | 130,5 | 36 | 620 | M24 | 386,5 | 441 | 70 | 36 | 48,5 | 600 | ||||||||||
| DN 600 | 24" | 154 | 158 | 36 | 725 | M27 | 447,5 | 505 | 70 | 36 | 48,5 | 718 | ||||||||||
| N.B. : G’, R’, S’ COTES POUR VANNES ∆P max 10 bar | ||||||||||||||||||||||
DIMENSIONS CORPS EN FONTE AVEC LEVIER | ||||||
| MESURE | A | B | øC | D | Kg | |
| DN [mm] | [pouces] | |||||
| DN 40 | 1"1/2 | 188 | 70 | 90 | 160 | 2,2 |
| DN 50 | 2" | 203 | 80 | 90 | 160 | 3,0 |
| DN 65 | 2"1/2 | 225 | 86 | 90 | 220 | 3,8 |
| DN 80 | 3" | 230 | 95,5 | 90 | 220 | 4,0 |
| DN 100 | 4" | 250 | 108 | 90 | 220 | 5,1 |
| DN 125 | 5" | 277 | 124,5 | 90 | 350 | 7,8 |
| DN 150 | 6" | 290 | 137 | 90 | 350 | 9,2 |
| DN 200 | 8" | 325 | 166 | 90 | 350 | 13,3 |
CARACTÉRISTIQUES DU LEVIER
Levier avec réglage à 10 crans:
Matériau: aluminium;
Traitement extérieur: peinture (polyester);
Poids: de 0,3 à 0,9 kg
Cadenassable dans n'importe quelle position.
DIMENSIONS CORPS EN FONTE AVEC RÉDUCTEUR | |||||||||||||
| MESURE | A | B | C | D | øE | F | G | H | I | L | M | Kg | |
| DN [mm] | [pouces] | ||||||||||||
| DN 40 | 1"1/2 | 200 | 49 | 24 | 80 | 140 | 115 | 42 | 35 | 171,2 | 70 | 160 | 3,3 |
| DN 50 | 2" | 200 | 49 | 24 | 80 | 140 | 115 | 42 | 35 | 185,9 | 80 | 160 | 4,1 |
| DN 65 | 2"1/2 | 200 | 54 | 27 | 100 | 200 | 130 | 50 | 40 | 201,6 | 86 | 150 | 5,7 |
| DN 80 | 3" | 200 | 54 | 27 | 100 | 200 | 130 | 50 | 40 | 208 | 95,5 | 150 | 6 |
| DN 100 | 4" | 200 | 54 | 27 | 100 | 200 | 130 | 50 | 40 | 227 | 108 | 150 | 7 |
| DN 125 | 5" | 200 | 54 | 27 | 100 | 200 | 130 | 50 | 40 | 239,7 | 124,5 | 150 | 9,4 |
| DN 150 | 6" | 200 | 54 | 27 | 100 | 200 | 130 | 50 | 40 | 252,4 | 137 | 150 | 10,7 |
| DN 200 | 8" | 250 | 70,5 | 40,5 | 140 | 300 | 175 | 60 | 60 | 300,7 | 166 | 180 | 17,4 |
| DN 250 | 10" | 250 | 70,5 | 40,5 | 140 | 300 | 175 | 60 | 60 | 342 | 199 | 180 | 28 |
| DN 300 | 12" | 250 | 70,5 | 40,5 | 140 | 300 | 175 | 60 | 60 | 380 | 234 | 180 | 37,5 |
| DN 350 | 14" | 250 | 70,5 | 40,5 | 140 | 300 | 175 | 60 | 60 | 425,5 | 293 | 180 | 56 |
| DN 400 | 16" | 421 | 102 | 48 | 220 | 300 | 258 | 105 | 75 | 461 | 325 | 301 | 95 |
| DN 450 | 18" | 421 | 102 | 48 | 220 | 300 | 258 | 105 | 75 | 488 | 348 | 301 | 112 |
| DN 500 | 20" | 456 | 102 | 48 | 220 | 500 | 258 | 105 | 75 | 514 | 386,5 | 346 | 141 |
| DN 600 | 24" | 456 | 102 | 48 | 220 | 600 | 258 | 105 | 75 | 578 | 447,5 | 346 | 205 |
CARACTÉRISTIQUES DU RÉDUCTEUR
Mécanisme de conception expérimentée, fonctionnant au moyen d’un pignon denté et d’une vis sans fin.
Un indicateur visuel indique la position de la vanne.
Carter en alliage d'aluminium pour les réducteurs "RF0" (IP65), en fonte pour les réducteurs "RRM ..." (IP67).
Pignon denté en fonte.
Vis sans fin en acier traité.
Volant en acier.
Traitement extérieur avec peinture époxy.
MATÉRIAUX | ||
| 1 | Corps | A536 65-45-12 (GGG50) (Equivalent à EN-GJS-450-10 EN-JS 1040) |
| 2 | Lentille | A536 65-45-12 (GGG50) - A351 CF8M (316 S.S.) |
| 3* | Garniture | EPDM-NBR |
| 4 | Arbre de commande | A276 S42000 (420 S.S.) (Equivalent à X20CR13; 1.4021) |
| 5 | Arbre inférieur | A276 S42000 (420 S.S.) (Equivalent à X20CR13; 1.4021) |
| 6* | Joint torique inférieur | EPDM-NBR (FKM seulement si spécial) |
| 7* | Douille supérieur | Résine époxy |
| 8* | Douilles de guidage | Résine époxy avec PTFE pour les mesures de DN40 à DN300, Bronze pour les mesures de DN350 à DN600 |
| 9* | Goupilles élastiques | Acier inoxidable |
| 10* | Joint torique arbre | EPDM-NBR |
CORPS
DN40 - 600
FONTE A536 65-45-12*
REVÊTU VERN. ÉPOXY
RAL 5015*
TIGE
ACIER INOXIDABLE A276 S4200 *
ACIER INOXIDABLE A564 TP 630
LENTILLE
DN40 - 600
FONTE A536 65-45-12*
REVÊTU NICKEL CHIMIQUE
ACIER INOXIDABLE A351-CF8M (316 S.S.)*
ACIER INOXIDABLE A351-CF3M (316 S.S.) POLISHED
BRONZE/ALUMINIUM B148C95400 *
*Standard OMAL supply
GARNITURE
DN40 - 600
EPDM*
NBR*
DN40 - 300
FKM*
PTFE ON EPDM*
NBR BLANC
NBR BLANC POUR EAU
HNBR
NBR CARBOX
SILICON
GUIDE D'UTILISATION DES MATÉRIAUX | ||
MATÉRIAU | CARACTÉRISTIQUES | APPLICATIONS |
| FONTE A536 65-45-12 | Résistance mécanique comparable à celle de l'acier. Température de fonctionnement: de -25°C à +250°C. | Utilisations générales Normalement utilisé pour corps et papillon |
| BRONZE/ALUMINIUM | Bonne résistance à la corrosion | Fluides corrosifs, eau de mer |
| REVÊTU RILSAN | Très bonne résistance à la corrosion | Utilisations générales Normalement utilisé pour corps et papillon |
| ACIER INOXIDABLE A351-CF8M | Très bonne résistance à la corrosion | Circuits alimentaires, chimiques, pharmaceutiques, etc. |
| EPDM | Température de fonctionnement: de -25°C à +135°C. Non recommandé pour les hydrocarbures. | Eau (adoucie, industrielle, glycol, eau de mer), vapeur d'eau, ozone, bases et acides dilués, solvants acétoniques, alcool, soude caustique, agents atmosphériques. |
| NBR | Bonnes propriétés mécaniques (abrasion), bonne résistance aux huiles minérales, à certains hydrocarbures et aux solvants aliphatiques Température d'utilisation: de -23°C à +82°C. Déconseillé avec l'acétone, les cétones, les nitrates et les hydrocarbures chlorés. | Services généraux, air comprimé, eau froide, fluides hydrauliques, méthane, butane, pétrole, eau de mer, circuits de transport pneumatiques abrasifs, graisses animales et végétales. |
| NBR BLANC | Bonnes propriétés mécaniques (abrasion), bonne résistance aux huiles minérales, à certains hydrocarbures et aux solvants aliphatiques Température d'utilisation: de -23°C à +82°C. Déconseillé avec l'acétone, les cétones, les nitrates et les hydrocarbures chlorés. | Services généraux, air comprimé, eau froide, fluides hydrauliques, méthane, butane, pétrole, eau de mer, circuits de transport pneumatiques abrasifs. |
| NBR BIANCO POUR EAU POTABLE | Formulé spécifiquement pour une utilisation avec de l'eau destinée à la consommation humaine conformément et conformément au décret législatif 174/2004. Température de fonctionnement: de -23°C a +82°C. Déconseillé avec l'acétone, les cétones, les nitrates et les hydrocarbures chlorés. | Services généraux, air comprimé, eau froide, fluides hydrauliques, méthane, butane, pétrole, eau de mer, circuits de transport pneumatiques abrasifs. |
| NBR CARBOX | Bonnes propriétés mécaniques (abrasion), bonne résistance aux huiles minérales, à certains hydrocarbures et aux solvants aliphatiques Température de fonctionnement: de -10°C à +82°C. Déconseillé avec l'acétone, les cétones, les nitrates et les hydrocarbures chlorés. Excellente résistance à l'abrasion. | Fluides et poudres abrasifs |
| HNBR | Excellentes propriétés mécaniques (abrasion), bonne résistance aux huiles minérales, à certains hydrocarbures et aux solvants aliphatiques Température de fonctionnement: de -20°C a +120°C. Déconseillé avec l'acétone, avec des cétones, des nitrates et des hydrocarbures chlorés. | Services généraux, air comprimé, eau froide, fluides hydrauliques, méthane, butane, pétrole, eau de mer, circuits de transport pneumatiques abrasifs. |
| FKM | Très bonne résistance à: chaleur, lumière, agents atmosphériques, solvants bézoïques. Imperméable aux gaz. Déconseillé pour la vapeur et l'eau bouillante. Température de fonctionnement: de -10°C a +190°C. | Solvants (moins les acétoniques), hydrocarbures solides, combustibles oxygénants, acides, bases, fluides hydrauliques, huiles. |
| SILICON HAUTE TEMPÉRATURE | Très bonne résistance à l'eau surchauffée et à la vapeur (jusqu'à 150°) Température de fonctionnement: de -25°C a 160°C. | Air ou gaz chaud inerte (jusqu'à +180 °C), industrie agro-alimentaire, eau, vapeur. |
| PTFE ON EPDM | Très bonne résistance chimique aux solvants et aux produits corrosifs. Déconseillé pour les fluides abrasifs, les métaux alcalins (potassium, sodium), le fluor gazeux. Température de fonctionnement: -25 °C à +135 °C. | Industries alimentaires et chimiques avec des produits très corrosifs. |
| NB Le tableau ci-dessus montre les caractéristiques particulières et les applications spécifiques qui découlent de chaque matériau que OMAL met à votre disposition. Néanmoins, dans des situations inhabituelles (telles que des installations spéciales, le contact avec des fluides particuliers, des conditions extraordinaires de pression et de température, etc.), la variation des facteurs qui influencent la corrosion et l'abrasion peut altérer les performances des matériaux. Dans tous les cas, nous vous rappelons que le choix final du matériel reste du ressort du client et que notre service technique se fera un plaisir d'examiner chacun de vos besoins. | ||
COUPLES DE DÉMARRAGE en Nm | |||||||||||||||
| MESURE | DN 40 1"1/2 | DN 50 2" | DN 65 2"1/2 | DN 80 3" | DN 100 4" | DN 125 5" | DN 150 6" | DN 200 8" | DN 250 10" | DN 300 12" | DN 350 14" | DN 400 16" | DN 450 18" | DN 500 20" | DN 600 24" |
| PN 10 bar | 109 | 145 | 218 | 340 | 510 | 680 | 1020 | 1300 | |||||||
| PN 16 bar | 18 | 18 | 25 | 27 | 35 | 52 | 72 | 142 | 170 | 250 | |||||
DIAGRAMME PERTE DE CHARGE-DÉBIT
Exemple: recherche de perte de charge et de vitesse pour un débit d'eau de 0,1 m³/sec. dans une valve de 6’’ de diamètre
(DN 150) avec un angle d'ouverture de 90°.
1) Déterminez le point de rencontre des lignes de débit et de diamètre de la valve.
2) À partir de ce point, remontez verticalement jusqu'à ce qu'il rencontre la ligne des 90° et à partir du nouveau point trouvé tracez une ligne horizontale jusqu'à l'échelle de la perte de charge, pour trouver ainsi la valeur requise (0,038 bar).
3) À partir du point 1, en descendant verticalement sur l'échelle de vitesse, on peut lire la valeur de la vitesse du fluide (5 m/sec.)
INSTRUCTIONS DE MONTAGE
La distance entre les brides doit permettre l'introduction de la vanne sans que le joint ne les gêne. Pendant l'opération, le papillon doit être en position semi-fermée.
Une fois la valve positionnée entre les brides et avant le serrage des boulons, le papillon doit être en position ouverte. Sinon, le joint pourrait être endommagé ou déformé de façon permanente lors de la fermeture de la valve.
Exemple de montage incorrect: les brides ne sont pas suffisamment ouvertes, le joint peut se détériorer.
La valve papillon OMAL est montée entre les brides des tuyaux sans bagues d'étanchéité supplémentaires et est centrée par les tirants et les vis de fixation. Les diamètres des brides doivent être conformes aux valeurs indiquées.
D0 diamètre minimum de bride pour permettre le logement de la valve (dans le cas d'une valve parfaitement centrée)
D1 diamètre maximum de bride pour une utilisation optimale
D2 diamètre maximum possible de bride pour une utilisation en pression réduite. Dans ce cas et pour tout besoin, contactez notre bureau technique pour toute précision.
DIMENSIONS BRIDES | |||||||||||||||
| Diamètre | DN 40 | DN 50 | DN 65 | DN 80 | DN 100 | DN 125 | DN 150 | DN 200 | DN 250 | DN 300 | DN 350 | DN 400 | DN 450 | DN 500 | DN 600 |
| D0 [mm] | 30 | 36 | 51 | 67 | 93 | 119 | 143 | 196 | 247 | 297 | 329 | 376 | 426 | 475 | 573 |
| D1 [mm] | 45 | 57 | 69 | 82 | 107 | 133 | 154 | 206 | 257 | 310 | 338 | 390 | 441 | 492 | 596 |
| D2 [mm] | 51 | 68 | 80 | 93 | 116 | 148 | 170 | 221 | 276 | 327 | 346 | 399 | 450 | 500 | 602 |