images/testate/header-valvole-farfalla.jpg

Kelebek vana Item 385-386-387

Kelebek vana Item 385-386-387

“Lug” tipi flanş arasına montaj için dökme demir kelebek vana 

ITEM 385

Gövde: Dökme Demir
Lens: Dökme Demir
Contalar: tabloya bakınız
ITEM 386

Gövde: Dökme Demir
Lens: AISI 316
Contalar: tabloya bakınız
ITEM 387

Gövde: Dökme Demir
Lens: Alüminyum bronz
Contalar: tabloya bakınız

KONFİGÜRE İşlem
BİLGİ İSTEYİN
SAYFAYI YAZDIRIN
  • faydaları
  • özellikleri
  • boyutlar
  • malzemeler
  • şemalar ve başlangıç momentleri
  • özellikler
  • belgeler

1.  EN ISO 5211 standat vana başlığı
Herhangi bir sürücü ile kombinasyon kolaylığı

2. Mil üzerinde üç kılavuz burcu
Milin gövde üzerinde harika bir şekilde hizalanması ve yüksek basınçlarda bile salınımlardan kaçınılması
Mil ve gövde arasındaki sürtünme azaltılır.

3. Sert halka üzerinde vulkanize edilmiş conta
Conta kullanım sırasında daha az deforme olur
Muhtemel bakım işlemleri için contanın montajı/demontajı kolaylaştırılmıştır
Conta, montaj sırasında flanşlar arasında deformasyona uğramaz
Kalıplama aşamasında daha fazla boyutsal doğruluk

4. Sabitleme elemanları olmaksızın 2 parçalı mil
Lensin montajı/demontajı her türlü bakım işlemi için kolaylaştırılmıştır
Tek milli bir vanaya göre diskin daha ince orta kısmı sayesinde daha fazla Kv

5.Lens çevresi lepleme yüzey işlemi görmüş
Conta üzerinde daha iyi sızdırmazlık ve daha az aşınma
Disk ve conta arasındaki düşük sürtünme sayesinde daha az moment vardır

Geniş malzeme yelpazesi
Farklı uygulamalarda kullanım imkanı

ATEX Sertifikası
Potansiyel olarak patlayıcı bulunan ortamlarda kuruluma olanak sağlar

PED Sertifikası
Basınçlı cihazlar konusunda Avrupa güvenlik standartlarına tam uyum

GENEL ÖZELLİKLER:
DN 40 - DN 600 (lug DN 300) boyutlarında, wafer ve lug versiyonlarındaki mevcut OMAL kelebek vanalar, endüstrinin tüm sektörlerindeki uygulamaların çoğuyla başa çıkabilecek şekilde tasarlanmış ve üretilmiştir.

  • UNI EN593 standardına göre genel şartlar
  • EN 558 serisi 20 Standart ölçüler
  • EN 12266-1 rate A’ya göre 16 bar diferansiyel basınçlı sızdırmazlık.
  • Sert bir destek halkası üzerinde elastomer tabakanın vulkanizasyonuyla elde edilen yarı katı yekpare conta.
  • Vana gövdesine mükemmel bir şekilde yapışması ve ilave ek elemanlar olmadan flanşları kapatması için optimize edilmiş conta geometrisi. Flanşların sıkılması, ne çalışma momentini ne de vananın çalışmasını etkilemez.
  • Sızdırmazlığı optimize etmeyi, manevra momentini düşürmeyi ve contanın aşınmasını önemli ölçüde azaltmayı sağlayan leplenmiş kenarları sahip kelebeğin yüzey işlemi.
  • Milin üstündeki kılavuz burçlar.
  • Korozyon ve kırılma riski taşıyan noktaları ortadan kaldırmak için, sabitleme elemanları (vidalar, cıvatalar, pimler vb.) olmadan yapılan çift milli sap-lens bağlantısı.
  • Ayrıca bakım veya temizlik için her tür söküm kolaylığı.
  • EN ISO 5211 göre standardize edilmiş üste sahip vana boynu ile kolaylaştırılan (pnömatik, elektrikli, manüel) herhangi bir çalışma ile bağlantı.
  • Endüstriyel işlemlerde kullanılan akışkanların çoğu ile tam uyumluluk sağlaması amacıyla tüm detaylar uygun şekilde işlenmiştir.
  Bu katalog verileri ve özellikleri, önceden haber verilmeksizin teknik iyileştirme amacıyla değiştirilebilir olup bu nedenle tedarik amaçları için bağlayıcı nitelikte değildir.

STANDART UYGULAMALAR:
• Kullanılabilen aralık: DN 40 - DN 300 PN 10 - PN 16.
• Flanş standardı: PN 10=PN 16 DN 40’dan al DN 150’ye kadar; PN 10 veya PN 16 DN 200 ‘den DN 300’e kadar.
• İsteğe göre PN 16, DN 200 ile DN 300 arasında.
• UNI EN593 standardına göre genel şartlar
• EN 558 seri 20’ye göre standartlaştırılmış yüz yüze boyutlar.
• ISO 5211 standardındaki vana kafası.
• EN 12266-1 rate A’ya göre sızdırmazlık.
• İsteğe göre diğer kombinasyonlar.
• Contalar için çalışma sıcaklığı:
EPDM: -25°C ile +135°C arası;
NBR: -23°C ile +82°C arası;
FKM: -10°C ile +190°C;
PTFE (EPDM’e göre): -25°C ile +135°C.
• Flanş arası çalışma basıncı: PN 16 DN 40’dan al DN 150’ye kadar; PN 10 veya PN 16 DN 200 ‘den DN 300’e kadar.
• Epoksi kaplama kalınlığı: 160 ÷ 200 μ. RAL: 5015

İSTEĞE GÖRE UYGULAMALAR:

• Özel contalar için çalışma sıcaklığı:
SILIKON:  -25°C ile +160°C arası;
NBR CARBOX: -10°C ile +82°C arası;
NBR BEYAZ gıda sıvıları: -23°C ile +82°C arası;
HNBR: -20°C ile +120°C arası.
• Diğer uygulamalar için lütfen satış servisimiz ile iletişim kurunuz..

SERTİFİKALAR:

Avrupa Direktifi 2014/68/UE PED uygundur.
• Yakıt gazı (V386) için DVGW onayı.
• RINA onayı.
• 174 Sayılı Bakanlar Kararına uygunluk beyanı; Su ve gıda sıvıları ile temas için uygundur (V386).
• Avrupa Direktifi 2014/34 / AB ile uyumlu ATEX versiyonu.
• İsteğe göre ATEX sertifikası (Sadece DN200'e kadar olan PTFE contalı vanalar için).

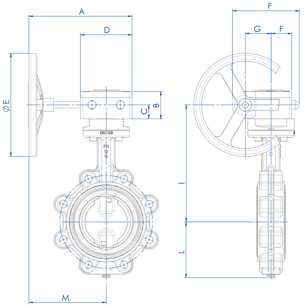
BOYUTLAR
ÖLÇÜ  
PN
A
B
ØC
ØD
ØE
ØF
□G
ØI
P
Q
R
S
ØT
U
ØZ
Delikler

DN [mm]
[inç]
DN 40
1"1/2
10-16
33
36
50
70
6,5
8,5
9
110
70
125
31
9
14,2
118
M16
4
DN 50
2"
10-16
43
46
50
70
6,5
8,5
9
125
80
140
31
9
14,2
125
M16
4
DN 65
2"1/2
10-16
46
49
50
70
6,5
8,5
11
145
86
152
33
11
14,2
139
M16
4
DN 80
3"
10-16
46
49
50
70
6,5
8,5
11
160
95,5
159
33
11
14,2
184
M16
8
DN 100
4"
10-16
52
56
50
70
6,5
8,5
11
180
108
178
33
11
14,2
204
M16
8
DN 125
5"
10-16
56
59
70

8,5

14
210
124,5
190,5
36
14
19
230
M16
8
DN 150
6"
10-16
56
59
70

8,5

14
240
137
203
36
14
19
266
M20
8
DN 200
8"
10
60
64
70

8,5

17
295
166
238
39
17
22,2
318
M20
8
DN 250
10"
10
68
72
102
125
11
13
17
350
199
268
50
17
28,5
395
M20
12
DN 300
12"
10
78
81,5
102
125
11
13
22
400
234
306
55
22
28,5
448
M20
12
DN 200
8"
16
60
64
70

8,5

17
295
166
238
39
17
22,2
329
M20
12
DN 250
10"
16
68
72
102
125
11
13
22
355
199
268
55
22
28,5
395
M24
12
DN 300
12"
16
78
81,5
102
125
11
13
22
410
234
306
55
22
28,5
448
M24
12

KOL ÖZELLİKLERİ
10 pozisyon çentik ayarlı kol:
Malzeme: alüminyum;
Harici işlem: boyalı (polyester);
Ağırlık: 0,3 ile 0,9 Kg arasında.
Her bir konumda kilitlenebilir.

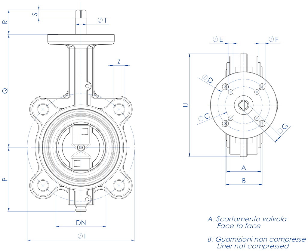
BOYUTLAR  
ÖLÇÜA
B
øC
D
Kg
DN [mm]
[inç]
DN 40
1" 1/2
188
70
90
160
2,5
DN 50
2"
203
80
90
160
3,4
DN 65
2" 1/2
225
86
90
220
4,3
DN 80
3"
230
95,5
90
220
5,5
DN 100
4"
250
108
90
220
6,6
DN 125
5"
277
124,5
90
350
9
DN 150
6"
290
137
90
350
11,4
DN 200
8"
325
166
90
350
17,5

REDÜKTÖR ÖZELLİKLERİ
Dişli pinyon ve sonsuz vida ile çalışan denenmiş kavrama mekanizması, .
Görsel bir gösterge vananın konumunu gösterir.
"RF0" redüktörler için alüminyum alaşımlı kasa, "RRM"RF0" redüktörler için alüminyum alaşımlı kasa, "RRM ..." redüktörler için dökme demir.
Dökme demir dişli pinyon.
İşlenmiş çelikten sonsuz vida.
Çelik el çarkı.
Dış kısım epoksi boya ile işlem görmüştür.

BOYUTLAR
ÖLÇÜ  
PN
A
B
C
D
ØE
F
G
H
I
L
M
Kg
DN [mm]
[inç]
DN 40
1"1/2
10-16
200
49
24
80
140
115
42
35
171,2
70
160
3,6
DN 50
2"
10-16
200
49
24
80
140
115
42
35
185,9
80
160
4,5
DN 65
2"1/2
10-16
200
54
27
100
200
130
50
40
201,6
86
150
5,9
DN 80
3"
10-16
200
54
27
100
200
130
50
40
208
95,5
150
7,1
DN 100
4"
10-16
200
54
27
100
200
130
50
40
227
108
150
8,2
DN 125
5"
10-16
200
54
27
100
200
130
50
40
239,7
124,5
150
10,2
DN 150
6"
10-16
200
54
27
100
200
130
50
40
252,4
137
150
12
DN 200
8"
10
250
70,5
40,5
140
300
175
60
60
300,7
166
180
21,6
DN 250
10"
10
250
70,5
40,5
140
300
175
60
60
342
199
180
29,8
DN 300
12"
10
250
70,5
40,5
140
300
175
60
60
380
234
180
45,1
DN 200
8"
16
250
70,5
40,5
140
300
175
60
60
300,7
166
180
21,6
DN 250
10"
16
250
70,5
40,5
140
300
175
60
60
342
199
180
29,8
DN 300
12"
16
250
70,5
40,5
140
300
175
60
60
380
234
180
45,1

MALZEMELER
1
GövdeA536 65-45-12 (GGG50) (EN-GJS-450-10 EN-JS 1040'a eşittir. )
2
Lens
A536 65-45-12 (GGG50) - A351 CF8M (316 S.S.)
3*
ContaEPDM-NBR
4
Kumanda miliA276 S42000 (420 S.S.) (X20CR13; 1.4021'a eşittir.)
5
Alt milA276 S42000 (420 S.S.) (X20CR13; 1.4021' eşittir.)
6*
Alt mil o-ringi
EPDM-NBR (FKM sadece belirliyse)
7*
Üst burç  
Eposksi reçine
8*
Kılavuz burç  
DN40 ile DN300 arası boyutları için PTFE'li epoksi reçine, Bronz için  DN350'den DN600'a kadar boyutlar.
9*
Elastik pimlerPaslanmaz çelik
10*
Mil O-ring
EPDM-NBR
* KGF yedek parça kitinin ayrıntıları.
Diğer malzemeler istek üzerine temin edilebilir. Bu ve diğer ihtiyaçlarınız için ofisimize danışın.

GÖVDE
DN40 - 600
DÖKME DEMİR A536 65-45-12*
EPOKSİ BOYA KAPLI
RAL 5015*


SAP
PASLANMAZ ÇELİK A276 S4200 *
PASLANMAZ ÇELİK  A564 TP 630

LENS
DN40 - 600
DÖKME DEMİR A536 65-45-12*
KİMYASAL NİKEL KAPLI

PASLANMAZ ÇELİK A351-CF8M (316 S.S.)*
PASLANMAZ ÇELİK A351-CF3M (316 S.S.) PARLATILMIŞ

BRONZ/ALÜMINYUM B148C95400 *

*Standard OMAL supply

CONTA
DN40 - 600
EPDM*
NBR*
DN40 - 300
FKM*
PTFE ON EPDM*

NBR BEYAZ
NBR BEYAZ SU İÇİN
HNBR
NBR CARBOX
SILIKON

MALZEMELERİN KULLANIM KLAVUZU
MALZEME
ÖZELLİK
UYGULAMALAR
DÖKME DEMİR A536 65-45-12
Çelikle karşılaştırılabilir mekanik direnç.
Çalışma sıcaklığ: 25°C ila +250°C.
Genel kullanımlar normalde gövde ve kelebek için kullanılır.
BRONZ - ALÜMİNYUM
Korozyona karşı dirençli
Aşındırıcı sıvılar, deniz suyu
RILSAN KAPLAMA
Korozyona karşı çok iyi dirençliGenel kullanımlar normalde gövde ve kelebek için kullanılır.
PASLANMAZ ÇELİK A351-CF8M
Korozyona karşı çok iyi dirençli
Gıda, kimyasal ve farmasötik endüstriler..
EPDM
Çalışma sıcaklığı: -25°C'den +135°C'e kadar.
Hidrokarbonlar için önerilmez.
Su (yumuşatılmış, endüstriyel, glikol, deniz suyu), su buharı, ozon, seyreltilmiş bazlar ve asitler, aseton çözücüler, alkol, kostik soda, atmosferik etkenler
NBR
İyi mekanik özellikler (aşınma), mineral yağlara, bazı hidrokarbonlara ve alifatik solventlere karşı iyi direnç. -23°C ile +82°C arası, Aseton, ketonlar, nitratlar ve klorlu hidrokarbonlar ile önerilmez.
Genel hizmetler, basınçlı hava, soğuk su, hidrolik sıvılar, metan, bütan, petrol, deniz suyu, aşındırıcı pnömatik taşıma devreleri, hayvansal ve bitkisel yağlar.
NBR BIANCO
İyi mekanik özellikler (aşınma), mineral yağlara, bazı hidrokarbonlara ve alifatik solventlere karşı iyi sızdırmazlık.
Çalışma sıcaklığı: -23°C ile +82°C arası, Aseton, ketonlar, nitratlar ve klorlu hidrokarbonlar ile önerilmez.
Genel hizmetler, basınçlı hava, soğuk su, hidrolik sıvılar, metan, bütan, petrol, deniz suyu, aşındırıcı pnömatik taşıma devreleri.
NBR BIANCO PER ACQUA POTABILE
174/2004.Sayılı Kanun Hükmünde Kararname uyarınca ve bunlara uygun olarak insan tüketimine yönelik su ile kullanılmak üzere özel olarak formüle  edilmiştir.
Çalışma sıcaklığı: -23°C ile +82°C arası, Aseton, ketonlar, nitratlar ve klorlu hidrokarbonlar ile önerilmez
Genel hizmetler, basınçlı hava, soğuk su, hidrolik sıvılar, metan, bütan, petrol, deniz suyu, aşındırıcı pnömatik taşıma devreleri.
NBR CARBOX
İyi mekanik özellikler (aşınma), mineral yağlara, bazı hidrokarbonlara ve alifatik
solventlere karşı iyi direnç
Çalışma sıcaklığı: -10°C ile +82°C arası, Aseton, ketonlar, nitratlar ve
klorlu hidrokarbonlar ile önerilmez
Mükemmel aşınma direnci.
Aşındırıcı sıvılar ve tozlar
HNBR
Mükemmel mekanik özellikler (aşınma), bazı hidrokarbonlara ve alifatik solventlere karşı mineral yağlara karşı iyi direnç
Çalışma sıcaklığı: -20°C ile +120°C arası, Aseton, ketonlar, nitratlar ve
klorlu hidrokarbonlar ile önerilmez
Genel hizmetler, basınçlı hava, soğuk su, hidrolik sıvılar, metan, bütan, petrol, deniz suyu, aşındırıcı pnömatik taşıma devreleri, hayvansal ve bitkisel yağlar.
FKM
Isıya, ışığa, atmosferik etkenlere, bezoik solventlere karşı çok iyi direnç. Gaz geçirmezdir. Buhar ve kaynar su için önerilmez. Çalışma sıcaklığı: -10°C ile +190°C arası.
Solventler (daha az asetonikler), katı hidrokarbonlar, oksijenli yakıtlar, asitler, bazlar, hidrolik sıvılar, yağlar.
SILICONE PER ALTA TEMPERATURA
Sıcak su ve buhara karşı yüksek direnç (150° ye kadar)
Çalışma sıcaklığı: -25°C ile 160°C arası.
Hava ya da sıcak atıl gaz (+180°C), gıda endüstrisi, su, buhar.
PTFE ON EPDM
Solventlere ve aşındırıcı ürünlere karşı çok iyi kimyasal direnç. Aşındırıcı sıvılar, alkalin metaller (potasyum, sodyum), gaz halindeki flor için önerilmez. Çalışma sıcaklığı: -25°C ile +135°C.
Oldukça aşındırıcı ürünler içeren gıda ve kimya endüstrileri.
NOT: Yukarıdaki tablo, OMAL'ın size sunduğu her bir malzemenin spesifik özelliklerini ve bunun sonucunda ortaya çıkan spesifik uygulamaları göstermektedir. Bununla birlikte, olağandışı durumlarda (özel tesisatlar, belirli sıvılarla temas, olağanüstü basınç ve sıcaklık koşulları, vb.), korozyon ve aşınmayı etkileyen faktörlerin değişimi malzemelerin performansını değiştirebilir. Her halükarda, son malzeme seçiminin müşteriye bağlı olduğunu ve teknik ofisimizin ihtiyaçlarınızı incelemekten memnuniyet duyacağını hatırlatırız.

Nm cinsinden BAŞLANGIÇ MOMENTLERİ   
ÖLÇÜ  
DN 40 1"1/2
DN 50
2"
DN 65 2"1/2
DN 80
3"
DN 100
4"
DN 125
5"
DN 150
6"
DN 200
8"
DN 250
10"
DN 300
12"

PN 10 bar
15
15
17
19
27
36
54
109
145
218
PN 16 bar
18
18
25
27
35
52
72
142
170
250


moment değerleri, sıcaklığa ve akışkanın türüne bağlı olarak değişebilir.. ‘1.4’e eşdeğer  olan bir emniyet faktörünü dikkate alınız.
Sık açılma ve kapanma döngülerinde hareket momenti başlangıçtakine nazaran önemli ölçüde azalmaktadır. İlerleyen sayfalarda gösterilen aktüatör/vana bağlantıları, sıvı veya gaz akışkanları kesen, temiz ve orta sıcaklıklardaki vanalar için yapılmıştır. Daha fazla bilgi veya farklı kullanımlar için teknik servisimize danışınız.

YÜK - AKIŞ HIZI BASINÇ DÜŞÜŞÜ ŞEMASI

Örnek: 6 "çapındaki bir vanada 0,1 m3 / sn su akışı hızı için basınç düşüşü ve hızı araştırması
(DN 150)  90° açılma açısı ile.
1) Vananın akış hızı ve çap çizgilerinin buluşma noktasını belirleyin.
2) Bu noktadan sonra, 90° çizgisini karşılayana kadar dikey olarak yukarı çıkın ve bulunan yeni noktadan basınç düşüşü ölçeğine kadar yatay bir çizgi çizin, böylece istenen değeri bulun (0.038 bar).
3) Hız ölçeğine dikey olarak inen 1. noktadan, sıvı hızı değerini okuyabiliriz (5 m/sn.)

MONTAJ TALİMATI

Flanşlar arasındaki mesafe, conta onlara müdahale etmeksizin vananın girişine izin vermelidir. İşlem sırasında kelebek yarı kapalı konumda olmalıdır.

Vanayı flanşlar arasına yerleştirdikten sonra, ancak cıvataları vidalamadan önce kelebek “ açık” durum. Aksi takdirde, valfi kapatırken contaya zarar verebilir veya kalıcı olarak deforme olabilirsiniz.

Doğru olmayan montaj örneği: flanşlar yeterince açık değil, conta bozulabilir.

OMAL kelebek vanası, ek sızdırmazlık halkaları olmaksızın boruların flanşları arasına monte edilir ve bağlantı çubukları ve sabitleme vidaları ile merkezlenir. Flanş çapları belirtilen değerlere uygun olmalıdır.
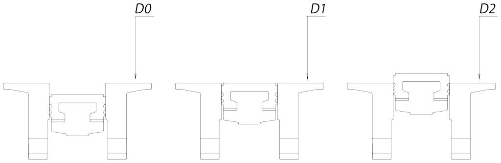
D0 vananın yerleştirilmesine izin vermek için minimum flanş çapı (kusursuz bir şekilde merkezlenmiş bir vana olması durumunda)
D1 en iyi kullanım için maksimum flanş çapı
D2 düşük basınçta kullanım için maksimum flanş çapı. Bu durumda ve her türlü ihtiyaca yönelik açıklamalar konusunda teknik ofisimize başvurunuz.

FLANŞ BOYUTLARI 
ÇAPDN 40
DN 50
DN 65
DN 80
DN 100
DN 125
DN 150
DN 200
DN 250
DN 300
DN 350
DN 400
DN 450
DN 500
DN 600
D0 [mm]
30
36
51
67
93
119
143
196
247
297
329
376
426
475
573
D1 [mm]
45
57
69
82
107
133
154
206
257
310
338
390
441
492
596
D2 [mm]
51
68
80
93
116
148
170
221
276
327
346
399
450
500
602

KONFİGÜRE SÜRÜCÜ
Arama parametrelerini seçin
MAKALE ARAYIN
X KAPAT

GELECEK ETKİNLİK

IVS - Industrial Valve Summit 2026
IVS - Industrial Valve Summit 2026
Bergamo, Italy, 19 - 21 may 2026