images/testate/header-valvole-farfalla.jpg

Valvola a farfalla Item 385-386-387

Valvola a farfalla Item 385-386-387

Valvola a farfalla in ghisa per montaggio tra flange tipo “Lug”

ITEM 385
Corpo: Ghisa
Lente: Ghisa
Guarnizioni: vedere tabella
ITEM 386
Corpo: Ghisa
Lente: AISI 316
Guarnizioni: vedere tabella
ITEM 387
Corpo: Ghisa
Lente: Bronzo Alluminio
Guarnizioni: vedere tabella

CONFIGURA Azionamento
RICHIEDI INFORMAZIONI
STAMPA PAGINA
  • benefits
  • caratteristiche
  • dimensioni
  • materiali
  • diagrammi e coppie di spunto
  • specifiche
  • documenti

1. Testa valvola normalizzata EN ISO 5211
Facilità di accoppiamento con qualsiasi azionamento

2. Tre boccole guida sull'albero
Si ha un perfetto allineamento dell'albero sul corpo e si evitano oscillazioni anche con alte pressioni
Si riduce l'attrito tra albero e corpo

3. Guarnizione vulcanizzata su anello rigido
La guarnizione subisce minor deformazione durante l'utilizzo
Viene facilitato il montaggio/smontaggio della tenuta per eventuali manutenzioni
La guarnizione non subisce deformazione tra le flange durante l'assemblaggio
Maggior accuratezza dimensionale durante la fase di stampaggio

4. Albero in 2 pezzi senza elementi di fissaggio
Viene facilitato il montaggio/smontaggio della lente per eventuali manutenzioni
Maggior Kv grazie alla sezione centrale del disco più sottile rispetto ad una valvola con un unico albero

5.Circonferenza della lente con finitura lappata
Miglior tenuta e minor usura della guarnizione
Si ha una coppia minore grazie al minor attrito tra disco e guarnizione

Vasta gamma di materiali
Possibilità di utilizzo su diverse applicazioni

Certificato ATEX
Ne consente l'installazione in presenza di ambiente potenzialmente esplosivo

Certificato PED
Piena conformità alle norme di sicurezza europee per i dispositivi in pressione

CARATTERISTICHE GENERALI:
Le valvole a farfalla OMAL, disponibili nelle versioni wafer e lug nelle misure da DN 40 a DN 600 (lug DN 300) , sono studiate e realizzate per far fronte alla maggioranza delle applicazioni in tutti i settori dell’industria

  • Requisiti generali in accordo UNI EN593
  • Scartamenti normalizzati EN 558 serie 20
  • Tenuta secondo EN 12266-1 rate A con una pressione differenziale di 16 bar.
  • Guarnizione integrale semirigida ottenuta mediante vulcanizzazione dello strato di elastomero su un anello rigido di supporto.
  • Geometria della guarnizione ottimizzata per una perfetta aderenza al corpo valvola e tenuta sulle flange senza ulteriori elementi aggiuntivi. Il serraggio delle flange non influisce sulla coppia di azionamento né sul funzionamento della valvola stessa.
  • Finitura della farfalla con bordi lappati che permette di ottimizzare la tenuta, di ridurre la coppia di manovra e di diminuire sensibilmente l’usura della guarnizione.
  • Bussole guida sull’albero.
  • Accoppiamento stelo-lente con doppio albero realizzato senza elementi di fissaggio (viti, bulloni, spine ecc..) onde eliminare punti a rischio di corrosione e rottura.
  • Facilitati inoltre eventuali disassemblaggi per manutenzioni o pulizia.
  • Accoppiamento con qualsiasi azionamento (pneumatico, elettrico, manuale, ecc..) facilitato dal collo valvola con piano normalizzato EN ISO 5211.
  • Tutti i particolari sono adeguatamente trattati per garantire piena compatibilità con la maggior parte dei fluidi utilizzati nei processi industriali.

I dati e le caratteristiche di questo catalogo potrebbero essere variati a scopo di miglioramento tecnico anche senza preavviso e pertanto, non sono vincolanti ai fini della fornitura.

ESECUZIONI STANDARD:
• Gamma disponibile: dal DN 40 al DN 300 PN 10 - PN 16.
• Flangiatura standard: PN 10=PN 16 dal DN 40 al DN 150; PN 10 o PN 16 dal DN 200 al DN 300.
• A richiesta PN 16 dal DN 200 al DN 300.
• Requisiti generali in accordo a UNI EN593.
• Ingombri da faccia a faccia normalizzati EN 558 serie 20.
• Testa della valvola normalizzata ISO 5211.
• Tenuta secondo EN 12266-1 rate A.
• Altre combinazioni a richiesta.
• Temperatura di utilizzo per le guarnizioni:
EPDM: da -25°C a +135°C;
NBR: da -23°C a +82°C;
FKM: da -10°C a +190°C;
PTFE (su base EPDM): da -25°C a +135°C.
• Pressione di utilizzo tra flange: PN 16 bar dal DN 40 al DN 150; PN 10 o PN 16 bar dal DN 200 al DN 300.
• Spessore rivestimento epossidico: 160 ÷ 200 μ. RAL: 5015

ESECUZIONI A RICHIESTA:
• Temperatura di utilizzo per guarnizioni speciali:
SILICONE: da -25°C a +160°C;
NBR CARBOX: da -10°C a +82°C;
NBR BIANCO per fluidi alimentari: da -23°C a +82°C;
HNBR: da -20°C a +120°C.
• Per altre applicazioni contattare il nostro ufficio commerciale.

CERTIFICAZIONI:
Conforme alla direttiva Europea 2014/68/UE “PED”.
• Omologazione DVGW per gas combustibile (V386).
• Omologazione RINA.
• Dichiarazione conformità al D.M.n°174; Idoneita al contatto con acqua e fluidi alimentari (V386).
• Versione ATEX in conformità alla Direttiva Europea 2014/34/UE.
• Certificato ATEX a richiesta (Per le valvole con guarnizione in PTFE solo fino alla DN200).

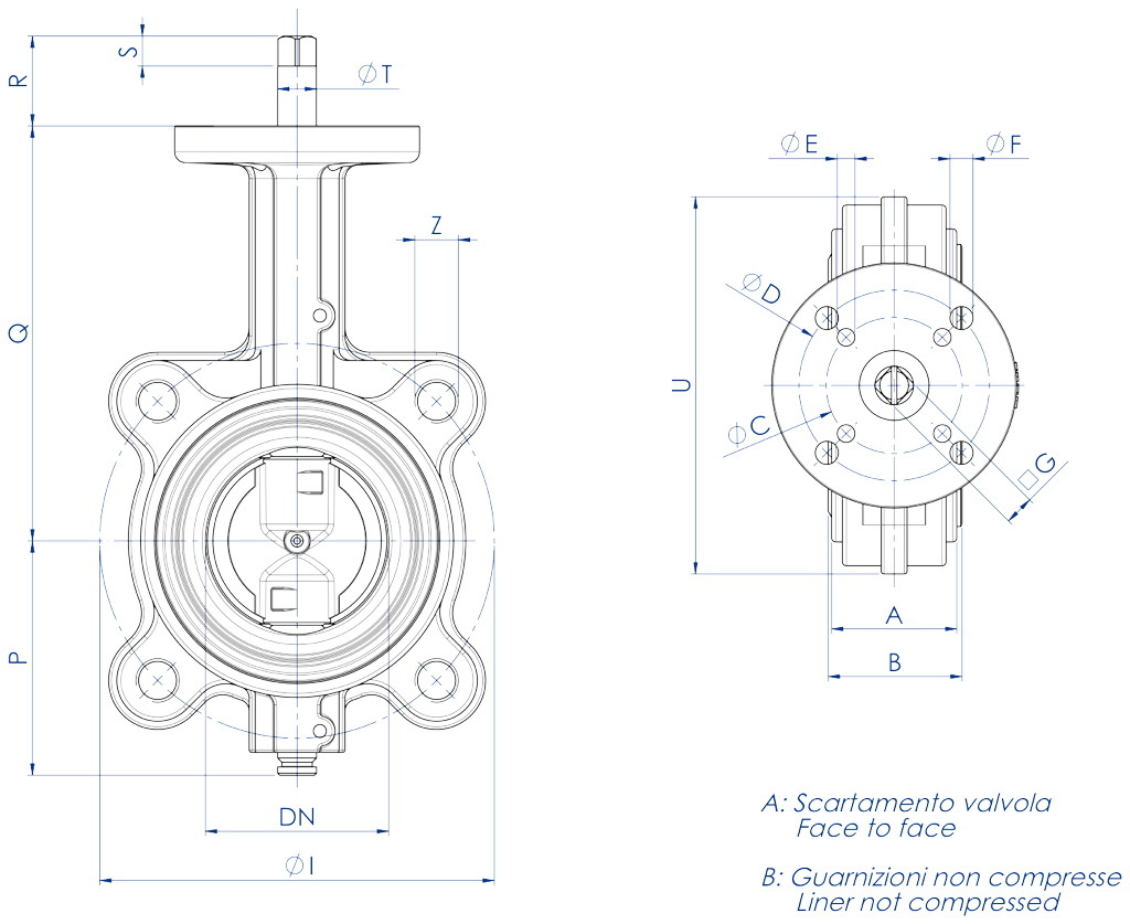
DIMENSIONI  
MISURA  
PN
A
B
ØC
ØD
ØE
ØF
□G
ØI
P
Q
R
S
ØT
U
ØZ
Fori

DN [mm]
[inch]
DN 40
1"1/2
10-16
33
36
50
70
6,5
8,5
9
110
70
125
31
9
14,2
118
M16
4
DN 50
2"
10-16
43
46
50
70
6,5
8,5
9
125
80
140
31
9
14,2
125
M16
4
DN 65
2"1/2
10-16
46
49
50
70
6,5
8,5
11
145
86
152
33
11
14,2
139
M16
4
DN 80
3"
10-16
46
49
50
70
6,5
8,5
11
160
95,5
159
33
11
14,2
184
M16
8
DN 100
4"
10-16
52
56
50
70
6,5
8,5
11
180
108
178
33
11
14,2
204
M16
8
DN 125
5"
10-16
56
59
70

8,5

14
210
124,5
190,5
36
14
19
230
M16
8
DN 150
6"
10-16
56
59
70

8,5

14
240
137
203
36
14
19
266
M20
8
DN 200
8"
10
60
64
70

8,5

17
295
166
238
39
17
22,2
318
M20
8
DN 250
10"
10
68
72
102
125
11
13
17
350
199
268
50
17
28,5
395
M20
12
DN 300
12"
10
78
81,5
102
125
11
13
22
400
234
306
55
22
28,5
448
M20
12
DN 200
8"
16
60
64
70

8,5

17
295
166
238
39
17
22,2
329
M20
12
DN 250
10"
16
68
72
102
125
11
13
22
355
199
268
55
22
28,5
395
M24
12
DN 300
12"
16
78
81,5
102
125
11
13
22
410
234
306
55
22
28,5
448
M24
12

CARATTERISTICHE DELLA LEVA
Leva con regolazione dentellata a 10 posizioni:
Materiale: alluminio;
Trattamento esterno: verniciata (poliestere);
Peso: da 0,3 a 0,9 Kg.
Lucchettabile in ogni posizione.

DIMENSIONI   
MISURA
A
B
øC
D
Kg
DN [mm]
[inch]
DN 40
1" 1/2
188
70
90
160
2,5
DN 50
2"
203
80
90
160
3,4
DN 65
2" 1/2
225
86
90
220
4,3
DN 80
3"
230
95,5
90
220
5,5
DN 100
4"
250
108
90
220
6,6
DN 125
5"
277
124,5
90
350
9
DN 150
6"
290
137
90
350
11,4
DN 200
8"
325
166
90
350
17,5

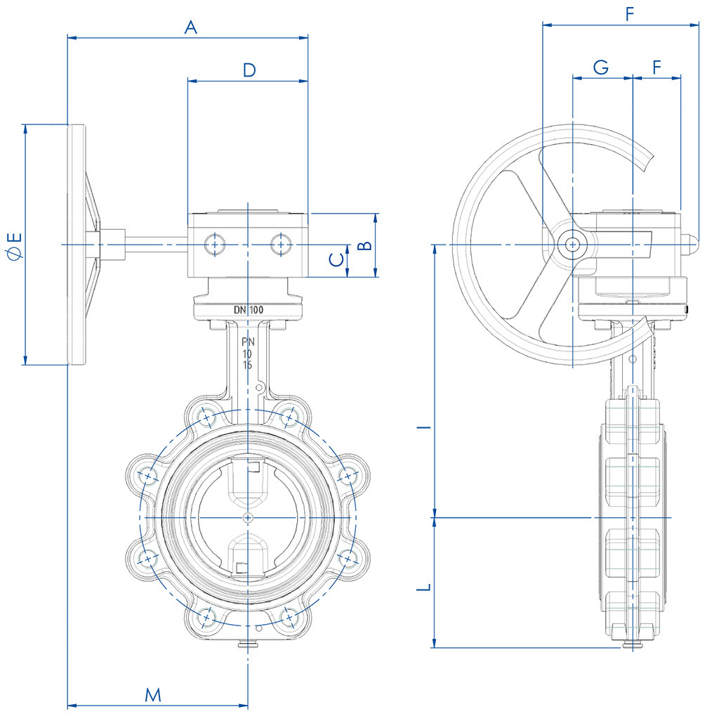
CARATTERISTICHE DEL RIDUTTORE
Meccanismo di concezione sperimentata, funzionante tramite pignone dentato e vite senza fine.
Un indicatore visivo dà la posizione della valvola.
Carter in lega di alluminio per i riduttori "RF0", in ghisa per i riduttori "RRM...".
Pignone dentato in ghisa.
Vite senza fine in acciaio trattato.
Volantino in acciaio.
Esterno trattato con vernice epossidica.

DIMENSIONI   
MISURA  
PN
A
B
C
D
ØE
F
G
H
I
L
M
Kg
DN [mm]
[inch]
DN 40
1"1/2
10-16
200
49
24
80
140
115
42
35
171,2
70
160
3,6
DN 50
2"
10-16
200
49
24
80
140
115
42
35
185,9
80
160
4,5
DN 65
2"1/2
10-16
200
54
27
100
200
130
50
40
201,6
86
150
5,9
DN 80
3"
10-16
200
54
27
100
200
130
50
40
208
95,5
150
7,1
DN 100
4"
10-16
200
54
27
100
200
130
50
40
227
108
150
8,2
DN 125
5"
10-16
200
54
27
100
200
130
50
40
239,7
124,5
150
10,2
DN 150
6"
10-16
200
54
27
100
200
130
50
40
252,4
137
150
12
DN 200
8"
10
250
70,5
40,5
140
300
175
60
60
300,7
166
180
21,6
DN 250
10"
10
250
70,5
40,5
140
300
175
60
60
342
199
180
29,8
DN 300
12"
10
250
70,5
40,5
140
300
175
60
60
380
234
180
45,1
DN 200
8"
16
250
70,5
40,5
140
300
175
60
60
300,7
166
180
21,6
DN 250
10"
16
250
70,5
40,5
140
300
175
60
60
342
199
180
29,8
DN 300
12"
16
250
70,5
40,5
140
300
175
60
60
380
234
180
45,1

MATERIALI    
1
Corpo  
A536 65-45-12 (GGG50) (Equivalente a  EN-GJS-450-10 EN-JS 1040)
2
Lente  
A536 65-45-12 (GGG50) - A351 CF8M (316 S.S.)
3*
Guarnizione
EPDM-NBR
4
Albero di comando
A276 S42000 (420 S.S.) (Equaivalente a  X20CR13; 1.4021)
5
Albero inferiore
A276 S42000 (420 S.S.) (Equaivalente a  X20CR13; 1.4021)
6*
O-ring inferiore
EPDM-NBR (FKM solo se particolare)
7*
Boccola superiore  
Resina epossidica  
8*
Boccole guida  
Resina epossidica con PTFE per le misure da DN40 a DN300, Bronzo per le misure da DN350 a DN600
9*
Spine elastiche  
Acciaio inox  
10*
O-ring albero  
EPDM-NBR
* Particolari del kit di ricambio KGF.
A richiesta sono disponibili altri materiali. Per questi e per altre esigenze consultare i nostri uffici.

CORPO
DN40 - 600
GHISA A536 65-45-12*
RIVESTITO VERN. EPOSSIDICA
RAL 5015*

STELO
ACCIAIO INOX A276 S4200 *
ACCIAIO INOX A564 TP 630

LENTE
DN40 - 600
GHISA A536 65-45-12*
RIVESTITO NICHEL CHIMICO

ACCIAIO INOX A351-CF8M (316 S.S.)*
ACCIAIO INOX A351-CF3M (316L S.S.) LUCIDATO

BRONZO/ALLUMINIO B148C95400 *

*Fornitura OMAL standard

GUARNIZIONE

DN40 - 600
EPDM*
NBR*
DN40 - 300
FKM*
PTFE ON EPDM*

NBR BIANCO
NBR BIANCO PER ACQUA
HNBR
NBR CARBOX
SILICONE

GUIDA ALL’UTILIZZO DEI MATERIALI
MATERIALE
CARATTERISTICHE
APPLICAZIONI
GHISA A536 65-45-12
Resistenza meccanica paragonabile a quella dell’acciaio.
Temperatura di utilizzo: da -25°C a +250°C.
Impieghi generici
Normalmente usata per corpo e farfalla
BRONZO - ALLUMINIO
Buona resistenza alla corrosione
Fluidi corrosivi, acqua di mare
ACCIAIO INOX A351-CF8M
Resistenza molto buona alla corrosione
Circuiti alimentari, chimici, farmaceutici ecc.
EPDM
Temperatura di utilizzo: da -25°C a +135°C.
Sconsigliato per idrocarburi.
Acqua (addolcita, industriale, glicole, di mare), vapore acqueo, ozono, basi e acidi diluiti, solventi acetonici, alcool, soda caustica, agenti atmosferici
NBR
Buone proprietà meccaniche (abrasione), buona tenuta agli olii minerali a certi idrocarburi e ai solventi alifatici Temperatura di utilizzo: -23°C a +82°C. Sconsigliato con acetone, con chetoni, nitrati e idrocarburi clorurati.
Servizi generali, aria compressa, acqua fredda, fluidi idraulici, metano, butano, petrolio, acqua di mare, circuiti abrasivi di trasporto pneumatico, grassi animali e
vegetali.
NBR BIANCO
Buone proprietà meccaniche (abrasione), buona tenuta agli olii minerali a certi idrocarburi e ai solventi alifatici
Temperatura di utilizzo: -23°C a +82°C. Sconsigliato con acetone, con chetoni, nitrati e idrocarburi clorurati.
Servizi generali, aria compressa, acqua fredda, fluidi idraulici, metano, butano, petrolio, acqua di mare e circuiti abrasivi di trasporto pneumatico.
NBR BIANCO PER ACQUA POTABILE
Specificamente formulato per impiego con acqua destinata al consumo umano in accordo ed in conformità al D.L. 174/2004.
Temperatura di utilizzo: -23°C a +82°C. Sconsigliato con acetone, con chetoni, nitrati e idrocarburi clorurati.
Servizi generali, aria compressa, acqua fredda, fluidi idraulici, metano, butano, petrolio, acqua di mare e circuiti abrasivi di trasporto pneumatico.
NBR CARBOX
Buone proprietà meccaniche (abrasione), buona tenuta agli olii
minerali a certi idrocarburi e ai solventi alifatici
Temperatura di utilizzo: -10°C a +82°C. Sconsigliato con acetone,
con chetoni, nitrati e idrocarburi clorurati.
Eccellente resistenza all’abrasione.
Fluidi e polveri abrasive
HNBR
Eccellenti proprietà meccaniche (abrasione), buona tenuta agli olii minerali a certi idrocarburi e ai solventi alifatici
Temperatura di utilizzo: -20°C a +120°C. Sconsigliato con acetone,
con chetoni, nitrati e idrocarburi clorurati.
Servizi generali, aria compressa, acqua fredda, fluidi idraulici, metano, butano, petrolio, acqua di mare e circuiti abrasivi di trasporto pneumatico.
FKM
Resistenza molto buona a: calore, luce, agenti atmosferici, solventi bezoici. Impermeabile ai gas. Sconsigliato per vapore e acqua bollente. Temperatura di utilizzo: -10°C a +190°C.
Solventi (meno gli acetonici), idrocarburi solidi, carburanti ossigenanti, acidi, basi, fluidi idraulici, olii.
SILICONE PER ALTA TEMPERATURA
Resistenza molto buona per acqua surriscaldata e vapore (fino a 150°)
Temperatura di utilizzo: -25°C a 160°C.
Aria o gas inerte caldo (fino a +180°C), industrie alimentari, acqua, vapore.
PTFE ON EPDM
Resistenza chimica molto buona a solventi e prodotti corrosivi. Sconsigliato per fluidi abrasivi, metalli alcalini (potassio, sodio), fluoro gassoso. Temperatura di utilizzo: -25°C a +135°C.
Industrie alimentari e chimiche con prodotti molto corrosivi.
N.B. Nella tabella sopra sono riportate le caratteristiche peculiari, e le conseguenti applicazioni specifiche, di ogni materiale che OMAL Vi mette a disposizione. Ciononostante, in situazioni inusuali (come installazioni speciali, contatti con fluidi particolari, condizioni straordinarie di pressione e temperatura, ecc..), la variazione dei fattori che influenzano corrosione e abrasione, può alterare le prestazioni dei materiali. In ogni caso, Vi ricordiamo che spetta comunque al cliente la scelta finale del materiale e che il nostro ufficio tecnico sarà lieto di esaminare qualsiasi Vostra esigenza.

COPPIE DI SPUNTO in Nm    
MISURA  
DN 40 1"1/2
DN 50
2"
DN 65 2"1/2
DN 80
3"
DN 100
4"
DN 125
5"
DN 150
6"
DN 200
8"
DN 250
10"
DN 300
12"

PN 10 bar
15
15
17
19
27
36
54
109
145
218
PN 16 bar
18
18
25
27
35
52
72
142
170
250


I valori della coppia possono variare in funzione della temperatura e del tipo di fluido. Considerare un fattore di sicurezza pari a 1,4.
Con frequenti cicli di apertura e chiusura la coppia di manovra può diminuire sensibilmente rispetto a quella iniziale. Gli accoppiamenti attuatore/valvola, riportati nelle pagine seguenti, sono realizzati per valvole che intercettano fluidi liquidi o gassosi, puliti e per medie temperature. Per maggiori informazioni, o utilizzi diversi, consultare il nostro ufficio tecnico.

DIAGRAMMA PERDITA DI CARICO-PORTATA

Esempio: ricerca della perdita di carico e della velocità per una portata d’acqua pari a 0,1 m3/sec. in una valvola di diametro 6”
(DN 150) con un angolo di apertura di 90°.
1) Determinare il punto di incontro delle linee di portata e diametro della valvola.
2) Da questo punto, salire con la verticale fino ad incontrare la retta dei 90° e dal nuovo punto trovato tracciare una linea orizzontale fino alla scala della perdita di carico, trovando così il valore richiesto (0,038 bar).
3) Dal punto 1, scendendo in verticale sulla scala della velocità, possiamo leggere il valore della velocità del fluido (5 m/sec.)

ISTRUZIONI PER IL MONTAGGIO

La distanza tra le flange deve permettere l’introduzione della valvola senza che la guarnizione interferisca con le stesse. Durante l’operazione la farfalla deve trovarsi in posizione semichiusa.

Dopo il posizionamento della valvola tra le flange e prima del serraggio dei bulloni, la farfalla deve essere in posizione aperta. In caso contrario si rischia di danneggiare o deformare in maniera permanente la guarnizione durante la chiusura della valvola

Esempio di montaggio non corretto: le flange non sono sufficientemente aperte, la guarnizione può deteriorarsi.

La valvola a farfalla OMAL si monta tra le flange delle tubazioni senza ulteriori anelli di tenuta e viene centrata dai tiranti e dalle viti di fissaggio. I diametri delle flange devono essere conformi ai valori indicati.
D0 diametro minimo della flangia per consentire l’alloggiamento della valvola (nel caso di valvola perfettamente centrata)
D1 diametro massimo della flangia per un’utilizzazione ottimale
D2 diametro massimo possibile della flangia per un’utilizzazione in pressione ridotta. In questo caso e per ogni necessità contattare il nostro ufficio tecnico per eventuali chiarimenti.

DIMENSIONI FLANGE  
Diametro
DN 40
DN 50
DN 65
DN 80
DN 100
DN 125
DN 150
DN 200
DN 250
DN 300
DN 350
DN 400
DN 450
DN 500
DN 600
D0 [mm]
30
36
51
67
93
119
143
196
247
297
329
376
426
475
573
D1 [mm]
45
57
69
82
107
133
154
206
257
310
338
390
441
492
596
D2 [mm]
51
68
80
93
116
148
170
221
276
327
346
399
450
500
602

CONFIGURA AZIONAMENTO
Seleziona i parametri di ricerca
CERCA ARTICOLO
X CHIUDI

PROSSIMO EVENTO

IVS - Industrial Valve Summit 2026
IVS - Industrial Valve Summit 2026
Bergamo, Italia, 19 - 21 maggio 2026