images/testate/header-valvole-farfalla.jpg

Absperrklappe Item 385-386-387

Absperrklappe Item 385-386-387

Absperrklappe aus Gusseisen als Zwischenflanschausführung „Lug“
 
ITEM 385 
Gehäuse: Gusseisen
Klappenscheibe: Gusseisen
Dichtungen: siehe Tabelle
ITEM 386 
Gehäuse: Gusseisen
Klappenscheibe: AISI 316
Dichtungen: siehe Tabelle
ITEM 387
Gehäuse: Gusseisen
Klappenscheibe: Aluminiumbronze
Dichtungen: siehe Tabelle

KONFIGURIEREN Steuerung
INFORMATIONEN ANFORDERN
SEITE DRUCKEN
  • vorteile
  • eigenschaften
  • abmessungen
  • werkstoffe
  • diagramme und anlaufmomente
  • merkmale
  • dokumente

1. Kopfflansch genormt nach EN ISO 5211
Vereinfachte Kopplung mit jedem Antriebstyp

2. Drei Buchsen auf der Welle
Perfekte Achseneinstellung von der Welle auf dem Gehäuse und Schwankungen werden auch bei hohen Drücken vermieden
Geringerer Abrieb zwischen Welle und Gehäuse

3. Vulkanisierte Dichtung auf festem Ring
Weniger Verformung der Dichtung.  
Einfacher Ein-/Ausbau der Dichtung bei Wartungsarbeiten
Keine Verformung der Dichtung während des Einbaus zwischen den Flanschen
Höhere Maßgenauigkeit während des Spritzgussverfahrens
 
4. Zweiteilige Welle ohne Befestigungselemente
Leichterer Ein- und Ausbau der Klappenscheibe bei der Wartung
Höherer Kv dank des Mittelteils der Klappe, der dünner als bei einer Armatur mit einer einzigen Welle ist 

5. Gelappter Rand der Klappenscheibe
Höhere Dichte und geringerer Verschleiß der Dichtung
Niedrigeres Drehmoment durch die geringere Reibung zwischen Klappenscheibe und Dichtung

Weite Palette von Werkstoffen
Nutzungsmöglichkeit in verschiedenen Anwendungen

ATEX-Zertifikat
Gestattet die Einrichtung in explosionsgefährdeter Umgebung

PED-Zertifikat
Volle Übereinstimmung mit der EU-Sicherheitsrichtlinie für Druckgeräte

ALLGEMEINE EIGENSCHAFTEN: 
Die Absperrklappen von OMAL sind in den Ausführungen Wafer und Lug mit Abmessungen von DN 40 bis DN 600 (Lug DN 300) erhältlich und wurden entwickelt, um einem Großteil der Anwendungen in allen Industriebereichen gerecht zu werden.
      •  Allgemeine Voraussetzungen gemäß UNI EN593
      • Baulängen genormt gemäß EN 558 Reihe 20
      • Dichtheitsprüfung nach EN 12266-1 Leckrate A bei einer Druckdifferenz von 16 bar.
      • Halbfeste Dichtung, hergestellt durch Vulkanisation der Elastomerschicht auf einem festen Stützring.
      • Verbesserte Dichtgeometrie für ein perfektes Anliegen am Ventilgehäuse und eine ausgezeichnete Dichtheit an den Flanschen ohne Zusatzelemente. Die Zwischenflanschbauart beeinflusst weder das     Antriebsmoment noch die Funktion der Klappe selbst.
     • Mit geläppten Rändern ausgeführte Absperrklappe garantiert eine bessere Dichtheit sowie ein niedrigeres Drehmoment und einen deutlich geringeren Dichtungsverschleiß.
     • Führungsbuchsen an der Welle.
     • Kupplung zwischen Spindel und Klappenscheibe über eine zweiteilige Welle ohne Befestigungselemente (Schrauben, Muttern, Stifte usw.), um korrosions- und bruchanfällige Stellen zu vermeiden. 
    • Einfacher Ausbau für Wartung oder Reinigung.
    • Vereinfachte Kopplung mit jedem Antriebstyp (pneumatisch, elektrisch, manuell usw. ) dank Ventilhals mit standardisierter Platte gemäß EN ISO 5211
    • Alle Bauteile sind so behandelt, dass eine volle Kompatibilität mit den meisten in der Industrie verwendeten Medien gewährleistet werden kann.
 
Die in diesem Katalog aufgeführten Daten und Eigenschaften können sich, im Zuge technischer Verbesserungen, auch ohne Vorankündigung ändern und sind demzufolge für die Lieferung nicht bindend.

STANDARDAUSFÜHRUNGEN: 
• Erhältlich: von DN 40 bis DN 300 PN 10 - PN 16.
• Standardflansch: PN 10 = PN 16 von DN 40 bis DN 150; PN 10 oder PN 16 von DN 200 bis DN 300.
• Auf Anfrage PN 16 von DN 200 bis DN 300. 
• Allgemeine Voraussetzungen gemäß UNI EN593
• Baulängen genormt nach EN 558 Reihe 20.
• Kopfflansch gemäß Norm ISO 5211.
• Dichtheitsprüfung gemäß EN 12266-1 Leckrate A.
• Weitere Kominationen auf Anfrage.
• Betriebstemperatur der Dichtungen: 
EPDM: von -25°C bis +135°C;
NBR: von -23°C bis +82°C;
FKM: von -10°C bis +190°C;
PTFE (auf EPDM-Basis): von -25°C bis +135°C (DN40-DN300).
• Betriebsdruck zwischen den Flanschen:: PN 16 bar von DN 40 bis DN 150; PN 10 oder PN 16 bar von DN 200 bis DN 300.
• Dicke Epoxidlackbeschichtung: 160 ÷ 200 μ. RAL: 5015
 
AUSFÜHRUNGEN AUF ANFRAGE: 
• Betriebstemperatur für Spezialdichtungen: 
SILIKON: von -25°C bis +160°C;
NBR CARBOX: von -10°C bis +82°C;  
NBR WEISS für Flüssiglebensmittel: von -23 °C bis +82°C;
HNBR: von -20°C bis +120°C
• Für andere Anwendungen wenden Sie sich an unsere Verkaufsabteilung. 

ZERTIFIZIERUNGEN: 
In Einklang mit der EU-Richtlinie 2014/68/EU „PED“.
• DVGW-Zulassung für Brenngas (V386).
• RINA-Zulassung.
• Konformitätserklärung gemäß ital. Ministerialdekret Nr. 174 über die Eignung für den Kontakt mit Trinkwasser und Flüssiglebensmitteln (V386).
• ATEX-Ausführung gemäß der EU-Richtlinie 2014/34/EU.
• ATEX-Zertifikat auf Anfrage (Für Absperrklappen mit PTFE-Dichtung nur bis DN 200).

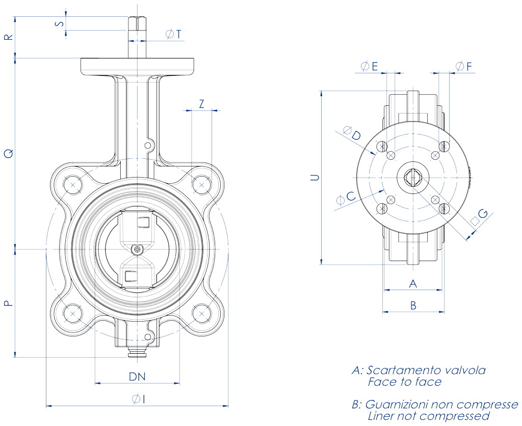
ABMESSUNGEN
BAUGRÖSSE
PN
A
B
ØC
ØD
ØE
ØF
ØG
ØI
P
Q
R
S
ØT
U
ØZ
Löcher

DN [mm]
[Zoll]
DN 40
1"1/2
10-16
33
36
50
70
6,5
8,5
9
110
70
125
31
9
14,2
118
M16
4
DN 50
2"
10-16
43
46
50
70
6,5
8,5
9
125
80
140
31
9
14,2
125
M16
4
DN 65
2"1/2
10-16
46
49
50
70
6,5
8,5
11
145
86
152
33
11
14,2
139
M16
4
DN 80
3"
10-16
46
49
50
70
6,5
8,5
11
160
95,5
159
33
11
14,2
184
M16
8
DN 100
4"
10-16
52
56
50
70
6,5
8,5
11
180
108
178
33
11
14,2
204
M16
8
DN 125
5"
10-16
56
59
70

8,5

14
210
124,5
190,5
36
14
19
230
M16
8
DN 150
6"
10-16
56
59
70

8,5

14
240
137
203
36
14
19
266
M20
8
DN 200
8"
10
60
64
70

8,5

17
295
166
238
39
17
22,2
318
M20
8
DN 250
10"
10
68
72
102
125
11
13
17
350
199
268
50
17
28,5
395
M20
12
DN 300
12"
10
78
81,5
102
125
11
13
22
400
234
306
55
22
28,5
448
M20
12
DN 200
8"
16
60
64
70

8,5

17
295
166
238
39
17
22,2
329
M20
12
DN 250
10"
16
68
72
102
125
11
13
22
355
199
268
55
22
28,5
395
M24
12
DN 300
12"
16
78
81,5
102
125
11
13
22
410
234
306
55
22
28,5
448
M24
12

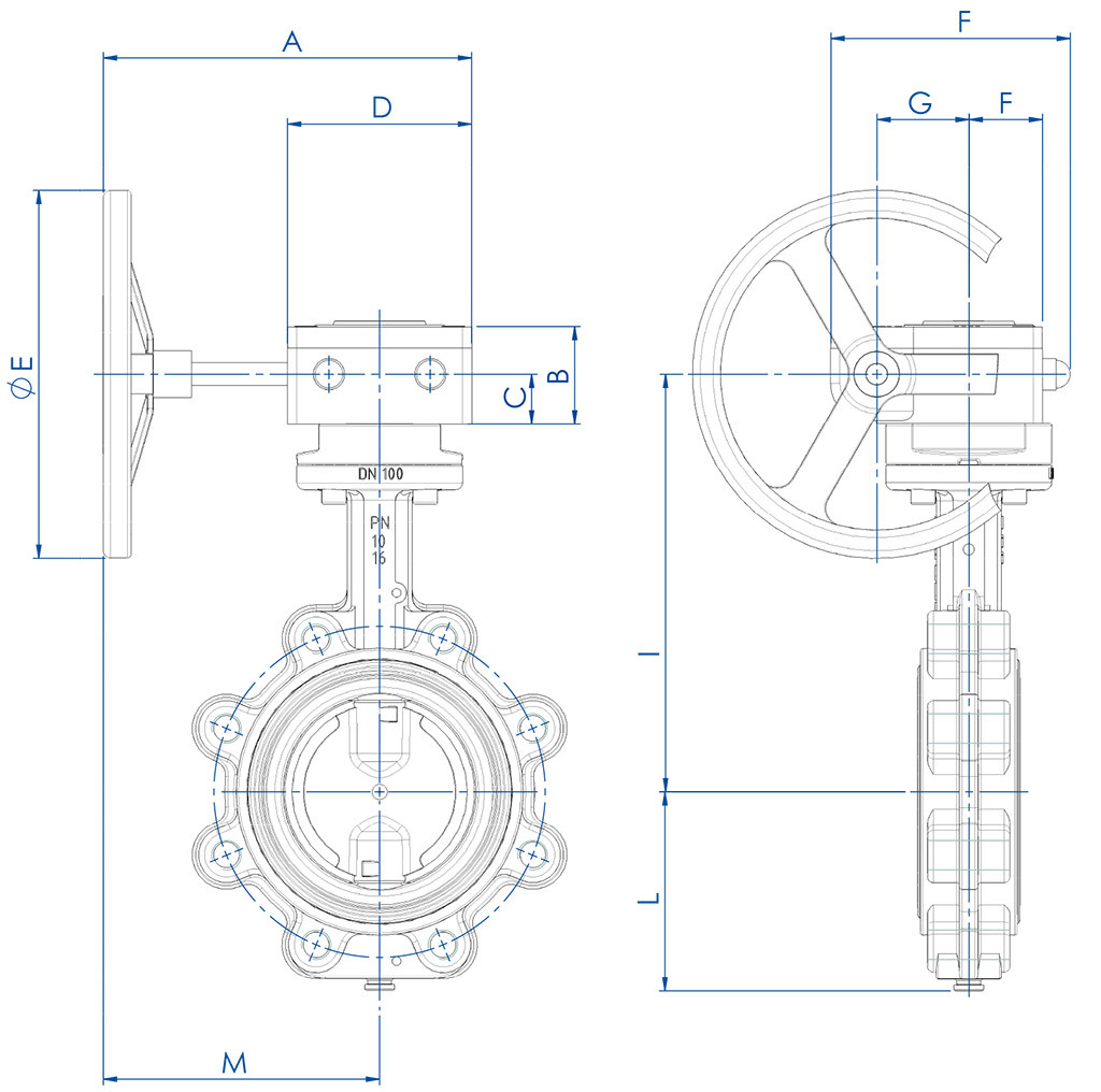
EIGENSCHAFTEN DES HANDHEBELS 
Handhebel mit 10 Einrastpositionen:
Werkstoff: Aluminium;
Oberflächenbehandlung: beschichtet (Polyester);
Gewicht: 0,3 bis 0,9 kg.
In jeder Position verschließbar.

ABMESSUNGEN   
BAUGRÖSSE
A
B
øC
D
Kg
DN [mm]
[Zoll]
DN 40
1" 1/2
188
70
90
160
2,5
DN 50
2"
203
80
90
160
3,4
DN 65
2" 1/2
225
86
90
220
4,3
DN 80
3"
230
95,5
90
220
5,5
DN 100
4"
250
108
90
220
6,6
DN 125
5"
277
124,5
90
350
9
DN 150
6"
290
137
90
350
11,4
DN 200
8"
325
166
90
350
17,5

EIGENSCHAFTEN DES DRUCKMINDERERS 
Bewährter Mechanismus, bestehend aus Zahnrad und Schnecke.
Die Position der Armatur wird auf einer visuellen Anzeige angegeben.
Gehäuse aus Aluminiumlegierung für Druckminderer „RF0“, aus Gusseisen für Druckminderer „RRM...“.
Zahnrad aus Gusseisen.
Schnecke aus behandeltem Stahl.
Handrad aus Stahl.
Oberfläche: epoxidlackbeschichtet.

ABMESSUNGEN
 BAUGRÖSSE  
PN
A
B
C
D
ØE
F
G
H
I
L
M
Kg
DN [mm]
[Zoll]
DN 40
1"1/2
10-16
200
49
24
80
140
115
42
35
171,2
70
160
3,6
DN 50
2"
10-16
200
49
24
80
140
115
42
35
185,9
80
160
4,5
DN 65
2"1/2
10-16
200
54
27
100
200
130
50
40
201,6
86
150
5,9
DN 80
3"
10-16
200
54
27
100
200
130
50
40
208
95,5
150
7,1
DN 100
4"
10-16
200
54
27
100
200
130
50
40
227
108
150
8,2
DN 125
5"
10-16
200
54
27
100
200
130
50
40
239,7
124,5
150
10,2
DN 150
6"
10-16
200
54
27
100
200
130
50
40
252,4
137
150
12
DN 200
8"
10
250
70,5
40,5
140
300
175
60
60
300,7
166
180
21,6
DN 250
10"
10
250
70,5
40,5
140
300
175
60
60
342
199
180
29,8
DN 300
12"
10
250
70,5
40,5
140
300
175
60
60
380
234
180
45,1
DN 200
8"
16
250
70,5
40,5
140
300
175
60
60
300,7
166
180
21,6
DN 250
10"
16
250
70,5
40,5
140
300
175
60
60
342
199
180
29,8
DN 300
12"
16
250
70,5
40,5
140
300
175
60
60
380
234
180
45,1

WERKSTOFFE
1
Gehäuse  
A536 65-45-12 (GGG50) (gleichwertig mit  EN-GJS-450-10 EN-JS 1040)
2
Klappenscheibe
A536 65-45-12 (GGG50) - A351 CF8M (316 S.S.)
3*
Dichtung
EPDM-NBR
4
Welle
A276 S42000 (420 S.S.) (gleichwertig mit X20CR13; 1.4021)
5
Untere Welle
A276 S42000 (420 S.S.) (gleichwertig mit  X20CR13; 1.4021)
6*
Unterer O-Ring
EPDM-NBR (FKM nur wenn besonder)
7*
Obere Buchse
Epoxidlackharz
8*
Führungsbuchsen
Epoxidlackharz mit PTFE für Abmessungen von DN40 bis DN300, Bronze für Abmessungen von DN350 bis DN600
9*
Elastische Stifte
Edelstahl
10*
O-Ring Welle
EPDM-NBR
* Bestandteile des Ersatzkits KGF.
Weitere Werkstoffe sind auf Anfrage erhältlich. Für diese und für andere Ansprüche wenden Sie sich an unsere Abteilungen.

GEHÄUSE
DN40 - 600
GUSSEISEN A536 65-45-12*
EPOXIDLACKBESCHICHTUNG
RAL 5015*

SPINDEL
EDELSTAHL A276 S4200 *
EDELSTAHL A564 TP 630

KLAPPENSCHEIBE 
DN40 - 600
GUSSEISEN A536 65-45-12*
CHEMISCH NICKEL BESCHICHTET

EDELSTAHL A351-CF8M (316 S.S.)*
EDELSTAHL A351-CF3M (316 S.S.) POLIERT

BRONZE/ALUMINIUM B148C95400 *

*Standard OMAL supply

DICHTUNG
DN40 - 600
EPDM*
NBR*
DN40 - 300
FKM*
PTFE ON EPDM*

NBR WEIß
NBR WEIß FÜR WASSER
HNBR
NBR CARBOX
SILIKON

NUTZUNGSFÜHRUNG DER WERKSTOFFE
WERKSTOFF
EIGENSCHAFTEN
ANWENDUNGEN
GUSSEISEN A536 65-45-12
Mechanische Beständigkeit vergleichbar mit der von Stahl.
Nutzungstemperatur: von -25°C bis +250°C.
Allgemeine Verwendungen
Normal verwendet für Gehäuse und Absperrklappe
BRONZE - ALUMINIUM
Gute Korrosionsbeständigkeit
Korrosive Medien, Meerwasser
BESCHICHTUNG RILSAN
Sehr gute Korrosionsbeständigkeit
Allgemeine Verwendungen
Normal verwendet für Gehäuse und Absperrklappe
EDELSTAHL A351-CF8M
Sehr gute Korrosionsbeständigkeit
Lebensmittel sowie chemische, pharmazeutische und weitere Betriebsmedien.
EPDM
Nutzungstemperatur: von -25°C bis +135°C.
Nicht empfohlen für Kohlenwasserstoffen.
Wasser (enthärtet, industrielle Nutzung, Glykole, Meerwasser), Wasserdampf, Ozon, Basen und verdünnte Säuren, acetonische Lösungsmittel, Alkohol, Natronlauge, atmosphärische Einflüsse
NBR
Gute mechanische Eigenschaften (Abrieb), gute Beständigkeit gegen Mineralöle, bestimmte Kohlenwasserstoffe und gegen aliphatische Kohlenwasserstoffe Betriebstemperatur: -23°C bis + 82°C Nicht empfohlen mit Aceton sowie mit Ketonen, Nitraten und Chlorkohlenwasserstoffen.
Allgemeiner Betrieb, Druckluft, kaltes Wasser, hydraulische Medien, Methan, Butan, Erdöl, Meerwasser, pneumatische Abrasivstrahler, tierische und pflanzliche Fette.
NBR WEIß
Gute mechanische Eigenschaften (Abrieb), gute Beständigkeit gegen Mineralöle, bestimmte Kohlenwasserstoffe sowie aliphatische Kohlenwasserstoffe
 Betriebstemperatur: -23°C bis + 82°C Nicht empfohlen mit Aceton sowie mit Ketonen, Nitraten und Chlorkohlenwasserstoffen.
Allgemeiner Betrieb, Druckluft, kaltes Wasser, hydraulische Medien, Methan, Butan, Erdöl, Meerwasser und pneumatische Abrasivstrahler.
NBR WEIß FÜR TRINKWASSER
Speziell für den Einsatz mit Wasser für den menschlichen Gebrauch bestimmt, in Einklang mit und gemäß dem ital. Gesetzesdekret 174/2004.
Betriebstemperatur: -23°C bis + 82°C Nicht empfohlen mit Aceton sowie mit Ketonen, Nitraten und Chlorkohlenwasserstoffen.
Allgemeiner Betrieb, Druckluft, kaltes Wasser, hydraulische Medien, Methan, Butan, Erdöl, Meerwasser und pneumatische Abrasivstrahler.
NBR CARBOX
Gute mechanische Eigenschaften (Abrieb), gute Beständigkeit gegen Mineralöle,
bestimmte Kohlenwasserstoffe und aliphatische Kohlenwasserstoffe
Betriebstemperatur: -10 °C bis + 82 °C Nicht empfohlen mit Aceton,
sowie mit Ketonen, Nitraten und Chlorkohlenwasserstoffen.
Hervorragende Abriebfestigkeit.
Abrasive Medien und Pulver
HNBR
Hervorragende mechanische Eigenschaften (Abrieb), gute Beständigkeit gegen Mineralöle, bestimmte Kohlenwasserstoffen und aliphatische Lösungsmittel
Betriebstemperatur: -20 °C bis + 120 °C. Nicht empfohlen mit Aceton,
sowie mit Ketonen, Nitraten und Chlorkohlenwasserstoffen.
Allgemeiner Betrieb, Druckluft, kaltes Wasser, hydraulische Medien, Methan, Butan, Erdöl, Meerwasser, pneumatische Abrasivstrahler.
FKM
Sehr gute Beständigkeit gegen: Hitze, Licht, Witterungseinflüsse, Benzoesäuren. Undurchlässig für Gase. Nicht für Dampf und kochendes Wasser empfohlen. Betriebstemperatur: -10 °C bis + 190 °C.
Lösungsmittel (ohne Aceton), feste Kohlenwasserstoffe, sauerstoffhaltige Kraftstoffe, Säuren, Basen, Hydraulikflüssigkeiten, Öle.
SILIKON FÜR HOHE TEMPERATUR
Sehr gute Beständigkeit gegen überhitztes Wasser und Dampf (bis zu 150°)
Betriebstemperatur: -25 °C bis 160 °C.
Inerte Heißluft oder Gase (bis + 180°C), Nutzung in der Lebensmittelindustrie, Wasser, Dampf.
PTFE ON EPDM
Sehr gute chemische Beständigkeit gegenüber Lösungsmitteln und korrosiven Medien. Nicht empfohlen für abrasive Medien, Alkalimetalle (Kalium, Natrium) und gasförmiges Fluor. Betriebstemperatur: -25°C bis +135°C.
Lebensmittel- und Chemieindustrie mit sehr korrosiven Medien.
HINWEIS: Die obige Tabelle zeigt die besonderen Eigenschaften und die sich daraus ergebenden spezifischen Anwendungen aller von OMAL zur Verfügung gestellten Werkstoffe. In ungewöhnlichen Situationen (beispielsweise in speziellen Umgebungen, bei Kontakt mit bestimmten Medien, bei außergewöhnlichen Druck- und Temperaturbedingungen usw.) können die Werkstoffe durch die verschiedenen korrosions- und abriebbedingenden Faktoren beeinträchtigt werden. Wir möchten betonen, dass die endgültige Wahl der Werkstoffe in jedem Fall dem Kunden vorbehalten bleibt und dass sich unsere technische Abteilung gerne um alle Ihre Anliegen kümmert.

ANLAUFMOMENTE in Nm   
BAUGRÖSSE
DN 40 1"1/2
DN 50
2"
DN 65 2"1/2
DN 80
3"
DN 100
4"
DN 125
5"
DN 150
6"
DN 200
8"
DN 250
10"
DN 300
12"

PN 10 bar
15
15
17
19
27
36
54
109
145
218
PN 16 bar
18
18
25
27
35
52
72
142
170
250


Die angegebenen Anlaufmomentwerte können sich je nach Temperatur oder Betriebsmedien ändern. Berücksichtigen Sie bitte einen Sicherheitsfaktor von 1,4.
Bei häufigen Öffnungs- und Schließzyklen kann sich das Betriebsdrehmoment im Vergleich zum Anfangswert leicht verringern. Die auf den folgenden Seiten angegebenen Kombinationen Antrieb/Armatur beziehen sich auf Armaturen mit flüssigen oder gasförmigen sauberen Medien bei mittleren Temperaturen. Für weitere Informationen oder andere Anwendungen wenden Sie sich bitte an unsere technische Abteilung.

DIAGRAMM DRUCKVERLUST-DURCHFLUSS

Beispiel: Suche nach Druckverlust und Geschwindigkeit für einen Wasserdurchfluss von 0,1 m³/Sek. in einer Absperrklappe mit dem Durchmesser 6”
(DN 150) und einem Öffnungswinkel von 90°.
1) Bestimmen Sie den Schnittpunkt der Achsen, die den Durchfluss und den Durchmesser der Absperrklappe angeben.
2) Folgen Sie von hier aus der vertikalen Achse bis zur um 90° abzweigenden Linie und ziehen Sie vom neu gefundenen Punkt aus eine horizontale Linie bis zum Graphen, der den Durchflussverlust angibt. Dort finden Sie den benötigten Wert (0,038 bar).
3) An Punkt 1 kann die Durchflussgeschwindigkeit (5 m/Sek.) durch Folgen des Geschwindigkeitsgraphen vertikal nach unten abgelesen werden.

ANWEISUNGEN FÜR DIE MONTAGE

Der Abstand zwischen den Flanschen muss so gewählt werden, dass die Absperrklappe eingesetzt werden kann, ohne dass sie mit den Dichtungen in Berührung kommt. Während des Betriebs muss sich die Klappe in einer halb geschlossenen Position befinden.

Nach dem Einsetzen des Ventils zwischen den Flanschen und vor dem Anziehen der Schrauben muss die Klappe geöffnet sein. Andernfalls könnte die Dichtung beim Schließen des Ventils beschädigt oder dauerhaft deformiert werden.

Inkorrekter Einbau: Die Flansche sind nicht ausreichend geöffnet, dadurch kann die Dichtung beschädigt werden.

Die OMAL-Absperrklappe wird ohne zusätzliche Dichtringe zwischen den Rohrflanschen montiert und durch Gewindebolzen und Befestigungsschrauben zentriert. Die Durchmesser der Flansche müssen den angegebenen Werten entsprechen.
D0 minimaler Flanschdurchmesser zur Aufnahme des Ventils (im Falle eines perfekt zentrierten Ventils)
D1 maximaler Flanschdurchmesser zur optimalen Verwendung
D2 maximal möglicher Flanschdurchmesser zur Verwendung bei reduziertem Druck. Wenden Sie sich in diesem Fall und bei Bedarf an unsere technische Abteilung, um weitere Informationen zu erhalten.

FLANSCH ABMESSUNGEN
Durchmesser
DN 40
DN 50
DN 65
DN 80
DN 100
DN 125
DN 150
DN 200
DN 250
DN 300
DN 350
DN 400
DN 450
DN 500
DN 600
D0 [mm]
30
36
51
67
93
119
143
196
247
297
329
376
426
475
573
D1 [mm]
45
57
69
82
107
133
154
206
257
310
338
390
441
492
596
D2 [mm]
51
68
80
93
116
148
170
221
276
327
346
399
450
500
602

KONFIGURIEREN BETÄTIGUNG
Wählen Sie die Suchparameter
ARTIKEL SUCHEN
SCHLIESSEN

NÄCHSTES EVENT

IVS - Industrial Valve Summit 2026
IVS - Industrial Valve Summit 2026
Bergamo, Italy, 19 - 21 may 2026