images/testate/Template-Header-Sito-OMALBALLVALVES.jpg

Paslanmaz çelik küresel vana Item 445

Paslanmaz çelik küresel vana Item 445

Paslanmaz çelik küresel vana 3 yol gövde plakasına flanşlı a “L” bilye 

KONFİGÜRE İşlem
BİLGİ İSTEYİN
SAYFAYI YAZDIRIN
  • özellikleri
  • boyutlar
  • malzemeler
  • şemalar ve başlangıç momentleri
  • özellikler

GENEL ÖZELLİKLER:
•  Vana sadece bir saptırıcı olarak çalışmaktadır.  Sadece ana yoldan oluşabilecek gidişin kapatılmasına izin vermez; şemaya bakınız.
• Bağlantı flanşı standardı: EN 1092-1 PN40, DN50'ye kadar; PN16 DN65,80,100; EN 12516
• Genel şartlar EN 1792
• Çalışma sıcaklığı: -20°C ile +150°C arası (+200°C özel contalı).
• Çalışma basıncı:  PN 40’dan DN50’ye kadar PN16 üstü
• Tutulan sıvı: su, sıvı petrol ve petrokimya ürünleri, agresif sıvılar.
• Düşük hatveli.

İSTEĞE GÖRE UYGULAMALAR:

• Aşağıdaki malzemeden üretilen sızdırmazlık contaları: PTFE cam takılı; PTFE karbon grafit takılı;
• “T” bilye, işletme montaj şemasına bakın.
• Diğer uygulamalar için teknik servisimize başvurunuz.

SERTİFİKALAR:
• Avrupa Direktifi 2014/34/UE ile uyumlu ATEX versiyonu
• İsteğe göre ATEX sertifikası

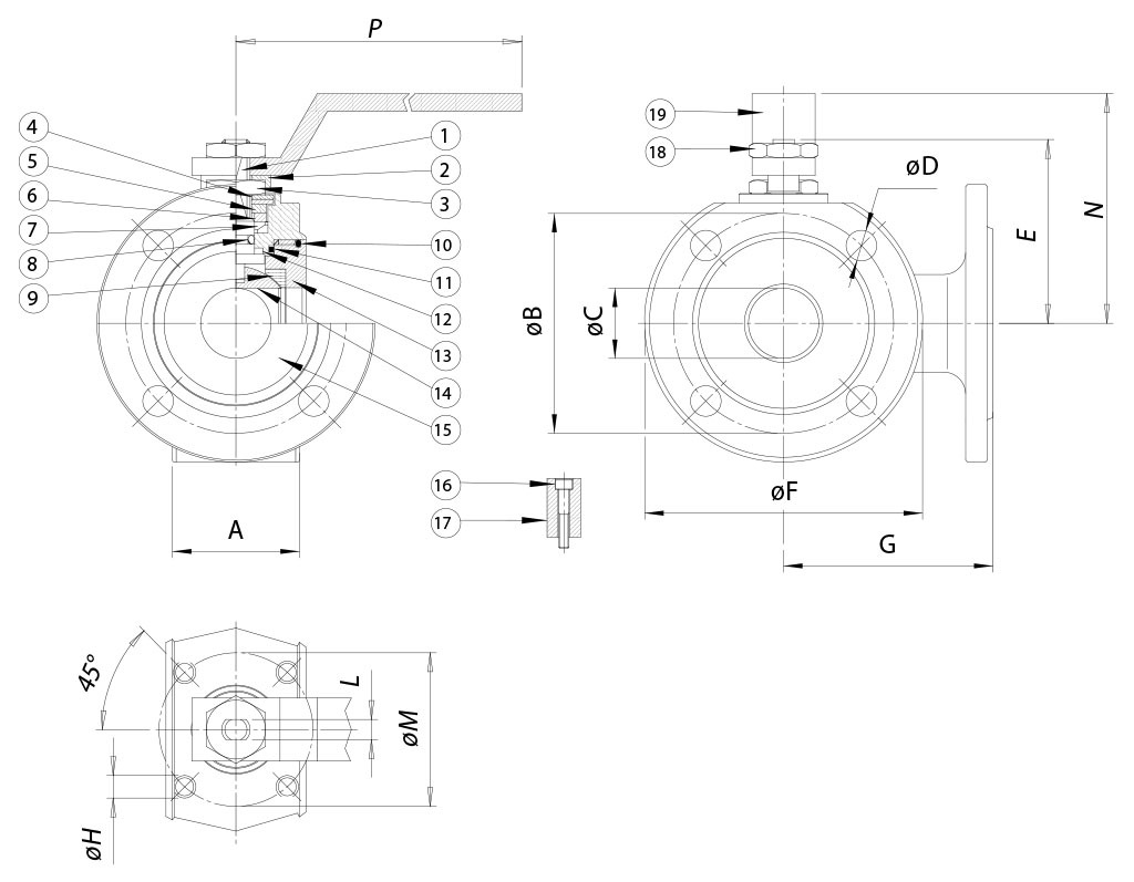
BOYUTLAR
ÖLÇÜAøBøCøDEøFGøHLøMNP
DN [mm][inç]
DN 151/2"356510M12X4489085M563665140
DN 203/4"387515M12X45110090M563670140
DN 251"438520M12X462,511090M584282180
DN 321" 1/45410025M16X467130105M584285180
DN 401" 1/26611032M16X480140120M61050102230
DN 502"8312540M16X487150130M61050110230
DN 652" 1/210314550M16X4119,5175150M81470137,5350
DN 803"12216065M16X8129,5190175M81470150350
DN 1004"15318078M16X8148,5220185M1016102165508

MALZEMELER
1
Sap
316 S.S.
1.4401
UNI X5CrNiMo 17 12
2
Somun kilitleme plakası304 S.S.1.4301
UNI X5CrNi 18 10
3
Kilitleme somunu304 S.S.
1.4301
UNI X5CrNi 18 10
4
Çanak yay301 S.S.
1.4310
UNI X5CrNiMo 17 12
5
Ara parça304 S.S.
1.4301
UNI X5CrNi 18 10
6*
Packing conta halkası304 S.S.
1.4301
UNI X5CrNi 18 10
7*
Üst sızdırmazlık momentiP.T.F.E.


8*
Ara sızdırdırmazlık o-ringiFKM


9*
Yanal sızdırmazlık contaları:P.T.F.E.


10*
Halka somun  o-ringi
FKM


11*
Halka somun sızdırmazlık contaları:P.T.F.E.


12*
Alt contaP.T.F.E.


13
Yüzük somun316 S.S.
1.4401
UNI X5CrNiMo 17 12
14
Bilye316 S.S.
1.4401
UNI X5CrNiMo 17 12
15
Gövde316 S.S.
1.4408

16
Pozisyon tespit vidaları304 S.S.
1.4301
UNI X5CrNi 18 10
17
Pozisyon tespiti304 S.S.
1.4301
UNI X5CrNi 18 10
18
Kol kilitleme somunu
304 S.S.
1.4301
UNI X5CrNi 18 10
19
İşletim kolu304 S.S.
1.4301
UNI X5CrNi 18 10
* KGBV44... yedek parça kitinin detayları

Basınç/sıcaklık şeması

Nm cinsinden BAŞLANGIÇ MOMENTLERİ 
ÖLÇÜ  
DN 15
1/2"
DN 20
3/4"
DN 25
1"
DN 32
1"1/4
DN 40 1"1/2
DN 50
2"
DN 65 2"1/2
DN 80
3"
DN 100
4"

PN 16 bar






85
128
212
PN 40 bar
8
13
20
30
42
61





moment değerleri, sıcaklığa ve akışkanın türüne bağlı olarak değişebilir.. ‘1.4’e eşdeğer  olan bir emniyet faktörünü dikkate alınız.
Sık açılma ve kapanma döngülerinde hareket momenti başlangıçtakine nazaran önemli ölçüde azalmaktadır. İlerleyen sayfalarda gösterilen aktüatör/vana bağlantıları, sıvı veya gaz akışkanları kesen, temiz ve orta sıcaklıklardaki vanalar için yapılmıştır. Daha fazla bilgi veya farklı kullanımlar için satış servisimize danışınız.

"L” bilye şeması

NOT:
NORMAL OLARAK SR aktüatörü KAPALI iken bilyenin bekleme pozisyonu "A" olmalıdır.
NORMAL OLARAK SR aktüatörü AÇIK iken bilyenin bekleme pozisyonu "B" olmalıdır.

Üstten görünüş

"T” bilye şeması (isteğe göre)

Aktüatör ile 90° lik dönüş sadece iki pozisyonda mümkündür: kürenin yapılandırması daima satış ofisimize iletilmelidir.

NOT:
NORMAL OLARAK SR aktüatörü KAPALI iken bilyenin bekleme pozisyonunu seçin; ilerletildiğinde, aktüatör saat yönünün tersine döner.
NORMAL OLARAK SR aktüatörü AÇIK iken bilyenin bekleme pozisyonunu seçin; ilerletildiğinde, aktüatör saat yönünde döner.

Üstten görünüş

KONFİGÜRE SÜRÜCÜ
Arama parametrelerini seçin
MAKALE ARAYIN
X KAPAT

GELECEK ETKİNLİK

Asia Water 2026
Asia Water 2026
Kuala Lumpur, 7-9 April 2026