images/testate/6gJZ09_Template-Header-Sito-OMAL2560x768-AGO-ok.jpg

AGO HANDWHEEL - SR单气动带侧装一体化手轮执行器

  • 优点
  • 特性
  • 特性
  • 物料
  • 规格
  • 附件
  • 文档

1.自润滑的密封滑动轴承
降低活塞与缸筒之间的摩擦力;
即便长期停用,亦可避免密封件与缸筒发生粘连。

2.缸筒、套管和传动轴的硬度超过50 HRC

更强的执行器内部抗力

3.缸筒和活塞之间的滚动摩擦

更小的摩擦力

4.滚动摩擦的十字滑块(通过活塞和无传动装置的轴,将线性运动转换为旋转运动)。

活塞和传动轴之间的摩擦力更小,从而减少零部件磨损
打开和关闭时有着更强的起动扭矩
相较于齿轮和齿条式执行器,其尺寸更小,安装空间需求更低
相较于齿轮和齿条式执行器,其重量更小(-30% Kg/Nm),建造基础设施时可降低成本
相较于齿轮和齿条式执行器,其耗气量更低,(双效:-40% 空气 cm³/Nm;单效:-20% 空气 cm³/Nm),能够有效降低压缩机的工作负荷,或直接使用小尺寸压缩机。

5.滑动缸筒

得益于较低的表面粗糙度,可以降低轴承的磨耗

6. Stainless Steel shaft
Higher corrosion resistance

自DAN15型号起接埠NAMUR电磁阀的接口

无需安装额外基座

在OMAL自有设施内完成全部生产流程

对加工各个阶段的最佳管控

ATEX认证
可安装于潜在易爆的环境内

最高达SIL3等级的认证
更高的运行安全等级

技术参数
扭矩介于30Nm~1920Nm之间。
法兰接口标准:EN ISO 5211
F05 - F07 - F10 - F12 - F14 - F16
符合15714-3标准
旋转角度:92°(-1°,+91°)
起动扭矩:返回时的起动扭矩仅取决于弹簧的运动,与供应压力无关。弹簧调教共有4种不同类型;具体请参见表格。
弹簧顺时针旋转时,实现自动关闭。
对于任意一台执行器,SRNV后的数字即对应于压力为5.6bar时的起动扭矩(Nm)。
ATEX认证型号符合欧盟《2014/34/UE》ATEX防爆条例。*ATEX型号的代码末尾处添加“YX”

运行条件

温度:-20℃~+80℃。(特殊型号:高温=-20℃~+150℃;低温=-50℃~+60℃)
额定压力:5.6bar;最高作业压力:8.4bar。
流体源:无需润滑且经过滤的压缩空气。
需要润滑时,请使用与NBR材质相兼容的油料。

如有需要,我司制造的1/4转气动执行器可加装手动操纵装置。
单效和双效型号均可集成这一装置。
为了使系统良好运行并保持装置的机械完整,使用手动操纵装置执行任何操作之前,必须检查并确保气动执行器的压缩气体供应已断开。
手动操纵装置可直接作用于气动执行器的主要机械传动组件,操纵手轮的扭矩符合EN 12570标准,输出扭矩值等于执行器的标定扭矩值。


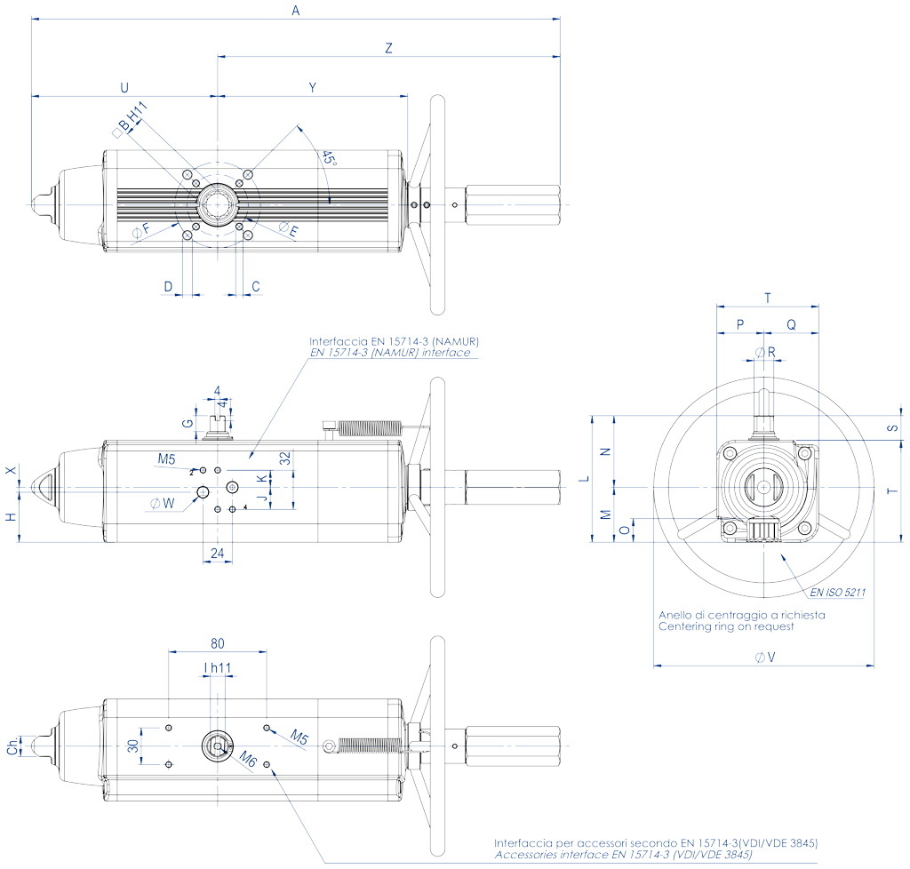
SRNV 30 ÷ SRNV 960

技术参数表 SRNV30 ÷ SRNV 240
代码
SRNV0030401SSRNV0030402SSRNV0053401SSRNV0060401SSRNV0090401SSRNV0120401SSRNV0180401SSRNV0240401S
密封套件
KGGI0016VXKGGI0016VXKGGI0060VXKGGI0018VXKGGI0019VXKGGI0020VXKGGI0021VXKGGI0022VX
尺寸SRNV 30SRNV 30SRNV 53SRNV 60SRNV 90SRNV 120SRNV 180SRNV 240
ISOF04F05/F07F05/F07F05/F07F07/F10F07/F10F07/F10F10/F12
A392,7392,7431,4457,7534,9558,5635700,8
B1414171722222227
C x depthM5x8M6x9M6x9M6x9M8x12M8x12M8x12M10x15
D x depth-M8x12M8x12M8x12M10x15M10x15M10x15M12x18
E42505050707070102
F-707070102102102125
G1313131316171919
H33,733,740,842,852,556,15857,4
J1818181818181816
K1414141414141416
I1010121215151919
L90,490,4103,3107137,5141,1148164,9
M37,737,744,846,856,560,16272,9
N52,752,758,560,281818692
O16,516,519,319,324,824,824,329,5
P32,732,738,540,251515662
Q37,737,744,846,856,560,16272,9
R14,514,516,21820,222,525,529
S2020202030303030
T70,470,483,387107,5111,1118134,9
U129,4129,4152,1169,3196,8204,8237260,2
V180180180180220220300300
W (气体)1/8"1/8"1/8"1/8"1/8"1/8"1/8"1/4"
X4444444-
Y137,6137,6154,8163,9183,5199,1220,8236,4
Z263,3263,3279,3288,4338,1353,7398440,6
Ch1313171722222227
转数* 1111131416181516
重量(Kg)3,23,24,55,36,8911,715,2
供气量 (dm3/cycle)0,170,170,30,330,550,811,5

* 从自然位置关闭/开启时的理论转速。

技术参数表 SRNV 360 ÷ SRNV 960
代码SRNV0360401SSRNV0480401SSRNV0480402SSRNV0720401SSRNV0720402SSRNV0960401SSRNV0960402S
密封套件
KGGI0023VXKGGI0024VXKGGI0024VXKGGI0025VXKGGI0025VXKGGI0026VXKGGI0026VX
尺寸
SRNV 360SRNV 480SRNV 480SRNV 720SRNV 720SRNV 960SRNV 960
ISOF10/F12F10/F12F14F14F12F14F12/F16
A810,1842,4842,41035,41035,41067,71067,7
B27363636364646
C x depthM10x15M10x15M16x24M16x24M12x18M16x24M12x18
D x depthM12x18M12x18----M20x30
E102102140140125140125
F125125----165
G19,519,519,519,519,518,518,5
H61,5787886,586,599,299,2
J16161616161616
K16161616161616
I22242427273232
L178198198216216237,7237,7
M78,593,593,5101,5101,5114,7114,7
N99,5104,5104,5114,5114,5123123
O29,538,538,538,538,548,548,5
P69,574,574,584,584,59393
Q78,593,593,5101,5101,5114,7114,7
R31,836,536,541414646
S30303030303030
T148168168186186207,7207,7
U306,6324,1324,1399399414414
V350350350400400400400
W (气体)1/4"1/4"1/4"1/4"1/4"1/4"1/4"
X-------
Y282,3297,1297,1365,6365,6382,9382,9
Z503,5518,3518,3636,4636,4653,7653,7
Ch27272736363636
转数
19202025252626
重量(Kg)19,528,128,138,838,850,650,6
供气量(dm3/cycle)22,82,84,24,25,95,9

* 从自然位置关闭/开启时的理论转速。

SRNV 1920

技术参数表SRNV 1920
代码SRNV1920E1608A
密封套件
KGGI0230VX
尺寸SRNV 1920
ISOF16
转数
30
重量 (kg)
91
供气量(dm3/cycle)12,5

* 从自然位置关闭/开启时的理论转速。

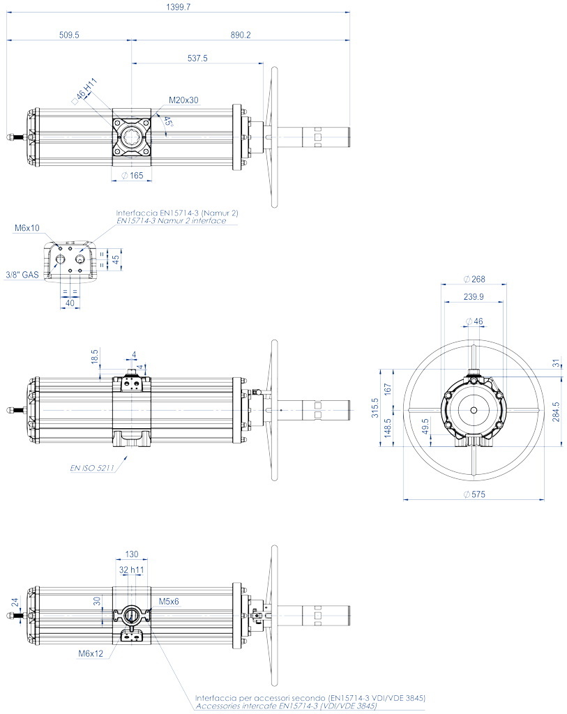
集成手动操纵装置的单效气动执行器的组件 - 尺寸:最高可达SRNV960

SRNV960及以下尺寸产品的材质
位置
名称
Q.材质
1螺栓
1不锈钢
2*滚珠轴承垫圈
4合金钢
3*滚珠轴承
2合金钢
4法兰
1铝合金
5定心环(仅用于SRNV360)
1铝合金
6*O形圈(仅用于SRNV360)
1NBR
7*O形圈
2NBR
8*O形圈
1NBR
9*O形圈
1NBR
10*O形圈
1NBR
11螺栓
1不锈钢
12弹簧
1不锈钢
13缸筒定距环
1铝合金
14*O形圈
1NBR
15*密封盖
1黄铜+NBR橡胶
16封盖(经改装)
1铝合金
17螺栓
4不锈钢
18*O形圈
1NBR
19手轮
1合金钢
20螺柱
2不锈钢
21保护管
1铝合金
22透明管
1PVC
23保护盖
1铝合金
24销键
1合金钢
25
弹簧
2
合金钢
26*铆钉
1合金钢
27*定标圈
1聚丙烯
28操纵引导螺母
1合金钢
29螺纹衬套(仅用于SRNV240)
2不锈钢
30
特制弹簧压板
1铝合金
31固定销
1合金钢
32操纵螺杆
1合金钢
33*密封环(活塞)
2聚氨酯
34*活塞O形圈
2NBR
35活塞(经改装)
1铝合金
36*活塞支承盘
4P.T.F.E. carbo-graphite filled
37衬套
2合金钢
38
旋转销
2合金钢
39*
密封件
2合金钢+NBR橡胶
40
螺栓
2不锈钢
41
十字滑块
1合金钢
42
支承轴
1乙缩醛树脂
43
十字滑块塑料外杆
1合金钢
44
十字滑块塑料内杆
1合金钢
45
阀轴
1不锈钢
46
支承滑套
1乙缩醛树脂
47
轴下O形圈
1FKM
48
缸筒
1铝合金
49
轴上O形圈
1FKM
50
止推轴承
1乙缩醛树脂
51
垫圈
1不锈钢
52
Seeger弹性圈
1不锈钢
53
活塞(标准)
1铝合金
54
弹簧预紧螺栓
1

不锈钢
55
弹簧压板(标准)
1

合金钢或铝合金
56*
封盖O形圈
1NBR
57
封盖(标准)
1铝合金
58螺栓
4不锈钢
59*O形圈
1NBR
60
螺母
1
铝合金
61
O形圈嵌杆(仅用于SRNV53-120-180-360)
1不锈钢
* 备件套装的组件

集成手动操纵装置的单效气动执行器的组件 - 尺寸:SRNV1920

材质 SRNV1920
位置名称
数量
材质
1缸筒
1铝合金
2缸筒
1铝合金
3缸筒
1铝合金
4封盖(标准)1铝合金
5内弹簧支架1铝合金
6外弹簧支架
1铝合金
7弹簧预紧螺栓
1不锈钢
8*O形圈1NBR
9套箍螺帽
1不锈钢
10O形圈1NBR
11O形圈1NBR
12螺母
1不锈钢
13外弹簧
2合金钢
14内弹簧
2合金钢
15活塞(标准) 1铝合金
16衬套2合金钢
17*活塞支承盘
4乙缩醛树脂
18 固定销2合金钢
19传动轴
2合金钢
20十字滑块
1合金钢
21阀轴
1不锈钢
22支承滑套
1乙缩醛树脂
23支承轴1乙缩醛树脂
24*封盖O形圈1NBR
25*衬套(轴下)1P.T.F.E. carbo-graphite filled
26*衬套(轴上) 1P.T.F.E. carbo-graphite filled
27*止推轴承
1乙缩醛树脂
28垫圈1不锈钢
29*O形圈3NBR
30Seeger 弹性圈
1不锈钢
31螺栓
6不锈钢
32*轴下O形圈
1FKM
33*活塞O形圈
2NBR
34*轴下O形圈
1FKM
35*O形圈2NBR
36*引导轴承
2P.T.F.E. 碳石墨填料
37螺母
12不锈钢
38活塞(经改装)1合金钢
39*轴承(手轮)2聚氨酯
40封盖(经改装)1铝合金
41操纵引导螺母
1合金钢
42*定标圈
1聚丙烯
43手轮1合金钢
44法兰
1铝合金
45*轴承
2合金钢
46螺栓
8不锈钢
47螺栓
1不锈钢
48垫圈1不锈钢
49锁闭叉
1铝合金
50锁闭叉支架
1铝合金
51锁止钉
1不锈钢
52保护盖
1铝合金
53螺栓
3不锈钢
54*铆钉
1不锈钢
55销键
1不锈钢
56螺栓
6合金钢
57*形圈
1NBR
58*O形圈1NBR
59*O形圈1NBR
60螺栓
2不锈钢
61*密封件
2合金钢+NBR橡胶
62*O形圈1NBR
63*O形圈1NBR
64*封盖
2P.T.F.E
65螺母
1不锈钢
66操纵螺杆1不锈钢
67可拆洗式保护管
1铝合金
68固定销
1不锈钢
69特制弹簧压板
1合金钢
70*O形圈1NBR
71*O形圈1NBR
72螺栓
1不锈钢
73安全螺栓
1不锈钢
74保护管
1铝合金
* 备件套装的组件

带集成手动控制的执行器操作图

配备限位器的信号盒

手动解锁操纵器

NAMUR 电磁阀

电磁阀

电气定位器(内置安全装置)

气动定位器

接近式限位器

机电式限位器

气动式限位器

抗爆燃限位器II2GD ExdIIC

选择 尺寸
选择搜索参数
搜索文章
X 关闭

下一新闻

IVS - Industrial Valve Summit 2026
IVS - Industrial Valve Summit 2026
Bergamo, Italy, 19 - 21 may 2026