images/testate/ALMY5P_Template-Header-Sito-OMAL2560x768-AGO-ok.jpg

AGO CF8M - DA双气动CF8M铸造执行器

  • 优点
  • 特性
  • 特性
  • 物料
  • 规格
  • 附件
  • 文档

1.自润滑的密封滑动轴承
降低活塞与缸筒之间的摩擦力;
即便长期停用,亦可避免密封件与缸筒发生粘连。

2.缸筒、套管和传动轴的硬度超过50 HRC

更强的执行器内部抗力

3.缸筒和活塞之间的滚动摩擦

更小的摩擦力

4.滚动摩擦的十字滑块(通过活塞和无传动装置的轴,将线性运动转换为旋转运动)。

活塞和传动轴之间的摩擦力更小,从而减少零部件磨损
打开和关闭时有着更强的起动扭矩
相较于齿轮和齿条式执行器,其尺寸更小,安装空间需求更低
相较于齿轮和齿条式执行器,其重量更小(-30% Kg/Nm),建造基础设施时可降低成本
相较于齿轮和齿条式执行器,其耗气量更低,(双效:-40% 空气 cm³/Nm;单效:-20% 空气 cm³/Nm),能够有效降低压缩机的工作负荷,或直接使用小尺寸压缩机。

5.滑动缸筒

得益于较低的表面粗糙度,可以降低轴承的磨耗

6. Stainless Steel shaft
Higher corrosion resistance

自DAN15型号起接埠NAMUR电磁阀的接口

无需安装额外基座

在OMAL自有设施内完成全部生产流程

对加工各个阶段的最佳管控

ATEX认证
可安装于潜在易爆的环境内

最高达SIL3等级的认证
更高的运行安全等级

技术参数
扭矩介于15Nm~480Nm之间。
法兰接口标准:ISO 5211;F03 - F05 - F07 - F10
符合EN 15714-3标准。
旋转角度:92°(-1°,+91°)
起动扭矩:与供应压力成正比;具体请参见DA气动执行器的综合产品目录。
对于任意一台执行器, DA后的数字即对应于压力为5.6bar时的起动扭矩(Nm)。
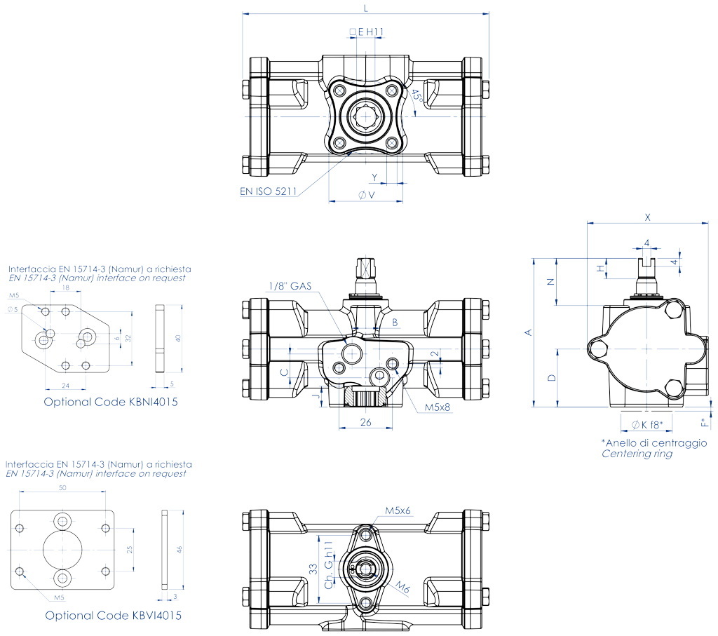
自DN60尺寸起,可以直接将NAMUR电磁阀安装在执行器上。
DA15-DA30型号强制配备NAMUR接口
ATEX认证型号符合欧盟《2014/34/UE》ATEX防爆条例。*ATEX型号的代码末尾处添加“YX”

运行条件

温度:-20℃~+80℃
额定压力:5.6bar;最高作业压力:8.4bar。
流体源:无需润滑且经过滤的压缩空气。需要润滑时,请使用与NBR材质相兼容的油料。

DA 15 ÷ DA 30

DA 60 ÷ DA 480

技术参数表

代码
DA015516S
DA030516S
DA060516S
DA120516S
DA240516S
DA480516S

密封备件
KGXI0112
KGXI0114
KGXI0116
KGXI0118
KGXI0120
KGXI0122

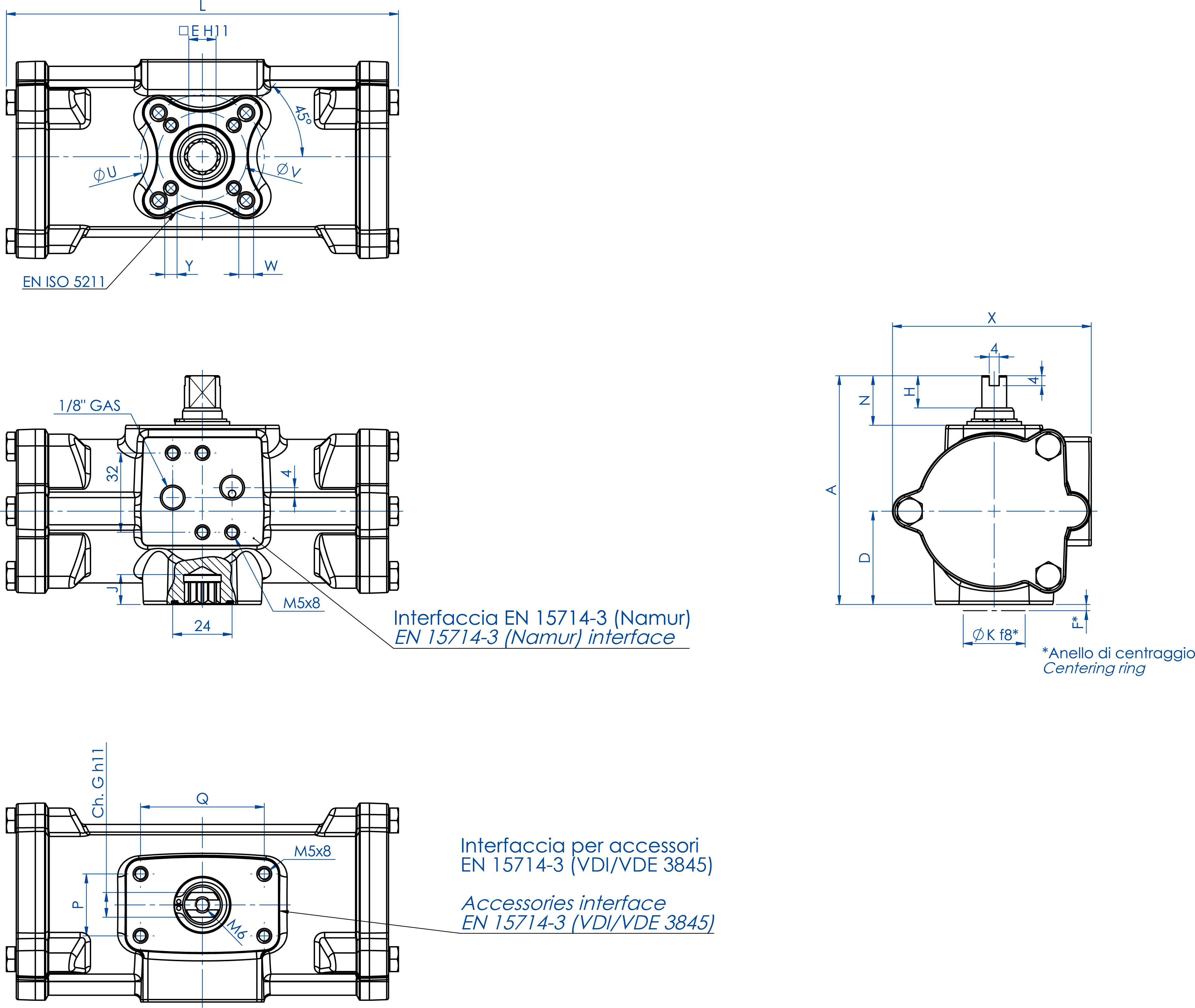
尺寸DA 15 F03
DA 30 F03
DA 60 F03-F05
DA 120 F05-F07
DA 240 F05-F07
DA 480 F07-F10

L mm.
120
134,6
158,4
192,9
246,8
298,4

A mm.
72,4
80,4
92,5
116,5
136,4
160

B mm.
13,4
11,6
-
-
-
-

C mm.
12
13
-
-
-
-

D mm.
28,2
32,7
37,7
46,2
56,2
68

E mm.
9
9
11
14
17
22

F mm.
2
2
2
3
3
3

Ch. G mm.
8
9
10
12
15
19

H mm.
10
10
13
13
17
19

N mm.
23
23
20
30
30
30

X mm.
59
68
80,3
94,4
117
139,7

J mm.
10,2
10,2
12,2
16,3
19,3
24,3

ØK mm.
25
25
25
35
35
55

Q mm.
50
50
50
80
80
80

P mm.
25
25
25
30
30
30

ØU mm.
-
-
50
70
70
102

ØV mm.
36
36
36
50
50
70

Y x prof. depth mm.
M5x9
M5x9
M5x9
M6x11
M6x11
M8x13

W x prof. depth mm.
-
-
M6x11
M8x15
M8x13
M10x22

供气量  dm3/cycle
0,079
0,148
0,28
0,59
1,18
2,38

重量 Kg.
0,8
1,2
1,8
3,3
5,6
9,5

“DA”双效精密铸造CF8M不锈钢气动执行器的组件 - 尺寸:DA15-DA30

材质: DA 15 ÷ DA 30
位置名称
数量
材质
1
缸筒
1
不锈钢
2*
封盖O形圈
2
NBR
3
VDI/VDE 基座
1
不锈钢
4
NAMUR 基座
1
不锈钢
5
阀轴
1
不锈钢
6
螺栓6
不锈钢
7
封盖
2
不锈钢
8
螺栓
4
不锈钢
9
Seeger 弹性圈1
不锈钢
10
垫圈
1
不锈钢
11
十字滑块
1
合金钢
12
十字滑块塑料外杆  
1
合金钢
13
十字滑块塑料内杆
1
合金钢
14
上轴支架
1
乙缩醛树脂
15
支承衬套
2
乙缩醛树脂
16
下轴支承件
1
乙缩醛树脂
17*
轴上O形圈
1
FKM
18*
轴下O形圈
1
FKM
19
活塞
2
合金钢
20*
活塞支架
4
P.T.F.E. carbo-graphite filled
21*
密封环
2
聚氨酯
22*
活塞O形圈
2
NBR
23
传动轴o
2
合金钢
24
衬套
2
合金钢
25*
止推轴承
1
乙缩醛树脂
26
O形圈(选装)
2
NBR
* 备件套装的组件

“DA”双效精密铸造CF8M不锈钢气动执行器的组件 - 尺寸:DA60-DA480

材质
位置
名称
数量
材质
1
缸筒
1
不锈钢
2*
封盖O形圈
2
NBR
3
阀轴1
不锈钢
4
螺栓
6
不锈钢
5
封盖
2
不锈钢
6
Seeger 弹性圈
1
不锈钢
7
垫圈
1
不锈钢
8
下轴支承件
1
乙缩醛树脂
9
上轴支架
1
乙缩醛树脂
10
十字滑块
1
不锈钢
11*
轴下O形圈
1
FKM
12
十字滑块塑料外杆
1
不锈钢
13
十字滑块塑料内杆
1
不锈钢
14
活塞
2
不锈钢
15*
活塞支架
4
P.T.F.E. carbo-graphite filled
16*
密封环
2
聚氨酯
17
传动轴
2
不锈钢
18
衬套
2
不锈钢
19*
活塞O形圈
2
NBR
20
下支承衬套
1
乙缩醛树脂
21
上支承衬套
1
乙缩醛树脂
22*
轴上O形圈
1
FKM
23*
止推轴承
1
乙缩醛树脂
* 备件套装的组件

配备限位器的信号盒

手动解锁操纵器

NAMUR 电磁阀

电磁阀

电气定位器(内置安全装置)

气动定位器

接近式限位器

机电式限位器

气动式限位器

抗爆燃限位器II2GD ExdIIC

选择 尺寸
选择搜索参数
搜索文章
X 关闭

下一新闻

Asia Water 2026
Asia Water 2026
Kuala Lumpur, 7-9 April 2026