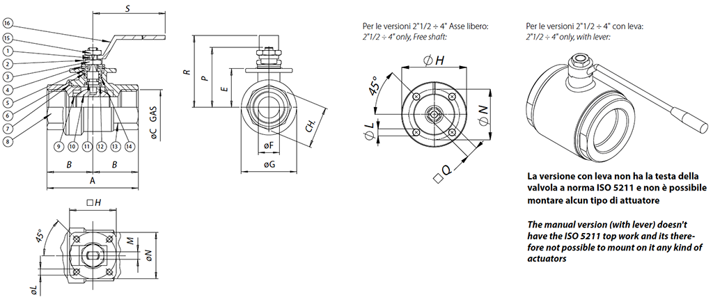
H2 INVICTUS MAGNUM THOR PROCHEMIE 60 HERCULES KRATOS SUPREME TRUNNION 其他黄铜球阀 其他铸铁球阀 其他不锈钢球阀 其他碳素钢球阀 其他PVC材质球阀 下载 总目录 下载 执行器附件目录 解码MAGNUM & THOR 配置您的产品 下载不同格式的2D和3D文件 下载 下载销售条款 宏 球阀 小类 其他不锈钢球阀 2通道全通径螺纹接口的不锈钢精密铸造阀门ITEM 400外表面处理:喷砂ITEM 401表面处理:亮光技术参数 配置 动力 申请详细信息 打印页面 下载目录 其他不锈钢球阀 特性 特性 物料 图表和起动扭矩 文档 常规参数:• 设计用于中等压力设施。• 使用温度:-20℃~+150℃• 使用压力:参见图表• 截止流体:空气、水、天然气、石油和石化产品、腐蚀性流体。• 外表面处理:400型-喷砂;401型:亮光• 400 和 401 系列的螺纹端符合 ISO 7/1 标准;419 系列符合 ISO 228 标准。• 适用于ISO 5211执行器的装配法兰选装特殊配置:• ANSI B1.20.1标准NPT母头• 密封件材质:玻璃纤维填料PTFE(RPTFE-GF);碳石墨填料PTFE(RPTFE-CF)。• 其他应用领域敬请咨询我司的销售部门。认证:• 符合欧盟《2014/68/UE》加压装置条例• 可选装符合欧盟《2014/34/UE》ATEX防爆条例的型号,但不适用于DN10 3/8"和DN15 1/2"尺寸产品 尺寸规格尺寸ABøCEøFøGHøLM□QøNCHPRSDN [mm][inch]DN 103/8"55253/8”22102936M54-3621,537,552110DN 151/2"65301/2”24,8153436M54-3626,540,355110DN 203/4"70353/431,32042,536M56-3631,550,866140DN 251"8542,51”35,32550,536M56-3640,554,870140DN 321" 1/49547,51”1/444326342M58-4249,56885180DN 401" 1/210552,51”1/250,34075,542M58-4254,574,391180DN 502"12562,52”57,9509150M610-5069,587105230DN 652" 1/2128642”1/294,565110909-1770-109,5110235DN 803"150753”10680141909-1770-121130285DN 1004"178894”12010016012011-17102-135150310 材质 1阀杆316 不锈钢1.4401UNI X5CrNiMo 17 122螺母锁止片304 不锈钢1.4301UNI X5CrNi 18 103锁止螺母304 不锈钢1.4301UNI X5CrNi 18 104碟型弹簧301 不锈钢1.4310UNI X12CrNi 17 075定距片304 不锈钢1.4301UNI X5CrNi 18 106密封顶环304 不锈钢1.4301UNI X5CrNi 18 107*静态密封件P.T.F.E.8螺纹母头316 不锈钢1.44089* 侧密封件P.T.F.E.10球体316 b1.4401UNI X5CrNiMo 17 1211*中部O形密封圈FKMNot available in ATEX version12*下部密封环P.T.F.E.13阀体和母头316 S.S.1.440814*上密封件P.T.F.E.15止动杆螺母304 不锈钢1.4301UNI X5CrNi 18 1016操纵手柄304 不锈钢1.4301UNI X5CrNi 18 10* KGBV50备件套装的组件... 压力/温度图表 流量/压力损失图表和公称系数Kv 流量系数Kv的数值等于压降为1 bar时的流量值(单位为m3/h,水温为15℃)。 起动扭矩(Nm)尺寸 DN 10 3/8"DN 15 1/2"DN 20 3/4"DN 251"DN 32 1"1/4DN 40 1"1/2DN 502"DN 65 2"1/2DN 803"DN 1004"PN 25 bar76106146PN 40 bar56PN 64 bar2840PN 100 bar8101420扭矩值可能因温度和流体类型的影响而出现变化。纳入考虑的安全因子为1.4。在频繁开闭的循环条件下,操纵扭矩可能会略低于初始扭矩。后文中列示的执行器/阀门装配以平均温度下截止洁净的液体或气体时为准。欲了解详情或其他应用方式,请联络我司的销售部门。 证明书 ATEX - Ball Valves PED UKCA 说明 ATEX MANUAL 8_0486 USER MANUAL 8_0844-04 配置 驾驶 选择搜索参数 -- 驾驶 -- 自由轴+喷砂 自由轴+抛光 手柄+喷砂 手柄+抛光 DA双效气动执行器+外表面喷砂的阀门 DA双效气动执行器+外表面抛光的阀门 SR单效气动执行器+外表面喷砂的阀门 SR单效气动执行器+外表面抛光的阀门 ON-OFF电动执行器(230V AC)+外表面喷砂的阀门 ON-OFF电动执行器(230V AC)+外表面抛光的阀门 模块式电动执行器(230V AC)+外表面喷砂的阀门 模块式电动执行器(230V AC)+外表面抛光的阀门 搜索文章