images/testate/Template-Header-Sito-OMALBALLVALVES.jpg

Vanne à boisseau sphérique en acier inox, Item 400-401

Vanne à boisseau sphérique en acier inox, Item 400-401

Vanne à boisseau sphérique en acier inox fonte de précision 2 voies, filetée, passage intégral

ITEM 400
Traitement extérieur: sablage

ITEM 401
Traitement extérieur: polissage

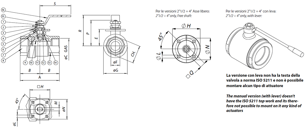
CONFIGURER Actionnement
DEMANDE D'INFORMATIONS
IMPRIMER PAGE
  • caractéristiques
  • dimensions
  • matériaux
  • diagrammes et couples de démarrage
  • documents

CARACTÉRISTIQUES GÉNÉRALES:
• Conçue pour une utilisation à pression moyenne.
• Température de fonctionnement: de -20°C à +150°C
• Pressions de fonctionnement: voir diagramme.
• Fluide véhiculé: air, eau, gaz, produits pétroliers et pétrochimiques, fluides agressifs.
• Traitement extérieur: article 400 sablage; article 401 polissage.
• Extrémités filetées conformes à la norme ISO 7/1 pour les séries 400 et 401 ; ISO 228 pour la série 419.
• Bride montage actionneur selon ISO 5211.

RÉALISATIONS SPÉCIALES SUR DEMANDE:
• Raccords femelles NPT ANSI B1.20.1
• Garnitures d’étanchéité en: PTFE chargé de verre;  PTFE chargé de graphite de carbone. Pour d'autres applications, veuillez vous adresser à notre service commercial.

CERTIFICATIONS:
• Conforme à la directive européenne 2014/68/UE DESP
• Version ATEX conforme à la directive 2014/34/UE sur demande, non disponible pour les mesures DN10 3/8" et DN15 1/2"

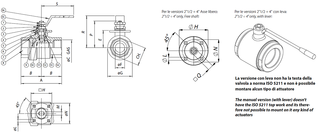
DIMENSIONS    
MESURE 
A
B
øC
E
øF
øG
H
øL
M
□Q
øN
CH
P
R
S
DN [mm]
[pouces]
DN 10
3/8"
55
25
3/8”
22
10
29
36
M5
4
-
36
21,5
37,5
52
110
DN 15
1/2"
65
30
1/2”
24,8
15
34
36
M5
4
-
36
26,5
40,3
55
110
DN 20
3/4"
70
35
3/4
31,3
20
42,5
36
M5
6
-
36
31,5
50,8
66
140
DN 25
1"
85
42,5
1”
35,3
25
50,5
36
M5
6
-
36
40,5
54,8
70
140
DN 32
1" 1/4
95
47,5
1”1/4
44
32
63
42
M5
8
-
42
49,5
68
85
180
DN 40
1" 1/2
105
52,5
1”1/2
50,3
40
75,5
42
M5
8
-
42
54,5
74,3
91
180
DN 50
2"
125
62,5
2”
57,9
50
91
50
M6
10
-
50
69,5
87
105
230
DN 65
2" 1/2
128
64
2”1/2
94,5
65
110
90
9
-
17
70
-
109,5
110
235
DN 80
3"
150
75
3”
106
80
141
90
9
-
17
70
-
121
130
285
DN 100
4"
178
89
4”
120
100
160
120
11
-
17
102
-
135
150
310

MATÉRIAUX   
1
Tige
316 S.S.
1.4401
UNI X5CrNiMo 17 12
2
Plaque de retenue d’écrou
304 S.S.
1.4301
UNI X5CrNi 18 10
3
Écrou de blocage
304 S.S.
1.4301
UNI X5CrNi 18 10
4
Rondelles ressort
301 S.S.
1.4310
UNI X12CrNi 17 07
5
Entretoise
304 S.S.
1.4301
UNI X5CrNi 18 10
6
Bague presse-étoupe
304 S.S.
1.4301
UNI X5CrNi 18 10
7*
Garniture statique
P.T.F.E.


8
Manchon femelle
316 S.S.
1.4408

9*
Garnitures d’étanchéité latérale
P.T.F.E.


10
Boisseau
316 S.S.
1.4401
UNI X5CrNiMo 17 12
11*
Joint torique d’étanchéité intermédiaire
FKM

Not available in ATEX version
12*
Bague d'étanchéité inférieure
P.T.F.E.


13
Corps avec manchon femelle
316 S.S.
1.4408

14*
Paire de garnitures étanchéité supérieure
P.T.F.E.


15
Écrou de blocage levier
304 S.S.
1.4301
UNI X5CrNi 18 10
16
Levier de manœuvre
304 S.S.
1.4301
UNI X5CrNi 18 10
* Détails du kit des pièces de rechange KGBV50...

DIAGRAMME PRESSION/TEMPÉRATURE

Débit/perte de charge et coefficient nominal Kv

La valeur Kv est la valeur du débit en m3/h (avec de l’eau à 15°C) qui provoque une chute de pression d’1 bar.

COUPLES DE DÉMARRAGE en Nm  
MESURE  
DN 10 3/8"
DN 15 1/2"
DN 20 3/4"
DN 25
1"

DN 32 1"1/4
DN 40 1"1/2
DN 50
2"

DN 65 2"1/2
DN 80
3"

DN 100
4"

PN 25 bar







76
106
146
PN 40 bar






56



PN 64 bar




28
40




PN 100 bar
8
10
14
20







Les valeurs du couple peuvent varier en fonction de la température et du fluide. Considérer un facteur de sécurité de 1,4.
Avec des cycles fréquents d'ouverture et de fermeture, le couple de manœuvre pourrait être considérablement inférieur au couple initial. Les accouplements actionneur/vanne, montrés aux pages suivantes, sont conçus pour les vannes qui arrêtent des fluides liquides ou gazeux, propres et pour des températures moyennes. Pour plus d'informations ou pour des utilisations différentes, veuillez vous adresser à notre service commercial.

CONFIGURER ACTIONNEMENT
Sélectionnez les paramètres de recherche
RECHERCHER UN ARTICLE
X FERMER

PROCHAIN ÉVÈNEMENT

IVS - Industrial Valve Summit 2026
IVS - Industrial Valve Summit 2026
Bergamo, Italy, 19 - 21 may 2026