images/testate/Template-Header-Sito-OMALBALLVALVES.jpg

Válvula de esfera em aço inoxidável Item 400-401

Válvula de esfera em aço inoxidável Item 400-401

Válvula de esfera em aço inoxidável micro-fundida 2 vias rosqueada passagem integral

ITEM 400
Tratamento externo: jateado com areia

ITEM 401
Tratamento externo: polidacaracterísticas

CONFIGURAR Acionamento
SOLICITAR INFORMAÇÃO
IMPRIMIR PÁGINA
  • características
  • dimensões
  • materiais
  • diagramas e torques de partida
  • documentos

CARACTERÍSTICAS GERAIS:
• Construída para uso com pressão média.
• Temperatura de operação: de -20°C a +150°C
• Pressão de operação: ver o diagrama.
• Fluido interceptado: ar, água, gás, produtos petrolíferos e petroquímicos, fluidos agressivos.
• Tratamento externo: item 400 jateado com areia; item 401 polido.
• Extremidades roscadas conforme às especificações ISO 7/1 para as séries 400 e 401; ISO 228 para a série 419.
• Flange de montagem do atuador conforme norma ISO 5211.

EXECUÇÕES ESPECIAIS A PEDIDO:
• Conexões fêmea NPT ANSI B1.20.1
• Guarnições de vedação em: PTFE carregado com vidro; PTFE carregado com carbo-grafite
• Para outras aplicações, entrar em contato com nosso departamento de vendas.

CERTIFICAÇÕES:
Em conformidade com a Diretiva Europeia 2014/68/UE "PED"
• versão ATEX a pedido, em conformidade com a Diretiva 2014/34/UE, não está disponível para os tamanhos DN10 3/8" e DN15 1/2"

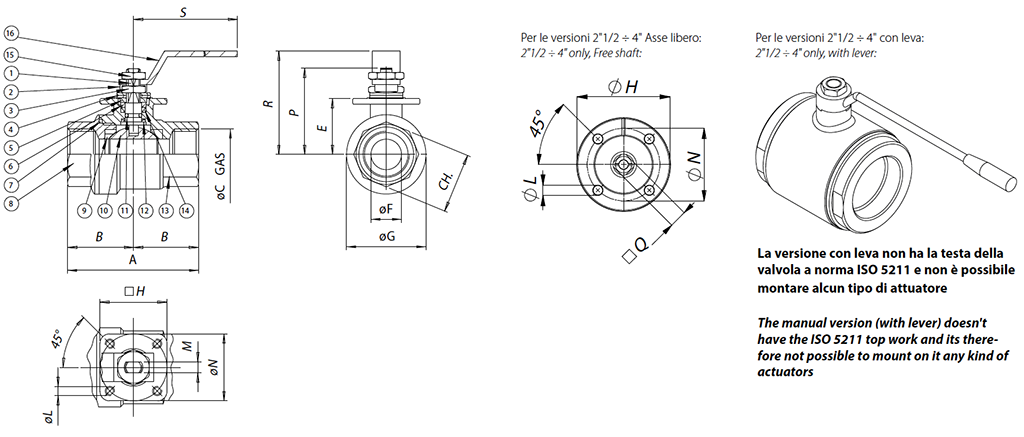
DIMENSÕES    
MEDIDA 
A
B
øC
E
øF
øG
H
øL
M
□Q
øN
CH
P
R
S
DN [mm]
[polegada]
DN 10
3/8"
55
25
3/8”
22
10
29
36
M5
4
-
36
21,5
37,5
52
110
DN 15
1/2"
65
30
1/2”
24,8
15
34
36
M5
4
-
36
26,5
40,3
55
110
DN 20
3/4"
70
35
3/4
31,3
20
42,5
36
M5
6
-
36
31,5
50,8
66
140
DN 25
1"
85
42,5
1”
35,3
25
50,5
36
M5
6
-
36
40,5
54,8
70
140
DN 32
1" 1/4
95
47,5
1”1/4
44
32
63
42
M5
8
-
42
49,5
68
85
180
DN 40
1" 1/2
105
52,5
1”1/2
50,3
40
75,5
42
M5
8
-
42
54,5
74,3
91
180
DN 50
2"
125
62,5
2”
57,9
50
91
50
M6
10
-
50
69,5
87
105
230
DN 65
2" 1/2
128
64
2”1/2
94,5
65
110
90
9
-
17
70
-
109,5
110
235
DN 80
3"
150
75
3”
106
80
141
90
9
-
17
70
-
121
130
285
DN 100
4"
178
89
4”
120
100
160
120
11
-
17
102
-
135
150
310

MATERIAIS   
1
Haste
316 S.S.
1.4401
UNI X5CrNiMo 17 12
2
Placa de bloqueio da porca
304 S.S.
1.4301
UNI X5CrNi 18 10
3
Porca de bloqueio
304 S.S.
1.4301
UNI X5CrNi 18 10
4
Mola a copo
301 S.S.
1.4310
UNI X12CrNi 17 07
5
Espaçador
304 S.S.
1.4301
UNI X5CrNi 18 10
6
Anel aperta guarnição
304 S.S.
1.4301
UNI X5CrNi 18 10
7*
Guarnição estática
P.T.F.E.


8
Manga fêmea
316 S.S.
1.4408

9*
Guarnições de vedação lateral
P.T.F.E.


10
Esfera
316 S.S.
1.4401
UNI X5CrNiMo 17 12
11*
O-ring de vedação intermediário
FKM

Not available in ATEX version
12*
Anel de vedação inferior
P.T.F.E.


13
Corpo com manga fêmea
316 S.S.
1.4408

14*
Torque de vedação superior
P.T.F.E.


15
Porca de bloqueio da alavanca
304 S.S.
1.4301
UNI X5CrNi 18 10
16
Alavanca de manobra
304 S.S.
1.4301
UNI X5CrNi 18 10
* Detalhes do kit de substituição KGBV50...

DIAGRAMA DE PRESSÃO/TEMPERATURA

Fluxo/queda de pressão e coeficiente nominal Kv

O valor Kv é o valor da vazão em m3/h (com água a 15°C) que causa a queda de pressão de 1 bar.

TORQUE DE PARTIDA em Nm  
MEDIDA
DN 10 3/8"
DN 15 1/2"
DN 20 3/4"
DN 25
1"

DN 32 1"1/4
DN 40 1"1/2
DN 50
2"

DN 65 2"1/2
DN 80
3"

DN 100
4"

PN 25 bar







76
106
146
PN 40 bar






56



PN 64 bar




28
40




PN 100 bar
8
10
14
20







Os valores do torque podem variar dependendo da temperatura e do tipo de fluido. Considerar um fator de segurança de 1,4. Com ciclos frequentes de abertura e fechamento, o torque de manobra pode diminuir significativamente em comparação ao inicial. Os acoplamentos atuador/válvula, mostrados nas páginas a seguir, são realizados para válvulas que interceptam fluidos líquidos ou gasosos, limpos e para temperaturas médias. Para maiores informações ou usos diferentes, consultar nosso departamento de vendas.

CONFIGURAR DIRIGIR
Selecionar os parâmetros de pesquisa
PESQUISA DE ITEM
X FECHAR

PRÓXIMO EVENTO

IVS - Industrial Valve Summit 2026
IVS - Industrial Valve Summit 2026
Bergamo, Italy, 19 - 21 may 2026