images/testate/Template-Header-Sito-OMALBALLVALVES.jpg

Válvula de bola de acero inoxidable Item 400-401

Válvula de bola de acero inoxidable Item 400-401

Válvula de bola de acero inoxidable microfundida 2 vías roscada paso integral

ITEM 400
Tratamiento externo: enarenada

ITEM 401
Tratamiento externo: pulido

CONFIGURA Accionamiento
SOLICITA INFORMACIÓN
IMPRIME PÁGINA
  • características
  • dimensiones
  • materiales
  • diagramas y pares de aceleración
  • documentos

CARACTERÍSTICAS GENERALES:
• Adecuado para aplicaciones de presión media.
• Temperatura de trabajo: de -20°C a +150°C
• Presión de trabajo: ver diagrama.
• Rango de fluidos: aire, agua, gas, productos petroleros y petroquímicos, medios agresivos.
• Tratamiento de superficie: artículo 400 arenado; artículo 401 pulido.
• Extremos roscados según las especificaciones ISO 7/1 para las series 400 y 401; ISO 228 para la serie 419.
• Conexión de brida ISO 5211.

BAJO PEDIDO:
• Extremos roscados hembra según las especificaciones NPT B1.20.1
• Sellos fabricados en: PTFE con carga de vidrio; PTFE con grafito de carbono.
• Para otras aplicaciones, póngase en contacto con nuestro departamento de ventas.

CERTIFICACIONES:
• De acuerdo con 2014/68/UE “PED”
• Versión ATEX bajo pedido conforme a la directiva 2014/34/UE, no disponible para los tamaños DN10 3/8" y DN15 1/2"

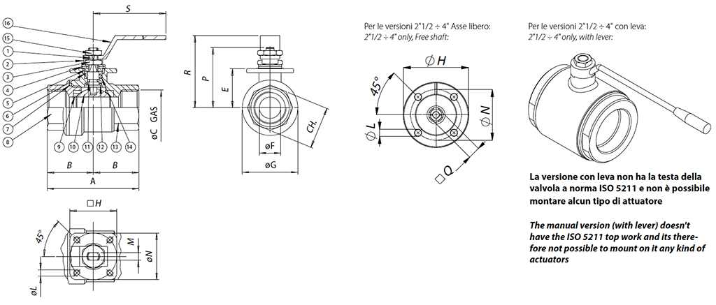
DIMENSIONES   
MEDIDA
A
B
øC
E
øF
øG
H
øL
M
□Q
øN
CH
P
R
S
DN [mm]
[pulgadas]
DN 10
3/8"
55
25
3/8”
22
10
29
36
M5
4
-
36
21,5
37,5
52
110
DN 15
1/2"
65
30
1/2”
24,8
15
34
36
M5
4
-
36
26,5
40,3
55
110
DN 20
3/4"
70
35
3/4
31,3
20
42,5
36
M5
6
-
36
31,5
50,8
66
140
DN 25
1"
85
42,5
1”
35,3
25
50,5
36
M5
6
-
36
40,5
54,8
70
140
DN 32
1" 1/4
95
47,5
1”1/4
44
32
63
42
M5
8
-
42
49,5
68
85
180
DN 40
1" 1/2
105
52,5
1”1/2
50,3
40
75,5
42
M5
8
-
42
54,5
74,3
91
180
DN 50
2"
125
62,5
2”
57,9
50
91
50
M6
10
-
50
69,5
87
105
230
DN 65
2" 1/2
128
64
2”1/2
94,5
65
110
90
9
-
17
70
-
109,5
110
235
DN 80
3"
150
75
3”
106
80
141
90
9
-
17
70
-
121
130
285
DN 100
4"
178
89
4”
120
100
160
120
11
-
17
102
-
135
150
310

MATERIALES   
1
Vástago
316 S.S.
1.4401
UNI X5CrNiMo 17 12
2
Placa bloquea tuerca  
304 S.S.
1.4301
UNI X5CrNi 18 10
3
Tuerca de bloqueo
304 S.S.
1.4301
UNI X5CrNi 18 10
4
Arandelas Belevilles
301 S.S.
1.4310
UNI X12CrNi 17 07
5
Distanciador
304 S.S.
1.4301
UNI X5CrNi 18 10
6
Anillo prensajuntas
304 S.S.
1.4301
UNI X5CrNi 18 10
7*
Junta estática  
P.T.F.E.


8
Manguito hembra
316 S.S.
1.4408

9*
Juntas de sellado lateral  
P.T.F.E.


10
Bola
316 S.S.
1.4401
UNI X5CrNiMo 17 12
11*
Junta tórica de sellado intermedia
FKM

Not available in ATEX version
12*
Anillo de estanqueidad inferior
P.T.F.E.


13
Cuerpo con manguito hembra  
316 S.S.
1.4408

14*
Par de sellado superior
P.T.F.E.


15
Tuerca de bloqueo de la palanca
304 S.S.
1.4301
UNI X5CrNi 18 10
16
Palanca de maniobra
304 S.S.
1.4301
UNI X5CrNi 18 10
* Detalles del kit de repuesto KGBV50...

DIAGRAMA PRESIÓN/TEMPERATURA

Capacidad de carga/pérdida de carga y coeficiente nominal Kv

El valor Kv es el valor de la capacidad de carga en m3/h (con agua a 15°C) que provoca una caída de presión de 1 bar.

PARES DE ACELERACIÓN en Nm
MEDIDA
DN 10 3/8"
DN 15 1/2"
DN 20 3/4"
DN 25
1"

DN 32 1"1/4
DN 40 1"1/2
DN 50
2"

DN 65 2"1/2
DN 80
3"

DN 100
4"

PN 25 bar







76
106
146
PN 40 bar






56



PN 64 bar




28
40




PN 100 bar
8
10
14
20







Los valores del par pueden variar según la temperatura y el tipo de fluido. Tener en cuenta un factor de seguridad igual a 1.4.
Con frecuentes ciclos de apertura y cierre, el par de maniobra puede disminuir sensiblemente con respecto al inicial. Los acoplamientos actuador/válvula, mostrados en las siguientes páginas, se realizan para válvulas que interceptan fluidos líquidos o gaseosos, limpios y para temperaturas medias. Para más información, o usos diferentes, consultar nuestro departamento comercial.

CONFIGURA CONDUCIR
Selecciona los parámetros de búsqueda
BUSCA ARTÍCULO
X CERRAR

SIGUIENTE EVENTO

IVS - Industrial Valve Summit 2026
IVS - Industrial Valve Summit 2026
Bergamo, Italy, 19 - 21 may 2026