images/testate/Template-Header-Sito-OMALBALLVALVES.jpg

Kugelhahn aus Edelstahl Item 400-401

Kugelhahn aus Edelstahl Item 400-401
Makro Kugelhähne

Kugelhahn aus Edelstahl, Mikroguss, 2 Wege, mit Gewinde, voller Durchgang
 
ITEM 400 
Oberflächenbehandlung: sandgestrahlt
 
ITEM 401 
Oberflächenbehandlung: poliert

KONFIGURIEREN Steuerung
INFORMATIONEN ANFORDERN
SEITE DRUCKEN
  • eigenschaften
  • abmessungen
  • werkstoffe
  • diagramme und anlaufmomente
  • dokumente

ALLGEMEINE EIGENSCHAFTEN: 
• Zur Verwendung bei mittlerem Druck.
• Betriebstemperatur: -20°C bis +150°C.
• Betriebsdruck: Siehe Diagramm.
• Betriebsmedien: Luft, Wasser, Gas, Erdölprodukte und Petrochemikalien sowie aggressive Medien.
• Oberflächenbehandlung: Item 400 sandgestrahlt; Item 401 poliert.
• Innengewinde gemäß der Norm ISO 7/1 für die Serien 400 und 401; ISO 228 für die Serie 419.
• Montageflansch für Stellantrieb gemäß ISO 5211

SONDERAUSFÜHRUNGEN AUF ANFRAGE: 
• NPT-Gewindeanschlüsse ANSI B1.20.1
• Dichtungen aus: PTFE glasfaserverstärkt; PTFE kohlenstoff-/graphitverstärkt.
 • Für andere Anwendungen wenden Sie sich an unsere Verkaufsabteilung. 

ZERTIFIZIERUNGEN: 
• In Einklang mit der EU-Richtlinie 2014/68/EU "PED".
• ATEX-Ausführung gemäß der EU-Richtlinie ATEX 2014/34/EU (auf Anfrage), nicht erhältlich für die Abmessungen DN10 3/8" und DN15 1/2"

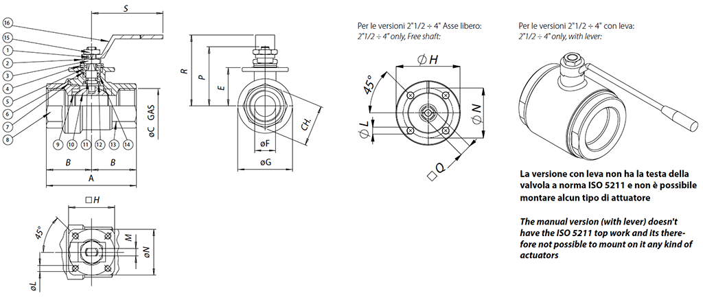
ABMESSUNGEN 
BAUGRÖSSE 
A
B
øC
E
øF
øG
H
øL
M
□Q
øN
CH
P
R
S
DN [mm]
[Zoll]
DN 10
3/8"
55
25
3/8”
22
10
29
36
M5
4
-
36
21,5
37,5
52
110
DN 15
1/2"
65
30
1/2”
24,8
15
34
36
M5
4
-
36
26,5
40,3
55
110
DN 20
3/4"
70
35
3/4
31,3
20
42,5
36
M5
6
-
36
31,5
50,8
66
140
DN 25
1"
85
42,5
1”
35,3
25
50,5
36
M5
6
-
36
40,5
54,8
70
140
DN 32
1" 1/4
95
47,5
1”1/4
44
32
63
42
M5
8
-
42
49,5
68
85
180
DN 40
1" 1/2
105
52,5
1”1/2
50,3
40
75,5
42
M5
8
-
42
54,5
74,3
91
180
DN 50
2"
125
62,5
2”
57,9
50
91
50
M6
10
-
50
69,5
87
105
230
DN 65
2" 1/2
128
64
2”1/2
94,5
65
110
90
9
-
17
70
-
109,5
110
235
DN 80
3"
150
75
3”
106
80
141
90
9
-
17
70
-
121
130
285
DN 100
4"
178
89
4”
120
100
160
120
11
-
17
102
-
135
150
310

WERKSTOFFE 
1
Spindel316 S.S.
1.4401
UNI X5CrNiMo 17 12
2
Sperrscheibe Mutter
304 S.S.
1.4301
UNI X5CrNi 18 10
3
Befestigungsmutter
304 S.S.
1.4301
UNI X5CrNi 18 10
4
Tellerfeder
301 S.S.
1.4310
UNI X12CrNi 17 07
5
Abstandhalter
304 S.S.
1.4301
UNI X5CrNi 18 10
6
Haltering
304 S.S.
1.4301
UNI X5CrNi 18 10
7*
Statische Dichtung
P.T.F.E.


8
Innengewindemuffe
316 S.S.
1.4408

9*
Seitliche Dichtungen  
P.T.F.E.


10
Kugel316 S.S.
1.4401
UNI X5CrNiMo 17 12
11*
O-Ring mittlere Dichtung
FKM

Not available in ATEX version
12*
Unterer Dichtring
P.T.F.E.


13
Gehäuse mit Innengewindemuffe
316 S.S.
1.4408

14*
Obere Dichtungen  
P.T.F.E.


15
Mutter Hebelsperre  
304 S.S.
1.4301
UNI X5CrNi 18 10
16
Handhebel304 S.S.
1.4301
UNI X5CrNi 18 10
* Bestandteile des Ersatzkits KGBV50...

DRUCK-/TEMPERATURDIAGRAMM

Durchflussrate/Druckverlust und Nennkoeffizient Kv

Der Kv-Wert ist der Durchflusswert in m3/h (bei einer Wassertemperatur von 15°C), der einen Druckabfall von 1 bar verursacht.

ANLAUFMOMENTE in Nm 
BAUGRÖSSE
DN 10 3/8"
DN 15 1/2"
DN 20 3/4"
DN 25
1"

DN 32 1"1/4
DN 40 1"1/2
DN 50
2"

DN 65 2"1/2
DN 80
3"

DN 100
4"

PN 25 bar







76
106
146
PN 40 bar






56



PN 64 bar




28
40




PN 100 bar
8
10
14
20







Die angegebenen Anlaufmomentwerte können sich je nach Temperatur oder Betriebsmedien ändern. Berücksichtigen Sie bitte einen Sicherheitsfaktor von 1,4.
Bei häufigen Öffnungs- und Schließzyklen kann sich das Betriebsdrehmoment im Vergleich zum Anfangswert leicht verringern. Die auf den folgenden Seiten angegebenen Kombinationen Antrieb/Armatur beziehen sich auf Armaturen mit flüssigen oder gasförmigen sauberen Medien bei mittleren Temperaturen. Für weitere Informationen oder andere Verwendungszwecke wenden Sie sich bitte an unsere Verkaufsabteilung.

KONFIGURIEREN BETÄTIGUNG
Wählen Sie die Suchparameter
ARTIKEL SUCHEN
SCHLIESSEN

NÄCHSTES EVENT

IVS - Industrial Valve Summit 2026
IVS - Industrial Valve Summit 2026
Bergamo, Italy, 19 - 21 may 2026