images/testate/Template-Header-Sito-OMALBALLVALVES.jpg

Valvola a sfera in acciaio inox Item 400-401

Valvola a sfera in acciaio inox Item 400-401

Valvola a sfera in acciaio inox microfusa 2 vie filettata passaggio integrale

ITEM 400
Trattamento esterno: sabbiata

ITEM 401
Trattamento esterno: lucidata

CONFIGURA Azionamento
RICHIEDI INFORMAZIONI
STAMPA PAGINA
  • caratteristiche
  • dimensioni
  • materiali
  • diagrammi e coppie di spunto
  • documenti

CARATTERISTICHE GENERALI:
• Costruita per l’utilizzo a medie pressioni.
• Temperatura di utilizzo: da -20°C a + 150°C
• Pressione di utilizzo: vedi diagramma.
• Fluido intercettato: aria, acqua, gas, prodotti petroliferi e petrolchimici, fluidi aggressivi.
• Trattamento esterno: articolo 400 sabbiata; articolo 401 lucidata.
• Estremità filettate a norma ISO 7/1 per serie 400 e 401; ISO 228 per serie 419.
• Flangia montaggio attuatore a norma ISO 5211.

ESECUZIONI SPECIALI A RICHIESTA:

• Attacchi femmina NPT ANSI B1.20.1
• Guarnizioni di tenuta in: PTFE caricato vetro; PTFE caricato carbo grafite.
• Per altre applicazioni contattare il nostro ufficio commerciale.

CERTIFICAZIONI:

Conforme alla direttiva Europea 2014/68/UE “PED”
• Versione ATEX a richiesta in conformità alla direttiva 2014/34/ UE, non disponibile per le misure DN10 3/8" e DN15 1/2"

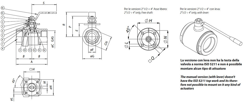
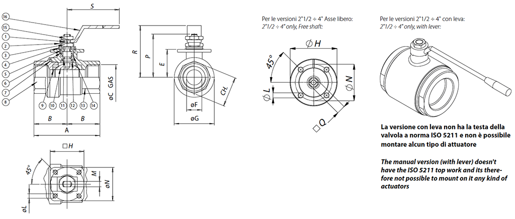
DIMENSIONI    
MISURA 
A
B
øC
E
øF
øG
H
øL
M
□Q
øN
CH
P
R
S
DN [mm]
[inch]
DN 10
3/8"
55
25
3/8”
22
10
29
36
M5
4
-
36
21,5
37,5
52
110
DN 15
1/2"
65
30
1/2”
24,8
15
34
36
M5
4
-
36
26,5
40,3
55
110
DN 20
3/4"
70
35
3/4
31,3
20
42,5
36
M5
6
-
36
31,5
50,8
66
140
DN 25
1"
85
42,5
1”
35,3
25
50,5
36
M5
6
-
36
40,5
54,8
70
140
DN 32
1" 1/4
95
47,5
1”1/4
44
32
63
42
M5
8
-
42
49,5
68
85
180
DN 40
1" 1/2
105
52,5
1”1/2
50,3
40
75,5
42
M5
8
-
42
54,5
74,3
91
180
DN 50
2"
125
62,5
2”
57,9
50
91
50
M6
10
-
50
69,5
87
105
230
DN 65
2" 1/2
128
64
2”1/2
94,5
65
110
90
9
-
17
70
-
109,5
110
235
DN 80
3"
150
75
3”
106
80
141
90
9
-
17
70
-
121
130
285
DN 100
4"
178
89
4”
120
100
160
120
11
-
17
102
-
135
150
310

MATERIALI   
1
Stelo  
316 S.S.
1.4401
UNI X5CrNiMo 17 12
2
Piastra bloccadado  
304 S.S.
1.4301
UNI X5CrNi 18 10
3
Dado di bloccaggio
304 S.S.
1.4301
UNI X5CrNi 18 10
4
Molla a tazza
301 S.S.
1.4310
UNI X12CrNi 17 07
5
Distanziale
304 S.S.
1.4301
UNI X5CrNi 18 10
6
Anello premiguarnizione
304 S.S.
1.4301
UNI X5CrNi 18 10
7*
Guarnizione statica  
P.T.F.E.


8
Manicotto femmina
316 S.S.
1.4408

9*
Guarnizioni di tenuta laterale  
P.T.F.E.


10
Sfera
316 S.S.
1.4401
UNI X5CrNiMo 17 12
11*
O-ring di tenuta intermedia
FKM

Non presente nella versione ATEX
12*
Anello di tenuta inferiore
P.T.F.E.


13
Corpo con manicotto femmina  
316 S.S.
1.4408

14*
Coppia di tenuta superiore  
P.T.F.E.


15
Dado blocca leva  
304 S.S.
1.4301
UNI X5CrNi 18 10
16
Leva di manovra  
304 S.S.
1.4301
UNI X5CrNi 18 10
* Particolari del kit di ricambio KGBV50...

Diagramma pressione/temperatura

Portata/perdita di carico e coefficiente nominale Kv

Il valore Kv è il valore di portata in m3/h (con acqua a 15°C) che provoca la caduta di pressione di 1 bar.

COPPIE DI SPUNTO in Nm  
MISURA  
DN 10 3/8"
DN 15 1/2"
DN 20 3/4"
DN 25
1"
DN 32 1"1/4
DN 40 1"1/2
DN 50
2"
DN 65 2"1/2
DN 80
3"
DN 100
4"
PN 25 bar







76
106
146
PN 40 bar






56



PN 64 bar




28
40




PN 100 bar
8
10
14
20







I valori della coppia possono variare in funzione della temperatura e del tipo di fluido. Considerare un fattore di sicurezza pari a 1,4. Con frequenti cicli di apertura e chiusura la coppia di manovra può diminuire sensibilmente rispetto a quella iniziale. Gli accoppiamenti attuatore/valvola, riportati nelle pagine seguenti, sono realizzati per valvole che intercettano fluidi liquidi o gassosi, puliti e per medie temperature. Per maggiori informazioni, o utilizzi diversi, consultare il nostro ufficio commerciale.

CONFIGURA AZIONAMENTO
Seleziona i parametri di ricerca
CERCA ARTICOLO
X CHIUDI

PROSSIMO EVENTO

IVS - Industrial Valve Summit 2026
IVS - Industrial Valve Summit 2026
Bergamo, Italia, 19 - 21 maggio 2026