images/testate/Template-Header-Sito-OMALBALLVALVES.jpg

Item 400-401 stainless steel ball valves

Item 400-401 stainless steel ball valves
Macro Ball valves

2-way full-bore threaded-ends stainless steel ball valve

ITEM 400
Surface treatment: sandblasted

ITEM 401
Surface treatment: polished

CONFIGURE Drive
REQUEST INFORMATION
PAGE PRINT
  • features
  • dimensions
  • materials
  • diagrams and breakaway torque
  • documents

GENERAL FEATURES:
• Suitable for middle pressure applications.
• Working temperature: from -20°C to +150°C
• Working pressure: see diagram.
• Fluid range: air, water, gas, petroleum and petrochemical products, aggressive media.
• Surface treatment: article 400 sandblasted; article 401 polished.
• Threaded ends as per ISO 7/1 specifications for 400 and 401 series; ISO 228 for 419 series.
• ISO 5211 flange connection.

ON REQUEST:
• Female threaded ends as per NPT B1.20.1 specifications
• Seals made of: PTFE glass filled; PTFE with carbon graphite.
• For other applications, please contact our sales department.

CERTIFICATIONS:
• According to 2014/68/EU “PED”
• ATEX version on request in conformity with directive 2014/34/EU, not available for sizes DN10 3/8" e DN15 1/2"

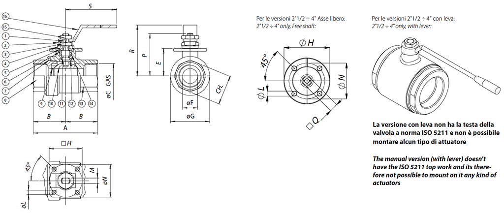
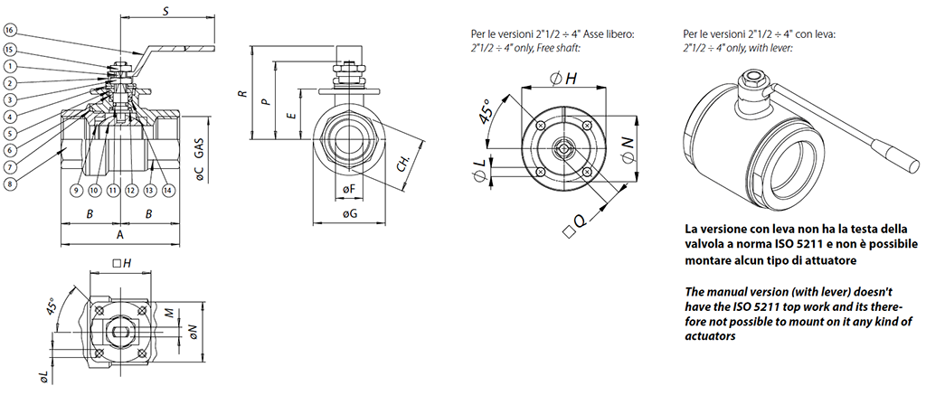
   DIMENSIONS
SIZE
A
B
øC
E
øF
øG
H
øL
M
□Q
øN
CH
P
R
S
DN [mm]
[inch]
DN 10
3/8"
55
25
3/8”
22
10
29
36
M5
4
-
36
21,5
37,5
52
110
DN 15
1/2"
65
30
1/2”
24,8
15
34
36
M5
4
-
36
26,5
40,3
55
110
DN 20
3/4"
70
35
3/4
31,3
20
42,5
36
M5
6
-
36
31,5
50,8
66
140
DN 25
1"
85
42,5
1”
35,3
25
50,5
36
M5
6
-
36
40,5
54,8
70
140
DN 32
1" 1/4
95
47,5
1”1/4
44
32
63
42
M5
8
-
42
49,5
68
85
180
DN 40
1" 1/2
105
52,5
1”1/2
50,3
40
75,5
42
M5
8
-
42
54,5
74,3
91
180
DN 50
2"
125
62,5
2”
57,9
50
91
50
M6
10
-
50
69,5
87
105
230
DN 65
2" 1/2
128
64
2”1/2
94,5
65
110
90
9
-
17
70
-
109,5
110
235
DN 80
3"
150
75
3”
106
80
141
90
9
-
17
70
-
121
130
285
DN 100
4"
178
89
4”
120
100
160
120
11
-
17
102
-
135
150
310

MATERIALS  
1
Shaft
316 S.S.
1.4401
UNI X5CrNiMo 17 12
2
Nut holder
304 S.S.
1.4301
UNI X5CrNi 18 10
3
Lock nut
304 S.S.
1.4301
UNI X5CrNi 18 10
4
Belleville washer
301 S.S.
1.4310
UNI X12CrNi 17 07
5
Washer
304 S.S.
1.4301
UNI X5CrNi 18 10
6
Gland nut
304 S.S.
1.4301
UNI X5CrNi 18 10
7*
Static ring  
P.T.F.E.


8
End
316 S.S.
1.4408

9*
Seals  
P.T.F.E.


10
Ball
316 S.S.
1.4401
UNI X5CrNiMo 17 12
11*
O-ring
FKM

Not available in ATEX version
12*
Bottom tight ring
P.T.F.E.


13
Body with female end
316 S.S.
1.4408

14*
Top sealing
P.T.F.E.


15
Lever nut
304 S.S.
1.4301
UNI X5CrNi 18 10
16
Lever
304 S.S.
1.4301
UNI X5CrNi 18 10
* Components of spare part kit KGBV50...

Pressure/temperature diagram

Flow/pressure loss diagram and Kv nominal coefficient

Kv is the coefficient, expressed in m3/h (with water at 15°C) causing a pressure loss of 1 bar.

  BREAKAWAY TORQUES Nm
 SIZE
DN 10 3/8"
DN 15 1/2"
DN 20 3/4"
DN 25
1"
DN 32 1"1/4
DN 40 1"1/2
DN 50
2"
DN 65 2"1/2
DN 80
3"
DN 100
4"
PN 25 bar







76
106
146
PN 40 bar






56



PN 64 bar




28
40




PN 100 bar
8
10
14
20







Torque can vary depending on temperature and type of fluid; a safety factor of 1.4 must be applied. Torque can drop on high frequency of operations. The actuator/valve sizing, indicated on the following pages, are based for valves to be used with liquids or gaseous fluids, clean, and for medium temperatures. For further information, or different uses please contact our sales department.

CONFIGURE DRIVE
Select the search standards
FIND ITEM
X CLOSE

NEXT EVENT

IVS - Industrial Valve Summit 2026
IVS - Industrial Valve Summit 2026
Bergamo, Italy, 19 - 21 may 2026