images/testate/Template-Header-Sito-OMALBALLVALVES.jpg

Item 113黄铜球阀

  • 特性
  • 特性
  • 物料
  • 图表和起动扭矩

常规参数:
• 阀门设计用于液压、气动和常规工业领域的高压力设施。
• 使用温度:-20℃~+80℃
• 使用压力:210bar,具体请参见图表
• 截止流体:油类、石油和石化产品和非腐蚀性流体。
• ISO 7/1标准螺纹头

选装特殊配置:

• 其他应用领域敬请咨询我司的销售部门。

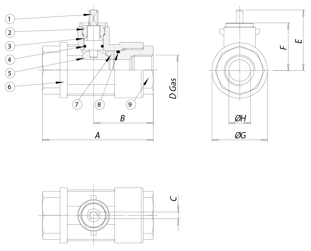
尺寸规格
尺寸
A
B
C
øD
E
F
øG
øH
DN [mm]
[inch]
DN 10
3/8"
75
44
7
3/8”
45
35
30
8
DN 15
1/2"
85
47
7
1/2”
47
36,5
36
12
DN 20
3/4"
95
54
10
3/4”
64,5
50,5
45
16
DN 25
1"
105
56
10
1”
66,8
53
53
20

才村
1
阀杆
黄铜
EN 12164 CW614N
2
密封顶环*
黄铜

3
上密封件
P.T.F.E.
EN 12164 CW614N
4
阀杆O密封件
FKM

5
球体
亮光镀镍黄铜

6
阀体
黄铜

7
侧密封件
乙缩醛树脂
EN 12164 CW614N
8
末端O形密封圈
FKMM
EN 12165 CW617N
9
螺纹母头*
黄铜
EN 12165 CW617N
* 外表面处理:亮光镀镍

压力/温度图表

流量/压力损失图表和公称系数Kv

流量系数Kv的数值等于压降为1 bar时的流量值(单位为m3/h,水温为15℃)。

起动扭矩 (Nm)
尺寸
DN 10
3/8"
DN 15
1/2"
DN 20
3/4"
DN 25
1"
PN 210 bar
7
11
15
20

扭矩值可能因温度和流体类型的影响而出现变化。纳入考虑的安全因子为1.4。
在频繁开闭的循环条件下,操纵扭矩可能会略低于初始扭矩。后文中列示的执行器/阀门装配以平均温度下截止洁净的液体或气体时为准。欲了解详情或其他应用方式,请联络我司的销售部门。

配置 驾驶
选择搜索参数
搜索文章
X 关闭

下一新闻

IVS - Industrial Valve Summit 2026
IVS - Industrial Valve Summit 2026
Bergamo, Italy, 19 - 21 may 2026