images/testate/Template-Header-Sito-OMALBALLVALVES.jpg

Vanne à boisseau sphérique en laiton, Item 113

  • caractéristiques
  • dimensions
  • matériaux
  • diagrammes et couples de démarrage

CARACTÉRISTIQUES GÉNÉRALES:
• La vanne a été conçue pour être utilisée à des pressions élevées au sein d’installations hydrauliques, pneumatiques et industrielles en général.
• Température de fonctionnement: de -20°C à +80°C
• Pressions de fonctionnement: 210 bar, voir diagramme
• Fluide véhiculé: huiles, produits pétroliers et pétrochimiques, fluides non agressifs.
• Extrémités filetées selon ISO 7/1.

RÉALISATIONS SPÉCIALES SUR DEMANDE:
Pour d'autres applications, veuillez vous adresser à notre service commercial.

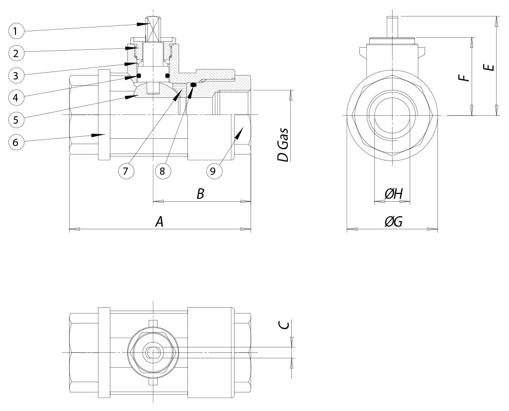
DIMENSIONS 
MESURE 
A
B
C
øD
E
F
øG
øH
DN [mm]
[pouces]
DN 10
3/8"
75
44
7
3/8”
45
35
30
8
DN 15
1/2"
85
47
7
1/2”
47
36,5
36
12
DN 20
3/4"
95
54
10
3/4”
64,5
50,5
45
16
DN 25
1"
105
56
10
1”
66,8
53
53
20


MATÉRIAUX    
1
Tige*
Laiton
EN 12164 CW614N
2
Presse-étoupe*  
Laiton
EN 12164 CW614N
3
Paire de garnitures étanchéité supérieure
P.T.F.E.

4
Joint torique d’étanchéité tige
FKM

5
Boisseau
Laiton chromage poli
EN 12164 CW614N
6
Corps*
Laiton
EN 12165 CW617N
7
Garnitures d’étanchéité latérale
Résine acétal

8
Joint torique étanchéité manchon
FKM

9
Manchon femelle*
Laiton
EN 12165 CW617N
* Traitement extérieur: Nickelage brillant

DIAGRAMME PRESSION/TEMPÉRATURE

Débit/perte de charge et coefficient nominal Kv

La valeur Kv est la valeur du débit en m3/h (avec de l’eau à 15°C) qui provoque une chute de pression d’1 bar.

COUPLES DE DÉMARRAGE en Nm
MESUREDN 10
3/8"

DN 15
1/2"

DN 20
3/4"

DN 25
1"

PN 210 bar
7
11
15
20


Les valeurs du couple peuvent varier en fonction de la température et du fluide. Considérer un facteur de sécurité de 1,4.
Avec des cycles fréquents d'ouverture et de fermeture, le couple de manœuvre pourrait être considérablement inférieur au couple initial. Les accouplements actionneur/vanne, montrés aux pages suivantes, sont conçus pour les vannes qui arrêtent des fluides liquides ou gazeux, propres et pour des températures moyennes. Pour plus d'informations ou pour des utilisations différentes, veuillez vous adresser à notre service commercial.

CONFIGURER ACTIONNEMENT
Sélectionnez les paramètres de recherche
RECHERCHER UN ARTICLE
X FERMER

PROCHAIN ÉVÈNEMENT

IVS - Industrial Valve Summit 2026
IVS - Industrial Valve Summit 2026
Bergamo, Italy, 19 - 21 may 2026