images/testate/Template-Header-Sito-OMALBALLVALVES.jpg

Kugelhahn aus Messing Item 113

  • eigenschaften
  • abmessungen
  • werkstoffe
  • diagramme und anlaufmomente

ALLGEMEINE EIGENSCHAFTEN: 
• Der Kugelhahn wurde für Hochdruck-Anwendungen in ölhydraulischen, pneumatischen und industriellen Anlagen allgemein entwickelt.
• Betriebstemperatur: -20°C bis +80°C.
• Betriebsdruck: 210 bar, siehe Diagramm
• Betriebsmedien: Öle, Erdölprodukte und Petrochemikalien sowie nicht aggressive Medien.
• Innengewinde gemäß der Norm ISO 7/1. 

SONDERAUSFÜHRUNGEN AUF ANFRAGE
• Für andere Anwendungen wenden Sie sich an unsere Verkaufsabteilung.

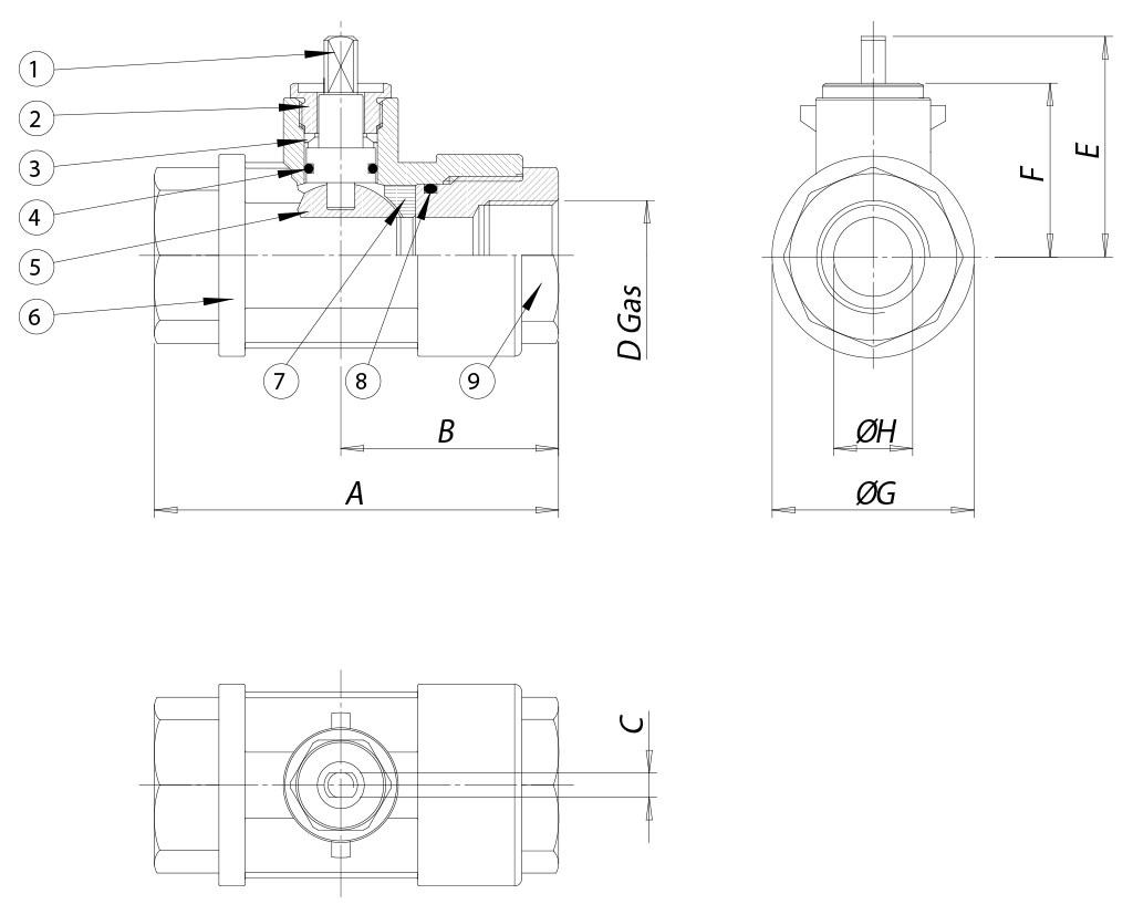
ABMESSUNGEN 
BAUGRÖSSE 
A
B
C
øD
E
F
øG
øH
DN [mm]
[Zoll]
DN 10
3/8"
75
44
7
3/8”
45
35
30
8
DN 15
1/2"
85
47
7
1/2”
47
36,5
36
12
DN 20
3/4"
95
54
10
3/4”
64,5
50,5
45
16
DN 25
1"
105
56
10
1”
66,8
53
53
20

WERKSTOFFE
1
Spindel*
Messing  
EN 12164 CW614N
2
Haltering*
Messing
EN 12164 CW614N
3
Obere Dichtungen
P.T.F.E.

4
Spindeldichtung O-Ring  
FKM

5
Kugel
Glanzverchromtes Messing
EN 12164 CW614N
6
Gehäuse*
Messing
EN 12165 CW617N
7
Seitliche Dichtungen
Acetalharz

8
Muffendichtung O-Ring
FKM

9
Innengewindemuffe*
Messing
EN 12165 CW617N
* Oberflächenbehandlung: Glanzvernickelung

DRUCK-/TEMPERATURDIAGRAMM

Durchflussrate/Druckverlust und Nennkoeffizient Kv

Der Kv-Wert ist der Durchflusswert in m3/h (bei einer Wassertemperatur von 15°C), der einen Druckabfall von 1 bar verursacht.

ANLAUFMOMENTE in Nm
BAUGRÖSSE
DN 10
3/8"

DN 15
1/2"

DN 20
3/4"

DN 25
1"

PN 210 bar
7
11
15
20


Die angegebenen Anlaufmomentwerte können sich je nach Temperatur oder Betriebsmedien ändern. Berücksichtigen Sie bitte einen Sicherheitsfaktor von 1,4.
Bei häufigen Öffnungs- und Schließzyklen kann sich das Betriebsdrehmoment im Vergleich zum Anfangswert leicht verringern. Die auf den folgenden Seiten angegebenen Kombinationen Antrieb/Armatur beziehen sich auf Armaturen mit flüssigen oder gasförmigen sauberen Medien bei mittleren Temperaturen. Für weitere Informationen oder andere Verwendungszwecke wenden Sie sich bitte an unsere Verkaufsabteilung.

KONFIGURIEREN BETÄTIGUNG
Wählen Sie die Suchparameter
ARTIKEL SUCHEN
SCHLIESSEN

NÄCHSTES EVENT

IVS - Industrial Valve Summit 2026
IVS - Industrial Valve Summit 2026
Bergamo, Italy, 19 - 21 may 2026