images/testate/Template-Header-Sito-OMALBALLVALVES.jpg

Item 113 brass ball valve

  • features
  • dimensions
  • materials
  • diagrams and breakaway torque

GENERAL FEATURES:
• High pressure ball valve suitable for hydraulic and pneumatic applications, in general.
• Working temperature: from -20°C to + 80°C
• Working pressure: 210 bar, see diagram
• Fluid range: oils, petroleum and petrochemical products.
• Threaded ends as per ISO 7/1 specifications.

ON REQUEST:
• For other applications, please contact our sales department.

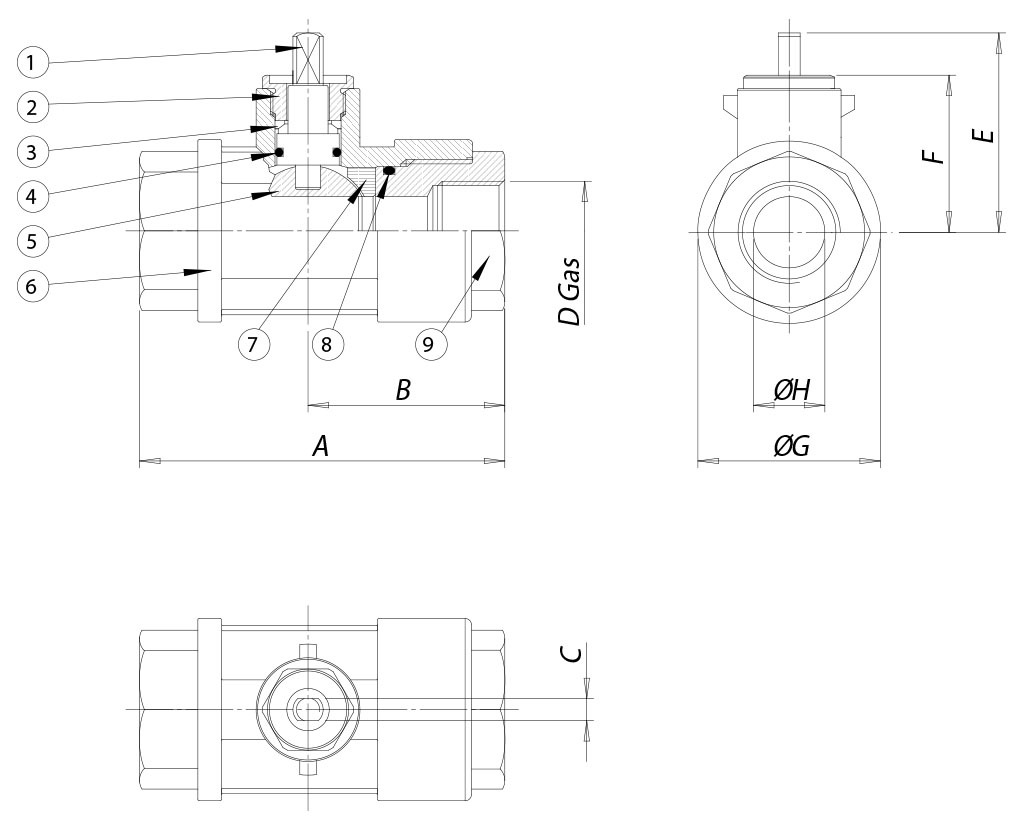
DIMENSIONS
  SIZE
A
B
C
øD
E
F
øG
øH
DN [mm]
[inch]
DN 10
3/8"
75
44
7
3/8”
45
35
30
8
DN 15
1/2"
85
47
7
1/2”
47
36,5
36
12
DN 20
3/4"
95
54
10
3/4”
64,5
50,5
45
16
DN 25
1"
105
56
10
1”
66,8
53
53
20

  MATERIALS
1
Shaft*
Brass
EN 12164 CW614N
2
Gland nut*
Brass
EN 12164 CW614N
3
Seals
P.T.F.E.

4
Shaft o-ring
FKM

5
Ball
Brass chromium plated
EN 12164 CW614N
6
Body*
Brass
EN 12165 CW617N
7
Seals
Acetalic resin

8
End o-ring
FKM

9
Threaded end*
Brass
EN 12165 CW617N
* Surface treatment: bright nickel plating

Pressure/temperature diagram

Flow/pressure loss diagram and Kv nominal coefficient

Kv is the coefficient, expressed in m3/h (with water at 15°C) causing a pressure loss of 1 bar.

 BREAKAWAY TORQUES Nm
 SIZE
DN 10
3/8"
DN 15
1/2"
DN 20
3/4"
DN 25
1"
PN 210 bar
7
11
15
20


Torque can vary depending on temperature and type of fluid; a safety factor of 1.4 must be applied. Torque can drop on high frequency of operations. The actuator/ valve sizing, indicated on the following pages, are based for valves to be used with liquids or gaseous fluids, clean, and for medium temperatures. For further information, or different uses please contact our sales department.

CONFIGURE DRIVE
Select the search standards
FIND ITEM
X CLOSE

NEXT EVENT

IVS - Industrial Valve Summit 2026
IVS - Industrial Valve Summit 2026
Bergamo, Italy, 19 - 21 may 2026