images/testate/Template-Header-Sito-OMALBALLVALVES.jpg

Válvula de bola de latón Item 113

  • características
  • dimensiones
  • materiales
  • diagramas y pares de aceleración

CARACTERÍSTICAS GENERALES:
• La válvula está construida para usos a altas presiones en sistemas oleodinámicos, neumáticos e industriales en general.
• Temperatura de uso: desde -20°C a + 80°C
• Presión de uso: 210 bar, ver diagrama
• Fluido interceptado: aceites, productos petrolíferos y petroquímicos, fluidos no agresivos.
• Extremos roscados según la norma ISO 7/1.

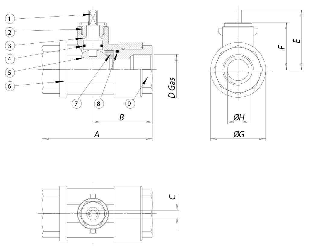
DIMENSIONES
MEDIDA 
A
B
C
øD
E
F
øG
øH
DN [mm]
[pulgadas]
DN 10
3/8"
75
44
7
3/8”
45
35
30
8
DN 15
1/2"
85
47
7
1/2”
47
36,5
36
12
DN 20
3/4"
95
54
10
3/4”
64,5
50,5
45
16
DN 25
1"
105
56
10
1”
66,8
53
53
20

MATERIALES  
1
Vástago*
Latón  
EN 12164 CW614N
2
Prensajuntas*
Latón  
EN 12164 CW614N
3
Par de sellado superior
P.T.F.E.

4
Junta tórica de sellado del vástago
FKM

5
Bola
Latón cromada brillante
EN 12164 CW614N
6
Cuerpo*
Latón
EN 12165 CW617N
7
Juntas de sellado lateral
Resina acetálica

8
Junta tórica de sellado del manguito
FKM

9
Manguito hembra*
Latón
EN 12165 CW617N
* Tratamiento externo: Niquelado brillante

DIAGRAMA PRESIÓN/TEMPERATURA

Capacidad de carga/pérdida de carga y coeficiente nominal Kv

El valor Kv es el valor de la capacidad de carga en m3/h (con agua a 15°C) que provoca una caída de presión de 1 bar.

PARES DE ACELERACIÓN en Nm
MEDIDA 
DN 10
3/8"

DN 15
1/2"

DN 20
3/4"

DN 25
1"

PN 210 bar
7
11
15
20


Los valores del par pueden variar según la temperatura y el tipo de fluido. Tener en cuenta un factor de seguridad igual a 1.4.
Con frecuentes ciclos de apertura y cierre, el par de maniobra puede disminuir sensiblemente con respecto al inicial. Los acoplamientos actuador/válvula, mostrados en las siguientes páginas, se realizan para válvulas que interceptan fluidos líquidos o gaseosos, limpios y para temperaturas medias. Para más información, o usos diferentes, consultar nuestro departamento comercial.

CONFIGURA CONDUCIR
Selecciona los parámetros de búsqueda
BUSCA ARTÍCULO
X CERRAR

SIGUIENTE EVENTO

IVS - Industrial Valve Summit 2026
IVS - Industrial Valve Summit 2026
Bergamo, Italy, 19 - 21 may 2026