images/testate/Template-Header-Sito-OMALBALLVALVES.jpg

Valvola a sfera in ottone Item 113

  • caratteristiche
  • dimensioni
  • materiali
  • diagrammi e coppie di spunto

CARATTERISTICHE GENERALI:
• La valvola é costruita per impieghi ad alte pressioni in impianti oleodinamici, pneumatici e industriali in genere.
• Temperatura di utilizzo: da -20°C a + 80°C
• Pressione di utilizzo: 210 bar, vedere diagramma
• Fluido intercettato: oli, prodotti petroliferi e petrolchimici, fluidi non aggressivi.
• Estremità filettate a norma ISO 7/1.

ESECUZIONI SPECIALI A RICHIESTA:
• Per altre applicazioni contattare il nostro ufficio commerciale.

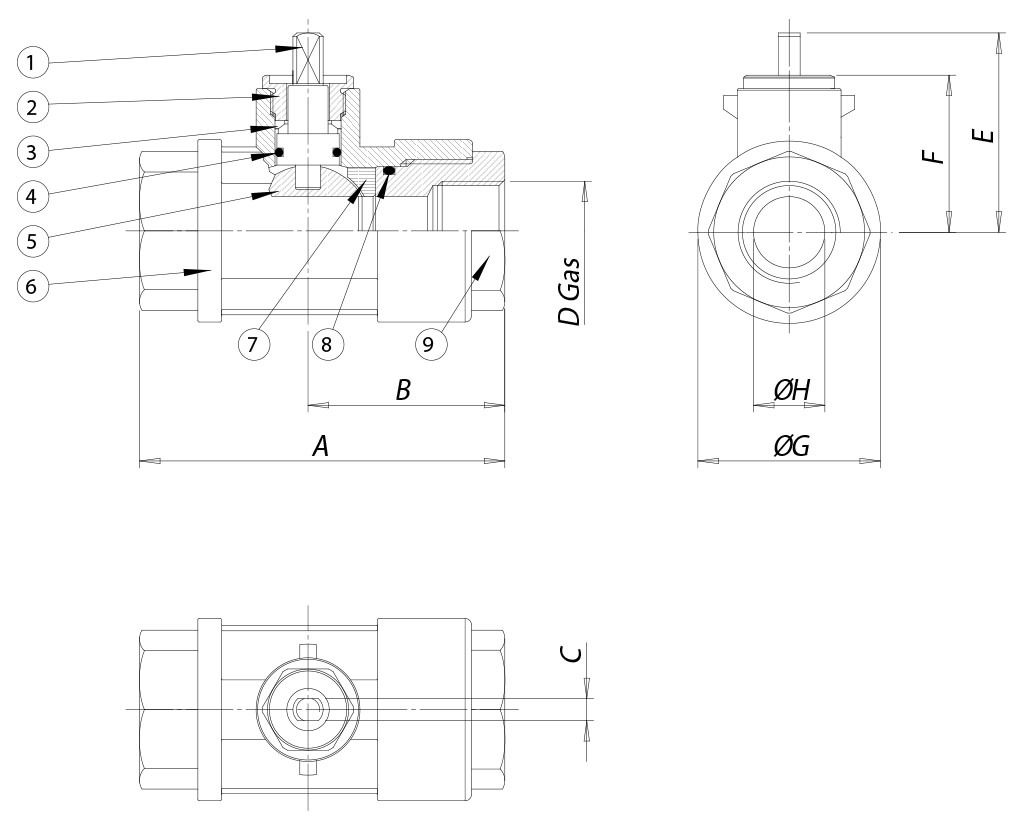
DIMENSIONI  
MISURA 
A
B
C
øD
E
F
øG
øH
DN [mm]
[inch]
DN 10
3/8"
75
44
7
3/8”
45
35
30
8
DN 15
1/2"
85
47
7
1/2”
47
36,5
36
12
DN 20
3/4"
95
54
10
3/4”
64,5
50,5
45
16
DN 25
1"
105
56
10
1”
66,8
53
53
20

MATERIALI    
1
Stelo*
Ottone  
EN 12164 CW614N
2
Premiguarnizione*  
Ottone  
EN 12164 CW614N
3
Coppia di tenuta superiore
P.T.F.E.

4
O-ring tenuta stelo  
FKM

5
Sfera
Ottone cromata lucida  
EN 12164 CW614N
6
Corpo*
Ottone  
EN 12165 CW617N
7
Guarnizioni di tenuta laterale
Resina acetalica

8
O-ring tenuta manicotto  
FKM

9
Manicotto femmina*
Ottone  
EN 12165 CW617N
* Trattamento esterno: Nichelatura brillante

Diagramma pressione/temperatura

Portata/perdita di carico e coefficiente nominale Kv

Il valore Kv è il valore di portata in m3/h (con acqua a 15°C) che provoca la caduta di pressione di 1 bar.

COPPIE DI SPUNTO in Nm 
MISURA  
DN 10
3/8"
DN 15
1/2"
DN 20
3/4"
DN 25
1"
PN 210 bar
7
11
15
20


I valori della coppia possono variare in funzione della temperatura e del tipo di fluido. Considerare un fattore di sicurezza pari a 1,4.
Con frequenti cicli di apertura e chiusura la coppia di manovra può diminuire sensibilmente rispetto a quella iniziale. Gli accoppiamenti attuatore/valvola, riportati nelle pagine seguenti, sono realizzati per valvole che intercettano fluidi liquidi o gassosi, puliti e per medie temperature. Per maggiori informazioni, o utilizzi diversi, consultare il nostro ufficio commerciale.

CONFIGURA AZIONAMENTO
Seleziona i parametri di ricerca
CERCA ARTICOLO
X CHIUDI

PROSSIMO EVENTO

IVS - Industrial Valve Summit 2026
IVS - Industrial Valve Summit 2026
Bergamo, Italia, 19 - 21 maggio 2026