images/testate/Template-Header-Sito-OMALBALLVALVES.jpg

Válvula de esfera em latão Item 113

  • características
  • dimensões
  • materiais
  • diagramas e torques de partida

CARACTERÍSTICAS GERAIS:
• A válvula é construída para uso em altas pressões em plantas hidráulicas, pneumáticas e industriais em geral.
• Temperatura de operação: de -20°C a +80°C
• Pressão de operação: 210 bar, ver o diagrama
• Fluido interceptado: óleos, produtos petrolíferos e petroquímicos, fluidos não agressivos.
• Extremidade rosqueada em conformidade com a norma ISO 7/1.

EXECUÇÕES ESPECIAIS A PEDIDO:

• Para outras aplicações, entrar em contato com nosso departamento de vendas.

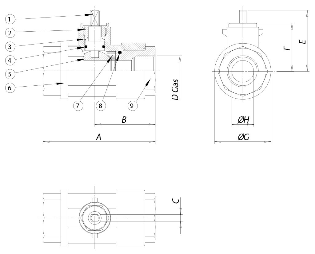
DIMENSÕES 
MEDIDA 
A
B
C
øD
E
F
øG
øH
DN [mm]
[polegada]
DN 10
3/8"
75
44
7
3/8”
45
35
30
8
DN 15
1/2"
85
47
7
1/2”
47
36,5
36
12
DN 20
3/4"
95
54
10
3/4”
64,5
50,5
45
16
DN 25
1"
105
56
10
1”
66,8
53
53
20


MATERIAIS    
1
Haste*
Latão
EN 12164 CW614N
2
Aperta guarnição*  
Latão
EN 12164 CW614N
3
Torque de vedação superior
P.T.F.E.

4
O-ring de vedação da haste
FKM

5
Esfera
Latão cromado polido  
EN 12164 CW614N
6
Corpo*
Latão
EN 12165 CW617N
7
Guarnições de vedação lateral
Resina acetálica

8
O-ring de vedação da manga  
FKM

9
Manga fêmea*

Latão

EN 12165 CW617N
* Tratamento externo: Niquelatura brilhante

DIAGRAMA DE PRESSÃO/TEMPERATURA

Fluxo/queda de pressão e coeficiente nominal Kv

O valor Kv é o valor da vazão em m3/h (com água a 15°C) que causa a queda de pressão de 1 bar.

TORQUES DE PARTIDA em Nm 
MEDIDA 
DN 10
3/8"

DN 15
1/2"

DN 20
3/4"

DN 25
1"

PN 210 bar
7
11
15
20


Os valores do torque podem variar dependendo da temperatura e do tipo de fluido. Considerar um fator de segurança de 1,4.
Com ciclos frequentes de abertura e fechamento, o torque de manobra pode diminuir significativamente em comparação ao inicial. Os acoplamentos atuador/válvula, mostrados nas páginas a seguir, são realizados para válvulas que interceptam fluidos líquidos ou gasosos, limpos e para temperaturas médias. Para mais informações ou usos diferentes, consultar nosso departamento de vendas.

CONFIGURAR DIRIGIR
Selecionar os parâmetros de pesquisa
PESQUISA DE ITEM
X FECHAR

PRÓXIMO EVENTO

IVS - Industrial Valve Summit 2026
IVS - Industrial Valve Summit 2026
Bergamo, Italy, 19 - 21 may 2026