images/testate/Template-Header-Sito-OMALBALLVALVES.jpg

Item 115黄铜球阀

Item 115黄铜球阀
球阀

采用扁平阀体的2通道全通径黄铜法兰球阀

配置 动力
申请详细信息
打印页面
  • 特性
  • 特性
  • 物料
  • 图表和起动扭矩

常规参数:
• 法兰接口标准:EN1092-1 PN16
• 使用温度:用于液体时为-20℃~+150℃,用于气体时为-20℃~+60℃
• 使用压力:PN 16,具体请参见图表
• 截止流体:空气、水、天然气、石油和石化产品、非腐蚀性流体。
• 用于执行器的ISO 5211标准接口

选装特殊配置:

• 其他应用领域敬请咨询我司的销售部门。

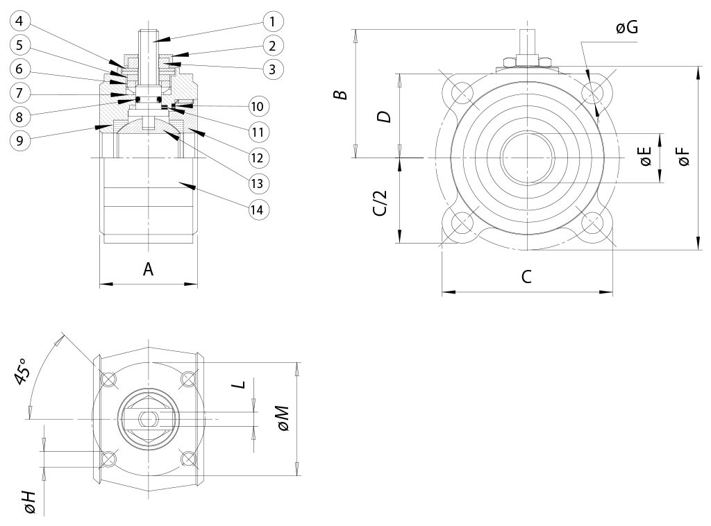
尺寸规格
尺寸
A
B
C
D
øE
øF
øG
øH
L
øM
DN [mm]
[inch]
DN 15
1/2"
35
48
66
31
15
65
M12
M5
6
36
DN 20
3/4"
38
51
73
34
20
75
M12
M5
6
36
DN 25
1"
43
63,5
83
39,5
25
85
M12
M5
8
42
DN 32
1" 1/4
54
68
100
46
32
100
M16
M5
8
42
DN 40
1" 1/2
60
80
105
50
40
110
M16
M6
10
50
DN 50
2"
70
87
115
57
50
125
M16
M6
10
50

材质 
1
阀杆
304 不锈钢
1.4301
UNI X5CrNi 18 10
2
螺母锁止片
304 不锈钢
1.4301
UNI X5CrNi 18 10
3
锁止螺母
304 不锈钢
1.4301
UNI X5CrNi 18 10
4
碟型弹簧
50 CrV4


5
定距片304 不锈钢
1.4301
UNI X5CrNi 18 10
6
密封顶环
304 不锈钢
1.4301
UNI X5CrNi 18 10
7
上密封件
P.T.F.E.


8
中部O形密封圈
FKM


9
侧密封件
P.T.F.E.


10
环型螺母密封件
P.T.F.E.


11
下密封件
P.T.F.E.


12
环型螺母*
黄铜

EN 12164 CW614N
13
亮光镀镍球体
黄铜

EN 12164 CW614N
14
阀体*
黄铜

EN 12165 CW617N
* 外表面处理:亮光镀镍

压力/温度图表

流量/压力损失图表和公称系数Kv

流量系数Kv的数值等于压降为1 bar时的流量值(单位为m3/h,水温为15℃)。

起动扭矩(Nm)
尺寸
DN 15
1/2"
DN 20
3/4"
DN 25
1/2"
DN 32
1"1/4
DN 40
1"1/2
DN 50
2"
PN 16 bar
7
9
16
26
39
58

扭矩值可能因温度和流体类型的影响而出现变化。纳入考虑的安全因子为1.4。
在频繁开闭的循环条件下,操纵扭矩可能会略低于初始扭矩。后文中列示的执行器/阀门装配以平均温度下截止洁净的液体或气体时为准。欲了解详情或其他应用方式,请联络我司的销售部门。

配置 驾驶
选择搜索参数
搜索文章
X 关闭

下一新闻

IVS - Industrial Valve Summit 2026
IVS - Industrial Valve Summit 2026
Bergamo, Italy, 19 - 21 may 2026