images/testate/Template-Header-Sito-OMALBALLVALVES.jpg

Válvula de esfera em latão Item 115

Válvula de esfera em latão Item 115

Válvula de esfera em latão 2 vias flangeada a corpo plano - passagem integral.

CONFIGURAR Acionamento
SOLICITAR INFORMAÇÃO
IMPRIMIR PÁGINA
  • características
  • dimensões
  • materiais
  • diagramas e torques de partida

CARACTERÍSTICAS GERAIS:
• Normas para flanges de conexão: EN1092-1 PN16
• Temperatura de operação: de -20°C a +150°C para líquidos de -20°C a +60°C para gases
• Pressão de operação: PN 16 ver diagrama
• Fluido interceptado: ar, água, gás, produtos petrolíferos e petroquímicos, fluidos não agressivos.
• Conexão ISO 5211 para atuadores

EXECUÇÕES ESPECIAIS A PEDIDO:
• Para outras aplicações, entrar em contato com nosso departamento de vendas.

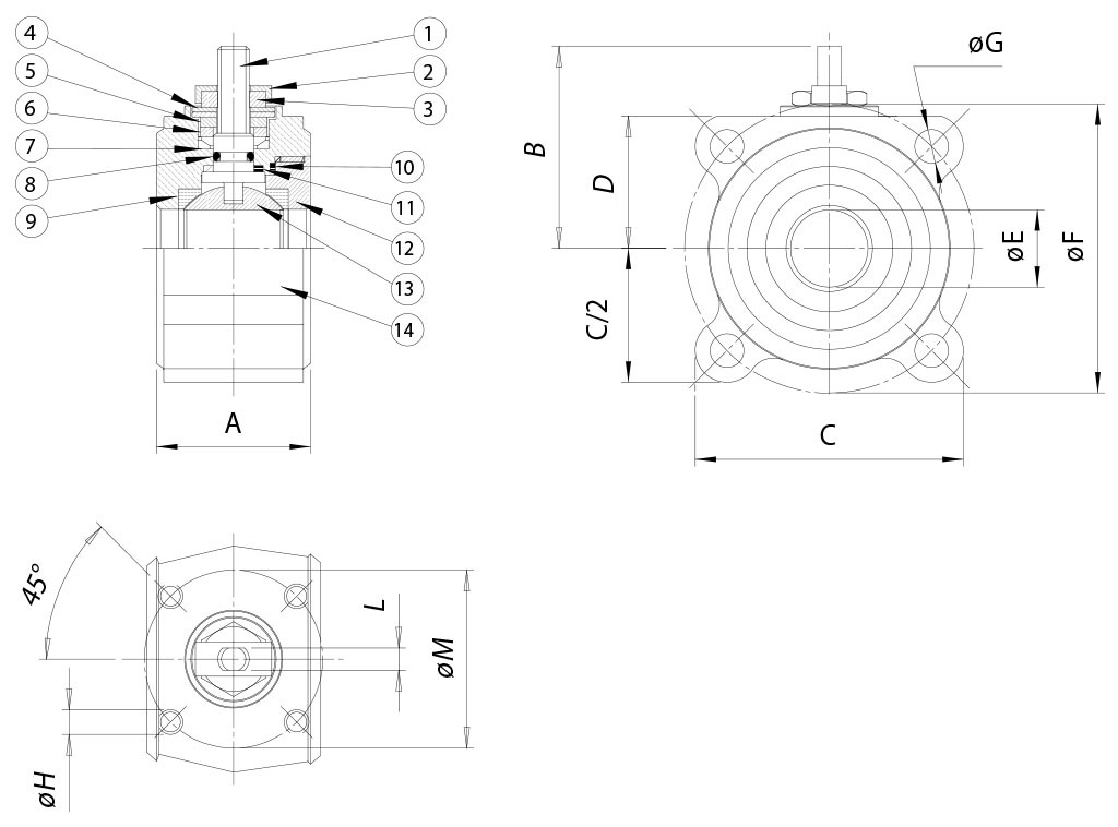
DIMENSÕES
MEDIDA
A
B
C
D
øE
øF
øG
øH
L
øM
DN [mm]
[polegada]
DN 15
1/2"
35
48
66
31
15
65
M12
M5
6
36
DN 20
3/4"
38
51
73
34
20
75
M12
M5
6
36
DN 25
1"
43
63,5
83
39,5
25
85
M12
M5
8
42
DN 32
1" 1/4
54
68
100
46
32
100
M16
M5
8
42
DN 40
1" 1/2
60
80
105
50
40
110
M16
M6
10
50
DN 50
2"
70
87
115
57
50
125
M16
M6
10
50



MATERIAIS    
1
Haste
304 S.S.
1.4301
UNI X5CrNi 18 10
2
Placa de bloqueio
304 S.S.
1.4301
UNI X5CrNi 18 10
3
Porca de bloqueio
304 S.S.
1.4301
UNI X5CrNi 18 10
4
Molas de copo
50 CrV4


5
Espaçador
304 S.S.
1.4301
UNI X5CrNi 18 10
6
Anel aperta guarnição
304 S.S.
1.4301
UNI X5CrNi 18 10
7
Torque de vedação superior
P.T.F.E.


8
O-ring de vedação intermediário
FKM


9
Guarnições de vedação lateral
P.T.F.E.


10
Guarnições de vedação de anel
P.T.F.E.


11
Vedação inferior
P.T.F.E.


12
Anel*
Latão

EN 12164 CW614N
13
Esfera cromada polida
Latão

EN 12164 CW614N
14
Corpo*
Latão

EN 12165 CW617N
* Tratamento externo: Niquelatura brilhante

DIAGRAMA DE PRESSÃO/TEMPERATURA

Fluxo/queda de pressão e coeficiente nominal Kv

O valor Kv é o valor da vazão em m3/h (com água a 15°C) que causa a queda de pressão de 1 bar.

TORQUES DE PARTIDA em Nm
MEDIDADN 15
1/2"

DN 20
3/4"

DN 25
1/2"

DN 32
1"1/4

DN 40
1"1/2

DN 50
2"

PN 16 bar
7
9
16
26
39
58

Os valores do torque podem variar dependendo da temperatura e do tipo de fluido. Considerar um fator de segurança de 1,4.
Com ciclos frequentes de abertura e fechamento, o torque de manobra pode diminuir significativamente em comparação ao inicial. Os acoplamentos atuador/válvula, mostrados nas páginas a seguir, são realizados para válvulas que interceptam fluidos líquidos ou gasosos, limpos e para temperaturas médias. Para mais informações ou usos diferentes, consultar nosso departamento de vendas.

CONFIGURAR DIRIGIR
Selecionar os parâmetros de pesquisa
PESQUISA DE ITEM
X FECHAR

PRÓXIMO EVENTO

IVS - Industrial Valve Summit 2026
IVS - Industrial Valve Summit 2026
Bergamo, Italy, 19 - 21 may 2026