images/testate/Template-Header-Sito-OMALBALLVALVES.jpg

Válvula de bola de latón Item 115

Válvula de bola de latón Item 115

Válvula de bola de latón 2 vías reforzada de cuerpo plano - paso integral.

CONFIGURA Accionamiento
SOLICITA INFORMACIÓN
IMPRIME PÁGINA
  • características
  • dimensiones
  • materiales
  • diagramas y pares de aceleración

CARACTERÍSTICAS GENERALES:
• Normas para bridas de conexión: EN1092-1 PN16
• Temperatura de uso: desde -20°C a +150°C para líquidos desde -20°C a +60°C para gases
• Presión de uso: PN 16 ver diagrama
• Fluido interceptado: aire, agua, gas, productos petrolíferos y petroquímicos, fluidos no agresivos.
• Conexión ISO 5211 para actuadores

EJECUCIONES ESPECIALES BAJO PEDIDO:
• Para otras aplicaciones contactar con nuestro departamento comercial.

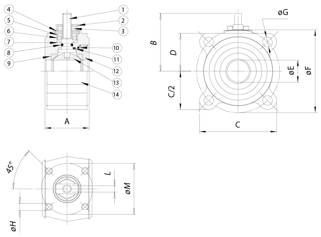
DIMENSIONES
MEDIDA
A
B
C
D
øE
øF
øG
øH
L
øM
DN [mm]
[pulgadas]
DN 15
1/2"
35
48
66
31
15
65
M12
M5
6
36
DN 20
3/4"
38
51
73
34
20
75
M12
M5
6
36
DN 25
1"
43
63,5
83
39,5
25
85
M12
M5
8
42
DN 32
1" 1/4
54
68
100
46
32
100
M16
M5
8
42
DN 40
1" 1/2
60
80
105
50
40
110
M16
M6
10
50
DN 50
2"
70
87
115
57
50
125
M16
M6
10
50



MATERIALES    
1
Vástago
304 S.S.
1.4301
UNI X5CrNi 18 10
2
Placa bloquea tuerca
304 S.S.
1.4301
UNI X5CrNi 18 10
3
Tuerca de bloqueo
304 S.S.
1.4301
UNI X5CrNi 18 10
4
Arandelas Belevilles
50 CrV4


5
Distanciador
304 S.S.
1.4301
UNI X5CrNi 18 10
6
Anillo prensajuntas
304 S.S.
1.4301
UNI X5CrNi 18 10
7
Par de sellado superior
P.T.F.E.


8
Junta tórica de sellado intermedia
FKM


9
Juntas de sellado lateral
P.T.F.E.


10
Juntas de sellado abrazadera
P.T.F.E.


11
Junta inferior
P.T.F.E.


12
Abrazadera*
Latón

EN 12164 CW614N
13
Bola cromada brillante
Latón

EN 12164 CW614N
14
Cuerpo*
Latón

EN 12165 CW617N
* Tratamiento externo: Niquelado brillante

DIAGRAMA PRESIÓN/TEMPERATURA

Capacidad de carga/pérdida de carga y coeficiente nominal Kv

El valor Kv es el valor de la capacidad de carga en m3/h (con agua a 15°C) que provoca una caída de presión de 1 bar.

PARES DE ACELERACIÓN en Nm
MEDIDADN 15
1/2"

DN 20
3/4"

DN 25
1/2"

DN 32
1"1/4

DN 40
1"1/2

DN 50
2"

PN 16 bar
7
9
16
26
39
58

Los valores del par pueden variar según la temperatura y el tipo de fluido. Tener en cuenta un factor de seguridad igual a 1.4.
Con frecuentes ciclos de apertura y cierre, el par de maniobra puede disminuir sensiblemente con respecto al inicial. Los acoplamientos actuador/válvula, mostrados en las siguientes páginas, se realizan para válvulas que interceptan fluidos líquidos o gaseosos, limpios y para temperaturas medias. Para más información, o usos diferentes, consultar nuestro departamento comercial.

CONFIGURA CONDUCIR
Selecciona los parámetros de búsqueda
BUSCA ARTÍCULO
X CERRAR

SIGUIENTE EVENTO

IVS - Industrial Valve Summit 2026
IVS - Industrial Valve Summit 2026
Bergamo, Italy, 19 - 21 may 2026