images/testate/Template-Header-Sito-OMALBALLVALVES.jpg

Item 115 brass ball valve

Item 115 brass ball valve
Macro Ball valves

2-way full-bore flat body flanged brass ball valve

CONFIGURE Drive
REQUEST INFORMATION
PAGE PRINT
  • features
  • dimensions
  • materials
  • diagrams and breakaway torque

GENERAL FEATURES:
• Flanges according to: EN1092-1 PN16
• Working temperature: from -20°C to +150°C for liquids from -20°C to +60°C for gas
• Working pressure: 16 bar see diagram
• Fluid range: water, air, gas, petroleum and petrochemical products. Not suitable for aggressive media.
• ISO 5211 connection to actuators

ON REQUEST:
• For other applications, please contact our sales department.

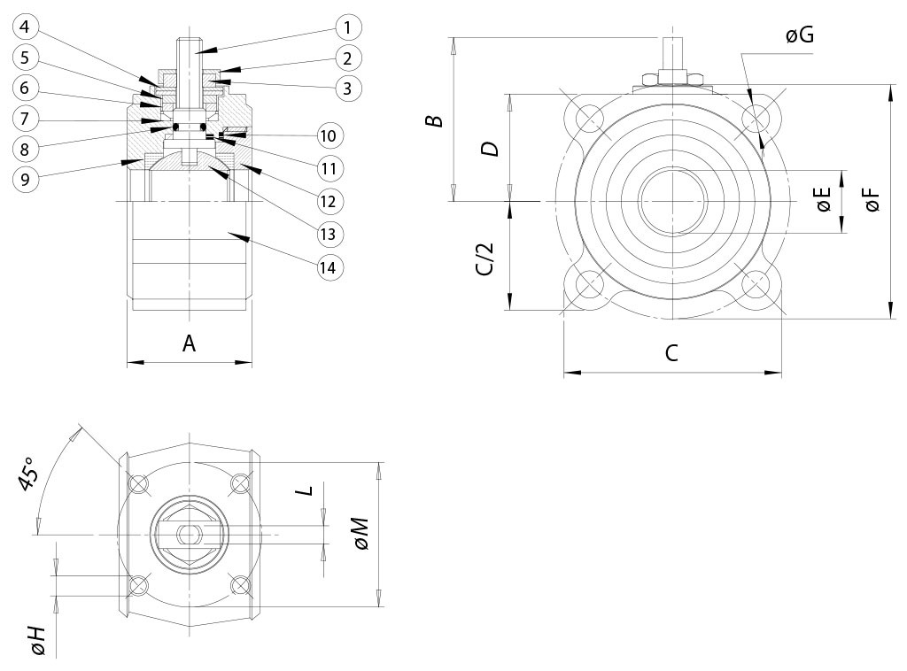
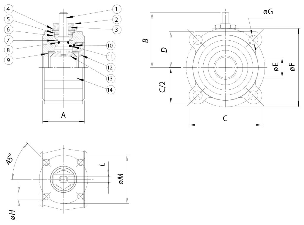
DIMENSIONS
SIZE
A
B
C
D
øE
øF
øG
øH
L
øM
DN [mm]
[inch]
DN 15
1/2"
35
48
66
31
15
65
M12
M5
6
36
DN 20
3/4"
38
51
73
34
20
75
M12
M5
6
36
DN 25
1"
43
63,5
83
39,5
25
85
M12
M5
8
42
DN 32
1" 1/4
54
68
100
46
32
100
M16
M5
8
42
DN 40
1" 1/2
60
80
105
50
40
110
M16
M6
10
50
DN 50
2"
70
87
115
57
50
125
M16
M6
10
50

 MATERIALS
1
Shaft
304 S.S.
1.4301
UNI X5CrNi 18 10
2
Nut holder
304 S.S.
1.4301
UNI X5CrNi 18 10
3
Lock nut
304 S.S.
1.4301
UNI X5CrNi 18 10
4
Belleville washer
50 CrV4


5
Standstill
304 S.S.
1.4301
UNI X5CrNi 18 10
6
Gland nut ring
304 S.S.
1.4301
UNI X5CrNi 18 10
7
Top sealing
P.T.F.E.


8
O-ring
FKM


9
Seals
P.T.F.E.


10
O-ring
P.T.F.E.


11
Bottom sealing
P.T.F.E.


12
Ring nut*
Brass

EN 12164 CW614N
13
Ball chromium plated
Brass

EN 12164 CW614N
14
Body*
Brass

EN 12165 CW617N
Surface treatment: bright nickel plating

Pressure/temperature diagram

Flow/pressure loss diagram and Kv nominal coefficient

Kv is the coefficient, expressed in m3/h (with water at 15°C) causing a pressure loss of 1 bar.

BREAKAWAY TORQUES Nm
  SIZE
DN 15
1/2"
DN 20
3/4"
DN 25
1/2"
DN 32
1"1/4
DN 40 1"1/2
DN 50
2"
PN 16 bar
7
9
16
26
39
58

Torque can vary depending on temperature and type of fluid; a safety factor of 1.4 must be applied. Torque can drop on high frequency of operations. The actuator/valve sizing, indicated on the following pages, are based for valves to be used with liquids or gaseous fluids, clean, and for medium temperatures. For further information, or different uses please contact our sales department.

CONFIGURE DRIVE
Select the search standards
FIND ITEM
X CLOSE

NEXT EVENT

IVS - Industrial Valve Summit 2026
IVS - Industrial Valve Summit 2026
Bergamo, Italy, 19 - 21 may 2026