images/testate/Template-Header-Sito-OMALBALLVALVES.jpg

Kugelhahn aus Messing Item 115

Kugelhahn aus Messing Item 115
Makro Kugelhähne

Kugelhahn aus Messing, 2-Wege, mit Flansch, mit flachem Gehäuse, voller Durchgang

KONFIGURIEREN Steuerung
INFORMATIONEN ANFORDERN
SEITE DRUCKEN
  • eigenschaften
  • abmessungen
  • werkstoffe
  • diagramme und anlaufmomente

ALLGEMEINE EIGENSCHAFTEN: 
• Normen für Flanschanschlüsse: EN1092-1 PN16  
• Betriebstemperatur: -20°C bis + 150 °C für Flüssigkeiten; von -20°C bis + 60°C für Gase
• Betriebsdruck: PN 16 siehe Diagramm
• Betriebsmedien: Luft, Wasser, Gas, Petrochemikalien, Erdölprodukte und nicht aggressive Medien.
• Anschluss ISO 5211 für Antriebe

SONDERAUSFÜHRUNGEN AUF ANFRAGE: 
• Für andere Anwendungen wenden Sie sich an unsere Verkaufsabteilung.

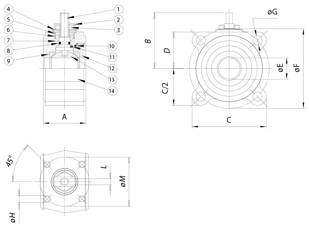
ABMESSUNGEN
BAUGRÖSSE
A
B
C
D
øE
øF
øG
øH
L
øM
DN [mm]
[Zoll]
DN 15
1/2"
35
48
66
31
15
65
M12
M5
6
36
DN 20
3/4"
38
51
73
34
20
75
M12
M5
6
36
DN 25
1"
43
63,5
83
39,5
25
85
M12
M5
8
42
DN 32
1" 1/4
54
68
100
46
32
100
M16
M5
8
42
DN 40
1" 1/2
60
80
105
50
40
110
M16
M6
10
50
DN 50
2"
70
87
115
57
50
125
M16
M6
10
50

WERKSTOFFE   
1
Spindel
304 S.S.
1.4301
UNI X5CrNi 18 10
2
Sperrscheibe Mutter
304 S.S.
1.4301
UNI X5CrNi 18 10
3
Befestigungsmutter
304 S.S.
1.4301
UNI X5CrNi 18 10
4
Tellerfedern
50 CrV4


5
Abstandhalter
304 S.S.
1.4301
UNI X5CrNi 18 10
6
Haltering  
304 S.S.
1.4301
UNI X5CrNi 18 10
7
Obere Dichtungen
P.T.F.E.


8
O-Ring mittlere Dichtung
FKM


9
Seitliche Dichtungen
P.T.F.E.


10
Dichtungen Gewindering
P.T.F.E.


11
Untere Dichtung
P.T.F.E.


12
Gewindering*
Messing

EN 12164 CW614N
13
Glanzverchromte Kugel
Messing

EN 12164 CW614N
14
Gehäuse*
Messing

EN 12165 CW617N
* Oberflächenbehandlung: Glanzvernickelung

DRUCK-/TEMPERATURDIAGRAMM

Durchflussrate/Druckverlust und Nennkoeffizient Kv

Der Kv-Wert ist der Durchflusswert in m3/h (bei einer Wassertemperatur von 15°C), der einen Druckabfall von 1 bar verursacht.

ANLAUFMOMENTE in Nm
BAUGRÖSSE
DN 15
1/2"

DN 20
3/4"

DN 25
1/2"

DN 32
1"1/4

DN 40
1"1/2

DN 50
2"

PN 16 bar
7
9
16
26
39
58

Die angegebenen Anlaufmomentwerte können sich je nach Temperatur oder Betriebsmedien ändern. Berücksichtigen Sie bitte einen Sicherheitsfaktor von 1,4.
Bei häufigen Öffnungs- und Schließzyklen kann sich das Betriebsdrehmoment im Vergleich zum Anfangswert leicht verringern. Die auf den folgenden Seiten angegebenen Kombinationen Antrieb/Armatur beziehen sich auf Armaturen mit flüssigen oder gasförmigen sauberen Medien bei mittleren Temperaturen. Für weitere Informationen oder andere Verwendungszwecke wenden Sie sich bitte an unsere Verkaufsabteilung.

KONFIGURIEREN BETÄTIGUNG
Wählen Sie die Suchparameter
ARTIKEL SUCHEN
SCHLIESSEN

NÄCHSTES EVENT

IVS - Industrial Valve Summit 2026
IVS - Industrial Valve Summit 2026
Bergamo, Italy, 19 - 21 may 2026