images/testate/Template-Header-Sito-OMALBALLVALVES.jpg

Vanne à boisseau sphérique en laiton, Item 115

Vanne à boisseau sphérique en laiton, Item 115

Vanne à boisseau sphérique en laiton 2 voies, à brides, corps plat, passage intégral.

CONFIGURER Actionnement
DEMANDE D'INFORMATIONS
IMPRIMER PAGE
  • caractéristiques
  • dimensions
  • matériaux
  • diagrammes et couples de démarrage

CARACTÉRISTIQUES GÉNÉRALES:
• Normes pour les brides de raccordement: EN1092-1 PN16
• Température de fonctionnement: de -20°C à +150°C pour les liquides de -20°C à +60°C pour les gaz
• Pression de fonctionnement: PN 16 voir diagramme
• Fluide véhiculé: air, eau, gaz, produits pétroliers et pétrochimiques, fluides non agressifs.
• Raccordement ISO 5211 pour actionneurs

RÉALISATIONS SPÉCIALES SUR DEMANDE:
Pour d'autres applications, veuillez vous adresser à notre service commercial.

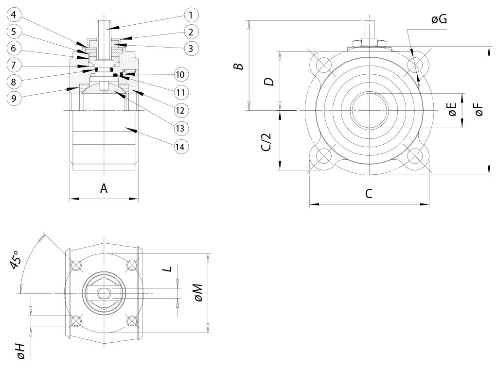
DIMENSIONS
MESURE
A
B
C
D
øE
øF
øG
øH
L
øM
DN [mm]
[pouces]
DN 15
1/2"
35
48
66
31
15
65
M12
M5
6
36
DN 20
3/4"
38
51
73
34
20
75
M12
M5
6
36
DN 25
1"
43
63,5
83
39,5
25
85
M12
M5
8
42
DN 32
1" 1/4
54
68
100
46
32
100
M16
M5
8
42
DN 40
1" 1/2
60
80
105
50
40
110
M16
M6
10
50
DN 50
2"
70
87
115
57
50
125
M16
M6
10
50


MATÉRIAUX    
1
Tige
304 S.S.
1.4301
UNI X5CrNi 18 10
2
Plaque de retenue d’écrou
304 S.S.
1.4301
UNI X5CrNi 18 10
3
Écrou de blocage
304 S.S.
1.4301
UNI X5CrNi 18 10
4
Rondelles ressort
50 CrV4


5
Entretoise
304 S.S.
1.4301
UNI X5CrNi 18 10
6
Bague presse-étoupe
304 S.S.
1.4301
UNI X5CrNi 18 10
7
Paire de garnitures étanchéité supérieure
P.T.F.E.


8
Joint torique d’étanchéité intermédiaire
FKM


9
Garnitures d’étanchéité latérale
P.T.F.E.


10
Garnitures d’étanchéité bague
P.T.F.E.


11
Étanchéité inférieure
P.T.F.E.


12
Bague*
Laiton

EN 12164 CW614N
13
Boisseau chromage poli
Laiton

EN 12164 CW614N
14
Corps*
Laiton

EN 12165 CW617N
* Traitement extérieur: Nickelage brillant

DIAGRAMME PRESSION/TEMPÉRATURE

Débit/perte de charge et coefficient nominal Kv

La valeur Kv est la valeur du débit en m3/h (avec de l’eau à 15°C) qui provoque une chute de pression d’1 bar.

COUPLES DE DÉMARRAGE en Nm
MESUREDN 15
1/2"

DN 20
3/4"

DN 25
1/2"

DN 32
1"1/4

DN 40
1"1/2

DN 50
2"

PN 16 bar
7
9
16
26
39
58

Les valeurs du couple peuvent varier en fonction de la température et du fluide. Considérer un facteur de sécurité de 1,4.
Avec des cycles fréquents d'ouverture et de fermeture, le couple de manœuvre pourrait être considérablement inférieur au couple initial. Les accouplements actionneur/vanne, montrés aux pages suivantes, sont conçus pour les vannes qui arrêtent des fluides liquides ou gazeux, propres et pour des températures moyennes. Pour plus d'informations ou pour des utilisations différentes, veuillez vous adresser à notre service commercial.

CONFIGURER ACTIONNEMENT
Sélectionnez les paramètres de recherche
RECHERCHER UN ARTICLE
X FERMER

PROCHAIN ÉVÈNEMENT

IVS - Industrial Valve Summit 2026
IVS - Industrial Valve Summit 2026
Bergamo, Italy, 19 - 21 may 2026