images/testate/Template-Header-Sito-OMALBALLVALVES.jpg

Valvola a sfera in ottone Item 115

Valvola a sfera in ottone Item 115

Valvola a sfera in ottone 2 vie flangiata a corpo piatto - passaggio integrale.

CONFIGURA Azionamento
RICHIEDI INFORMAZIONI
STAMPA PAGINA
  • caratteristiche
  • dimensioni
  • materiali
  • diagrammi e coppie di spunto

CARATTERISTICHE GENERALI:
• Norme per flange d’attacco: EN1092-1 PN16
• Temperatura di utilizzo: da -20°C a +150°C per liquidi da -20°C a +60°C per gas
• Pressione di utilizzo: PN 16 vedere diagramma
• Fluido intercettato: aria, acqua, gas, prodotti petroliferi e petrolchimici, fluidi non aggressivi.
• Attacco ISO 5211 per attuatori

ESECUZIONI SPECIALI A RICHIESTA:
• Per altre applicazioni contattare il nostro ufficio commerciale.

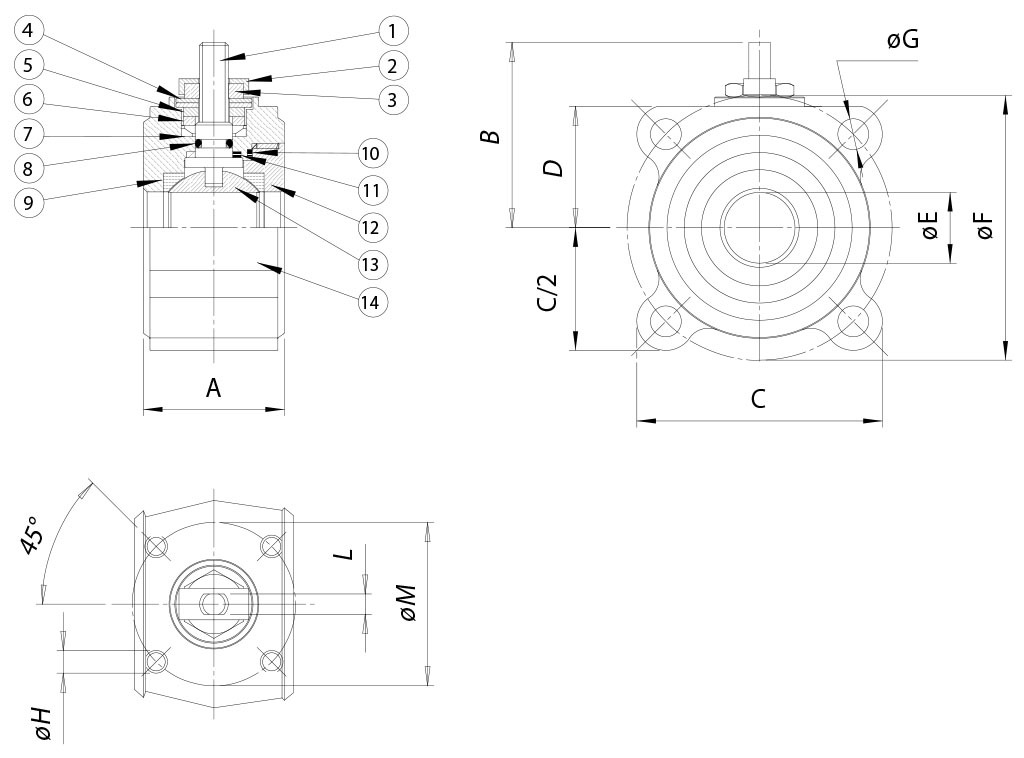
DIMENSIONI   
MISURA 
A
B
C
D
øE
øF
øG
øH
L
øM
DN [mm]
[inch]
DN 15
1/2"
35
48
66
31
15
65
M12
M5
6
36
DN 20
3/4"
38
51
73
34
20
75
M12
M5
6
36
DN 25
1"
43
63,5
83
39,5
25
85
M12
M5
8
42
DN 32
1" 1/4
54
68
100
46
32
100
M16
M5
8
42
DN 40
1" 1/2
60
80
105
50
40
110
M16
M6
10
50
DN 50
2"
70
87
115
57
50
125
M16
M6
10
50

MATERIALI    
1
Stelo  
304 S.S.
1.4301
UNI X5CrNi 18 10
2
Piastra bloccadado  
304 S.S.
1.4301
UNI X5CrNi 18 10
3
Dado di bloccaggio
304 S.S.
1.4301
UNI X5CrNi 18 10
4
Molle a tazza
50 CrV4


5
Distanziale  
304 S.S.
1.4301
UNI X5CrNi 18 10
6
Anello premiguarnizione  
304 S.S.
1.4301
UNI X5CrNi 18 10
7
Coppia di tenuta superiore  
P.T.F.E.


8
O-ring di tenuta intermedia
FKM


9
Guarnizioni di tenuta laterale
P.T.F.E.


10
Guarnizioni di tenuta ghiera
P.T.F.E.


11
Tenuta inferiore
P.T.F.E.


12
Ghiera*
Ottone

EN 12164 CW614N
13
Sfera cromata lucida
Ottone

EN 12164 CW614N
14
Corpo*
Ottone

EN 12165 CW617N
* Trattamento esterno: Nichelatura brillante

Diagramma pressione/temperatura

Portata/perdita di carico e coefficiente nominale Kv

Il valore Kv è il valore di portata in m3/h (con acqua a 15°C) che provoca la caduta di pressione di 1 bar.

COPPIE DI SPUNTO in Nm
MISURA  
DN 15
1/2"
DN 20
3/4"
DN 25
1/2"
DN 32
1"1/4
DN 40
1"1/2
DN 50
2"
PN 16 bar
7
9
16
26
39
58

I valori della coppia possono variare in funzione della temperatura e del tipo di fluido. Considerare un fattore di sicurezza pari a 1,4.
Con frequenti cicli di apertura e chiusura la coppia di manovra può diminuire sensibilmente rispetto a quella iniziale. Gli accoppiamenti attuatore/valvola, riportati nelle pagine seguenti, sono realizzati per valvole che intercettano fluidi liquidi o gassosi, puliti e per medie temperature. Per maggiori informazioni, o utilizzi diversi, consultare il nostro ufficio commerciale.

CONFIGURA AZIONAMENTO
Seleziona i parametri di ricerca
CERCA ARTICOLO
X CHIUDI

PROSSIMO EVENTO

IVS - Industrial Valve Summit 2026
IVS - Industrial Valve Summit 2026
Bergamo, Italia, 19 - 21 maggio 2026