images/testate/7J20T0_Header-attuatori-elettrici.jpg

EF 25-250旋转式电动执行器

  • 特性
  • 特性

技术参数
开/闭模式和模块化应用领域内使用的旋转式电动执行器。
用于旋转角度为90°~180°的阀门。
打开/关闭/中间位置
额定扭矩:10~100Nm
峰值扭矩:25-250 Nm.
供电电压:100-230V AC, 50/60 Hz - AC/DC 24V, 50/60 Hz
电压公差:±15%。
保护等级:IP65 (垂直安全并使用电缆夹套时可达IP67),符合EN 60529
EN 15714-2工业阀门专用执行器
运行温度:-10℃~+50℃
相对湿度:最大.90% 无凝结
阀体材质:PP 玻璃填料

* 温度过低且相对湿度较高时,必须启动加热装置。

选装配置

定位器:电流,电压
连接类型:Profibus DP
返回至安全位置:内置电池,外部供电
附加模块:作业循环监测器和计数器,电机电流监视器

技术参数表

EF 25EF 45EF 120EF 250
额定扭矩 (Nm)102060100
峰值扭矩  (Nm)2545120250
作业负荷  100%50%50%35%
作业负荷
5 s/90°6 s/90°15 s/90°20 s/90°
额定扭矩作业时间
100-230 VAC, 50/60 HZ
24VAC/DC, 50/60 HZ
额定输出功率
35VA @ 100-230VAC
40VA @ 24VAC/DC
55VA @ 100-230VAC
60VA @ 24VAC/DC
50VA @ 100-230VAC
55VA @ 24VAC/DC
60VA @ 100-230VAC
65VA @ 24VAC/DC
吸收
0.35A @ 100VAC
0.15A @ 230
1.7A @ 24VDC
0.55A @ 100VAC
0.24A @ 230
2.5A @ 24VDC
0.5A @ 100VAC
0.22A @ 230
2.3A @ 24VDC
0.55A @ 100VAC
0.26A @ 230
2.7A @ 24VDC
重量   (kg)2,12,23,65
旋转角度 最大. 355°, 预设 @ 90°
测试循环数 (20°C 环境下,额定扭矩)   250 000100 000100 00075 000

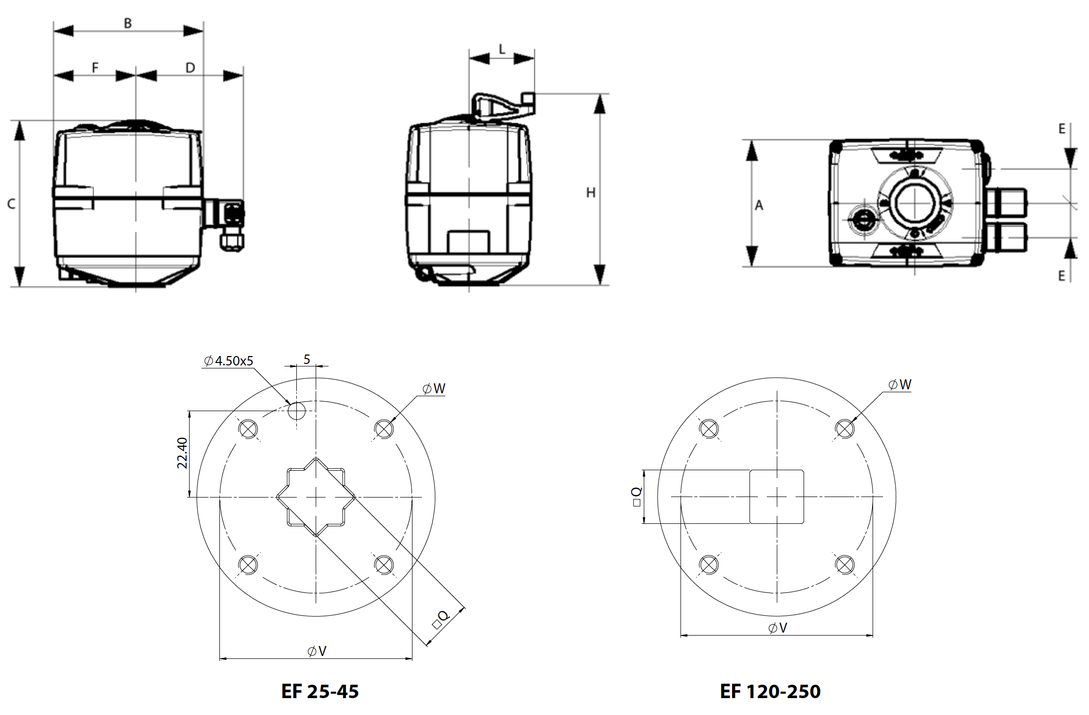
尺寸规格
类型
ISO
A
B
C
D
E
F
H
L
Q
øV
øW
EF 25
F05
122
150
167
108
33
83
189
64
14
50
M6
EF 45
F05
122
150
167
108
33
83
189
64
14
50
M6
EF 120
F07
122
150
190
108
33
83
212
64
17
70
M8
EF 250
F07
122
150
208
108
33
83
230
64
17
70
M8

选择 尺寸
选择搜索参数
搜索文章
X 关闭

下一新闻

IVS - Industrial Valve Summit 2026
IVS - Industrial Valve Summit 2026
Bergamo, Italy, 19 - 21 may 2026