images/testate/Template-Header-Sito-OMALBALLVALVES.jpg

Valvola a sfera THOR Split Body ANSI 150-300 acciaio inox da fusione

Valvola a sfera THOR Split Body ANSI 150-300 acciaio inox da fusione
Categoria THOR
Sottocategoria THOR Split Body

Famiglia THOR Split Body ANSI 150-300 acciaio inox da fusione

CONFIGURA Azionamento
RICHIEDI INFORMAZIONI
STAMPA PAGINA
DECODIFICA CODICE
  • benefits
  • dimensioni
  • materiali
  • accessori
  • documenti

1. Antistatic device (continuità elettrica tra sfera, stelo e corpo)
Si evitano cariche elettrostatiche che potrebbero essere causa d'innesco in ambienti infiammabili e/o esplosivi
Sicurezza garantita del contatto durante tutta la vita della valvola

2. Doppio anello antifrizione
Garantisce una minor coppia di azionamento della valvola
Minor usura rispetto all'esecuzione con singolo anello

3. Pacco guarnizioni a "v" con 3 guarnizioni più o-ring
Si garantisce una perfetta tenuta anche dopo un numero elevato di cicli

4. Molle a tazza sulla tenuta dello stelo
Garantiscono il recupero dei giochi dovuti all'usura causata dal movimento semirotatorio dell'albero evitando perdite vero l'esterno
Consentono di mantenere energizzate le guarnizoini tipo "chevron" (a V), evitando perdite verso l'esterno, a fronte di notevoli escursioni termiche

5. Tenuta elasticizzata in grafite
Garantisce una tenuta verso l'esterno indipendentemente dalle escursioni termiche a cui è sottoposta la valvola

Maggiore precisione nell'allineamento degli assi grazie alla lavorazione dal grezzo al finito con un unico posizionamento
Maggior vita della valvola stessa
Minor coppia di azionamento

Facile manutenibilità direttamente sull'impianto
Contenimento dei costi durante la fase di manutenzione

Corpo valvola in acciaio al carbonio realizzato con materiale normalizzato certificato NACE in esecuzione standard
Garantisce una maggior resistenza alla corrosione
Maggior duttilità del materiale

Processo produttivo interamente eseguito in OMAL
Massimo controllo in tutte le fasi di lavorazione
Possibilità di fornire rapidamente esecuzioni speciali richieste dal cliente

Certificato "Fire Safe"
Garantisce la tenuta della valvola anche in caso di incendio

Certificato ATEX
Ne consente l'installazione in presenza di ambiente potenzialmente esplosivo

Certificazione "TA LUFT fugitive emission"
Garantisce un elevato grado di sicurezza della tenuta stelo verso l'esterno

Certificato PED
Piena conformità alle norme di sicurezza europee per i dispositivi in pressione

Certificato fino a SIL 3
Elevato livello di sicurezza funzionale

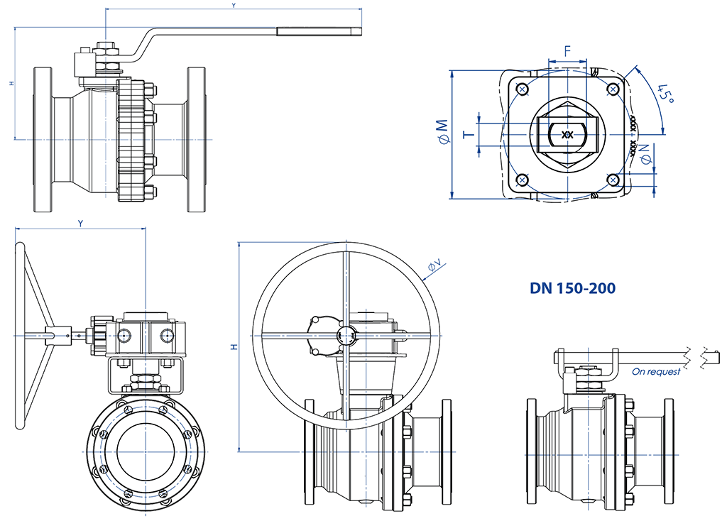
DIMENSIONI ASSE NUDO


DIMENSIONI ASSE NUDO
MISURA  
ANSI
A
B
C
∅G
∅R
S
P
∅H
N° FORI
∅I
L (4)
Kg
KIT GUARNIZIONI
DN [mm]
[inch]
DN 151/2"
ANSI 150
325210
90
35
1,6
11,6
60,3
4
16
108
1,8
KGBV485040
DN 151/2"
ANSI 300
325210
95
35
1,6
15,3
66,7
4
16
140
2,5
KGBV485040
DN 203/4"
ANSI 150
355510
100
43
1,6
13,6
70
4
16
117
2,5
KGBV485050
DN 203/4"
ANSI 300
355510
100
43
1,6
17,1
82,6
4
19
152
3,7
KGBV485050
DN 251"
ANSI 150
426815
110
50,8
1,6
14,8
79,4
4
16
127
3,3
KGBV485060
DN 251"
ANSI 300
426815
125
50,8
1,6
18,1
88,9
4
19
165
4,6
KGBV485060
DN 321"1/4
ANSI 150
477315
117
63,5
1,6
17,6
88,9
4
16
140
4,5
KGBV485070
DN 321"1/4
ANSI 300
477315
133
63,5
1,6
20,6
98,6
4
19
178
6,6
KGBV485070
DN 401" 1/2
ANSI 150
589321
125
73
1,6
18,6
98,4
4
16
165
6,5
KGBV485080
DN 401" 1/2
ANSI 300
589321
155
73
1,6
21,6
114,3
4
22
190
8,9
KGBV485080
DN 502"
ANSI 150
6710221
150
92,1
1,6
20,6
120,7
4
19
178
10,3
KGBV485090
DN 502"
ANSI 300
6710221
165
92,1
1,6
22,6
127
819
216
12,6
KGBV485090
DN 652" 1/2
ANSI 150
83130,5
28,5
178
104,6
1,6
23,6
139,7
419
19115,7
KGBV485100
DN 652" 1/2
ANSI 300
83130,5
28,5
190
104,6
1,6
26,6
149,4
822
241
19,6
KGBV485100
DN 803"
ANSI 150
90137,5
28,5
190
127
1,6
24,6
152,4
419
203
19,6
KGBV485110
DN 803"
ANSI 300
90137,5
28,5
210
127
1,6
29,6
168,3
822
282
26,7
KGBV485110
DN 1004"
ANSI 150
111172
35
230
157,2
1,6
25,1
190,5
819
229
33,0
KGBV485112
DN 1004"
ANSI 300
111172
35
255
157,2
1,6
32,6
200
822
305
46,3
KGBV485112
DN 150
6”
ANSI 150
154
227,5
40,5
280
216
1,6
26,1
241,3
8
22
394
88,7
KGBVVT1140
DN 150
6”
ANSI 300
154
227,5
40,5
320
216
1,6
37,6
269,9
12
22
403
110,0
KGBVVT114D
DN 200
8”
ANSI 150
192
274
44,8
345
270
1,6
29,6
298,5
8
22
457
161,7
KGBVVT1150
(4) B16.10 / API6D

DIMENSIONI CON LEVA


DIMENSIONI CON LEVA
MISURA  
ANSI
H
Y
ØV
ØM
ØN
F/T
ATT. ISO
Kg
KIT LEVA
DN [mm]
[inch]
DN 151/2"
ANSI 150
71
141,5
---
36
M5
10/6
F03
2
KLV58004
DN 151/2"
ANSI 300
71
141,5
---
36
M5
10/6
F03
2,7
KLV58004
DN 203/4"
ANSI 150
74
141,5
---
36
M5
10/6
F03
2,7
KLV58004
DN 203/4"
ANSI 300
74
141,5
---
36
M5
10/6
F03
3,9
KLV58004
DN 251"
ANSI 150
87
152
---
42
M5
12/8
F04
3,5
KLV58006
DN 251"
ANSI 300
87
152
---
42
M5
12/8
F04
5KLV58006
DN 321"1/4
ANSI 150
92
152
---
42
M5
12/8
F04
4,9
KLV58006
DN 321"1/4
ANSI 300
92
152
---
42
M5
12/8
F04
7KLV58006
DN 401" 1/2
ANSI 150
109
277
---
50
M6
16/10
F05
7,2KLV58008
DN 401" 1/2
ANSI 300
109
277
---
50
M6
16/10
F05
9,4KLV58008
DN 502"
ANSI 150
118
277
---
50
M6
16/10
F05
11KLV58008
DN 502"
ANSI 300
118
277
---
50
M6
16/10
F05
13,5KLV58008
DN 652" 1/2
ANSI 150
143
352
---
70
M8
22/14
F07
17KLV58010
DN 652" 1/2
ANSI 300
143
352
---
70
M8
22/14
F07
21KLV58010
DN 803"
ANSI 150
150
352
---
70
M8
22/14
F07
21KLV58010
DN 803"
ANSI 300
150
352
---
70
M8
22/14
F07
28KLV58010
DN 1004"
ANSI 150
198
452
---
102
M10
30/18
F10
36KLV58012
DN 1004"
ANSI 300
198
452
---
102
M10
30/18
F10
50KLV58012
DN 150
6”
ANSI 150
502
326
400
140
M16
45/30
F14
126
---
DN 150
6”
ANSI 300
560
347
500
140
M16
45/30
F14
147
---
DN 200
8”
ANSI 150
590
347
500
140
M16
52/35
F14
200
---

MATERIALI   
ANSI 150-300 DA FUSIONE 

Descrizione  
CF8M Stainless steel
1
Corpo  
ASTM A351 CF8M  (1.4408/Gx5CrNiMo19-12-2)
2
Terminale  
3
Sfera
ASTM A351 CF8M  (1.4408/Gx5CrNiMo19-12-2)
4
Stelo
A564 TP.630 (17-4PH)
5*
Seggio
PTFE Modificato (.) (2)
6*
Guarnizione corpo terminale
GRAFOIL
7*
Tenuta inferiore stelo
PTFE Modificato (.)
8*
Guarnizioni tipo Chevron  
PTFE Modificato (.)
9*
O-ring stelo  
FKM (.)
10
Anello premi guarnizione  
304 S.S.
11
Piastra blocca dado  
304 S.S.
12
Dado stelo
Acciaio al carbonio zincato (x)
13
Molle a tazza
Acciaio al carbonio zincato (xx)
14
Dispositivo antistatico  
316 S.S.
15
Tiranti Stud
ASTM A193-B8
16
Dadi
ASTM A194-Gr.8
17
Controdado
Acciaio al carbonio zincato (x)
18
Vite di fermo
A2-70 (304 S.S.)
19
Fermo di posizione
Acciaio al carbonio zincato (x)
20
Leva
Fe37 Zincato
21
Sede Leva
Fe37 Zincato
22
Riduttore
Ghisa (verniciato)
23
Volantino
Acciaio al carbonio verniciato
* Componenti del kit di guarnizioni  

A richiesta disponibile in:
(x): 304 s.s.
(xx): 301 s.s.
(2) DEVLON per DN150 - ANSI300
(.): Altri materiali disponibili a richiesta

PROLUNGA GUIDATA DA FUSIONE A LEVA

MATERIALI    
PART. N°
DESCRIZIONE
MATERIALE
1
Prolunga  
AISI304 S.S.
2
Perno
AISI 430 F
3
Bussola
DELRIN
4
O-RING  
NBR
5
Leva  
Fe 37 galvanized (*)
6
Dado  
galvanized carbon steel (*)
7
Fermo leva  
galvanized carbon steel (*)
8
Vite fermo leva  
A2-70
9
Distanziale
PTFE Carbon Filled

(*): A richiesta disponibili in 304 S.S.

DIMENSIONI   
ISO VALVOLA
ØA
ØB
ØM
ØN
F/T
X
Y
F03
36
5,5365,5
10/638,5141,5
F04
425,542M512/845,5151,5
F05
506,5506,516/1048,5276,5
F07
708,5708,522/1457,5351,5
F10
102111021130/1879,5451,5

NOTA: Il codice della prolunga dipende dal tipo di azionamento e dall’attacco valvola; richiedere in fase d’ordine.

PROLUNGA GUIDATA DA FUSIONE PER ATTUATORE

MATERIALI    
PART. N°
DESCRIZIONE
MATERIALE
1
Prolunga
ASTM A351 CF8M
2
Perno  
AISI 430 F
3
Bussola  
DELRIN
4
O-RING  
NBR

NOTA: Il codice della prolunga dipende dal tipo di azionamento e dall’attacco valvola; richiedere in fase d’ordine

PROLUNGA GUIDATA SALDATA A LEVA

MATERIALI    
PART. N°
DESCRIZIONE
MATERIALE
1
Prolunga  
304 s.s.
2
Perno
AISI 430 F
3
Bussola
DELRIN
4
O-Ring
NBR
5
Leva
Fe 37 galvanized (*)
6
Dado
galvanized carbon steel  (*)
7
Fermo leva
galvanized carbon steel  (*)
8
Vite fermo leva
A2-70
9
Dado fermo leva
A2-70 (**)
10
Distanziale
PTFE Carbon Filled


(*): a richiesta disponibili in 304 S.S.

(**): non presente su valvole con attacco iso F04.

DIMENSIONI   
ISO VALVOLA
ØA
ØB
ØM
ØN
F/T
X
Y
F03
36
5,5365,510/638,5141,5
F04
425,542M512/845,5151,5
F05
506,5506,516/1048,5276,5
F07
70970922/1457,5351,5
F10
102111021130/1879,5451,5


NOTA: Il codice della prolunga dipende dal tipo di azionamento e dall’attacco valvola; richiedere in fase d’ordine.

PROLUNGA GUIDATA SALDATA PER ATTUATORE

MATERIALI    
PART. N°
DESCRIZIONE
MATERIALE
1
Prolunga
304 S.S.
2
Perno  
AISI 430 F
3
Bussola  
DELRIN
4
O-RING  
NBR


NOTA: Il codice della prolunga dipende dal tipo di azionamento e dall’attacco valvola; richiedere in fase d’ordine

PROLUNGA CON TENUTA AGGIUNTIVA

MATERIALI    
PART. N°
DESCRIZIONE
MATERIALE
1
Prolunga  
304 s.s.
2
Perno
A564 TP.630 (17-4ph)
3
Anello Antifrizione  
TFM1600
4
O-Ring
FKM
5
Pacco A V  
TFM1600
6
Anello Premiguarnizione  
304 s.s.
7
Molle A Tazza  
50CrV4 Zincato
8
Dado Stelo
UNI 3740-1 6S Zincato
9
Piastra Blocca Dado  
304 s.s.
10
Guarnizione di tenuta
GRAFOIL

DIMENSIONI
ISO VALVOLA
ØA
ØB
ØM
ØN
F/T
CD
F03
36
5,5
36M510/6
2010,2
F04
42
5,5
42M512/8
2615,1
F05
50
6,550M616/10
3521,2
F07
70
8,570M822/14
47,528,4
F10
102
10,5102M1030/18
6135,2

NOTA: Il codice della prolunga dipende dal tipo di azionamento e dall’attacco valvola; richiedere in fase d’ordine.

CONFIGURA AZIONAMENTO
Seleziona i parametri di ricerca
CERCA ARTICOLO
X CHIUDI

PROSSIMO EVENTO

IVS - Industrial Valve Summit 2026
IVS - Industrial Valve Summit 2026
Bergamo, Italia, 19 - 21 maggio 2026