images/testate/1600x499accattuatori.jpg

Válvula solenóide 3/2 - 5/2 NAMUR com bobina CNOMO ATEX

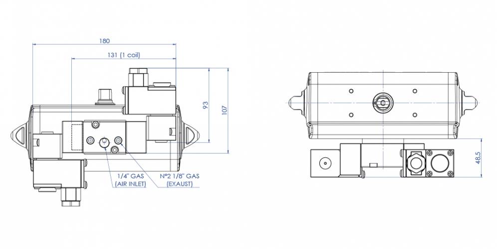
Válvula solenóide 3/2 - 5/2 NAMUR com bobina CNOMO ATEX

Exemplo com 1 bobina (Monoestável)

Exemplo com 2 bobinas (Biestável)

CARACTERÍSTICAS PRINCIPAIS
- Válvula solenóide monoestável ou biestável 3/2 - 5/2 de acordo com a norma NAMUR com interface CNOMO para bobinas
- A válvula solenóide é configurada para a seleção entre a função 5/2 e 3/2, que é realizada usando uma das 2 diferentes placas de interface.
- Sistema integrado de recirculação de ar (ETS) na função 3/2.
- Grau de proteção com conector: IP65
- Vazão: 675 l/min a 6 bar Δp 1 bar
- Conexões pneumáticas: alimentação de 1/4"; descarga 1/8”ISO 228
- Controle biestável a parafuso
- Pressão de operação: de 3 a 10 bar
- Temperatura ambiente: -20°C a 60°C

MATERIAIS
- Corpo e tampas: Alumínio anodizado DURAL; Aço inoxidável AISI316 a pedido
- Carretel: alumínio anodizado impregnado PTFE
- Guarnições: nitrilo
- Mola: aço inoxidável
- Parafusos: aço inoxidável
- Placa de conversão 3/2 - 5/2 nylon 66 carregado vidro (30%)

CERTIFICADOS
- ATEX em relação à bobina
- Declaração CE a pedido
- Outros a pedido
- Certificado até SIL 2
- Certificado até SIL 3 em operação 3/2

BOBINAS

ExNA IIC T4
BOBINA CNOMO PARA VÁLVULA SOLENÓIDE ATEX ER85 - ER86 - ER8187

CARACTERÍSTICAS PRINCIPAIS
- Potência absorvida: 2,4W (DC) 5VA (10VA máx) (AC)
- Tolerância tensão de alimentação: ±10%
- Rendimento (duty cycle): 100%
- Grau de proteção: IP65
- Conexão elétrica: PG 9 (M20x1,5 a pedido)
- Temperatura de operação: de -20°C a +60°C

MATERIAIS
- Corpo: liga leve pintada (aço inoxidável pintado a pedido)
- Spire: cobre revestido classe H

CERTIFICADOS
- ATEX ExNA IIC T4

II 1 GD Exia IIC T6*
BOBINA CNOMO PARA VÁLVULA SOLENÓIDE ATEX ER85 - ER86 - ER8187

CARACTERÍSTICAS PRINCIPAIS
- Potência absorvida: máx 0,4W
- Tolerância tensão de alimentação: ±10%
- Rendimento (duty cycle): 100%
- Grau de proteção: IP65
- Conexão elétrica: PG 9 (M20x1,5 a pedido)
- Temperatura ambiente: -20°C a +55°C

MATERIAIS
- Corpo: liga leve pintada
- Spire: cobre revestido classe H

CERTIFICADOS
- ATEX II 1 GD Ex ia IIC T6
- A pedido IECEX, NEPSI, FM para USA e CANADA

* Para ser ATEX Exia, a bobina deve ser barrada com dispositivos de segurança adequados, não incluídos.

II2GD Exd IIC T4 - T6
BOBINA CNOMO PARA VÁLVULA SOLENÓIDE ATEX ER85 - ER86 - ER8187

CARACTERÍSTICAS PRINCIPAIS
- Potência absorvida: 9,5 VA (AC) 1,3 W (24Vdc)
- Tolerância tensão de alimentação: ±10%
- Rendimento (duty cycle): 100%
- Grau de proteção: IP66
- Conexão elétrica: M20x1,5 (1/2” NPT a pedido)
- Temperatura ambiente: -20°C a +55°C

MATERIAIS
- Corpo: aço inoxidável pintado
- Spire: cobre revestido classe H

CERTIFICADOS
- ATEX II2GD Exd IIC T4 - T6
- A pedido IEC Ex, NEPSI, EAC CU-TR

PESQUISAR CóDIGO 
X FECHAR

PRÓXIMO EVENTO

IVS - Industrial Valve Summit 2026
IVS - Industrial Valve Summit 2026
Bergamo, Italy, 19 - 21 may 2026