images/testate/1600x499accattuatori.jpg

CNOMO bobi̇nli̇ 3/2 - 5/2 NAMUR solenoi̇d vana ATEX

CNOMO bobi̇nli̇ 3/2 - 5/2 NAMUR solenoi̇d vana ATEX

1 bobinli numune (Monostabil)

2 bobinli numune (İki durumlu)

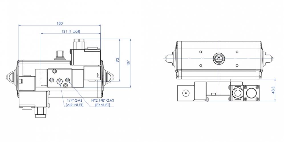
TEMEL ÖZELLİKLER
- Bobinler için CNOMO arayüzlü NAMUR standardına göre monostabil veya bistabil solenoid valf 3/2 - 5/2
- Solenoid vana, 2 farklı arayüz plakasından biri kullanılarak elde edilen 5/2 ve 3/2 işlevi arasında seçim yapmak için tasarlanmıştır.
- 3/2 işlevinde entegre hava devridaim sistemi (ETS).
- Konektörlü koruma derecesi: IP65
- Akış hızı: 6 barda 675 l/dk Δp 1 bar
- Pnömatik bağlantılar: güç 1/4”;deşarj 1/8” ISO 228.
- Bistabil vida kontrolü
- Çalışma basıncı: 3 ila 10 bar
- Çalışma sıcaklığı: -20 °C ila 60 °C

MALZEMELER
- Gövde ve kapaklar: DURAL eloksallı alüminyum; AISI316 paslanmaz çelik istek üzerine
- Makara: PTFE emdirilmiş anodize alüminyum
- Contalar: nitril
- Yay: paslanmaz çelik
- Vidalar: paslanmaz çelik.
- Dönüştürme plakası 3/2 - 5/2 naylon 66 cam dolgulu (%30)

SERTİFİKALAR
- bobin ile ilgili olarak ATEX
- İstek üzerine CE bildirimi.
- İstek üzerine diğerleri
- SIL 2'ye kadar sertifikalı
- 3/2 işlevinde SIL 3'e kadar sertifikalı

BOBİN

ExNA IIC T4
ATEX ER85 - ER86 - ER8187 SOLENOİD VANA İÇİN CNOMO BOBİNİ

TEMEL ÖZELLİKLER
- Emilen güç: 2,4W (DC) 5VA (10VA maks) (AC)
- Emilen güç: ± %10.
- Verimlilik (görev döngüsü): %100
- Koruma derecesi: IP65
- Elektrik bağlantısı: PG 9 (istek üzerine M20x1.5)
- Kullanım sıcaklığı: -20°C ile +60°C arası

MALZEMELER
- Gövde: boyalı hafif alaşım (istek üzerine boyalı paslanmaz çelik)
- Bobinler: H sınıfı kaplamalı bakır

SERTİFİKALAR
- ATEX ExNA IIC T4

II 1 GD Exia IIC T6*
ATEX ER85 - ER86 - ER8187 SOLENOİD VANA İÇİN CNOMO BOBİNİ

TEMEL ÖZELLİKLER
- Güç tüketimi: maksimum 0.4W
- Emilen güç: ± %10.
- Verimlilik (görev döngüsü): %100
- Koruma derecesi: IP65
- Elektrik bağlantısı: PG 9 (istek üzerine M20x1.5)
- Çalışma sıcaklığı: -20°C ile +55°C arası

MALZEMELER
- Gövde: boyalı hafif alaşım
- Bobinler: H sınıfı kaplamalı bakır

SERTİFİKALAR
- ATEX II 1 GD Ex ia IIC T6
- ABD ve KANADA için istek üzerine IECEX, NEPSI, FM

* ATEX Exia olması için, bobinin dahil olmayan özel güvenlik cihazlarıyla kilitlenmesi gerekir.

II2GD Exd IIC T4 - T6
ATEX ER85 - ER86 - ER8187 SOLENOİD VANA İÇİN CNOMO BOBİNİ

TEMEL ÖZELLİKLER
- Emilen güç: 9,5 VA (AC) 1,3 W (24Vdc)
- Emilen güç: ± %10.
- Verimlilik (görev döngüsü): %100
- Koruma derecesi: IP66
- Elektrik bağlantısı: M20x1,5 (1/2" NPT isteğe göre)
- Ortam sıcaklığı: -20°C ile +55°C arası

MALZEMELER
- Gövde: boyalı paslanmaz çelik
- Bobinler: H sınıfı kaplamalı bakır

SERTİFİKALAR
- ATEX II2GD Exd IIC T4 - T6
- İsteğe göre IEC Ex, NEPSI, EAC CU-TR

ARAMA KODU 
X KAPAT

GELECEK ETKİNLİK

IVS - Industrial Valve Summit 2026
IVS - Industrial Valve Summit 2026
Bergamo, Italy, 19 - 21 may 2026