images/testate/1600x499accattuatori.jpg

Elettrovalvola 3/2 - 5/2 NAMUR con bobina CNOMO ATEX

Elettrovalvola 3/2 - 5/2 NAMUR con bobina CNOMO ATEX

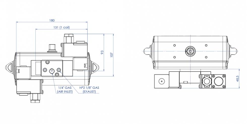
Esempio con 1 bobina (Monostabile)

Esempio con 2 bobine (Bistabile)

CARATTERISTICHE PRINCIPALI
- Elettrovalvola monostabile o bistabile 3/2 - 5/2 a norma NAMUR con interfaccia CNOMO per bobine
- L’elettrovalvola é predisposta per la selezione tra la funzione 5/2 e 3/2 che si realizza usando una delle 2 differenti piastre di interfacciamento.
- Sistema integrato di ricircolo aria (ETS) nella funzione 3/2.
- Grado di protezione con connettore: IP65
- Portata: 675 l/min a 6 bar ∆p 1 bar
- Connessioni pneumatiche: alimentazione 1/4”;scarico 1/8” ISO 228
- Comando bistabile a vite
- Pressione di esercizio: da 3 a 10 bar
- Temperatura ambiente: da -20°C a 60°C

MATERIALI
- Corpo e tappi: alluminio anodizzato DURAL; acciaio inox AISI316 su richiesta
- Spola: alluminio anodizzato impregnato PTFE
- Guarnizioni: nitrile
- Molla: acciaio inox
- Viti: acciaio inox
- Piastra di conversione 3/2 - 5/2 nylon 66 caricato vetro (30%)

CERTIFICATI
- ATEX in relazione alla bobina
- Dichiarazione CE a richiesta
- Altre a richiesta
- Certificato fino a SIL 2
- Certificato fino a SIL 3 in funzione 3/2

BOBINE

ExNA IIC T4
BOBINA CNOMO PER ELETTROVALVOLA ATEX ER85 - ER86 - ER8187

CARATTERISTICHE PRINCIPALI
- Potenza assorbita: 2,4W (DC) 5VA (10VA max) (AC)
- Tolleranza tensione di alimentazione: ±10%
- Rendimento (duty cycle): 100%
- Grado di protezione: IP65
- Connessione elettrica: PG 9 (M20x1,5 a richiesta)
- Temperatura di utilizzo: da -20°C a +60°C

MATERIALI
- Corpo: lega leggera verniciata (acciaio inox verniciato a richiesta)
- Spire: rame rivestito classe H

CERTIFICATI
- ATEX ExNA IIC T4

II 1 GD Exia IIC T6*
BOBINA CNOMO PER ELETTROVALVOLA ATEX ER85 - ER86 - ER8187

CARATTERISTICHE PRINCIPALI
- Potenza assorbita: max 0,4W
- Tolleranza tensione di alimentazione: ±10%
- Rendimento (duty cycle): 100%
- Grado di protezione: IP65
- Connessione elettrica: PG 9 (M20x1,5 a richiesta)
- Temperatura ambiente: da -20°C a +55°C

MATERIALI
- Corpo: lega leggera verniciata
- Spire: rame rivestito classe H

CERTIFICATI
- ATEX II 1 GD Ex ia IIC T6
- A richiesta IECEX, NEPSI, FM per USA e CANADA

* Per essere ATEX Exia, la bobina deve essere barrierata con appositi dispositivi di sicurezza, non inclusi.

II2GD Exd IIC T4 - T6
BOBINA CNOMO PER ELETTROVALVOLA ATEX ER85 - ER86 - ER8187

CARATTERISTICHE PRINCIPALI
- Potenza assorbita: 9,5 VA (AC) 1,3 W (24Vdc)
- Tolleranza tensione di alimentazione: ±10%
- Rendimento (duty cycle): 100%
- Grado di protezione: IP66
- Connessione elettrica: M20x1,5 (1/2” NPT a richiesta)
- Temperatura ambiente: da -20°C a +55°C

MATERIALI
- Corpo: acciaio inox verniciato
- Spire: rame rivestito classe H

CERTIFICATI
- ATEX II2GD Exd IIC T4 - T6
- A richiesta IEC Ex, NEPSI, EAC CU-TR

CERCA IL CODICE 
X CHIUDI

PROSSIMO EVENTO

IVS - Industrial Valve Summit 2026
IVS - Industrial Valve Summit 2026
Bergamo, Italia, 19 - 21 maggio 2026