images/testate/1600x499accattuatori.jpg

Electroválvula 3/2 - 5/2 NAMUR con bobina CNOMO ATEX

Electroválvula 3/2 - 5/2 NAMUR con bobina CNOMO ATEX

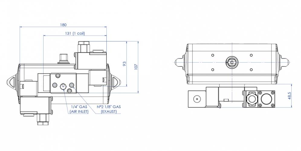
Ejemplo con 1 bobina (Monoestable)

Ejemplo con 2 bobinas (Biestable)

CARACTERÍSTICAS PRINCIPALES
- Electroválvula monoestable o biestable 3/2 - 5/2 según norma NAMUR con interfaz CNOMO para bobinas
- La electroválvula está diseñada para la selección entre las funciones 5/2 y 3/2 que se realiza usando una de las 2 placas de interfaz diferentes.
- Sistema integrado de recirculación de aire (ETS) en la función 3/2.
- Grado de protección con conector: IP65
- Capacidad: 675 l/min a 6 bar Δp 1 bar
- Conexiones neumáticas: alimentación 1/4”; descarga 1/8” ISO 228
- Comando biestable de tornillos
- Presión de funcionamiento: de 3 a 10 bar
- Temperatura ambiente: de -20°C a 60°C

MATERIALES
- Cuerpo y tapas: aluminio anodizado DURAL; acero inox. AISI316 bajo pedido
- Canilla: aluminio anodizado impregnado PTFE
- Juntas: nitrilo
- Muelle: acero inox.
- Tornillos: acero inoxidable
- Placa de conversión 3/2 - 5/2 nailon 66 cargado vidrio (30%)

CERTIFICADOS
- ATEX con relación a la bobina
- Declaración CE bajo pedido
- Otros bajo pedido
- Certificado hasta SIL 2
- Certificado hasta SIL 3 en función 3/2

BOBINAS

ExNA IIC T4
BOBINA CNOMO PARA ELECTROVÁLVULA ATEX ER85 - ER86 - ER8187

CARACTERÍSTICAS PRINCIPALES
- Potencia absorbida: 2,4W (CC) 5VA (10VA máx.) (CA)
- Tolerancia tensión de alimentación: ±10%
- Rendimiento (ciclo de trabajo): 100%
- Grado de protección: IP65
- Conexión eléctrica: PG 9 (M20x1,5 bajo pedido)
- Temperatura de uso: de -20°C a +60°C

MATERIALES
- Cuerpo: aleación ligera barnizada (acero inox. barnizado bajo pedido)
- Espiras: cobre revestido clase H

CERTIFICADOS
- ATEX ExNA IIC T4

II 1 GD Exia IIC T6*
BOBINA CNOMO PARA ELECTROVÁLVULA ATEX ER85 - ER86 - ER8187

CARACTERÍSTICAS PRINCIPALES
- Potencia absorbida: máx. 0,4 W
- Tolerancia tensión de alimentación: ±10%
- Rendimiento (ciclo de trabajo): 100%
- Grado de protección: IP65
- Conexión eléctrica: PG 9 (M20x1,5 bajo pedido)
- Temperatura ambiente: de -20°C a +55°C

MATERIALES
- Cuerpo: aleación ligera barnizada
- Espiras: cobre revestido clase H

CERTIFICADOS
- ATEX II 1 GD Ex ia IIC T6
- Bajo pedido IECEX, NEPSI, FM para EE.UU. Y CANADÁ

* Para ser ATEX Exia, la bobina debe tener una barrera con dispositivos de seguridad adecuados, no incluidos.

II2GD Exd IIC T4 - T6
BOBINA CNOMO PARA ELECTROVÁLVULA ATEX ER85 - ER86 - ER8187

CARACTERÍSTICAS PRINCIPALES
- Potencia absorbida: 9,5 VA (CA) 1,3 W (24Vcc)
- Tolerancia tensión de alimentación: ±10%
- Rendimiento (ciclo de trabajo): 100%
- Grado de protección: IP66
- Conexión eléctrica: M20x1,5 (1/2” NPT bajo pedido)
- Temperatura ambiente: de -20°C a +55°C

MATERIALES
- Cuerpo: acero inox. barnizado
- Espiras: cobre revestido clase H

CERTIFICADOS
- ATEX II2GD Exd IIC T4 - T6
- Bajo pedido IEC Ex, NEPSI, EAC CU-TR

BUSCAR CóDIGO 
X CERRAR

SIGUIENTE EVENTO

IVS - Industrial Valve Summit 2026
IVS - Industrial Valve Summit 2026
Bergamo, Italy, 19 - 21 may 2026