images/testate/1600x499accattuatori.jpg

Magnetventil 3/2 - 5/2 NAMUR mit CNOMO-Spule ATEX

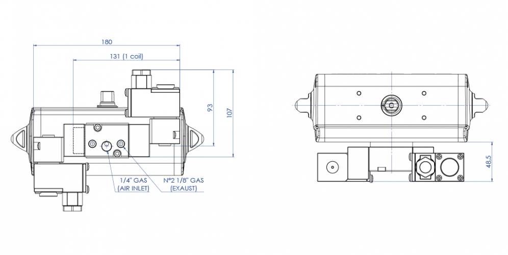
Magnetventil 3/2 - 5/2 NAMUR mit CNOMO-Spule ATEX

Beispiel mit 1 Spule (Monostabil)

Beispiel mit 2 Spulen (Bistabil)

HAUPTMERKMALE
- Monostabiles oder bistabiles Magnetventil 3/2 - 5/2 nach NAMUR-Norm mit CNOMO-Anschlussplatte für Spulen.
- Das Magnetventil ist ausgestattet für die Wahl zwischen 5/2- und 3/2-Betrieb, der über eine der 2 verschiedenen Anschlussplatten erfolgt.
- Integriertes Umluftsystem (ETS) im 3/2-Betrieb.
- Schutzart mit Stecker: IP65
- Durchsatz: 675 l/min bei 6 bar, Δp 1 bar.
- Pneumatische Anschlüsse: Zuluft 1/4"; Abluft 1/8" ISO 228
- Bistabile Schneckensteuerung
- Betriebsdruck: von 3 bis 10 bar
- Umgebungstemperatur: - 20 bis + 60 °C

WERKSTOFFE
- Gehäuse und Kappen: DURAL eloxiertes Aluminium; Inox-Stahl AISI316 auf Anfrage
- Spule: PTFE imprägniertes eloxiertes Aluminium
- Dichtungen: Nitril
- Feder: Inox-Stahl
- Schrauben: Inox Stahl
- Konversionsplatte 3/2 - 5/2 Nylon 66 gefüllt mit Glas (30 %)

ZERTIFIKATE
- ATEX-zertifiziert in Bezug auf die Spule.
- CE-Erklärung auf Anfrage
- Weitere auf Anfrage
- Zertifiziert bis SIL 2
- Zertifiziert bis SIL 3 in Betrieb 3/2

SPULEN

ExNA IIC T4
CNOMO-SPULE FÜR MAGNETVENTIL ATEX ER85 - ER86 - ER8187

HAUPTMERKMALE
- Leistungsaufnahme: 2,4 W (Gleichstrom) 5 VA (max 10 VA) (Wechselstrom)
- Toleranz Versorgungsspannung: ± 10 %
- Wirkungsgrad (duty cycle): 100 %
- Schutzart: IP65
- Elektr. Anschluss : PG 9 (M20 x 1,5 auf Anfrage)
- Anwendungstemperatur: von - 20 bis + 60 °C

WERKSTOFFE
- Gehäuse: lackiertes Leichtmetall (lackierter Edelstahl auf Anfrage)
- Spulen: Beschichtetes Kupfer Klasse H

ZERTIFIKATE
- ATEX ExNA IIC T4

II 1 GD Exia IIC T6*
CNOMO-SPULE FÜR MAGNETVENTIL ATEX ER85 - ER86 - ER8187

HAUPTMERKMALE
- Leistungsaufnahme max. 0,4 W
- Toleranz Versorgungsspannung: ± 10 %
- Wirkungsgrad (duty cycle): 100 %
- Schutzart: IP65
- Elektr. Anschluss : PG 9 (M20 x 1,5 auf Anfrage)
- Umgebungstemperatur: - 20 bis + 55 °C.

WERKSTOFFE
- Gehäuse: lackiertes Leichtmetall
- Spulen: Beschichtetes Kupfer Klasse H

ZERTIFIKATE
- ATEX II 1 GD Ex ia IIC T6
- Auf Anfrage IECEX, NEPSI, FM für USA und KANADA

* Um ATEX Exia zu sein, muss die Spule mit speziellen Sicherheitsvorrichtungen verriegelt werden, die nicht im Lieferumfang enthalten sind.

II2GD Exd IIC T4 - T6
CNOMO-SPULE FÜR MAGNETVENTIL ATEX ER85 - ER86 - ER8187

HAUPTMERKMALE
- Leistungsaufnahme: 9,5 VA (Wechselstrom) 1,3 W (24 Vdc)
- Toleranz Versorgungsspannung: ± 10%
- Wirkungsgrad (duty cycle): 100%
- Schutzart: IP66
- Elektr. Anschluss: M20 x 1,5 (1/2” NPT auf Anfrage)
- Umgebungstemperatur: - 20 bis + 55°C.

WERKSTOFFE
- Geh.use: Inox-Stahl lackiert
- Spulen: Beschichtetes Kupfer Klasse H

ZERTIFIKATE
- ATEX II2GD Exd IIC T4 - T6
- Auf Anfrage IEC Ex, NEPSI, EAC CU-TR

ARTIKELNUMMER SUCHEN 
SCHLIESSEN

NÄCHSTES EVENT

IVS - Industrial Valve Summit 2026
IVS - Industrial Valve Summit 2026
Bergamo, Italy, 19 - 21 may 2026