images/testate/1600x499accattuatori.jpg

Électrovanne 3/2 - 5/2 NAMUR avec bobine CNOMO ATEX

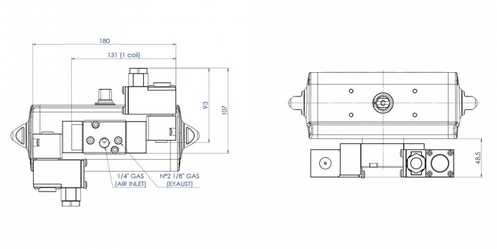
Électrovanne 3/2 - 5/2 NAMUR avec bobine CNOMO ATEX

Exemple avec 1 bobine (monostable)

Exemple avec 2 bobines (bistable)

CARACTÉRISTIQUES PRINCIPALES
- Électrovanne monostable ou bistable 3/2 - 5/2 selon norme NAMUR avec embase CNOMO pour bobines
- L'électrovanne permet la sélection de la fonction 5/2 et 3/2 qui s'effectue à l'aide de l'une des 2 interfaces.
- Système intégré de recirculation d'air (ETS) dans la fonction 3/2.
- Indice de protection avec connecteur : IP65
- Débit : 675 L/min à 6 bar Δp 1 bar
- Raccordements pneumatiques : alimentation 1/4" ; échappement 1/8" ISO 228
- Commande bistable par vis
- Pression de fonctionnement : de 3 à 10 bar
- Température ambiante : de -20 °C à 60 °C

MATÉRIAUX
- Corps et bouchons : aluminium anodisé DURAL ; acier inox AISI316 sur demande
- Bobine : aluminium anodisé imprégné de PTFE
- Garnitures : nitrile
- Ressort : acier inoxydable
- Vis : acier inoxydable
- Plaque de conversion 3/2 - 5/2 nylon 66 chargé verre (30%)

CERTIFICATS
- ATEX relatifs à la bobine
- Déclaration CE, sur demande
- D’autres certificats peuvent être fournis sur demande
- Certifié jusqu'à SIL 2
- Certifié jusqu'à SIL 3 en exercice 3/2

BOBINES

ExNA IIC T4
BOBINE CNOMO POUR ÉLECTROVANNE ATEX ER85 - ER86 - ER8187

CARACTÉRISTIQUES PRINCIPALES
- Puissance absorbée : 2,4W (CC) 5VA (10VA max) (CA)
- Tolérance tension d’alimentation : ±10 %
- Rendement (rapport cyclique) : 100 %
- Indice de protection : IP65
- Connexion électrique : PG 9 (M20x1,5 sur demande)
- Température de fonctionnement : de -20 °C à +60 °C

MATÉRIAUX
- Corps : alliage léger peint (inox peint sur demande)
- Bobines : cuivre revêtu classe H

CERTIFICATS
- ATEX ExNA IIC T4

II 1 GD Exia IIC T6*
BOBINE CNOMO POUR ÉLECTROVANNE ATEX ER85 - ER86 - ER8187

CARACTÉRISTIQUES PRINCIPALES
- Puissance absorbée : 0,4W max.
- Tolérance tension d’alimentation : ±10 %
- Rendement (rapport cyclique) : 100 %
- Indice de protection : IP65
- Connexion électrique : PG 9 (M20x1,5 sur demande)
- Température ambiante : de -20 °C à +55 °C

MATÉRIAUX
- Corps : alliage léger peint
- Bobines : cuivre revêtu classe H

CERTIFICATS
- ATEX II 1 GD Ex ia IIC T6
- Sur demande, IECEX, NEPSI, FM pour USA et CANADA

* Pour que la bobine soit conforme à ATEX Exia, il faut installer une barrière avec des dispositifs de sécurité spéciaux, non inclus.

II2GD Exd IIC T4 - T6
BOBINE CNOMO POUR ÉLECTROVANNE ATEX ER85 - ER86 - ER8187

CARACTÉRISTIQUES PRINCIPALES
- Puissance absorbée : 9,5 VA (CA) 1,3 W (24 Vcc)
- Tolérance tension d’alimentation : ±10 %
- Rendement (rapport cyclique) : 100 %
- Indice de protection : IP66
- Connexion électrique : M20x1,5 (1/2” NPT sur demande)
- Température ambiante : de -20 °C à +55 °C

MATÉRIAUX
- Corps : acier inoxydable peint
- Bobines : cuivre revêtu classe H

CERTIFICATS
- ATEX II2GD Exd IIC T4 - T6
- Sur demande IEC Ex, NEPSI, EAC CU-TR

CHERCHER LE CODE 
X FERMER

PROCHAIN ÉVÈNEMENT

IVS - Industrial Valve Summit 2026
IVS - Industrial Valve Summit 2026
Bergamo, Italy, 19 - 21 may 2026