images/testate/Template-Header-Sito-OMALBALLVALVES.jpg

Válvula de esfera em ferro fundido Item 216

Válvula de esfera em ferro fundido Item 216

Válvula de esfera em ferro fundido 2 vias flangeada passagem integral

CONFIGURAR Acionamento
SOLICITAR INFORMAÇÃO
IMPRIMIR PÁGINA
  • características
  • dimensões
  • materiais
  • diagramas e torques de partida

CARACTERÍSTICAS GERAIS:
• Flange: EN 1092/2 PN16
• Espaçamento EN558/1 (ISO 5752)
• Temperatura de operação: de -10°C a +70°C
• Pressão de operação: máx. 16 Bar (10 Bar no final da linha) VER DIAGRAMA
• Fluido interceptado: gás urbano, gás líquido, combustíveis gasosos de acordo com a tabela UNI-CIG 7129 e DIN-DVGW G 260/I para gás.

EXECUÇÕES ESPECIAIS A PEDIDO:
• PN 6 - PN 10
• Para outras aplicações, entrar em contato com nosso escritório de vendas.

CERTIFICAÇÕES:
• Aprovação DIN-DVGW para interceptação de gases combustíveis tab. G260

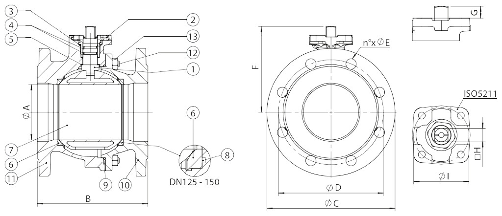
DIMENSÕES   
MEDIDA  
øA
B
øC
øD
øE
F
G
□H
øI
DN [mm]
[polegada]
DN 50
2"
50
150
165
125
4x18
100,5
13,5
14
50
DN 65
2" 12
63
170
185
145
4x18
108,5
13,5
14
50
DN 80
3"
76
180
200
160
8x18
133
15
17
70
DN 100
4"
95
190
220
180
8x18
147,5
15
17
70
DN 125
5"
120
200
250
210
8x18
186
21
22
102
DN 150
6"
145
210
285
240
8x22
203,5
21
22
102



MATERIAIS    
1
Haste
Latão cromado
CuZn40Pb2
2
Anel
Latão cromado
CuZn40Pb2
3
O-ring de vedação superior
NBR

4
O-ring de vedação da haste
NBR

5
Anel anti-fricção
P.T.F.E.

6
Guarnições de vedação lateral
P.T.F.E.

7
Esfera
Latão
CuZn40Pb2
8
O-ring
NBR

9
O-ring de vedação do corpo
NBR

10
Flange
Ferro fundido esferoidal
EN GJS 400-15
11
Corpo
Ferro fundido esferoidal
EN GJS 400-15
12
Tirante
Aço carbono galvanizado

13
Porca de bloqueio
Aço carbono galvanizado


DIAGRAMA DE PRESSÃO/TEMPERATURA

Fluxo/queda de pressão e coeficiente nominal Kv

O valor Kv é o valor da vazão em m3/h (com água a 15°C) que causa a queda de pressão de 1 bar.

TORQUES DE PARTIDA em Nm  
MEDIDA  
DN 50
2"
DN 65
2"1/2
DN 80
3"
DN 100
4"
DN 125
5"
DN 150
6"
PN 16 bar
38
68
112
171
298
445


Os valores do torque podem variar dependendo da temperatura e do tipo de fluido. Considerar um fator de segurança de 1,4.
Com ciclos frequentes de abertura e fechamento, o torque de manobra pode diminuir significativamente em comparação ao inicial. Os acoplamentos atuador/válvula, mostrados nas páginas a seguir, são realizados para válvulas que interceptam fluidos líquidos ou gasosos, limpos e para temperaturas médias. Para mais informações ou usos diferentes, consultar nosso departamento de vendas.

CONFIGURAR DIRIGIR
Selecionar os parâmetros de pesquisa
PESQUISA DE ITEM
X FECHAR

PRÓXIMO EVENTO

IVS - Industrial Valve Summit 2026
IVS - Industrial Valve Summit 2026
Bergamo, Italy, 19 - 21 may 2026